GM Service Manual Online
For 1990-2009 cars only
Makes
🢒
Chevrolet
🢒
2001
🢒
Chevy C Silverado - 2WD
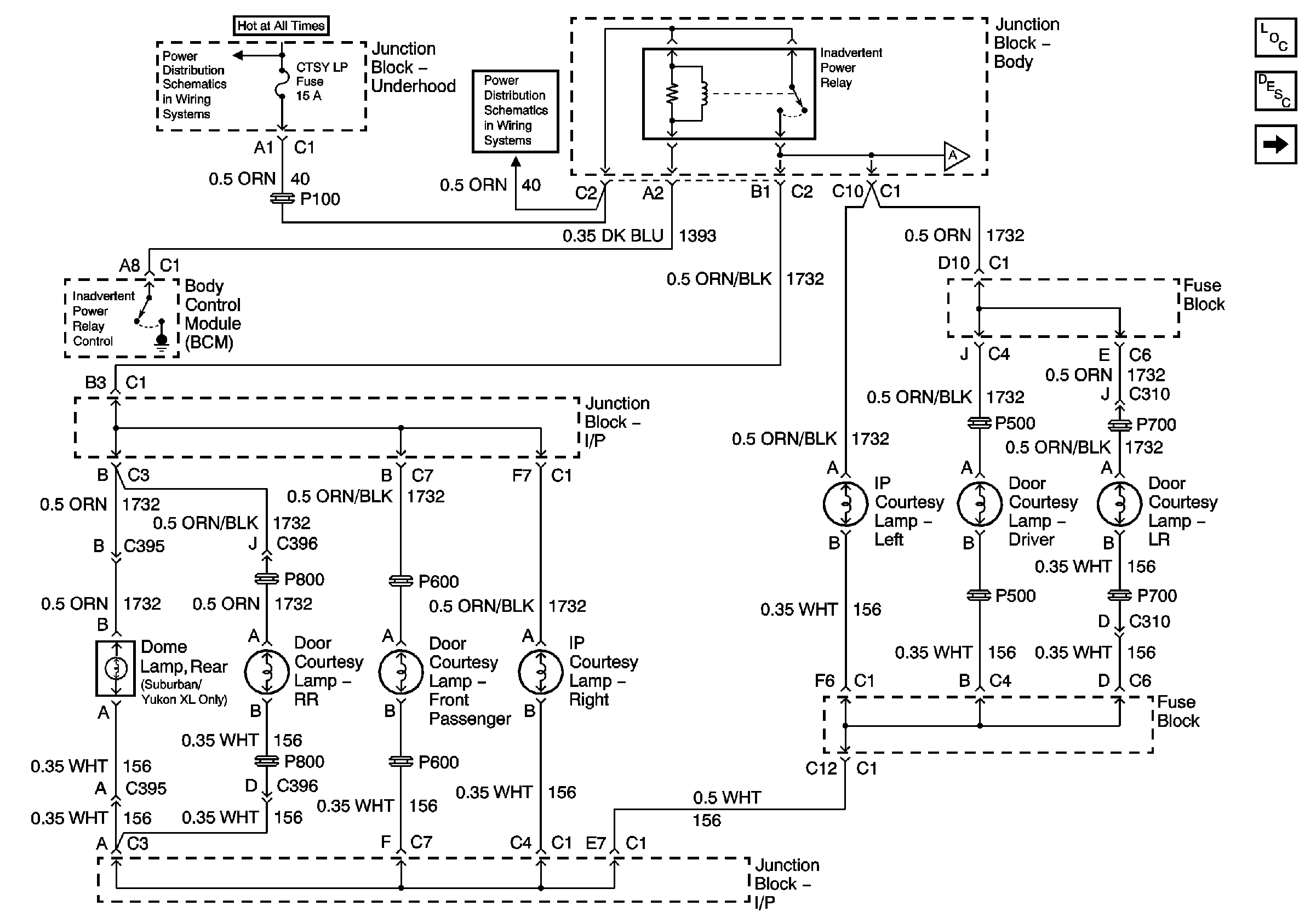
🢒 Inadvertent Power Relay, Door Courtesy Lamps, IP Courtesy Lamps, and CTSY LP Fuse - Uplevel
Inadvertent Power Relay, Door Courtesy Lamps, IP Courtesy Lamps, and CTSY LP Fuse - Uplevel
Inadvertent Power Relay, Door Courtesy Lamps, IP Courtesy Lamps, and CTSY LP Fuse - Uplevel
Master Electrical Component List
Interior Lighting Systems Description and Operation
Inadvertent Power Relay, Courtesy Lamp Module, and CTSY LP Fuse - Luxury
B+ Bus Bar
ABS, HAZ LP, STUD 1, STUD 2, CTSY LP, and PARK LP Fuses
Vanity Mirror Lamps and Map Lamp Assemblies - Uplevel