GM Service Manual Online
For 1990-2009 cars only
Makes
🢒
Chevrolet
🢒
2001
🢒
Chevy C Silverado - 2WD
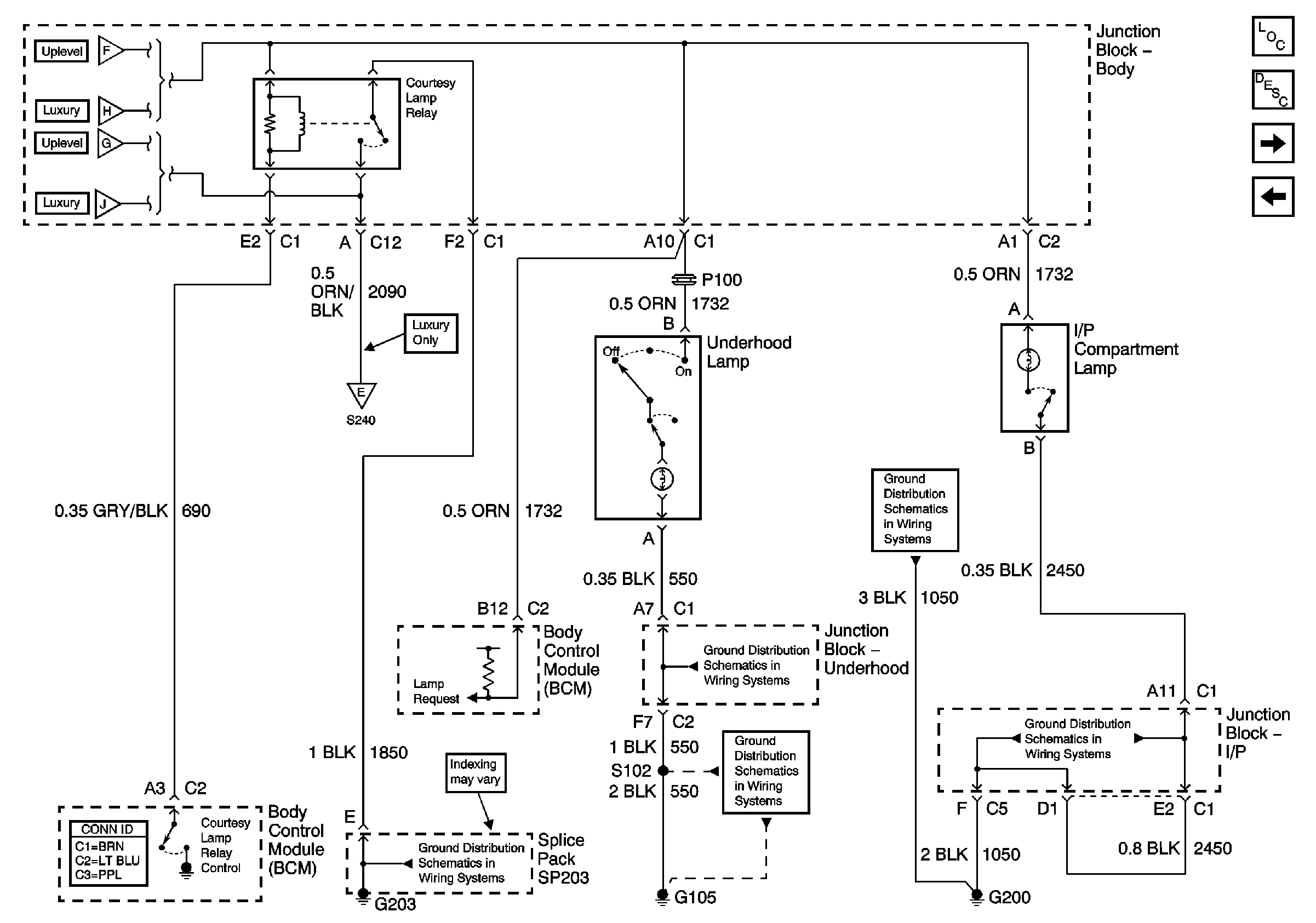
🢒 Courtesy Lamp Relay, Underhood Lamp, and IP Compartment Lamp
Courtesy Lamp Relay, Underhood Lamp, and IP Compartment Lamp
Courtesy Lamp Relay, Underhood Lamp, and IP Compartment Lamp
Master Electrical Component List
Interior Lighting Systems Description and Operation
PARK LPS Fuse, Parklamp Relay, Door Lock Switch-Driver, Heated Seat Switches, and Ashtray Lamp
Vanity Mirror Lamps and Map Lamp Assemblies - Luxury
Vanity Mirror Lamps and Map Lamp Assemblies - Uplevel
Vanity Mirror Lamps and Map Lamp Assemblies - Luxury
Vanity Mirror Lamps and Map Lamp Assemblies - Uplevel
Vanity Mirror Lamps and Map Lamp Assemblies - Luxury
Door Courtesy Lamps and IP Courtesy Lamps - Luxury
G200 - 1 of 2
G103 and G105 - Gas
G103 and G105 - Gas
G200 - 1 of 2
G203 - 1 of 4