GM Service Manual Online
For 1990-2009 cars only
Makes
🢒
Chevrolet
🢒
2001
🢒
Chevy C Silverado - 2WD
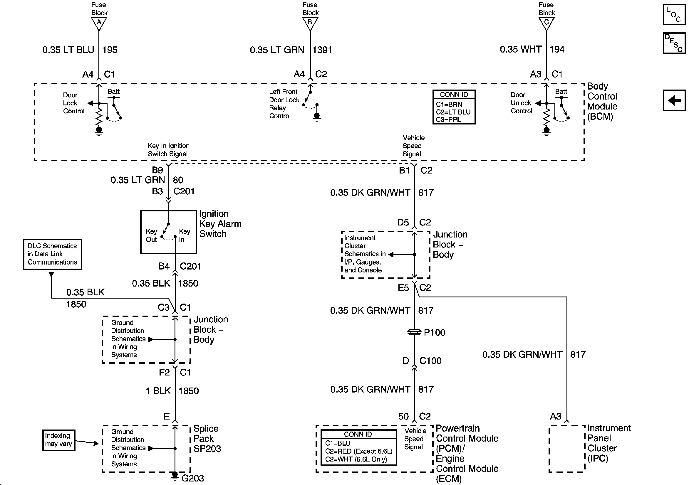
🢒 Ignition Key Alarm Switch and Vehicle Speed Signal
Ignition Key Alarm Switch and Vehicle Speed Signal
Ignition Key Alarm Switch and Vehicle Speed Signal
Master Electrical Component List
Power Door Locks Description and Operation
Lock and Unlock Relays, Door Lock Switches, BCM, G203
Lock and Unlock Relays, Door Lock Switches, BCM, G203
Lock and Unlock Relays, Door Lock Switches, BCM, G203
Lock and Unlock Relays, Door Lock Switches, BCM, G203
SP205
G203 - 3 of 4 - Base Pickup
G203 - 1 of 4
Engine Data Sensors - MAF and VSS