GM Service Manual Online
For 1990-2009 cars only
Figure 1:

G100 and G110


Object Number: 769176  Size: FS
Master Electrical Component List
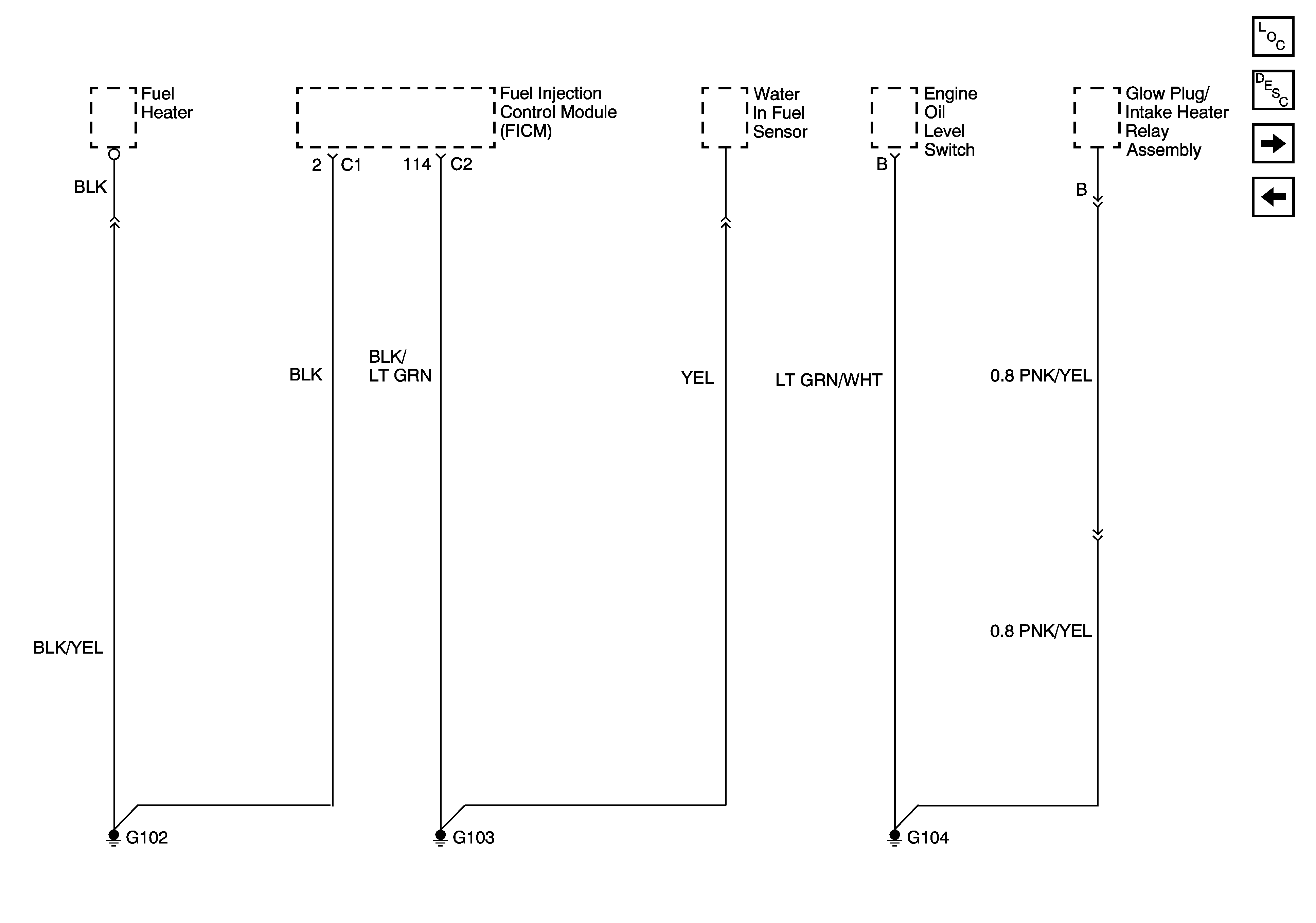
G103 and G105 - Gas
G103 and G105 - Gas
G105 - Diesel
Figure 2:

G103 and G105 - Gas


Object Number: 769178  Size: FS
Master Electrical Component List
G104 - Gas
G100 and G110
G104 - Gas
G100 and G110
Figure 3:

G104 - Gas


Object Number: 769180  Size: FS
Master Electrical Component List
G102, G103, and G104 - Diesel
G103 and G105 - Gas
G103 and G105 - Gas
Figure 4:

G102, G103, and G104 - Diesel


Object Number: 784998  Size: FS
Master Electrical Component List
G105 - Diesel
G104 - Gas
Figure 5:

G105 - Diesel


Object Number: 769181  Size: FS
Master Electrical Component List
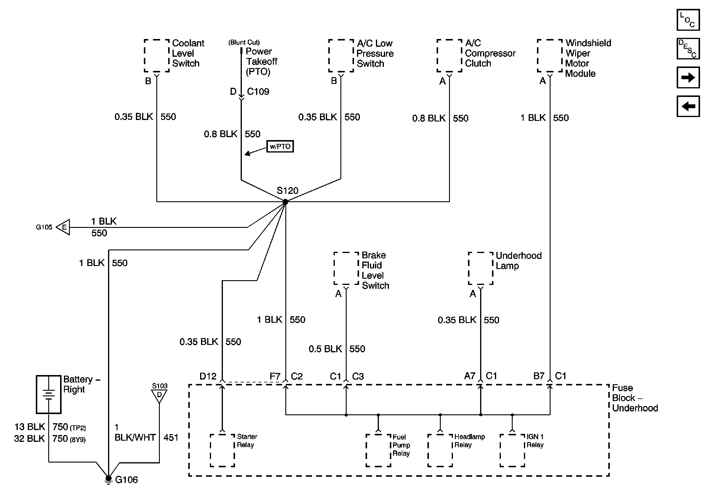
G106 - Diesel
G102, G103, and G104 - Diesel
G100 and G110
G106 - Diesel
G106 - Diesel
Figure 6:

G106 - Diesel


Object Number: 769182  Size: FS
Master Electrical Component List
G200
G105 - Diesel
G105 - Diesel
G105 - Diesel
Figure 7:

G200


Object Number: 769185  Size: FS
Master Electrical Component List
G203 - 1 of 3
G106 - Diesel
Figure 8:

G203 - 1 of 3


Object Number: 769187  Size: FS
Master Electrical Component List
G203 - 2 of 3 - Base Except Crew Cab
G200
G203 - 2 of 3 - Base Except Crew Cab
G203 - 2 of 3 - Uplevel and Crew Cab
G203 - 3 of 3
Figure 9:

G203 - 2 of 3- Base Except Crew Cab


Object Number: 769188  Size: FS
Master Electrical Component List
G203 - 2 of 3 - Uplevel and Crew Cab
G203 - 1 of 3
G203 - 1 of 3
Figure 10:

G203 - 2 of 3 - Uplevel and Crew Cab


Object Number: 769192  Size: FS
Master Electrical Component List
G203 - 3 of 3
G203 - 2 of 3 - Base Except Crew Cab
G203 - 1 of 3
Figure 11:

G203 - 3 of 3


Object Number: 879229  Size: FS
Master Electrical Component List
G304
G203 - 2 of 3 - Uplevel and Crew Cab
G203 - 1 of 3
Figure 12:

G302


Object Number: 1948146  Size: FS
Master Electrical Component List
G304
G203 - 3 of 3
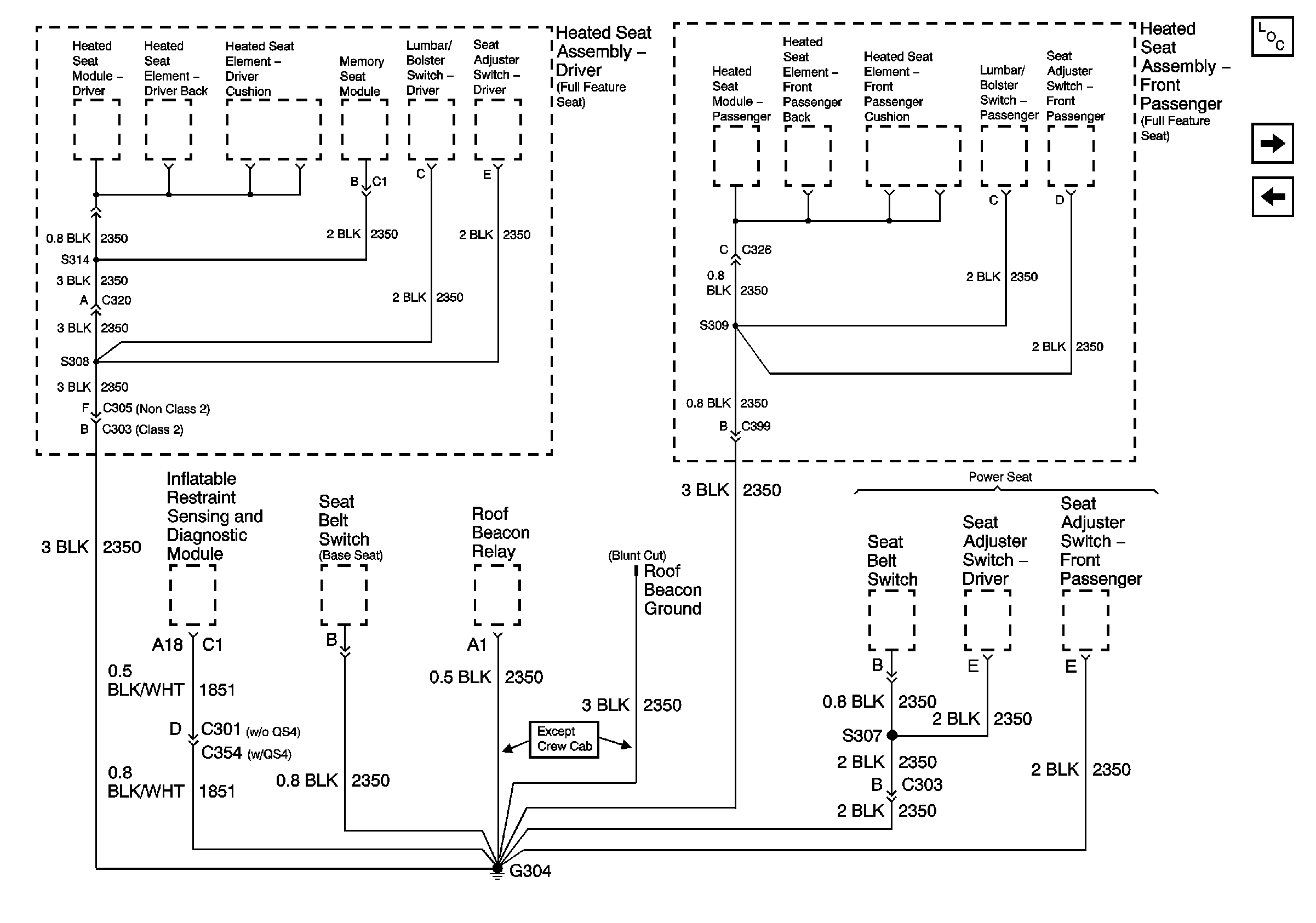
Figure 13:

G304


Object Number: 769193  Size: FS
Master Electrical Component List
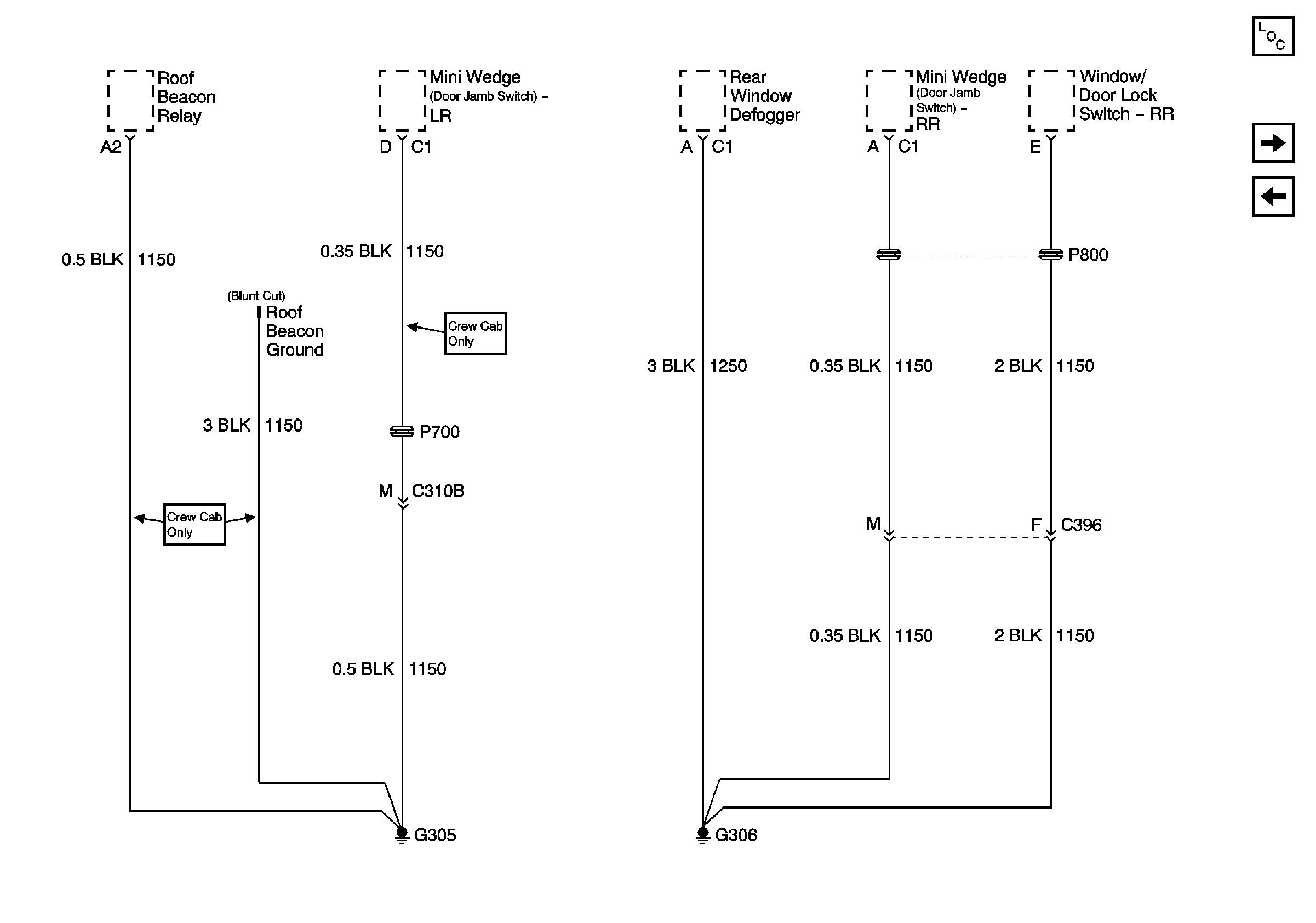
G305 and G306
G203 - 2 of 3 - Uplevel and Crew Cab
Figure 14:

G305 and G306


Object Number: 769199  Size: FS
Master Electrical Component List
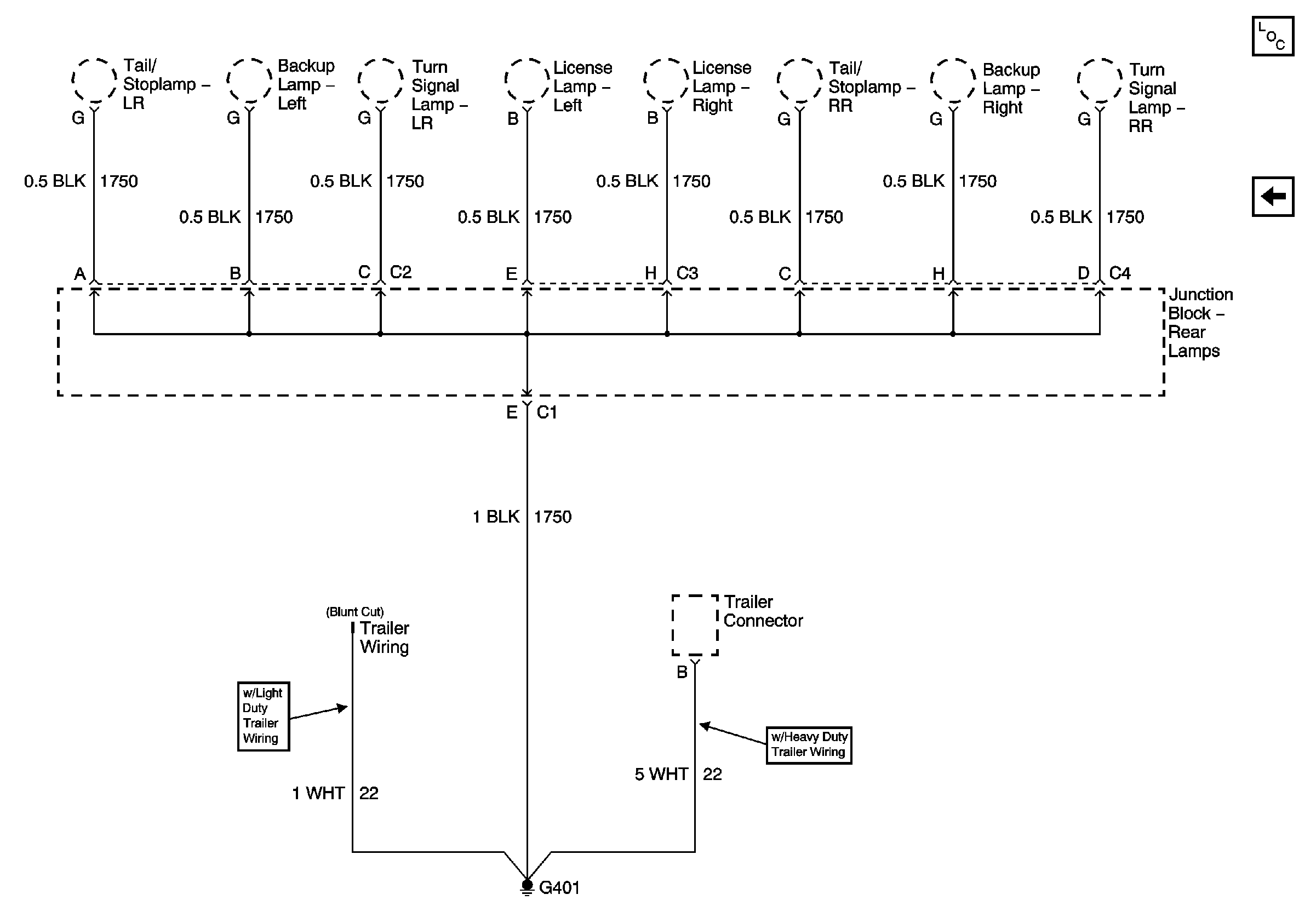
G401
G304
Figure 15:

G401


Object Number: 769194  Size: FS
Master Electrical Component List
G305 and G306
Figure 16:

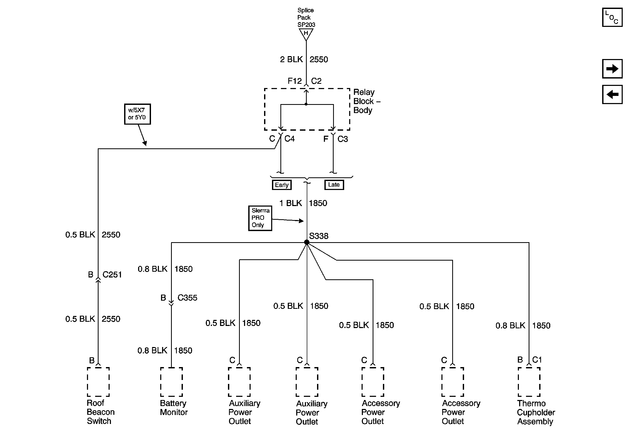
G403


Object Number: 1948159  Size: FS
Master Electrical Component List
G401