GM Service Manual Online
For 1990-2009 cars only
Makes
🢒
Chevrolet
🢒
2002
🢒
Chevy C Silverado - 2WD
🢒
Body and Accessories
🢒
Cellular Communication
🢒 OnStar Schematics
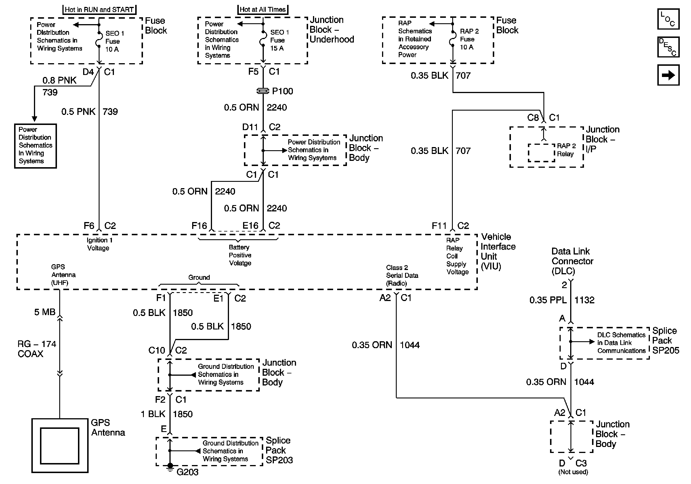
Figure
1:
Power, Ground and DLC
Figure
2:
Communication Controls
Master Electrical Component List
OnStar Description and Operation
OnStar to Radio Control
Power, Ground and DLC
Figure
3:
OnStar to Radio Control