GM Service Manual Online
For 1990-2009 cars only
Makes
🢒
Chevrolet
🢒
2002
🢒
Chevy C Silverado - 2WD
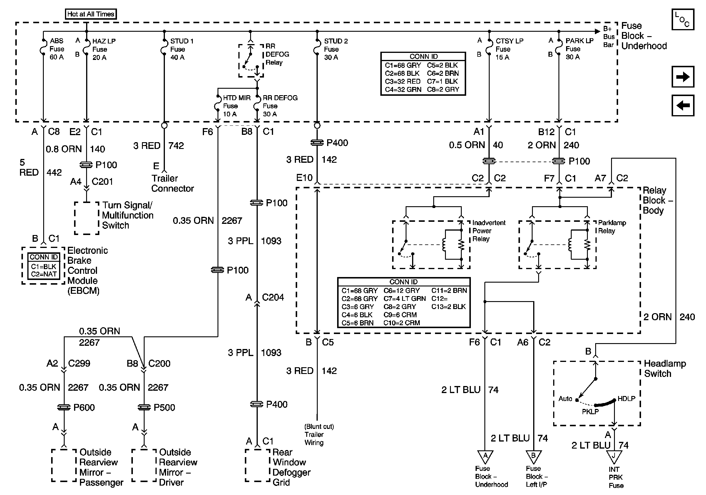
🢒 ABS, HAZ LP, STUD 1, HTD MIR, RR DEFOG, STUD 2, CTSY LP, and PARK LP Fuses
ABS, HAZ LP, STUD 1, HTD MIR, RR DEFOG, STUD 2, CTSY LP, and PARK LP Fuses
ABS, HAZ LP, STUD 1, HTD MIR, RR DEFOG, STUD 2, CTSY LP, and PARK LP Fuses
Master Electrical Component List
FR PRK, TRL PRK, LR PRK, and RR PRK Fuses
B/U LAMP, BTSI, VEH B/U and TRL B/U Fuses
B+ Bus Bar
FR PRK, TRL PRK, LR PRK, and RR PRK Fuses
INT PRK Fuse
INT PRK Fuse