GM Service Manual Online
For 1990-2009 cars only
Makes
🢒
Chevrolet
🢒
2002
🢒
Chevy C Silverado - 2WD
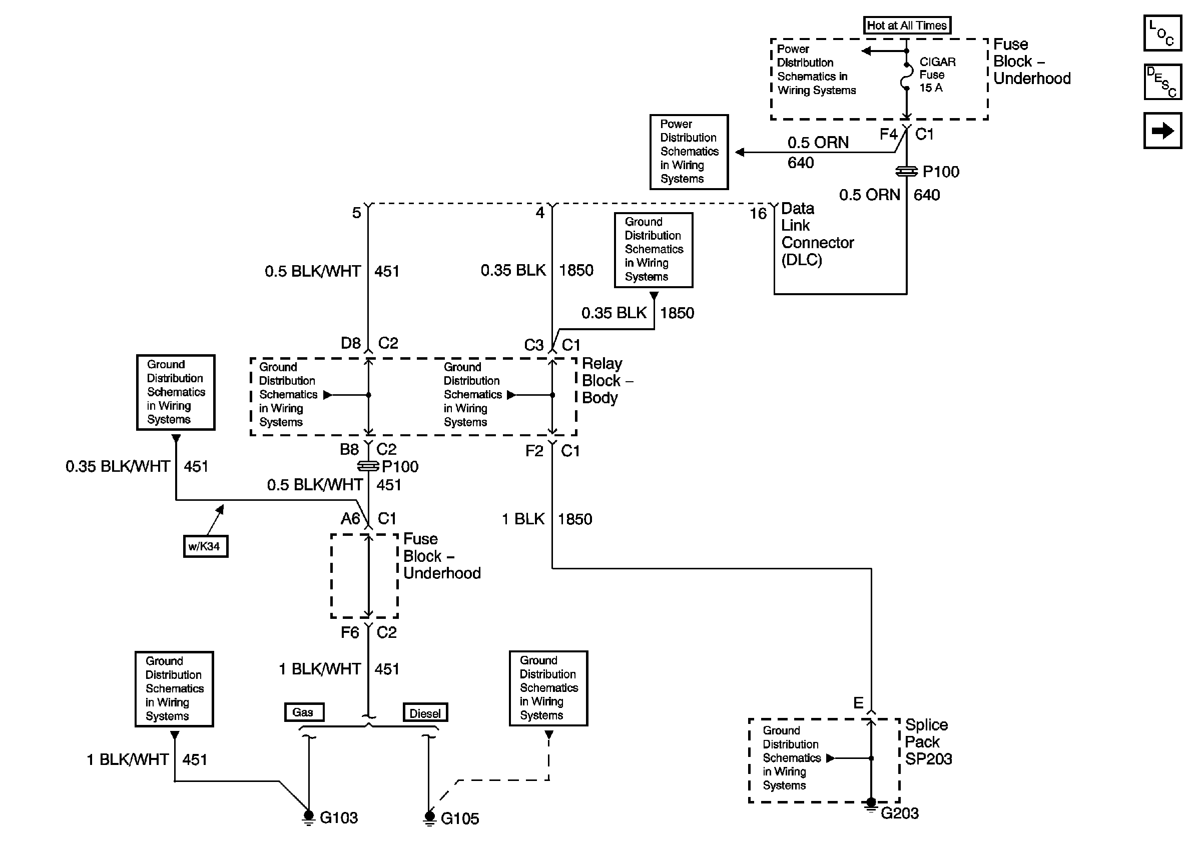
🢒 Power, Ground and SP203
Power, Ground and SP203
Power and Ground
Master Electrical Component List
Data Link Communications Description and Operation
Splice Pack SP205
AIR, RTD, RADIO, RDO AMP, ECM B, FRT HVAC, and CIGAR Fuses
AIR, RTD, RADIO, RDO AMP, ECM B, FRT HVAC, and CIGAR Fuses
G203 - 2 of 3 - Base Except Crew Cab
G103 and G105 - Gas
G103 and G105 - Gas
G203 - 2 of 3 - Base Except Crew Cab
G103 and G105 - Gas
G105 - Diesel
G203 - 1 of 3