GM Service Manual Online
For 1990-2009 cars only
Makes
🢒
Chevrolet
🢒
2002
🢒
Chevy C Silverado - 2WD
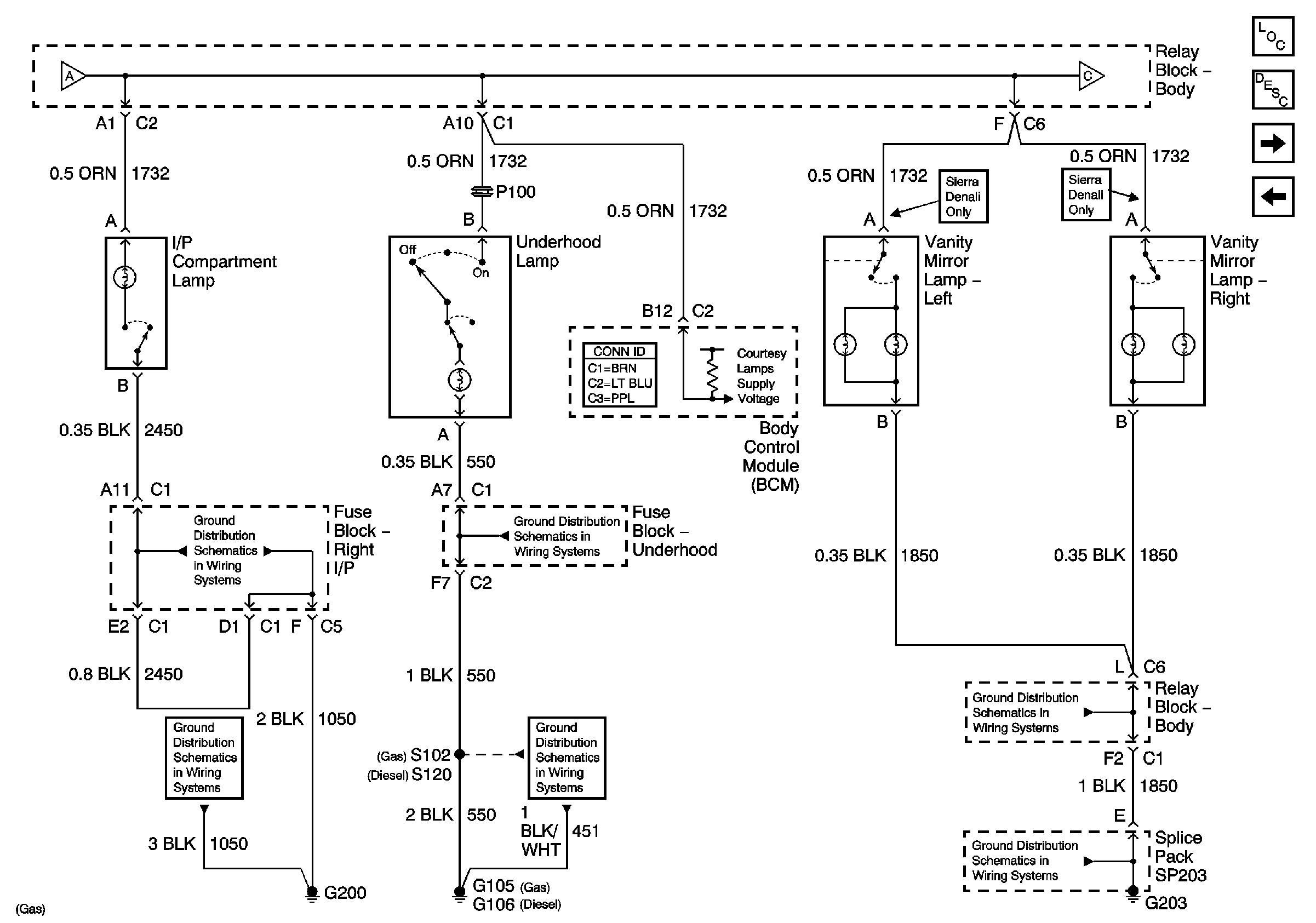
🢒 Courtesy Lamp Control - 2 of 4
Courtesy Lamp Control - 2 of 4
Courtesy Lamp Control - 2 of 4
Master Electrical Component List
Interior Lighting Systems Description and Operation
Courtesy Lamp Control - 3 of 4
Courtesy Lamp Control - 1 of 4
Courtesy Lamp Control - 1 of 4
Courtesy Lamp Control - 3 of 4
G200
G104 - Gas
G200
G203 - 2 of 3 - Uplevel and Crew Cab
G203 - 1 of 3
G103 and G105 - Gas