GM Service Manual Online
For 1990-2009 cars only
Makes
🢒
Chevrolet
🢒
2002
🢒
Chevy C Silverado - 2WD
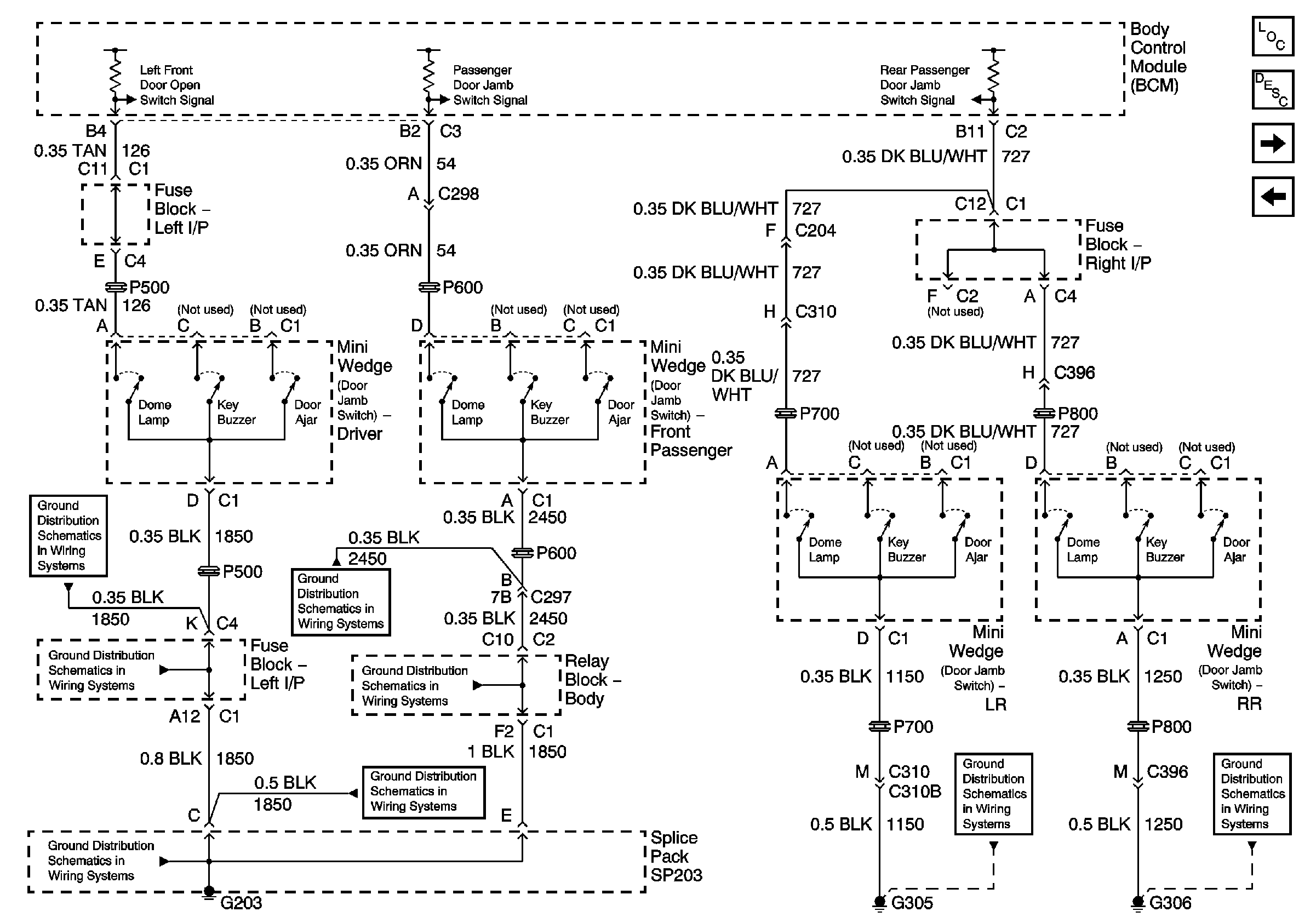
🢒 Door Jamb Switch Signals - Base Crewcab
Door Jamb Switch Signals - Base Crewcab
Door Jamb Switch Signals - Base Crewcab
Master Electrical Component List
Interior Lighting Systems Description and Operation
Door Jamb Switch Signals - Uplevel Crewcab
Door Jamb Switch Signals - Sierra Denali
G203 - 1 of 3
G203 - 1 of 3
G203 - 1 of 3
G203 - 2 of 3 - Base Except Crew Cab
G203 - 2 of 3 - Base Except Crew Cab
G203 - 1 of 3
G305 and G306
G305 and G306