GM Service Manual Online
For 1990-2009 cars only

Battery Negative Cable Replacement 4.3L Engine

Removal Procedure

Caution: Unless directed otherwise, the ignition and start switch must be in the OFF or LOCK position, and all electrical loads must be OFF before servicing any electrical component. Disconnect the negative battery cable to prevent an electrical spark should a tool or equipment come in contact with an exposed electrical terminal. Failure to follow these precautions may result in personal injury and/or damage to the vehicle or its components.


    Object Number: 662509  Size: SH
  1. Disconnect the negative battery cable. Refer to Battery Negative Cable Disconnection and Connection .
  2. Remove the battery cable bracket bolt and bracket from the power steering pump.

  3. Object Number: 847247  Size: SH
  4. If equipped, disconnect the accessory power fuse block front wiring harness electrical connector from the negative cable connector.
  5. Raise and suitably support the vehicle. Refer to Lifting and Jacking the Vehicle .

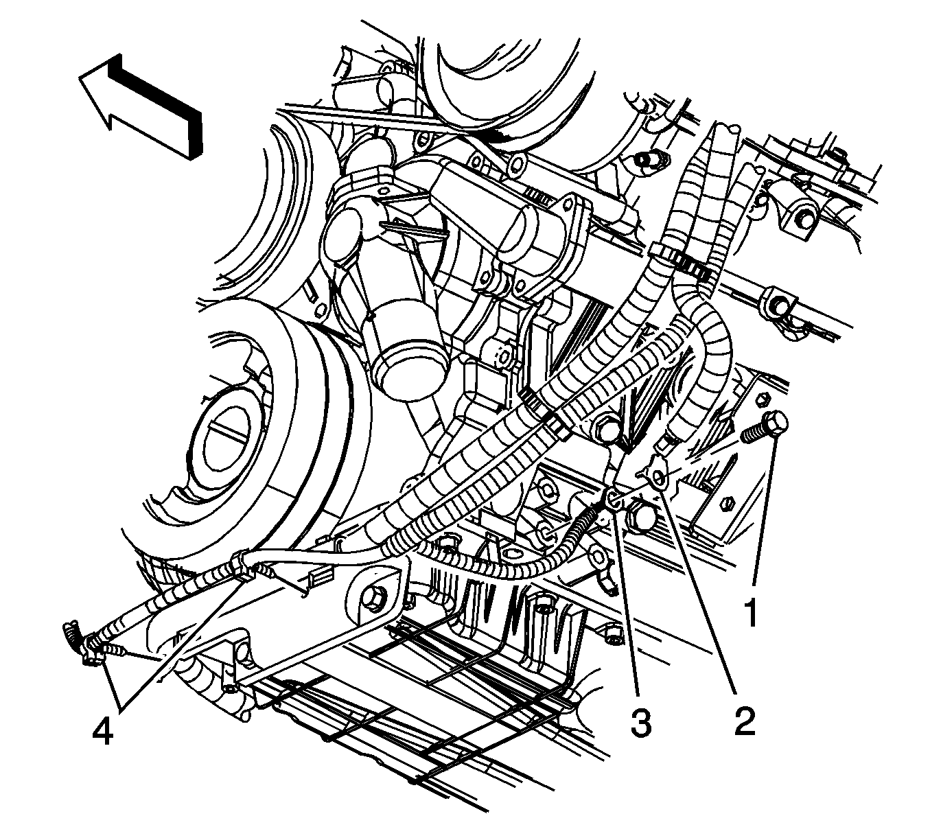
  6. Object Number: 869722  Size: SH
  7. Remove the engine wiring harness ground/negative battery cable bolt (1).
  8. Remove the negative battery cable from the battery cable clip.

  9. Object Number: 785043  Size: SH
  10. Remove the forward lamp wiring harness ground/negative cable bolt (3).
  11. Remove the forward lamp wiring harness from the frame.
  12. Remove the negative battery cable from the cable channel.
  13. Lower the vehicle.
  14. Remove the negative battery cable.

Installation Procedure


    Object Number: 785043  Size: SH
  1. Install the negative battery cable.
  2. Raise the vehicle.
  3. Install the negative battery cable to the cable channel.
  4. Install the forward lamp wiring harness to the frame.
  5. Notice: Use the correct fastener in the correct location. Replacement fasteners must be the correct part number for that application. Fasteners requiring replacement or fasteners requiring the use of thread locking compound or sealant are identified in the service procedure. Do not use paints, lubricants, or corrosion inhibitors on fasteners or fastener joint surfaces unless specified. These coatings affect fastener torque and joint clamping force and may damage the fastener. Use the correct tightening sequence and specifications when installing fasteners in order to avoid damage to parts and systems.

  6. Install the forward lamp wiring harness ground/negative cable bolt (3).
  7. Tighten
    Tighten the bolt to 9 N·m (80 lb in).


    Object Number: 869722  Size: SH
  8. Install the negative battery cable to the battery cable clip.
  9. Install the engine wiring harness ground/negative battery cable bolt (1).
  10. Tighten
    Tighten the bolt to 25 N·m (18 lb ft).

  11. Lower the vehicle.

  12. Object Number: 847247  Size: SH
  13. If equipped, connect the accessory power fuse block front wiring harness electrical connector to the negative cable connector.

  14. Object Number: 662509  Size: SH
  15. Install the battery cable bracket and bolt to the power steering pump.
  16. Tighten
    Tighten the bolt to 25 N·m (18 lb ft).

  17. Connect the negative battery cable. Refer to Battery Negative Cable Disconnection and Connection .

Battery Negative Cable Replacement 4.8L, 5.3L, 6.0L, and 8.1L Engines

Removal Procedure

Caution: Unless directed otherwise, the ignition and start switch must be in the OFF or LOCK position, and all electrical loads must be OFF before servicing any electrical component. Disconnect the negative battery cable to prevent an electrical spark should a tool or equipment come in contact with an exposed electrical terminal. Failure to follow these precautions may result in personal injury and/or damage to the vehicle or its components.


    Object Number: 662509  Size: SH
  1. Disconnect the negative battery cable. Refer to Battery Negative Cable Disconnection and Connection .
  2. If necessary, remove the left front wheel house panel. Refer to Wheelhouse Panel Replacement .
  3. If equipped with a 4.8L, 5.3L, or 6.0L engine, remove the battery cable bracket bolt and bracket from the power steering pump.

  4. Object Number: 847247  Size: SH
  5. If equipped, disconnect the accessory power fuse block front wiring harness electrical connector from the negative cable connector.

  6. Object Number: 662097  Size: SH
  7. If equipped with a 4.8L, 5.3L, or 6.0L engine, perform the following:
  8. 5.1. Remove the negative cable clip from the positive cable clip.
    5.2. Remove the engine wiring harness ground/negative cable bolt.
    5.3. Raise and suitably support the vehicle. Refer to Lifting and Jacking the Vehicle in General Information.

    Object Number: 751758  Size: SH
  9. If equipped with a 8.1L engine, perform the following:
  10. 6.1. Remove the negative cable clip from the positive cable clip.
    6.2. Raise and suitably support the vehicle. Refer to Lifting and Jacking the Vehicle in General Information.
    6.3. Remove the engine wiring harness ground/negative cable bolt.
    6.4. Reposition the wiring harness ground and negative cables.

    Object Number: 662101  Size: SH
  11. Remove the forward lamp wiring harness ground/negative cable bolt.
  12. Lower the vehicle.
  13. Remove the negative battery cable.

Installation Procedure


    Object Number: 662101  Size: SH
  1. Install the negative battery cable.
  2. Raise the vehicle.
  3. Position the negative cable and forward lamp wiring harness ring terminals to the frame.
  4. Insert the anti-rotation tab on the forward lamp wiring harness into the hole in the frame.

    Notice: Use the correct fastener in the correct location. Replacement fasteners must be the correct part number for that application. Fasteners requiring replacement or fasteners requiring the use of thread locking compound or sealant are identified in the service procedure. Do not use paints, lubricants, or corrosion inhibitors on fasteners or fastener joint surfaces unless specified. These coatings affect fastener torque and joint clamping force and may damage the fastener. Use the correct tightening sequence and specifications when installing fasteners in order to avoid damage to parts and systems.

  5. Install the forward lamp wiring harness ground/negative cable bolt.
  6. Tighten
    Tighten the bolt to 9 N·m (80 lb in).


    Object Number: 751758  Size: SH

    Important: The engine wiring harness ground is to be installed under the negative cable ground.

  7. If equipped with a 8.1L engine, perform the following:
  8. 5.1. Position the wiring harness ground and negative cables. Position the anti-rotation tab on the negative cable in the correct location.
    5.2. Install the engine wiring harness ground/negative cable bolt.

    Tighten
    Tighten the bolt to 25 N·m (18 lb ft).

    5.3. Lower the vehicle.
    5.4. Install the negative cable clip to the positive cable clip.

    Object Number: 662097  Size: SH
  9. If equipped with a 4.8L, 5.3L, or 6.0L engine, perform the following:
  10. 6.1. Position the negative cable and engine wiring harness ring terminals to the engine block. Position the anti-rotation tab on the negative cable in the correct location.
    6.2. Install the engine wiring harness ground/negative cable bolt.

    Tighten
    Tighten the bolt to 25 N·m (18 lb ft).

    6.3. Lower the vehicle.
    6.4. Install the negative cable clip to the positive cable clip.

    Object Number: 847247  Size: SH
  11. If equipped, connect the accessory power fuse block front wiring harness electrical connector to the negative cable connector.

  12. Object Number: 662509  Size: SH
  13. If equipped with a 4.8L, 5.3L, or 6.0L engine, install the battery cable bracket and bolt to the power steering pump.
  14. Tighten
    Tighten the bolt to 25 N·m (18 lb ft).

  15. If necessary, install the left front wheel house panel. Refer to Wheelhouse Panel Replacement .
  16. Connect the negative battery cable. Refer to Battery Negative Cable Disconnection and Connection .

Battery Negative Cable Replacement 6.6L (LB7) Engine

Removal Procedure

Caution: Unless directed otherwise, the ignition and start switch must be in the OFF or LOCK position, and all electrical loads must be OFF before servicing any electrical component. Disconnect the negative battery cable to prevent an electrical spark should a tool or equipment come in contact with an exposed electrical terminal. Failure to follow these precautions may result in personal injury and/or damage to the vehicle or its components.


    Object Number: 674628  Size: SH
  1. Disconnect the negative battery cable. Refer to Battery Negative Cable Disconnection and Connection .
  2. Remove the negative cable clip from the clip on the positive cable.
  3. Raise and suitably support the vehicle. Refer to Lifting and Jacking the Vehicle in General Information.
  4. Remove the negative battery cable bolt.

  5. Object Number: 662101  Size: SH
  6. Remove the forward lamp wiring harness ground/negative cable bolt.
  7. Remove the negative battery cable.

Installation Procedure


    Object Number: 662101  Size: SH
  1. Install the negative battery cable.
  2. Position the negative cable and forward lamp wiring harness ring terminals to the frame.
  3. Insert the anti-rotation tab on the forward lamp wiring harness into the hole in the frame.

    Notice: Use the correct fastener in the correct location. Replacement fasteners must be the correct part number for that application. Fasteners requiring replacement or fasteners requiring the use of thread locking compound or sealant are identified in the service procedure. Do not use paints, lubricants, or corrosion inhibitors on fasteners or fastener joint surfaces unless specified. These coatings affect fastener torque and joint clamping force and may damage the fastener. Use the correct tightening sequence and specifications when installing fasteners in order to avoid damage to parts and systems.

  4. Install the forward lamp wiring harness ground/negative cable bolt.
  5. Tighten
    Tighten the bolt to 9 N·m (80 lb in).


    Object Number: 674628  Size: SH
  6. Position the negative cable and engine wiring harness ring terminals to the engine block.
  7. Position the anti-rotation tab on the negative cable in the correct location.

  8. Install the engine wiring harness ground/negative cable bolt.
  9. Tighten
    Tighten the bolt to 34 N·m (25 lb ft).

  10. Lower the vehicle.
  11. Install the negative cable clip to the clip on the positive cable.
  12. Connect the negative battery cable. Refer to Battery Negative Cable Disconnection and Connection .

Battery Negative Cable Replacement 6.6L (LLY) Engine

Removal Procedure

Caution: Unless directed otherwise, the ignition and start switch must be in the OFF or LOCK position, and all electrical loads must be OFF before servicing any electrical component. Disconnect the negative battery cable to prevent an electrical spark should a tool or equipment come in contact with an exposed electrical terminal. Failure to follow these precautions may result in personal injury and/or damage to the vehicle or its components.


    Object Number: 1369538  Size: SH
  1. Disconnect the negative battery cable. Refer to Battery Negative Cable Disconnection and Connection .
  2. Remove the negative cable clip (1) from the power steering pump bracket.

  3. Object Number: 1369539  Size: SH
  4. Remove the negative cable from the positive cable clip.
  5. Raise and suitably support the vehicle. Refer to Lifting and Jacking the Vehicle in General Information.
  6. Remove the negative battery cable bolt (1).

  7. Object Number: 1369540  Size: SH
  8. Remove the forward lamp wiring harness ground/negative cable bolt (3).
  9. Remove the negative battery cable (1).

Installation Procedure


    Object Number: 1369540  Size: SH
  1. Install the negative battery cable (1).
  2. Position the negative cable and forward lamp wiring harness ring terminals to the frame.
  3. Notice: Refer to Fastener Notice in the Preface section.

  4. Insert the anti-rotation tab on the forward lamp wiring harness (2) into the hole in the frame.
  5. Install the forward lamp wiring harness ground/negative cable bolt (3).
  6. Tighten
    Tighten the bolt to 9 N·m (80 lb in).


    Object Number: 1369539  Size: SH
  7. Position the negative cable and engine wiring harness ring terminals to the engine block.
  8. Position the anti-rotation tab on the negative cable (2) in the correct location.
  9. Install the engine wiring harness ground/negative cable bolt (1).
  10. Tighten
    Tighten the bolt to 34 N·m (25 lb ft).

  11. Lower the vehicle.
  12. Install the negative cable to the positive cable clip.

  13. Object Number: 1369538  Size: SH
  14. Install the negative cable clip (1) to the power steering pump bracket.
  15. Connect the negative battery cable. Refer to Battery Negative Cable Disconnection and Connection .