GM Service Manual Online
For 1990-2009 cars only
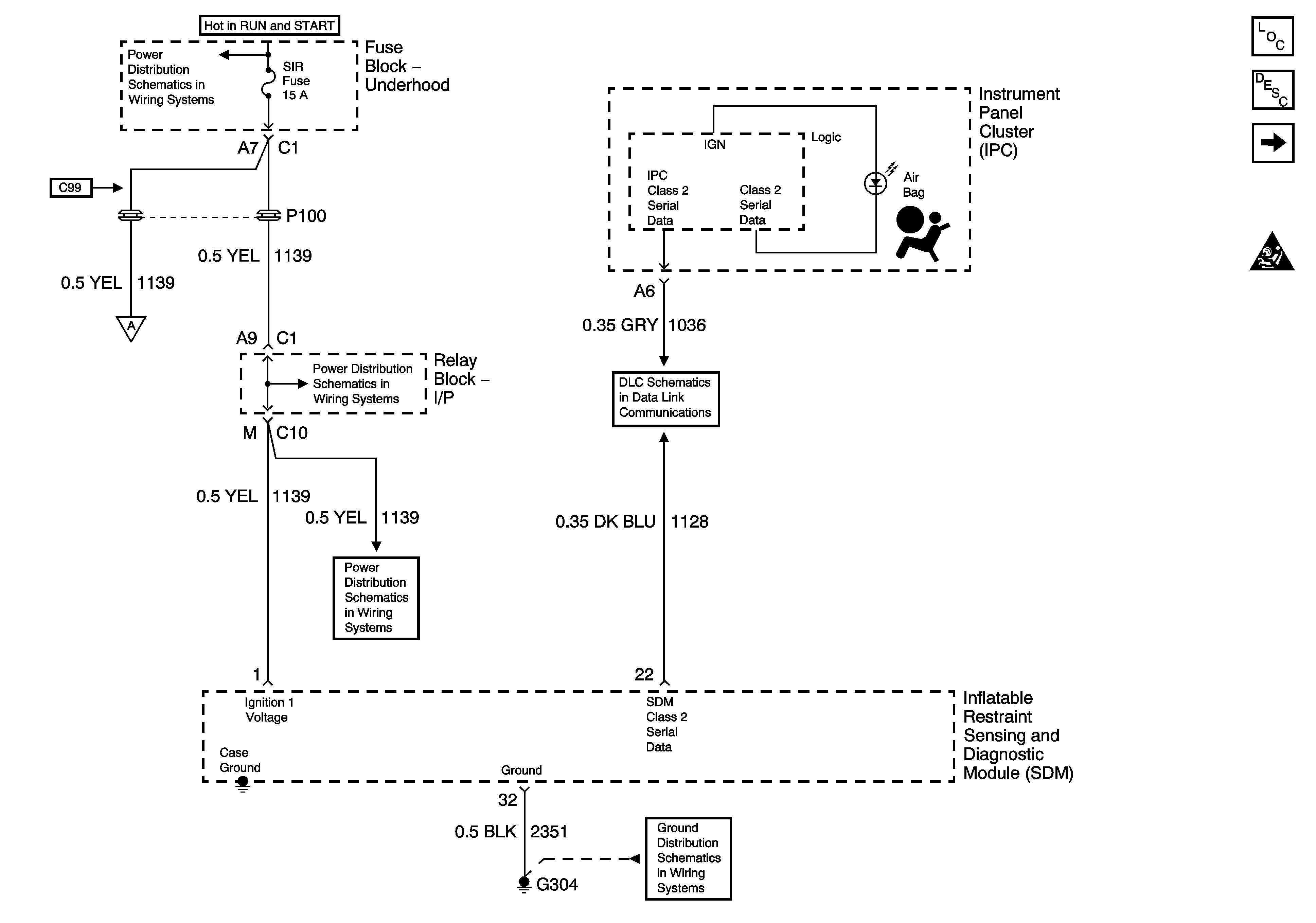
Figure 1:

Power, Ground, and Serial Data


Object Number: 1245181  Size: FS
Master Electrical Component List
SIR System Description and Operation
Front End and Side Impact Sensors
SIR Caution for Zoning
LH HID, RH HID, PCM B, CRANK, HORN, and SIR Fuses
Passenger Presence Schematics - 1 of 3
LH HID, RH HID, PCM B, CRANK, HORN, and SIR Fuses
LH HID, RH HID, PCM B, CRANK, HORN, and SIR Fuses
SP205 - 2 of 2
G304 and G305
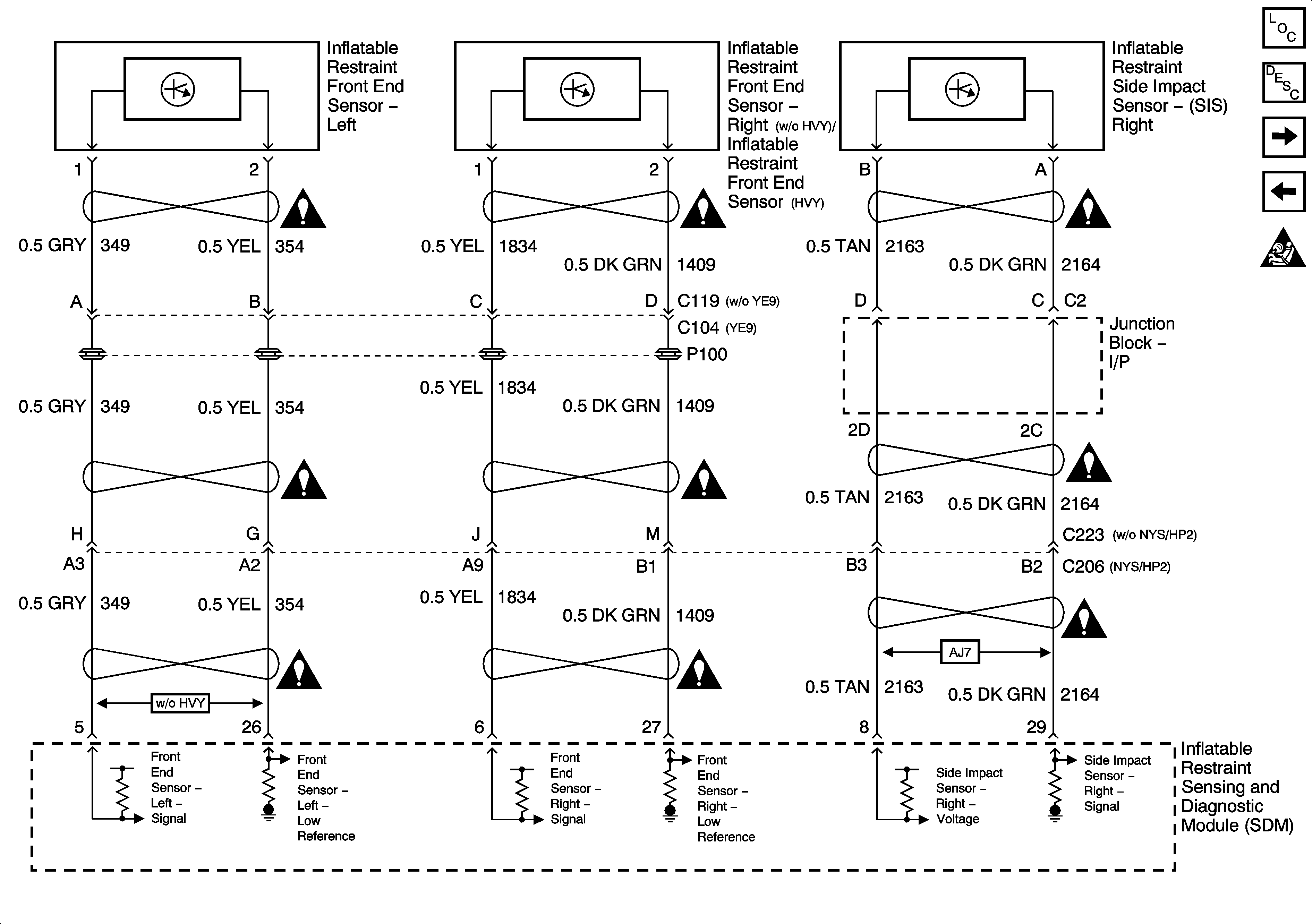
Figure 2:

Front End and Side Impact Sensors


Object Number: 1245185  Size: FS
Master Electrical Component List
SIR System Description and Operation
Driver Air Bag
Power, Ground, and Serial Data
SIR Caution for Zoning
SIR Schematic Icons
SIR Schematic Icons
SIR Schematic Icons
SIR Schematic Icons
SIR Schematic Icons
SIR Schematic Icons
SIR Schematic Icons
SIR Schematic Icons
SIR Schematic Icons
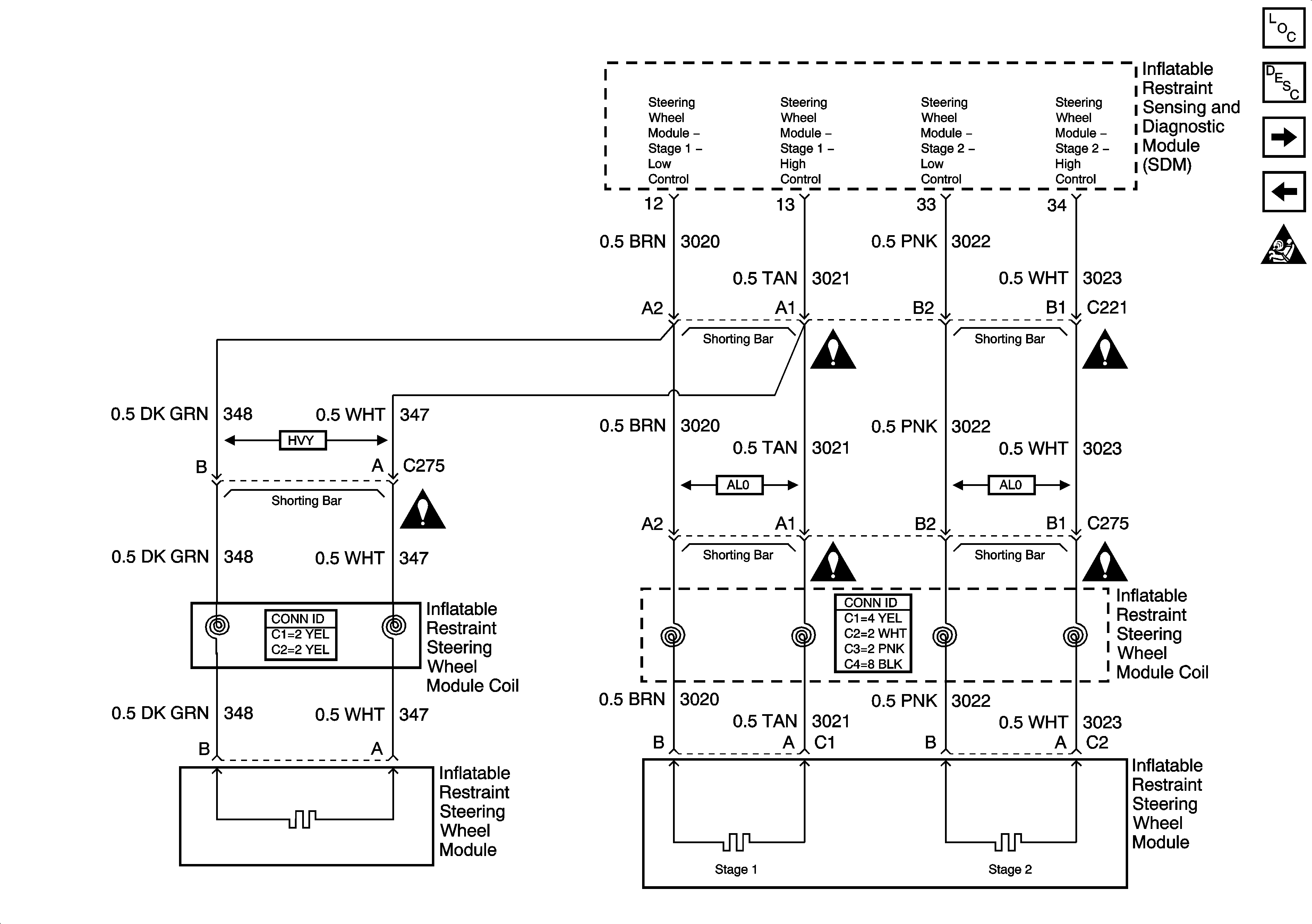
Figure 3:

Driver Air Bag


Object Number: 1245190  Size: FS
Master Electrical Component List
SIR System Description and Operation
Passenger Air Bag
Front End and Side Impact Sensors
SIR Caution for Zoning
SIR Schematic Icons
SIR Schematic Icons
SIR Schematic Icons
SIR Schematic Icons
SIR Schematic Icons
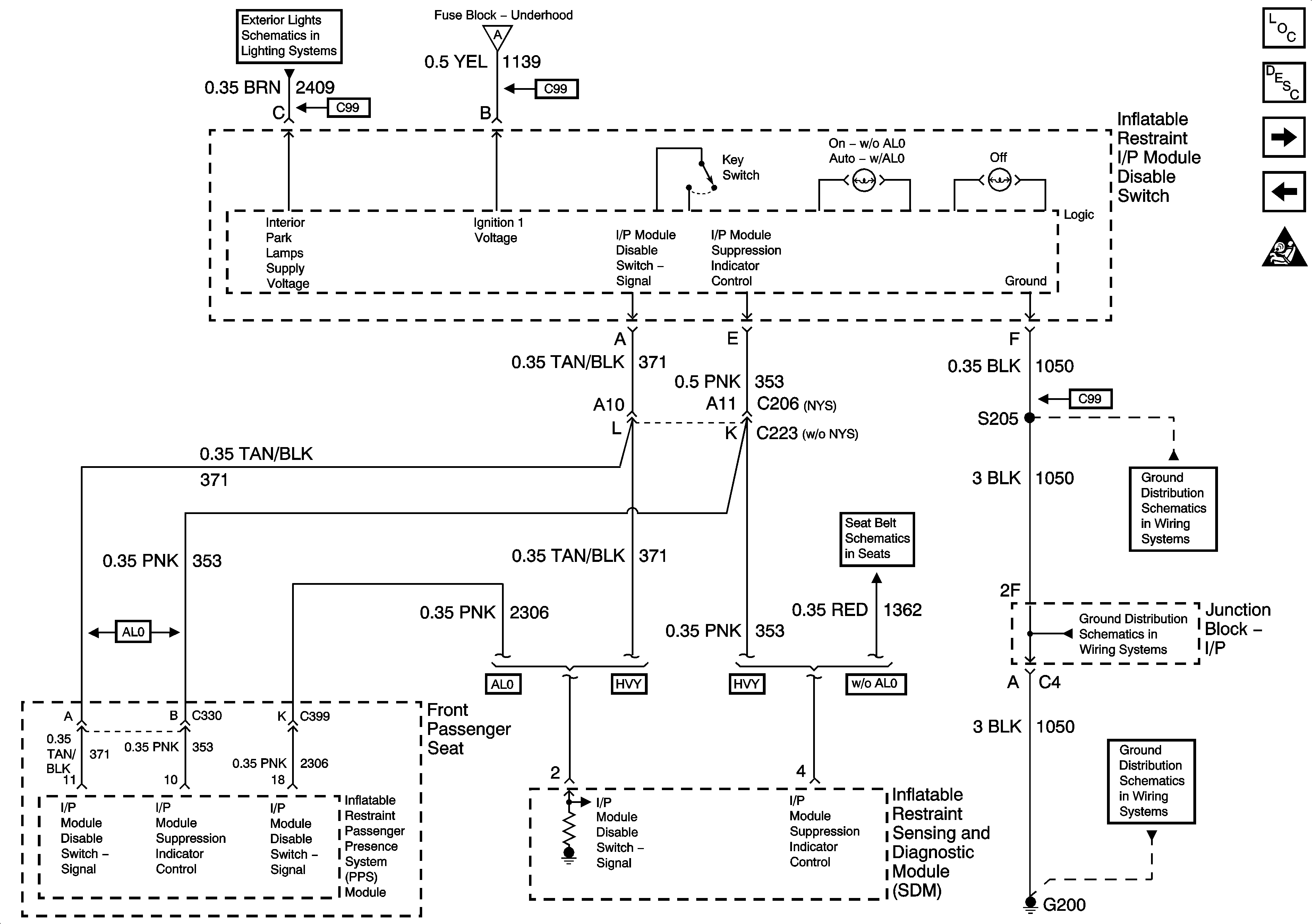
Figure 4:

Passenger Air Bag


Object Number: 1245196  Size: FS
Master Electrical Component List
SIR System Description and Operation
Seat Position Switches
Driver Air Bag
SIR Caution for Zoning
SIR Schematic Icons
SIR Schematic Icons
SIR Schematic Icons
SIR Schematic Icons
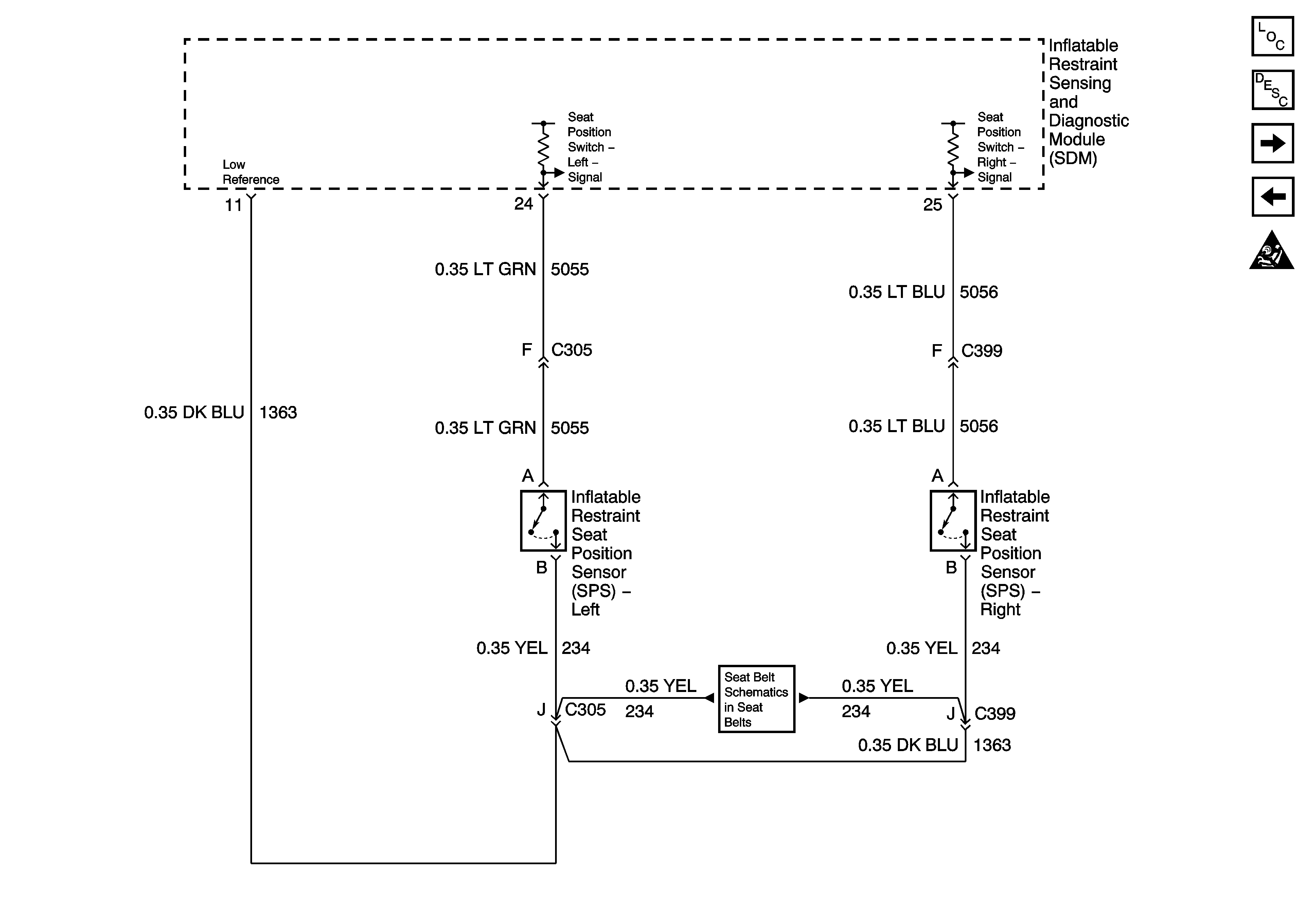
Figure 5:

Seat Position Switches


Object Number: 1245202  Size: FS
Master Electrical Component List
SIR System Description and Operation
Passenger Presence Schematics - 1 of 3
Passenger Air Bag
SIR Caution for Zoning
Seat Belt Schematics
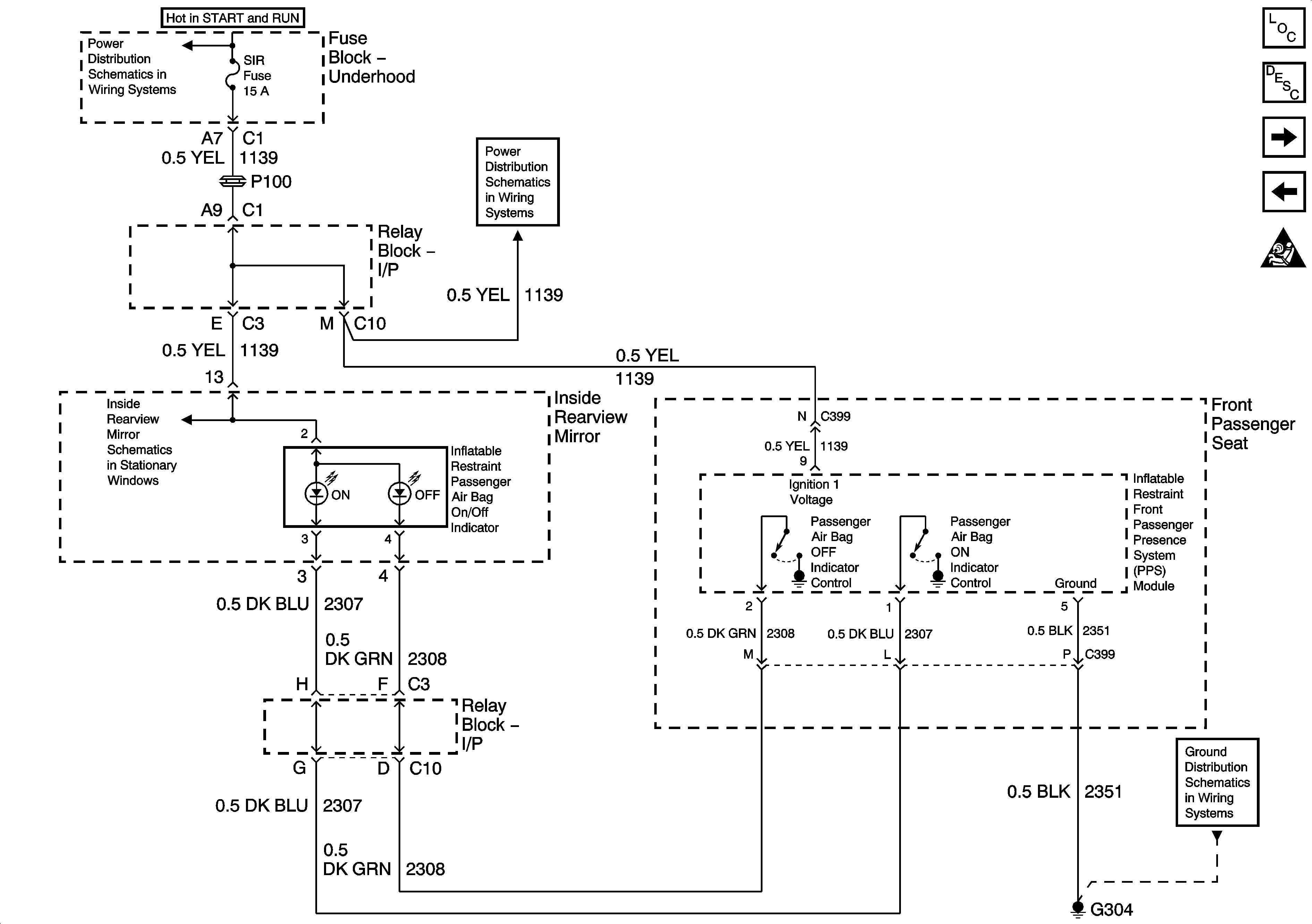
Figure 6:

Passenger Presence Schematics - 1 of 3


Object Number: 1245203  Size: FS
Master Electrical Component List
SIR System Description and Operation
Passenger Presence Schematics - 2 of 3
Seat Position Switches
SIR Caution for Zoning
Power, Ground, and Serial Data
Seat Belt Schematics
G200 - 2 of 3
G200 - 1 of 3
G200 - 1 of 3
Interior Park
Figure 7:

Passenger Presence Schematics - 2 of 3


Object Number: 1245207  Size: FS
Master Electrical Component List
SIR System Description and Operation
Passenger Presence Schematics - 3 of 3
Passenger Presence Schematics - 1 of 3
SIR Caution for Zoning
LH HID, RH HID, PCM B, CRANK, HORN, and SIR Fuses
LH HID, RH HID, PCM B, CRANK, HORN, and SIR Fuses
Power, Outside Air Temp, and Light Sensors
G304 and G305
Figure 8:

Passenger Presence Schematics - 3 of 3


Object Number: 1245208  Size: FS
Master Electrical Component List
SIR System Description and Operation
Passenger Presence Schematics - 2 of 3
SIR Caution for Zoning