GM Service Manual Online
For 1990-2009 cars only

Radio/Audio System Schematics Base/Uplevel Radio - UQ3/UQ5

Figure 1:

Power, Ground, and Audio Signals


Object Number: 1246707  Size: FS
Master Electrical Component List
Radio/Audio System Description and Operation
Speakers
4WS, RADIO, and RADIO AMP Fuses
4WS, RADIO, and RADIO AMP Fuses
G203 - 2 of 3
G203 - 1 of 3
SP205 - 2 of 2
Figure 2:

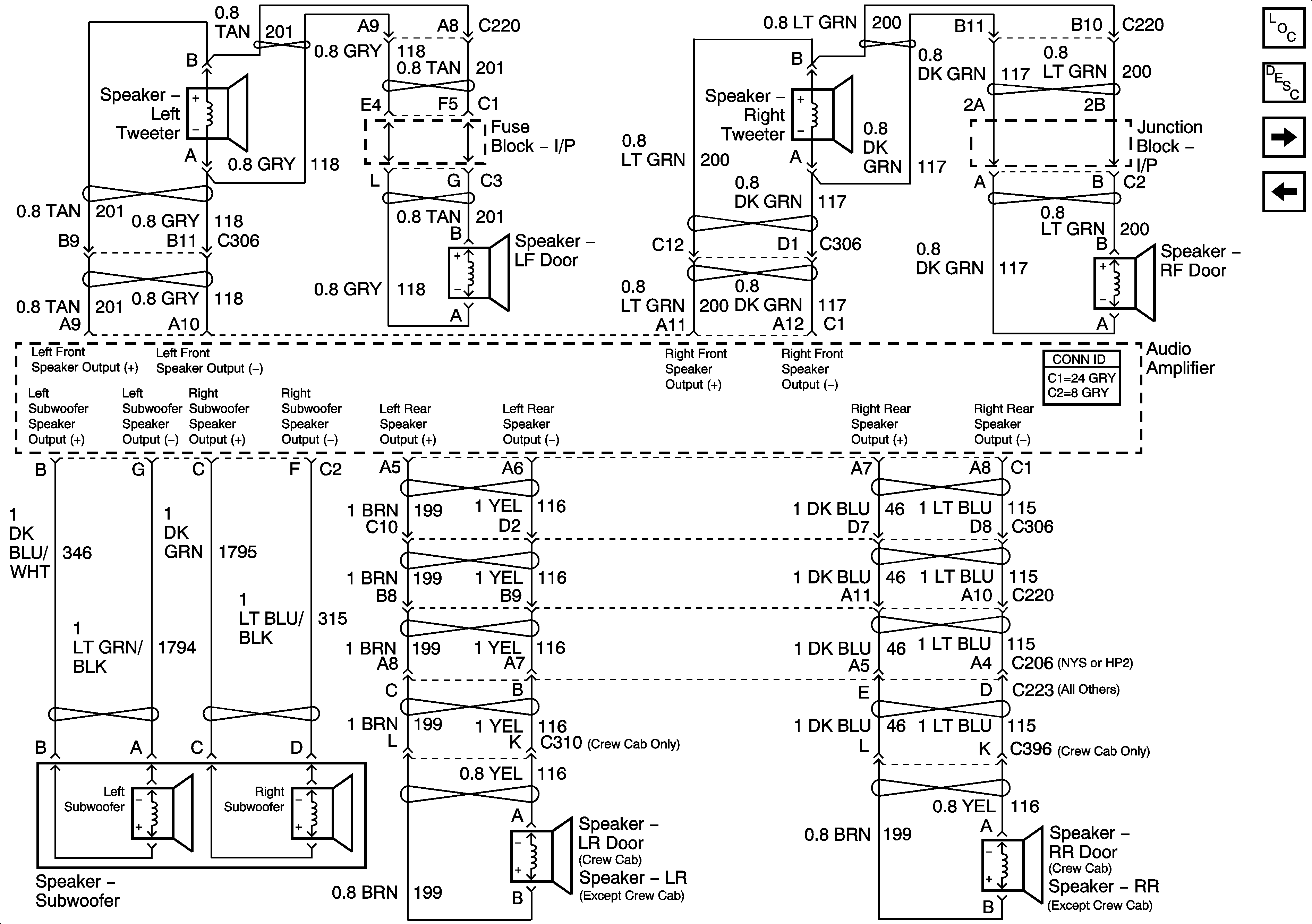
Speakers


Object Number: 1246716  Size: FS
Master Electrical Component List
Radio/Audio System Description and Operation
Digital Radio Receiver
Power, Ground, and Audio Signals
Figure 3:

Digital Radio Receiver


Object Number: 1246722  Size: FS
Master Electrical Component List
Radio/Audio System Description and Operation
Speakers
4WS, RADIO, and RADIO AMP Fuses
4WS, RADIO, and RADIO AMP Fuses
G203 - 1 of 3
G203 - 1 of 3
SP207

Radio/Audio System Schematics Premium Radio - UQ7 w/o Y91

Figure 1:

Power, Ground, Serial Data, and Audio Signals - 1 of 2


Object Number: 1246745  Size: FS
Master Electrical Component List
Radio/Audio System Description and Operation
Audio Signals - 2 of 2
4WS, RADIO, and RADIO AMP Fuses
4WS, RADIO, and RADIO AMP Fuses
SP205 - 2 of 2
G203 - 2 of 3
G203 - 1 of 3
Figure 2:

Audio Signals - 2 of 2


Object Number: 1246746  Size: FS
Master Electrical Component List
Radio/Audio System Description and Operation
Amplifier Power, Ground, Inputs, and Controls - w/o UK6
Power, Ground, Serial Data, and Audio Signals - 1 of 2
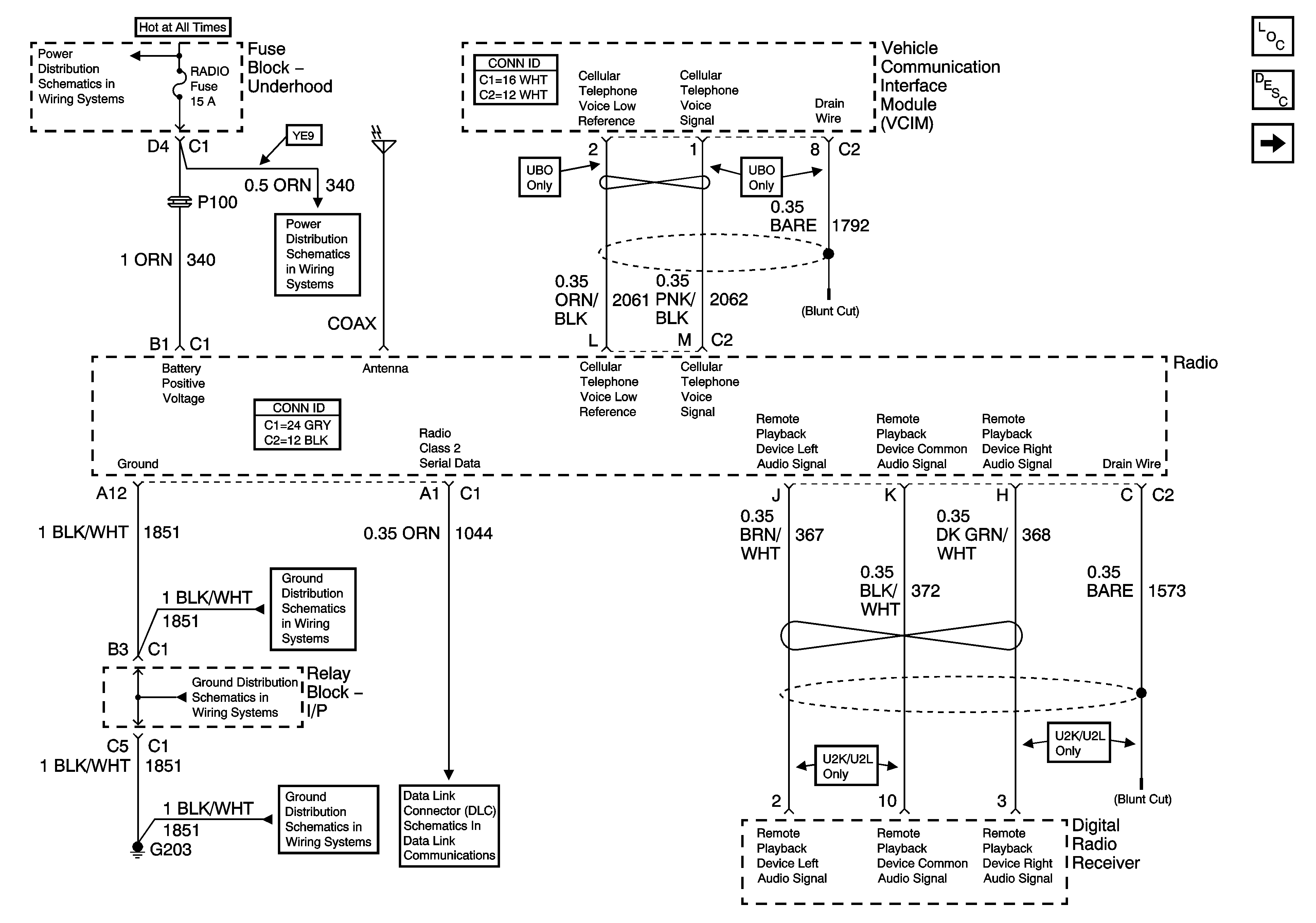
Digital Radio Receiver - w/U2K/U2L
Digital Radio Receiver - w/U2K/U2L
Digital Radio Receiver - w/U2K/U2L
Digital Radio Receiver - w/U2K/U2L
Rear Seat Entertainment - U42
Rear Seat Entertainment - U42
Rear Seat Entertainment - U42
Rear Seat Entertainment - U42
Figure 3:

Amplifier Power, Ground, Inputs, and Controls - w/o UK6


Object Number: 1246748  Size: FS
Master Electrical Component List
Radio/Audio System Description and Operation
RSA Amplifier Inputs - w/UK6
Audio Signals - 2 of 2
4WS, RADIO, and RADIO AMP Fuses
G203 - 1 of 3
G203 - 1 of 3
G203 - 1 of 3
Figure 4:

RSA Amplifier Inputs - w/UK6


Object Number: 1246756  Size: FS
Master Electrical Component List
Radio/Audio System Description and Operation
Speakers
Amplifier Power, Ground, Inputs, and Controls - w/o UK6
4WS, RADIO, and RADIO AMP Fuses
G203 - 1 of 3
SP207
B+ Bus Bar - 1 of 2
G203 - 1 of 3
Figure 5:

Speakers


Object Number: 1246759  Size: FS
Master Electrical Component List
Radio/Audio System Description and Operation
Digital Radio Receiver - w/U2K/U2L
RSA Amplifier Inputs - w/UK6
Figure 6:

Digital Radio Receiver - w/U2K/U2L


Object Number: 1246762  Size: FS
Master Electrical Component List
Radio/Audio System Description and Operation
Rear Seat Entertainment - U42
Speakers
4WS, RADIO, and RADIO AMP Fuses
Audio Signals - 2 of 2
Audio Signals - 2 of 2
Audio Signals - 2 of 2
Audio Signals - 2 of 2
4WS, RADIO, and RADIO AMP Fuses
G203 - 1 of 3
G203 - 1 of 3
SP207
Figure 7:

Rear Seat Entertainment - U42


Object Number: 1246809  Size: FS
Master Electrical Component List
Video Entertainment System Description and Operation
Digital Radio Receiver - w/U2K/U2L
INFO and CIG LTR Fuses
Audio Signals - 2 of 2
Audio Signals - 2 of 2
Audio Signals - 2 of 2
Audio Signals - 2 of 2
INFO and CIG LTR Fuses
G203 - 1 of 3
G203 - 1 of 3
SP207

Radio/Audio System Schematics Luxury Radio - UQ7 w/Y91

Figure 1:

Power, Ground, Serial Data, and Low Level Audio Signals


Object Number: 1246889  Size: FS
Master Electrical Component List
Radio/Audio System Description and Operation
Audio Signals - 1 of 2
4WS, RADIO, and RADIO AMP Fuses
Amplifier/RSA Power, Ground, and Serial Data
Digital Radio Receiver
G203 - 2 of 3
G203 - 2 of 3
G203 - 1 of 3
SP205 - 2 of 2
Figure 2:

Audio Signals - 1 of 2


Object Number: 1246891  Size: FS
Master Electrical Component List
Radio/Audio System Description and Operation
Audio Signals - 2 of 2
Power, Ground, Serial Data, and Low Level Audio Signals
Figure 3:

Audio Signals - 2 of 2


Object Number: 1246894  Size: FS
Master Electrical Component List
Radio/Audio System Description and Operation
Amplifier/RSA Power, Ground, and Serial Data
Audio Signals - 1 of 2
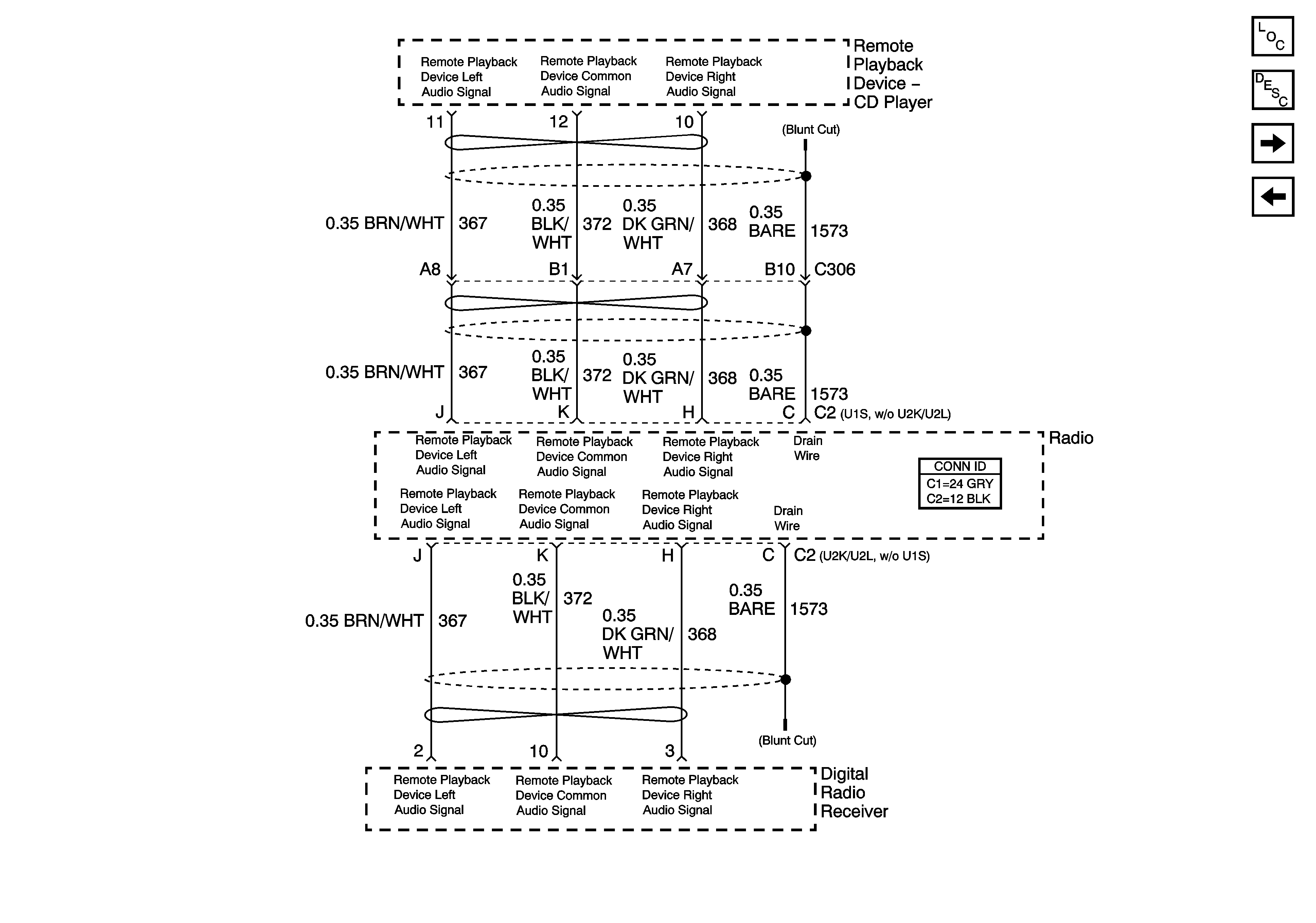
Remote CD Player
Remote CD Player
Remote CD Player
Remote CD Player
Digital Radio Receiver
Digital Radio Receiver
Digital Radio Receiver
Digital Radio Receiver
Figure 4:

Amplifier/RSA Power, Ground, and Serial Data


Object Number: 1246896  Size: FS
Master Electrical Component List
Radio/Audio System Description and Operation
Speakers
Audio Signals - 2 of 2
4WS, RADIO, and RADIO AMP Fuses
SP207
Power, Ground, Serial Data, and Low Level Audio Signals
G203 - 1 of 3
Figure 5:

Speakers


Object Number: 1246897  Size: FS
Master Electrical Component List
Radio/Audio System Description and Operation
Remote CD Player
Amplifier/RSA Power, Ground, and Serial Data
Figure 6:

Remote CD Player


Object Number: 1246900  Size: FS
Master Electrical Component List
Video Entertainment System Description and Operation
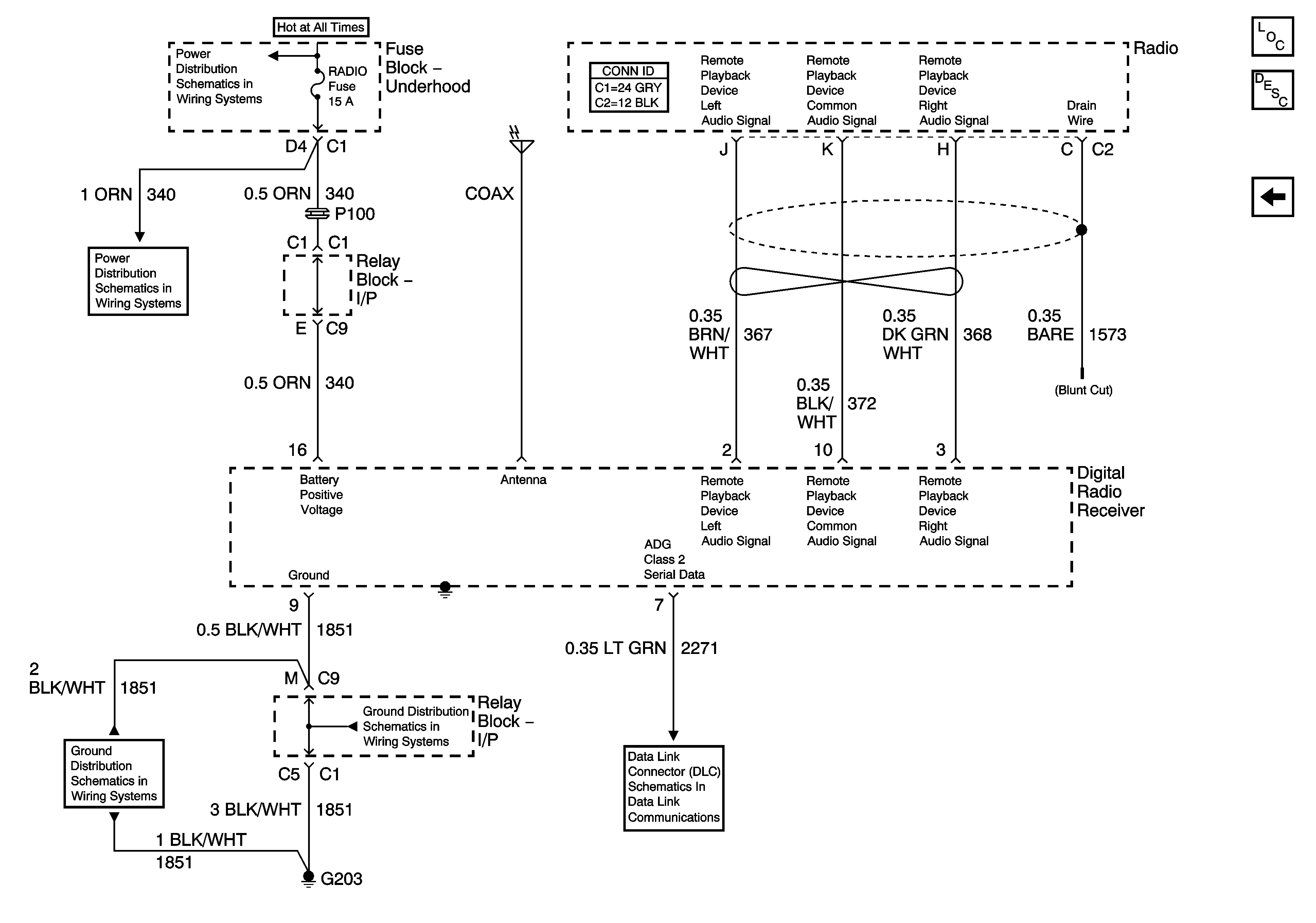
Digital Radio Receiver
Speakers
INFO and CIG LTR Fuses
Audio Signals - 2 of 2
Audio Signals - 2 of 2
Audio Signals - 2 of 2
Audio Signals - 2 of 2
INFO and CIG LTR Fuses
G203 - 1 of 3
G203 - 1 of 3
SP207
I/P Dimming Supply Voltage - 2 of 6
Figure 7:

Digital Radio Receiver


Object Number: 1246904  Size: FS
Master Electrical Component List
Video Entertainment System Description and Operation
Remote CD Player
Power, Ground, Serial Data, and Low Level Audio Signals
Audio Signals - 2 of 2
Audio Signals - 2 of 2
Audio Signals - 2 of 2
Audio Signals - 2 of 2
G203 - 1 of 3
G203 - 2 of 3
SP207