GM Service Manual Online
For 1990-2009 cars only
Figure 1:

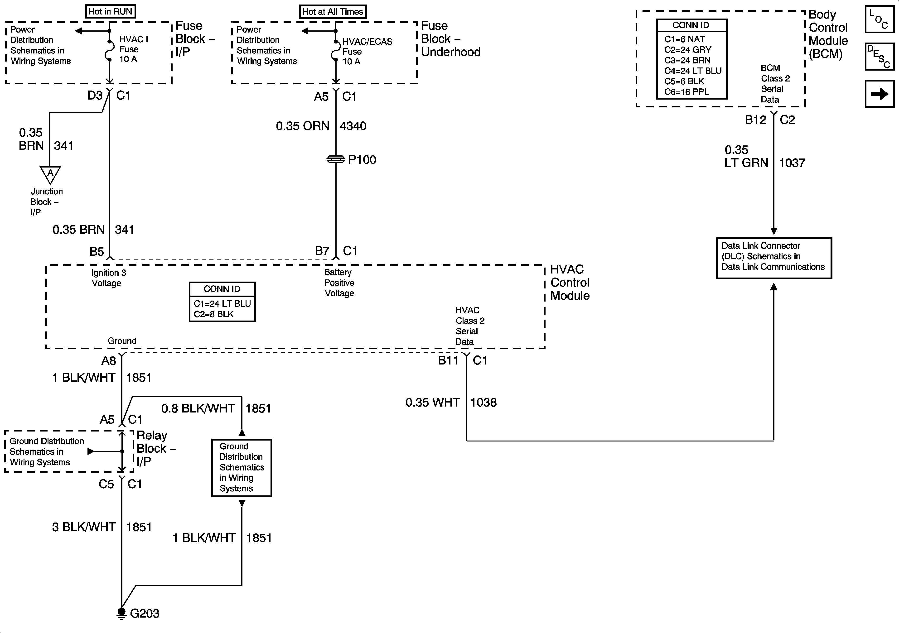
Power, Ground, and Serial Data


Object Number: 1227239  Size: FS
Master Electrical Component List
Air Temperature Description and Operation
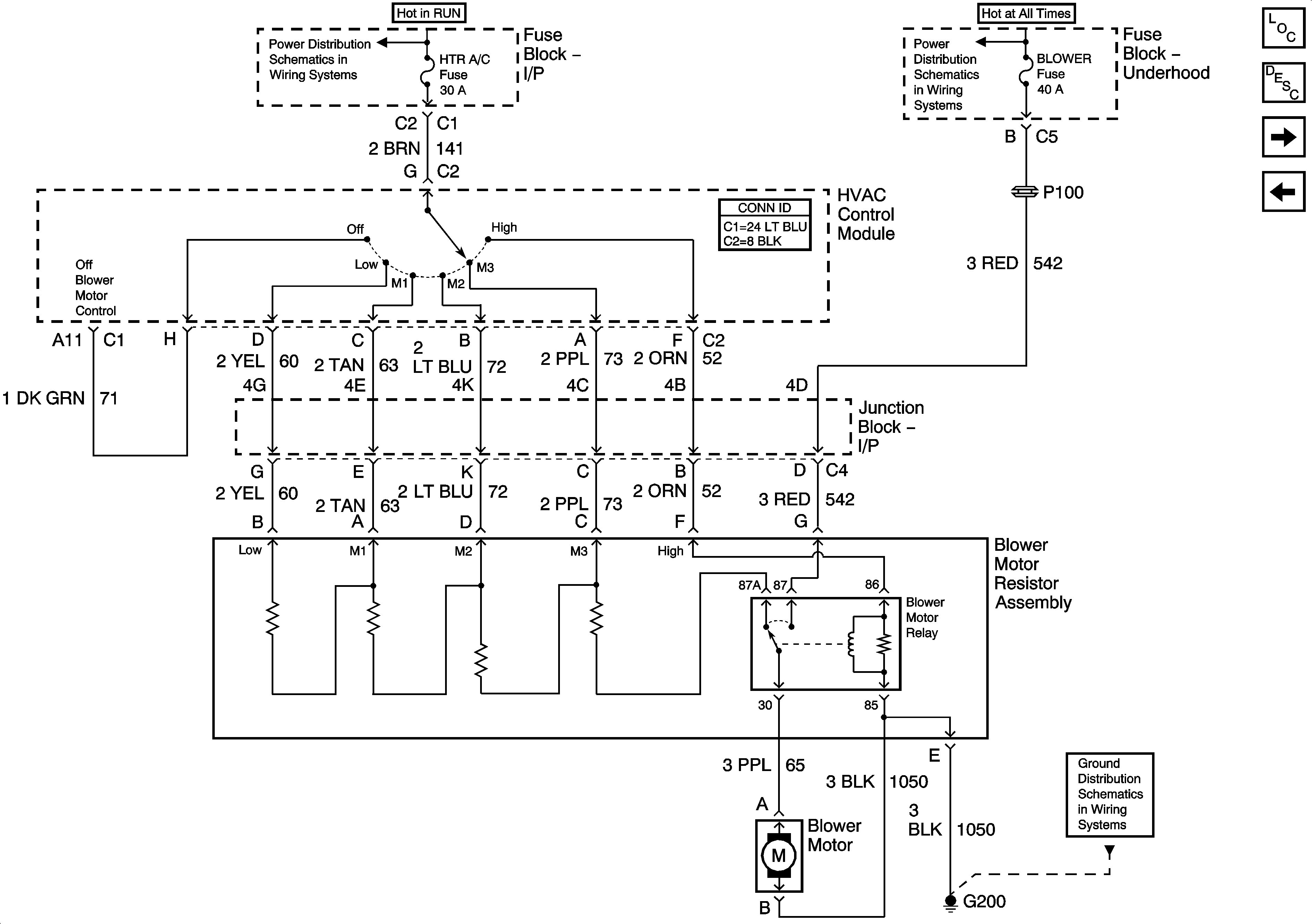
Front Blower Controls
BRAKE, HTR/AC, and HVAC 1 Fuses
HVAC/ECAS, RR HVAC, BLOWER, RR DEFOG, STOP LP, and TREC Fuses
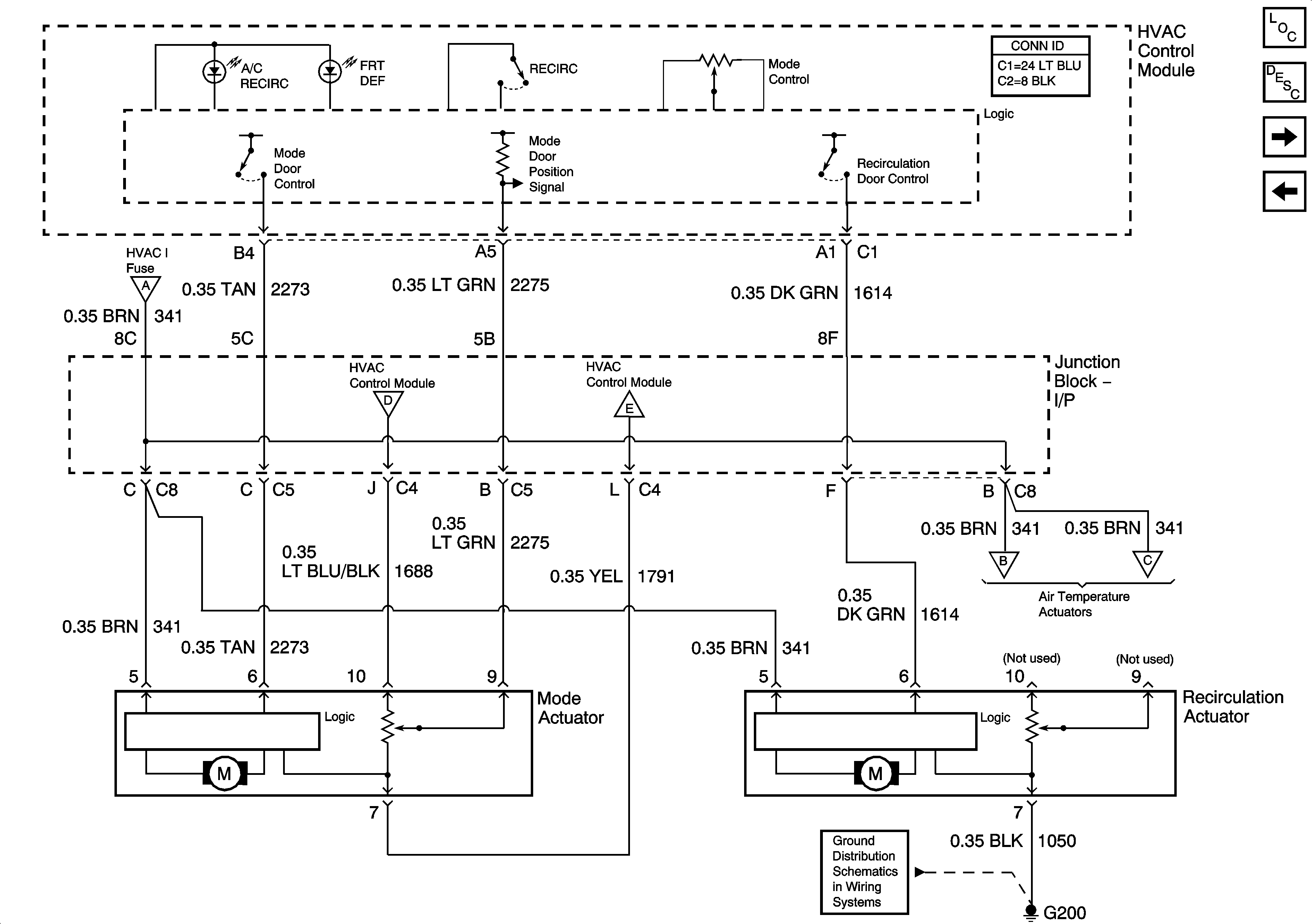
Mode and Recirculation Door Controls
G203 - 1 of 3
G203 - 1 of 3
SP205 - 1 of 2
Figure 2:

Front Blower Controls


Object Number: 1227256  Size: FS
Master Electrical Component List
Air Temperature Description and Operation
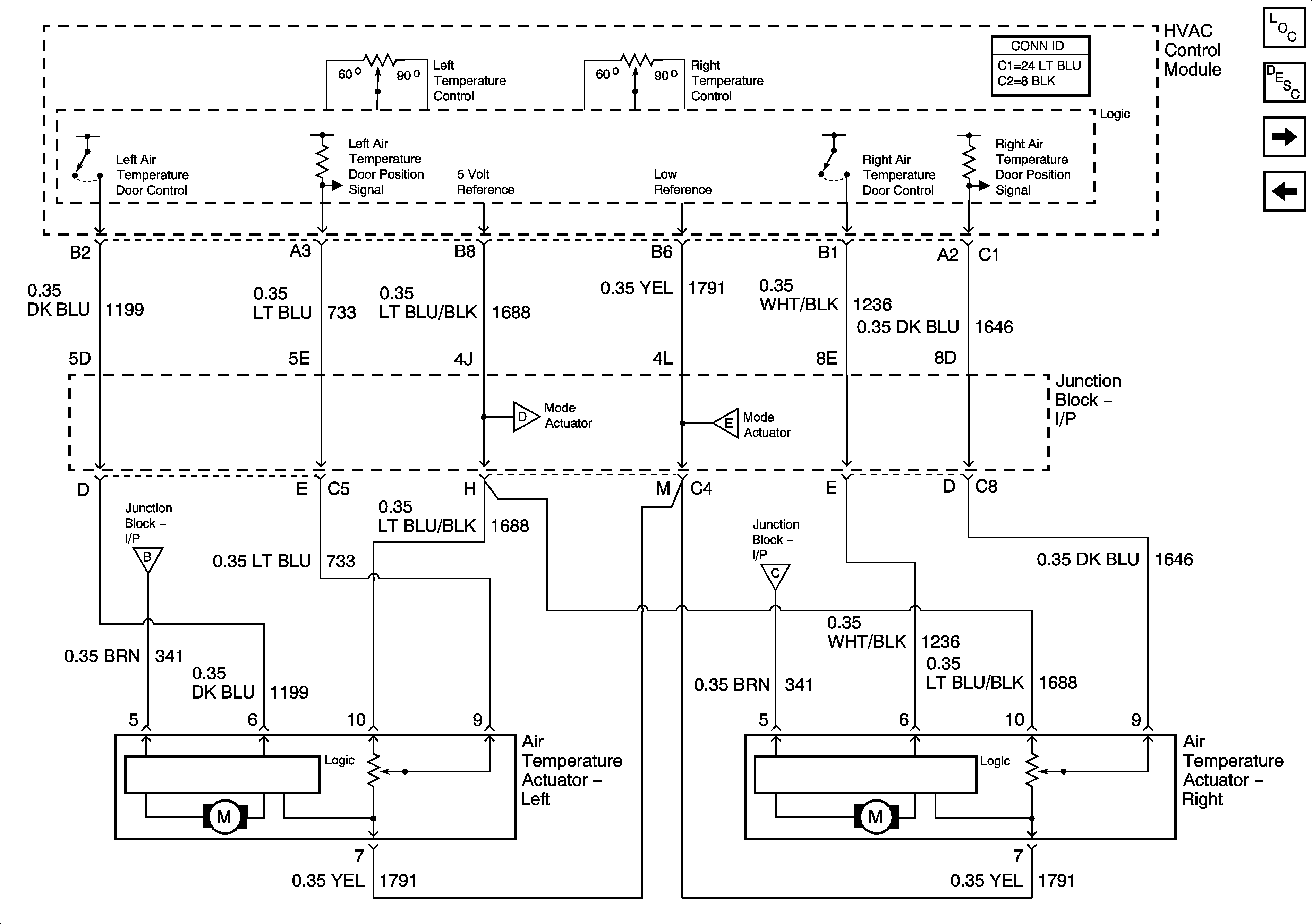
Front Left and Right Temperature Control
Power, Ground, and Serial Data
BRAKE, HTR/AC, and HVAC 1 Fuses
HVAC/ECAS, RR HVAC, BLOWER, RR DEFOG, STOP LP, and TREC Fuses
G200 - 1 of 3
Figure 3:

Front Left and Right Temperature Control


Object Number: 1227275  Size: FS
Master Electrical Component List
Air Delivery Description and Operation
Mode and Recirculation Door Controls
Front Blower Controls
Mode and Recirculation Door Controls
Mode and Recirculation Door Controls
Mode and Recirculation Door Controls
Mode and Recirculation Door Controls
Figure 4:

Mode and Recirculation Door Controls


Object Number: 1227294  Size: FS
Master Electrical Component List
Air Delivery Description and Operation
A/C Compressor Controls
Front Left and Right Temperature Control
Power, Ground, and Serial Data
Front Left and Right Temperature Control
Front Left and Right Temperature Control
Front Left and Right Temperature Control
G200 - 1 of 3
Figure 5:

Auxiliary Heater Pump (HP2)


Object Number: 1390463  Size: FS
Master Electrical Component List
Air Delivery Description and Operation
A/C Compressor Controls
Mode and Recirculation Door Controls
Ignition Switch - ACC/RUN and RUN/START Bus Bars
Ignition Switch - ACC/RUN and RUN/START Bus Bars
Continuous Mode Bus Bar (HP2)
ABS, VSES/ECAS, STUD #1, STUD #2, and TBC BATT Fuses
Continuous Mode Bus Bar (HP2)
ABS, VSES/ECAS, STUD #1, STUD #2, and TBC BATT Fuses
Continuous Mode Bus Bar (HP2)
Continuous Mode Bus Bar (HP2)
PWR MAINT, HYBRID O2A, and HYBRID O2B Fuses (HP2)
High Speed GMLAN - Hybrid Only
G104, G106, and G107
Figure 6:

A/C Compressor Controls


Object Number: 1227298  Size: FS
Master Electrical Component List
Air Temperature Description and Operation
Mode and Recirculation Door Controls
B+ Bus Bar - 2 of 2
IGN E Fuse
SP205 - 1 of 2
G104, G106, and G107