GM Service Manual Online
For 1990-2009 cars only
Makes
🢒
Chevrolet
🢒
2004
🢒
Chevy C Silverado - 2WD
🢒 8600 GVW or Less - 2 of 2
8600 GVW or Less - 2 of 2
8600 GVW or Less - 2 of 2
Master Electrical Component List
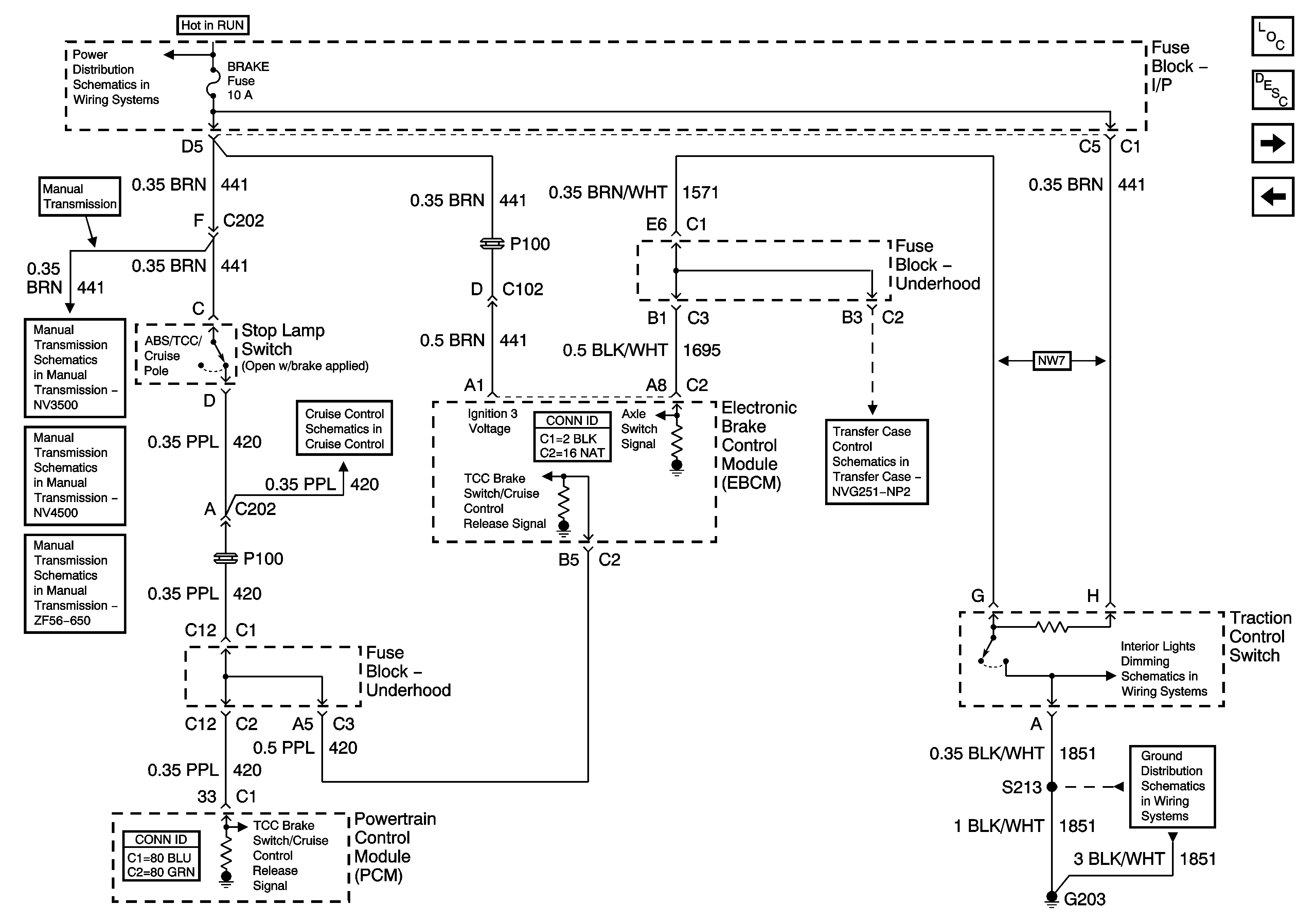
ABS Description and Operation 8600 GVW or less except PHT
Over 8600 GVW - 1 of 2
8600 GVW or Less - 1 of 2
BRAKE, HTR/AC, and HVAC 1 Fuses
Manual Transmission Schematics
Manual Transmission Schematics
Manual Transmission Schematics
4.3L - 2 of 2
Transfer Case Control Schematics
G203 - 1 of 3
G203 - 1 of 3