GM Service Manual Online
For 1990-2009 cars only
Figure 1:

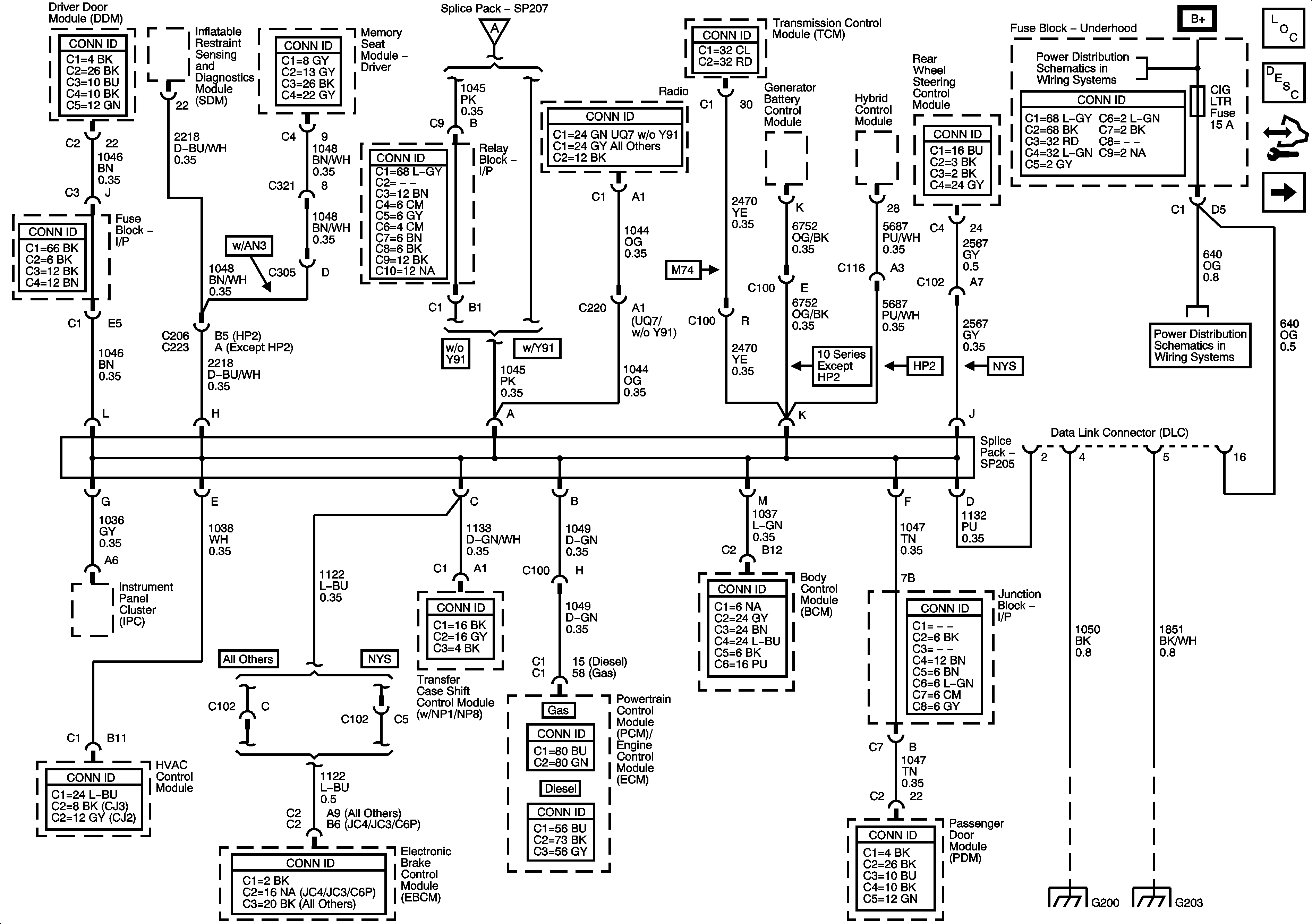
Power, Ground, DLC and Splice Pack SP205


Object Number: 1489519  Size: FS
Master Electrical Component List
Data Link Communications Description and Operation
Control Module References
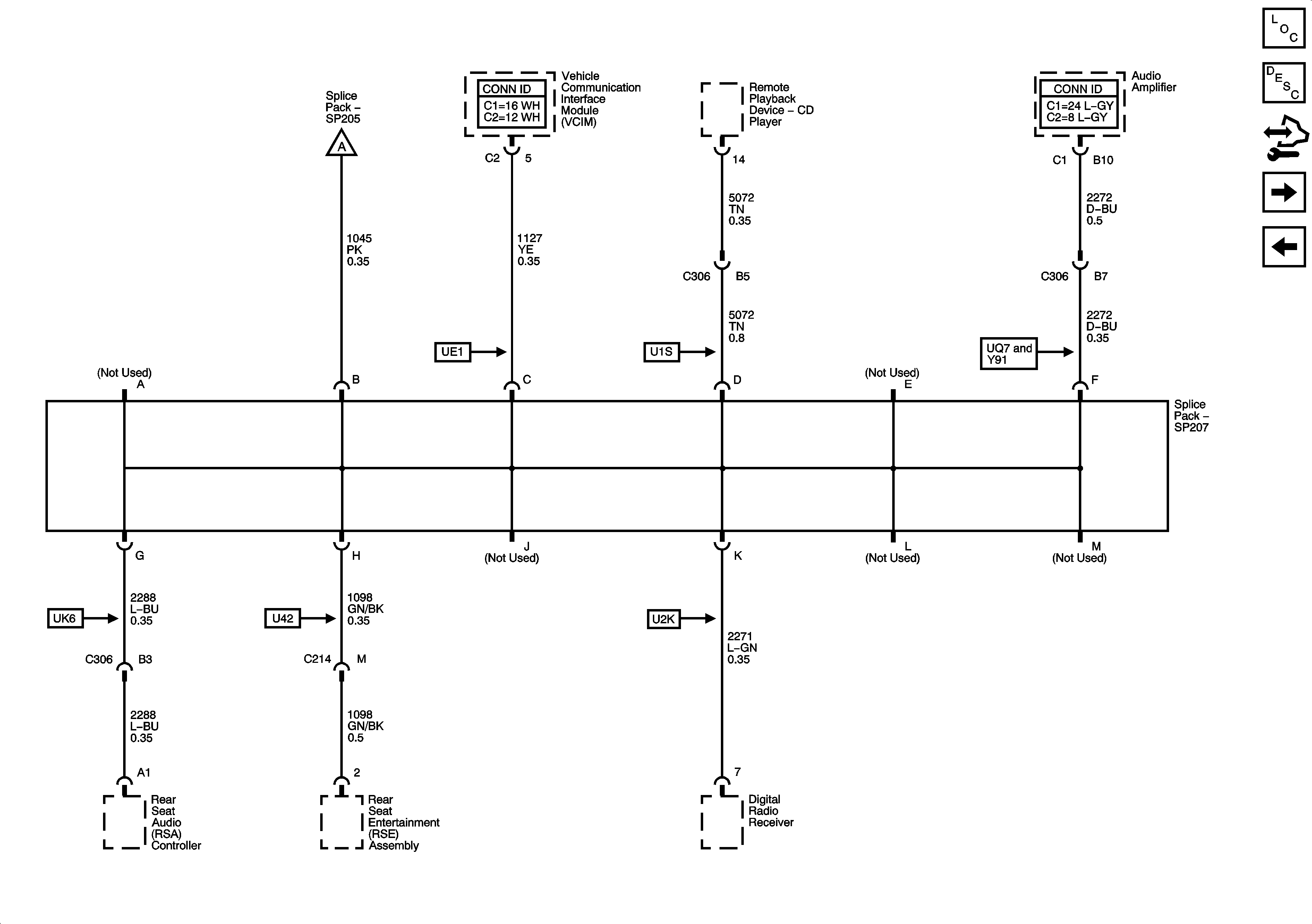
Splice Pack SP207
Splice Pack SP207
B+ Bar Bus
CIG LTR, EAP, INFO, and RVC Fuses
G115 and G200 - 1 of 2
G203 - 1 of 2
Figure 2:

Splice Pack SP207


Object Number: 1489526  Size: FS
Master Electrical Component List
Data Link Communications Description and Operation
Control Module References
Controller Area Network (CAN) - Diesel
Power, Ground, DLC and Splice Pack SP 205
Power, Ground, DLC and Splice Pack SP 205
Figure 3:

Controller Area Network (CAN) - Diesel


Object Number: 1489529  Size: FS
Master Electrical Component List
Data Link Communications Description and Operation
Control Module References
High Speed GM LAN (HP2)
Splice Pack SP207
Computer/Integrating Systems Schematic Icons
Computer/Integrating Systems Schematic Icons
Figure 4:

High Speed GM LAN (HP2)


Object Number: 1489533  Size: FS
Master Electrical Component List
Data Link Communications Description and Operation
Control Module References
Controller Area Network (CAN) - Diesel
Computer/Integrating Systems Schematic Icons
Computer/Integrating Systems Schematic Icons
Computer/Integrating Systems Schematic Icons
Computer/Integrating Systems Schematic Icons
Computer/Integrating Systems Schematic Icons