GM Service Manual Online
For 1990-2009 cars only
Makes
🢒
Chevrolet
🢒
2005
🢒
Chevy C Silverado - 2WD
🢒
Body
🢒
Doors
🢒 Power Window Schematics
Figure
1:
Left Doors
Master Electrical Component List
Power Windows Description and Operation
Control Module References
Right Doors
BLWR, FLASH, HVAC/ECAS, LBEC 1, RR DEFOG, RR HVAC, TBC 2A, TBC 2B, and TBC 2C Fuses and LT DOOR Circuit Breaker
I/P Lamps Dimming Control Supply - 3 of 3
Power, Ground, DLC and Splice Pack SP 205
G304, G305, G306 and G390
Switches and Front Door Activators (YE9)
Outside Mirror Schematics
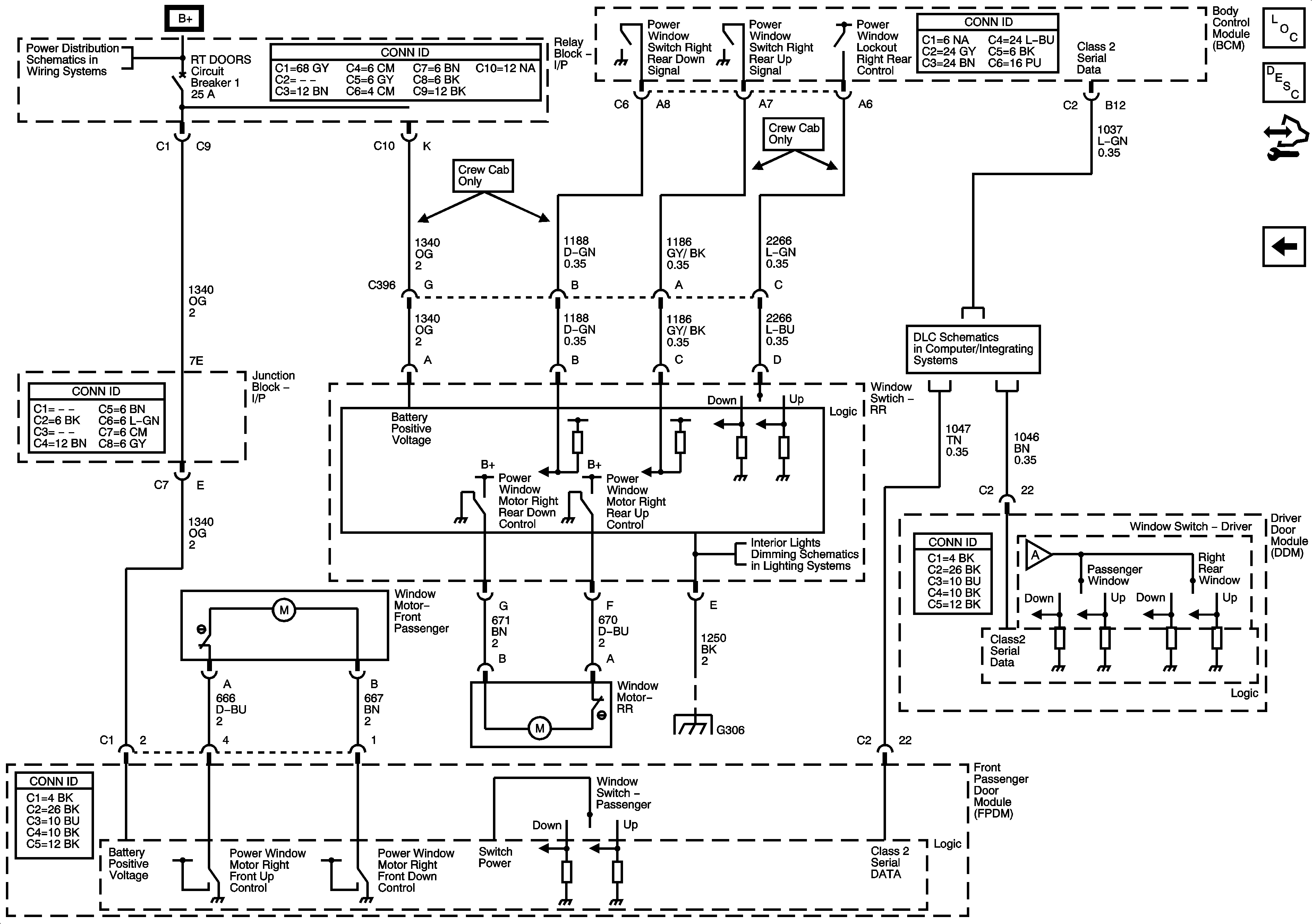
Right Doors
Figure
2:
Right Doors
Master Electrical Component List
Power Windows Description and Operation
Control Module References
Left Doors
ABS, AUX HTR PMP, ESCM, HCM-B, MBEC 1, RTD, STUD1, STUD2, TRANS PUMP, VSES/ECAS Fuses and RT DOORS and SEAT Circuit Breakers
Power, Ground, DLC and Splice Pack SP 205
I/P Lamps Dimming Control Supply - 3 of 3
Left Doors
G304, G305, G306 and G390