GM Service Manual Online
For 1990-2009 cars only
Figure 1:

Interior Lamps Controls and Interior Lamps - 1 of 2


Object Number: 1533557  Size: FS
Master Electrical Component List
Interior Lighting Systems Description and Operation
Control Module References
Interior Lamps - 2 of 2
G203 - 2 of 2
BLWR, FLASH, HVAC/ECAS, LBEC 1, RR DEFOG, RR HVAC, TBC 2A, TBC 2B, and TBC 2C Fuses and LT DOOR Circuit Breaker
Interior Lamps - 2 of 2
Interior Lamps - 2 of 2
G203 - 1 of 2
G203 - 1 of 2
Garage Door Opener
G115 and G200 - 1 of 2
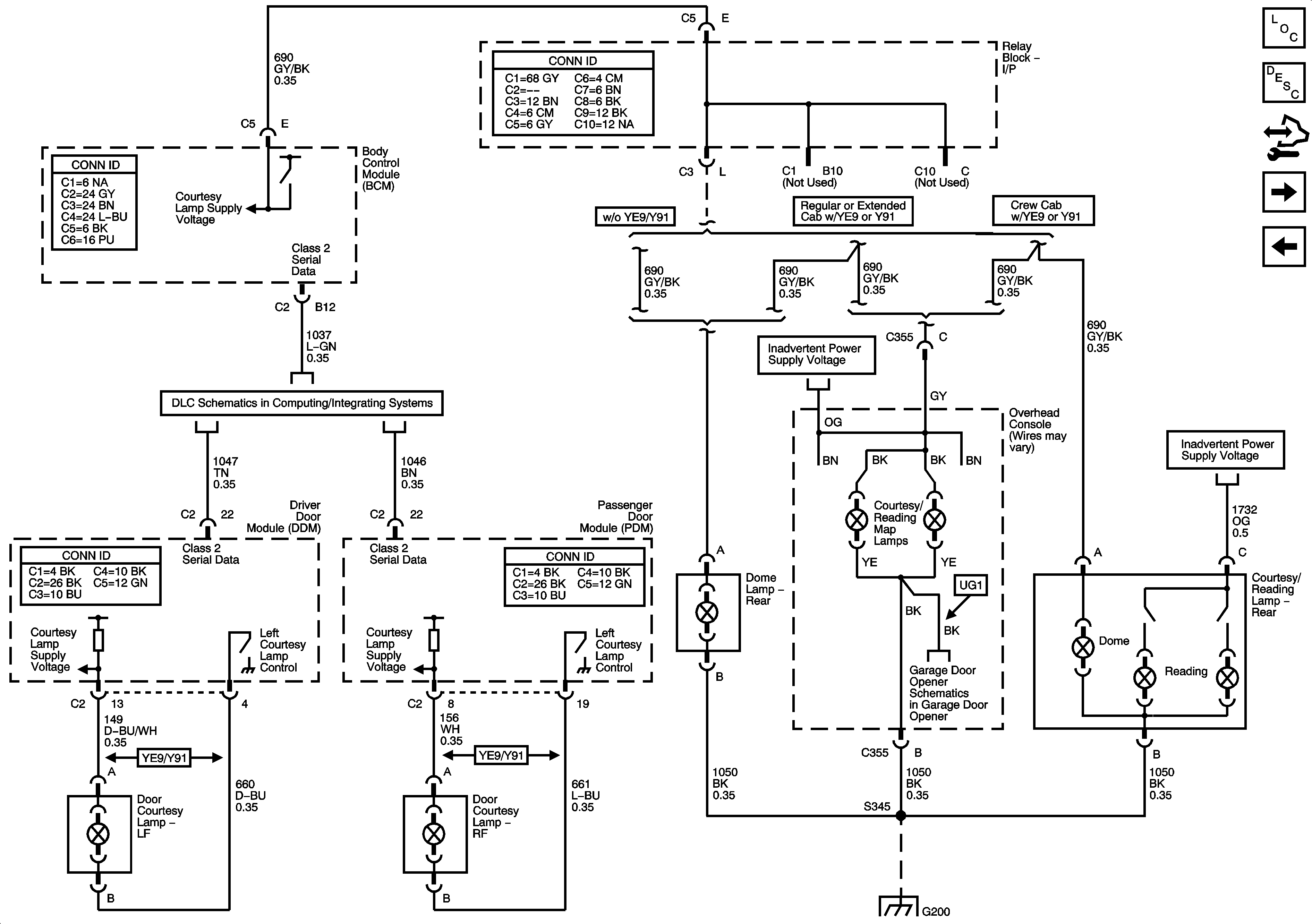
Figure 2:

Interior Lamps - 2 of 2


Object Number: 1533558  Size: FS
Master Electrical Component List
Interior Lighting Systems Description and Operation
Control Module References
Door Jamb Switches (YE9/Y91)
Interior Lamps Controls and Interior Lamps - 1 of 2
Power, Ground, DLC and Splice Pack SP 205
Interior Lamps Controls and Interior Lamps - 1 of 2
Interior Lamps Controls and Interior Lamps - 1 of 2
Garage Door Opener
G115 and G200 - 1 of 2
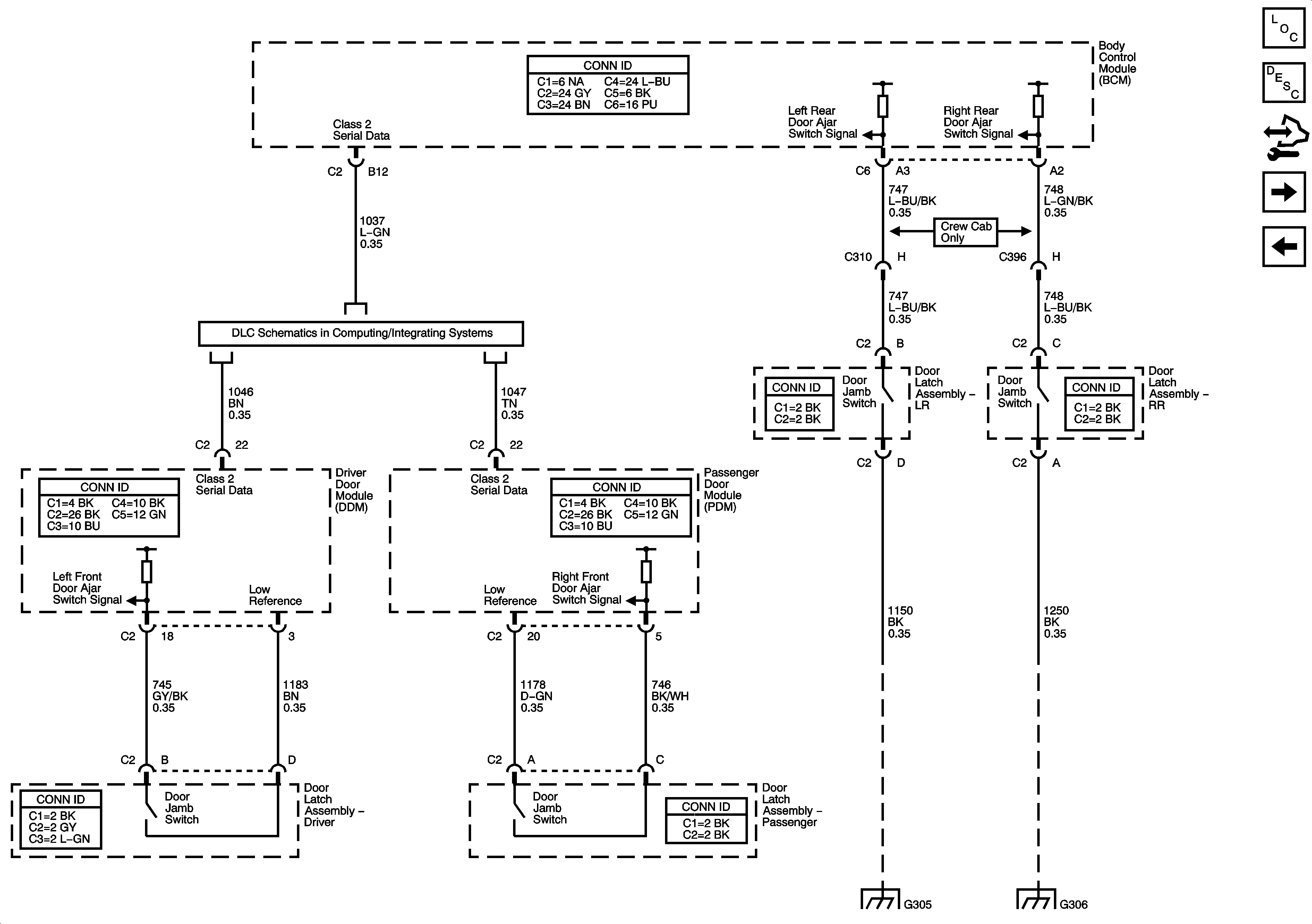
Figure 3:

Door Jamb Switches (YE9/Y91)


Object Number: 1533560  Size: FS
Master Electrical Component List
Interior Lighting Systems Description and Operation
Control Module References
Door Jamb Switches (w/o YE9/Y91)
Interior Lamps - 2 of 2
Power, Ground, DLC and Splice Pack SP 205
G304, G305, G306 and G390
G304, G305, G306 and G390
Figure 4:

Door Jamb Switches (w/o YE9/Y91)


Object Number: 1533584  Size: FS
Master Electrical Component List
Interior Lighting Systems Description and Operation
Control Module References
Door Jamb Switches (YE9/Y91)
G115 and G200 - 1 of 2
G115 and G200 - 1 of 2
G115 and G200 - 1 of 2
G115 and G200 - 1 of 2
G115 and G200 - 1 of 2
G304, G305, G306 and G390
G304, G305, G306 and G390