GM Service Manual Online
For 1990-2009 cars only
Figure 1:

8.1L and Diesel


Object Number: 1460039  Size: FS
Master Electrical Component List
Cooling System Description and Operation
Control Module References
10 Series
Power, Ground, DLC and Splice Pack SP 205
G104, G106, G107 and G110
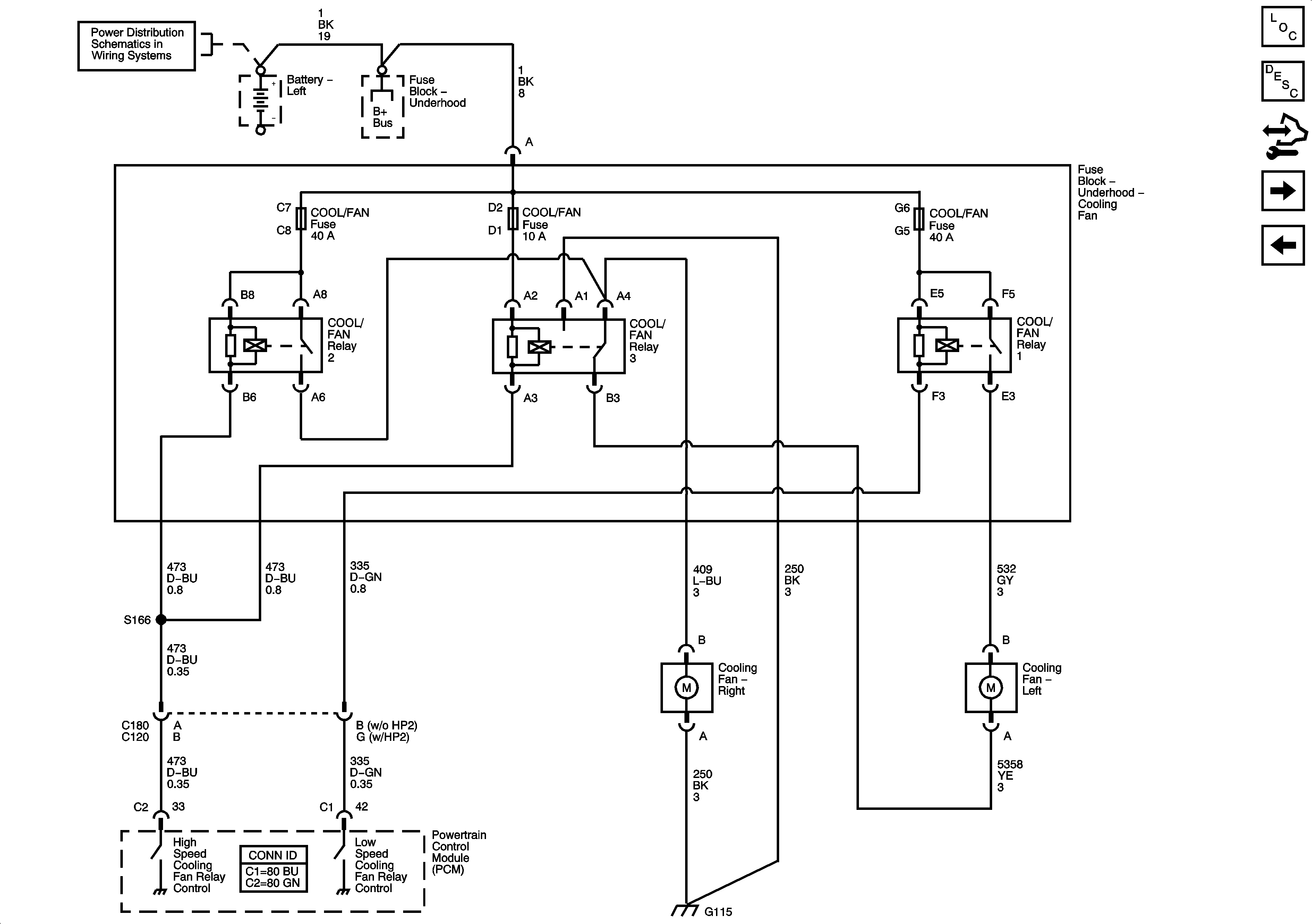
Figure 2:

10 Series


Object Number: 1460047  Size: FS
Master Electrical Component List
Cooling System Description and Operation
Control Module References
HP2
8.1L and Diesel
Battery Supply - 1 of 2
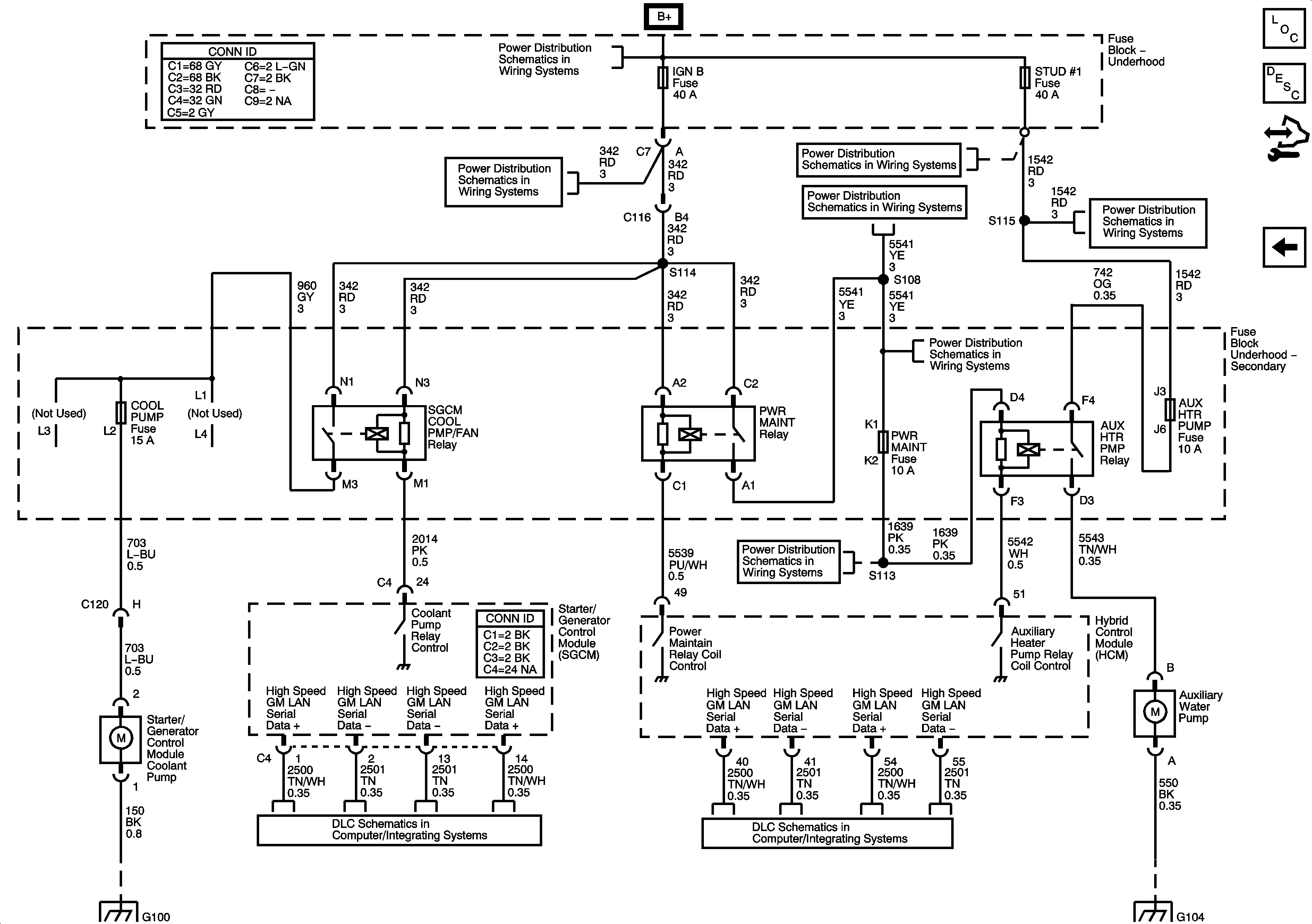
Figure 3:

HP2


Object Number: 1460057  Size: FS
Master Electrical Component List
Starter Generator Control Module Cooling System Description and Operation
Control Module References
10 Series
B+ Bar Bus
Ignition Switch - ACC/RUN and RUN/START Bus Bars and IGN B Fuse
ABS, AUX HTR PMP, ESCM, HCM-B, MBEC 1, RTD, STUD1, STUD2, TRANS PUMP, VSES/ECAS Fuses and RT DOORS and SEAT Circuit Breakers
COOL PMP, HYBRID 02A, HYBRID O2B, IGN B and PWR MAINT Fuses
ABS, AUX HTR PMP, ESCM, HCM-B, MBEC 1, RTD, STUD1, STUD2, TRANS PUMP, VSES/ECAS Fuses and RT DOORS and SEAT Circuit Breakers
COOL PMP, HYBRID 02A, HYBRID O2B, IGN B and PWR MAINT Fuses
COOL PMP, HYBRID 02A, HYBRID O2B, IGN B and PWR MAINT Fuses
G100, G101, and G102
High Speed GM LAN (HP2)
High Speed GM LAN (HP2)
G104, G106, G107 and G110