GM Service Manual Online
For 1990-2009 cars only
Makes
🢒
Chevrolet
🢒
2005
🢒
Chevy C Silverado - 2WD
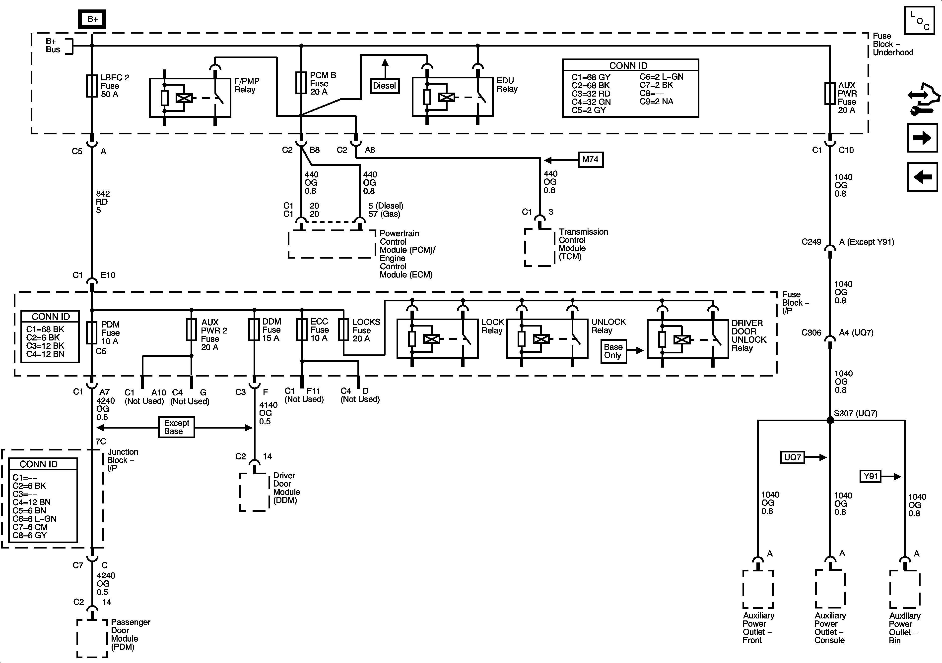
🢒 AUX PWR, AUX PWR 2, DDM, ECC, LBEC 2, LOCKS, PCM B, and PDM Fuses
AUX PWR, AUX PWR 2, DDM, ECC, LBEC 2, LOCKS, PCM B, and PDM Fuses
AUX PWR, AUX PWR2, DDM, ECC, LBEC 2, LOCKS, PCM B, and PDM Fuses
Master Electrical Component List
Control Module References
Ignition Switch - START, RUN, and ACC/RUN/START Bus Bars and IGN A and CRANK Fuses
RADIO, RADIOAMP, and S/ROOF Fuses
B+ Bar Bus