GM Service Manual Online
For 1990-2009 cars only
Figure 1:

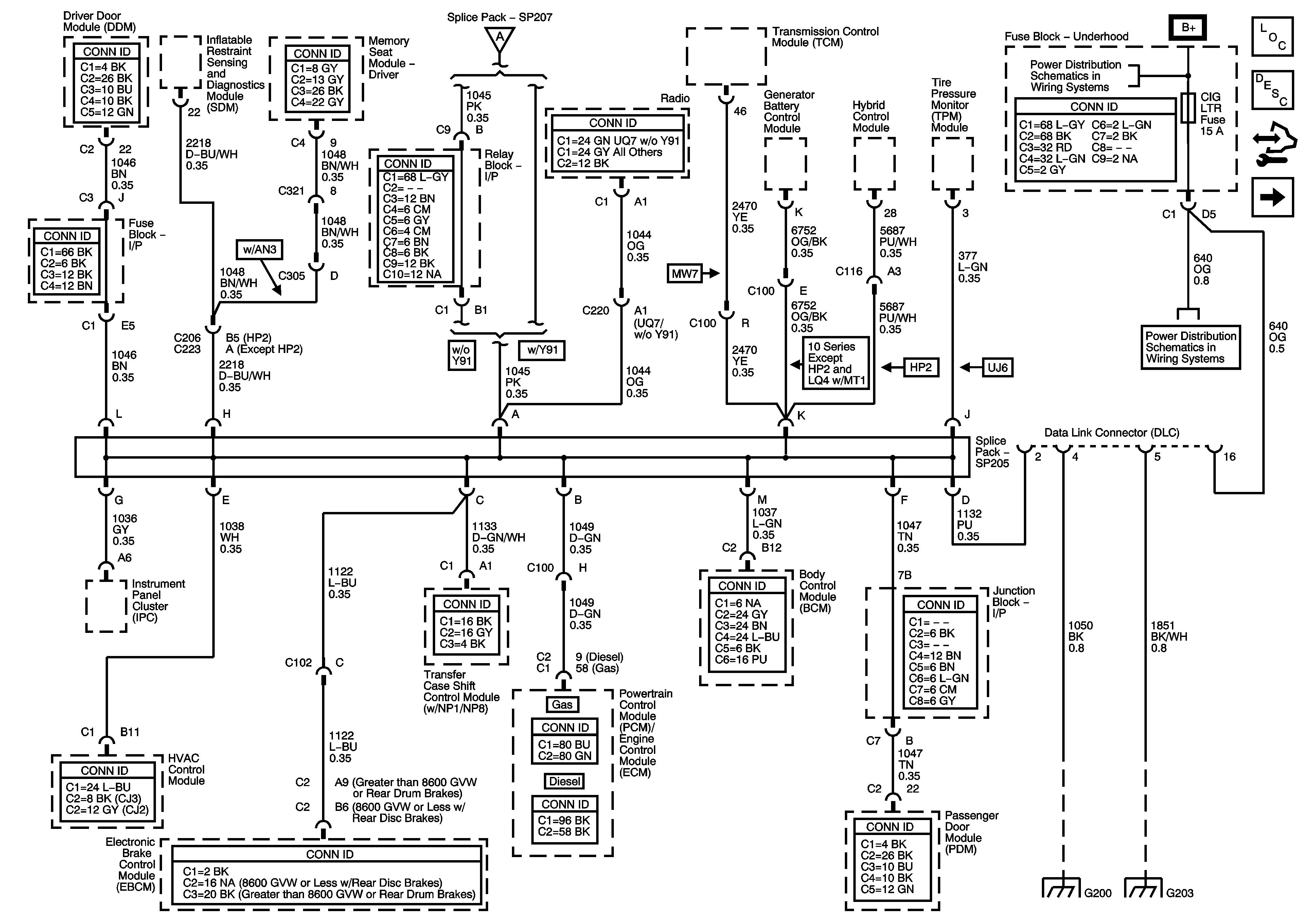
Power, Ground, DLC, and Splice Pack SP205


Object Number: 1570802  Size: FS
Master Electrical Component List
Data Link Communications Description and Operation
Control Module References
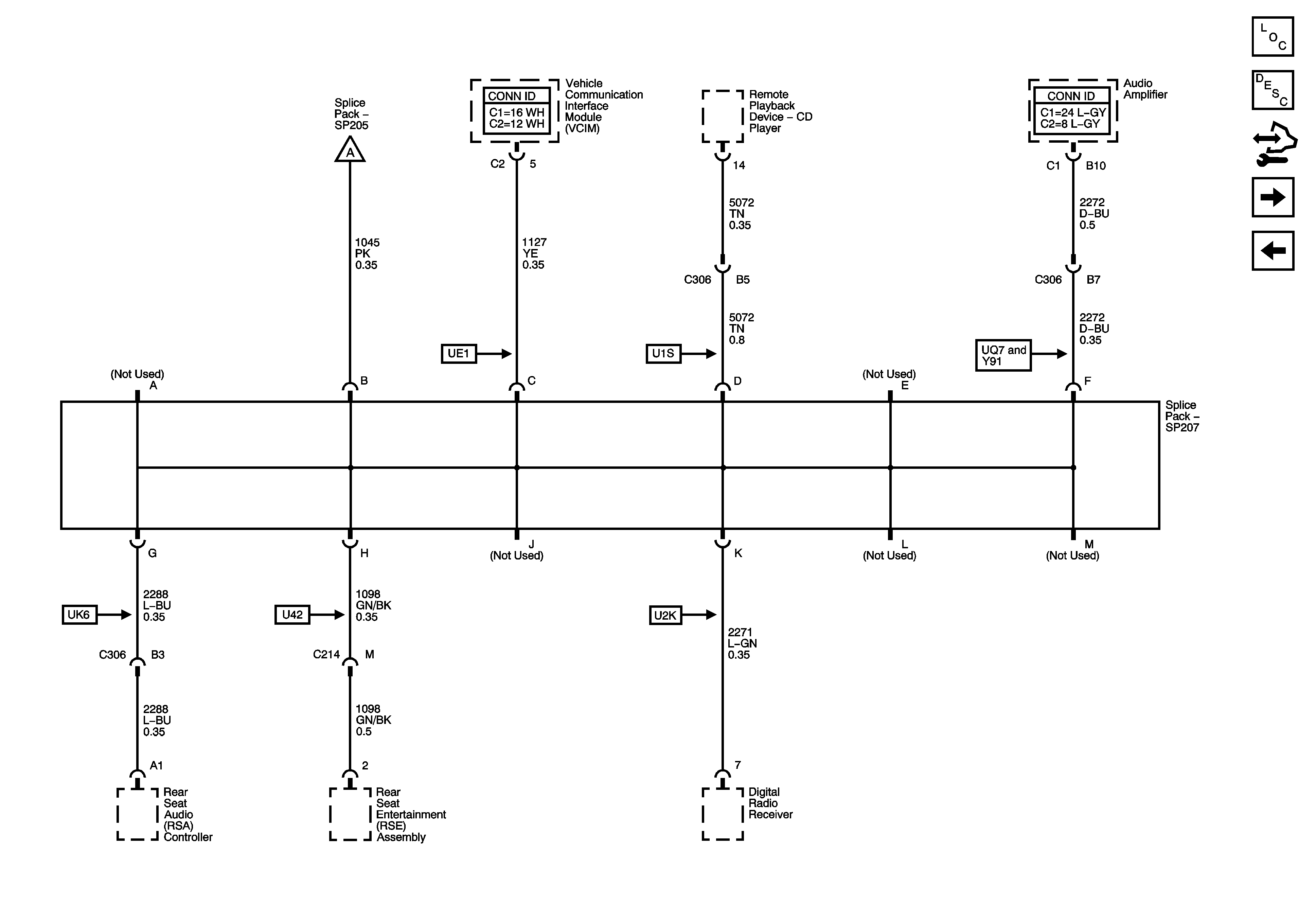
Splice Pack SP207
Splice Pack SP207
B+ Bus Bar
CIG LTR, EAP, INFO, and RVC Fuses
G115 and G200 - 1 of 2
G203 - 1 of 2
Figure 2:

Splice Pack SP207


Object Number: 1570804  Size: FS
Master Electrical Component List
Data Link Communications Description and Operation
Control Module References
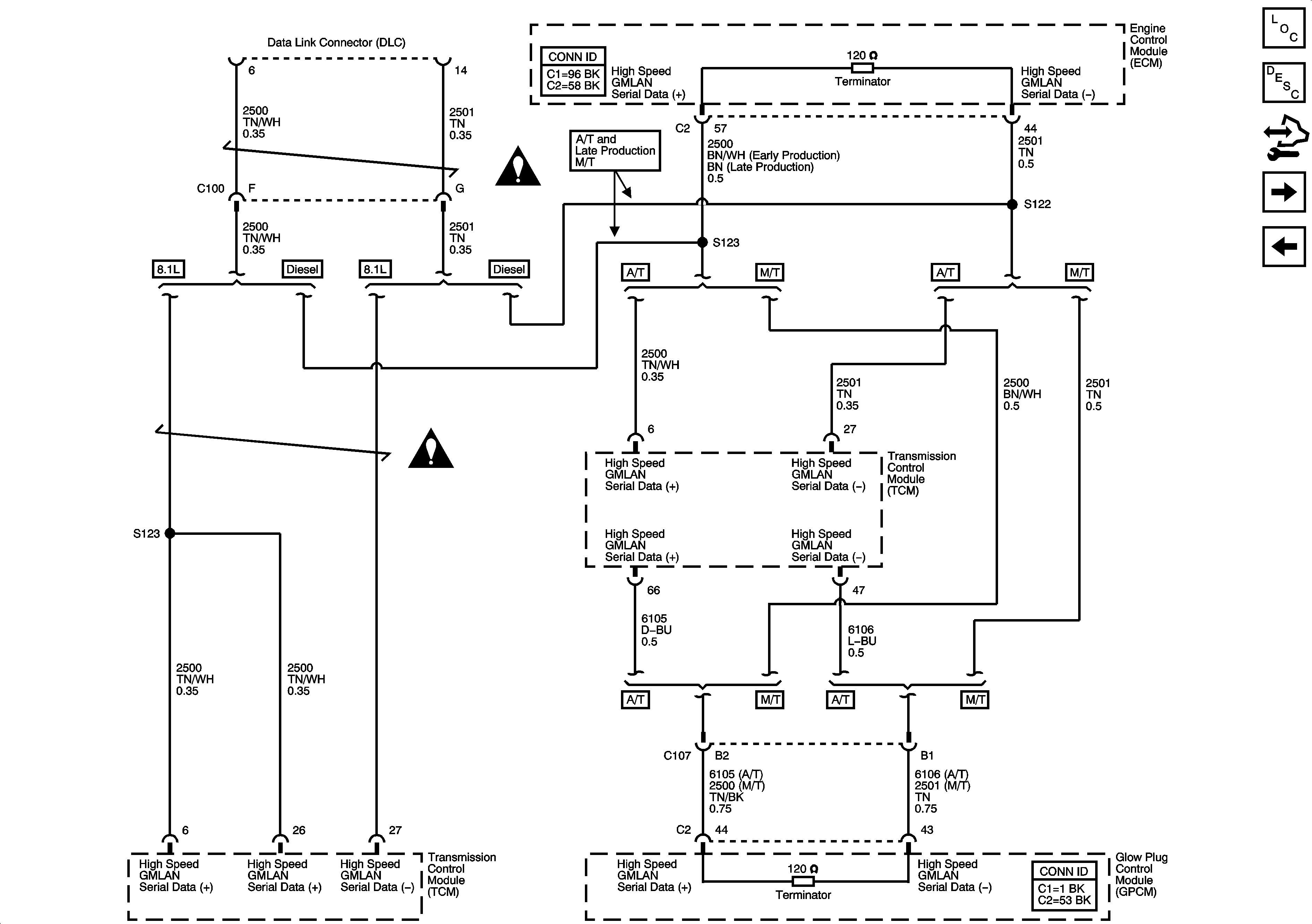
High Speed GM LAN Serial Data 8.1L and Diesel
Power, Ground, DLC, and Splice Pack SP205
Power, Ground, DLC, and Splice Pack SP205
Figure 3:

High Speed GM LAN Serial Data 8.1L and Diesel


Object Number: 1570807  Size: FS
Master Electrical Component List
Data Link Communications Description and Operation
Control Module References
High Speed GMLAN (HP2)
Splice Pack SP207
Figure 4:

High Speed GM LAN (HP2)


Object Number: 1570810  Size: FS
Master Electrical Component List
Data Link Communications Description and Operation
Control Module References
High Speed GM LAN Serial Data 8.1L and Diesel
Power, Ground, DLC, and Splice Pack SP205