| Figure 1: |
Module Power, Ground, Serial Data, and MIL
|
| Figure 2: |
Engine Data Sensors - 5-Volt and Low Reference
|
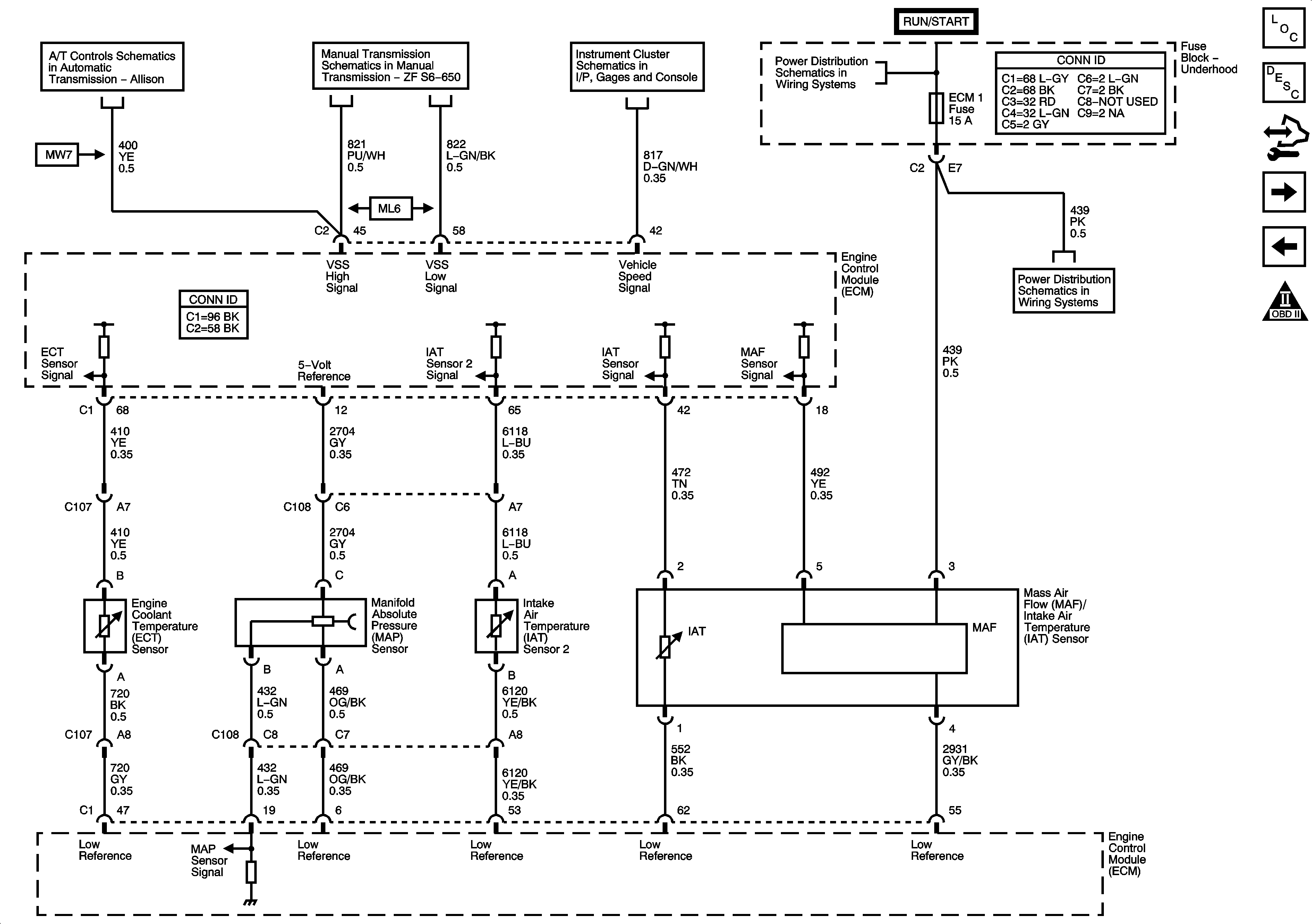
| Figure 3: |
Engine Data Sensors - Pressure, Temperature,
MAF, and VSS
|
| Figure 4: |
Engine Data Sensors - EGR and Turbocharger
Controls
|
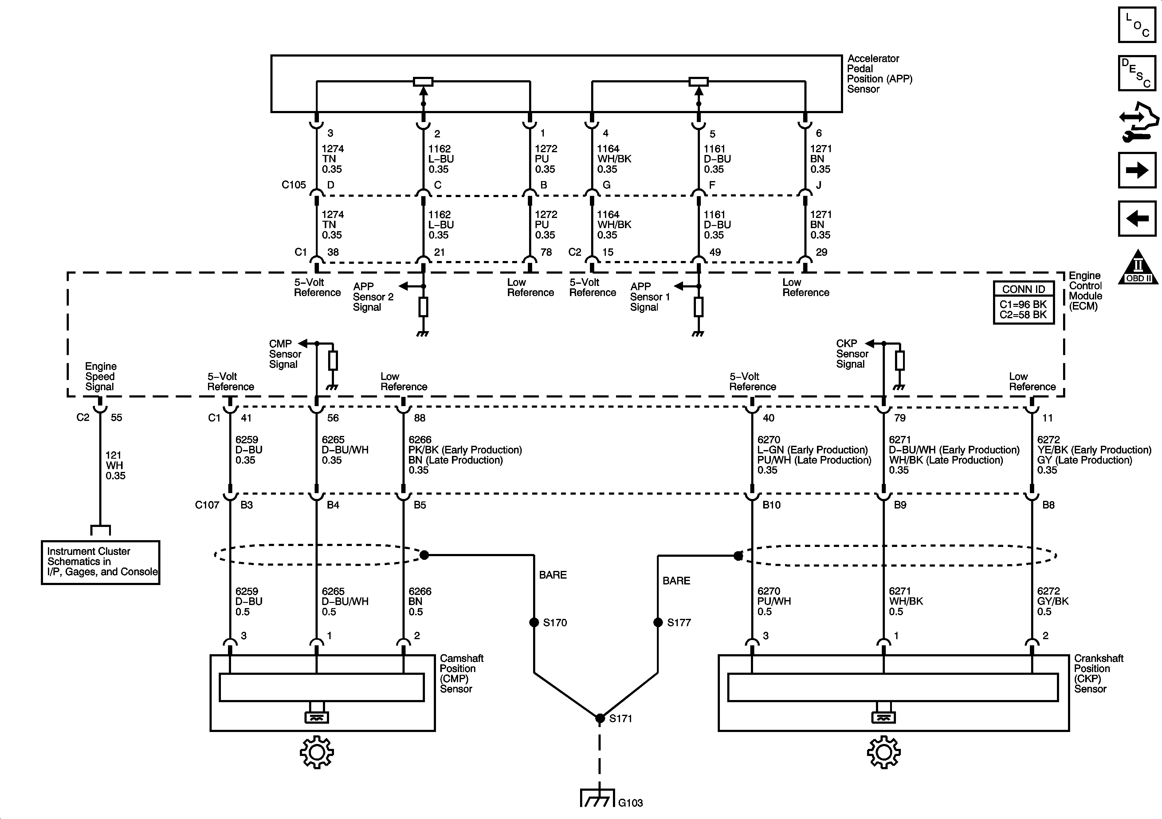
| Figure 5: |
Engine Data Sensors - Pedal Position and
Injection Timing
|
| Figure 6: |
Engine Data Sensors - Glow Plug Controls
|
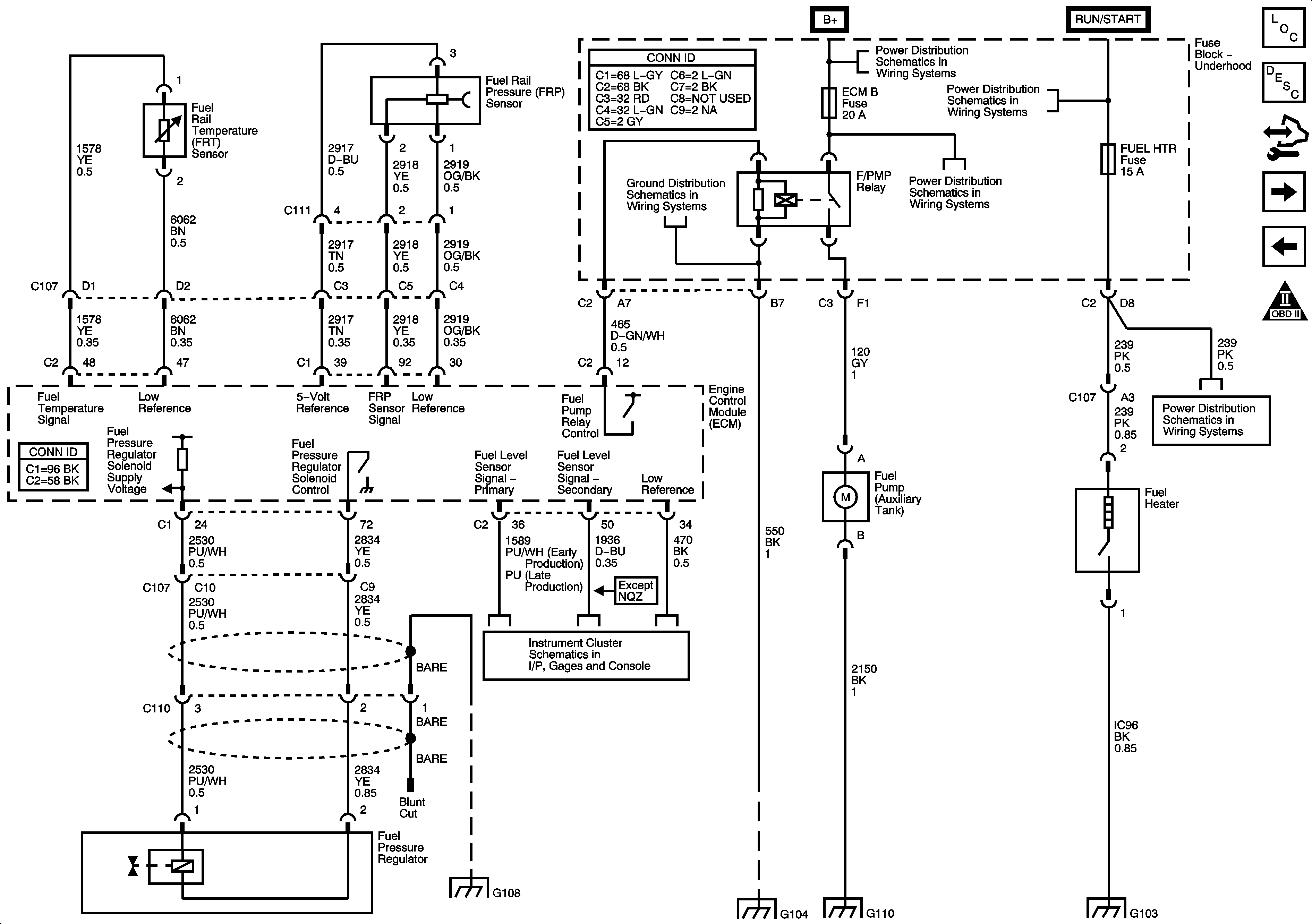
| Figure 7: |
Fuel Controls - Fuel Pump, Temperature,
and Pressure Controls
|
| Figure 8: |
Fuel Controls - Fuel Injectors
|
| Figure 9: |
Controlled/Monitored Subsystem Refereces
|