GM Service Manual Online
For 1990-2009 cars only
Figure 1:

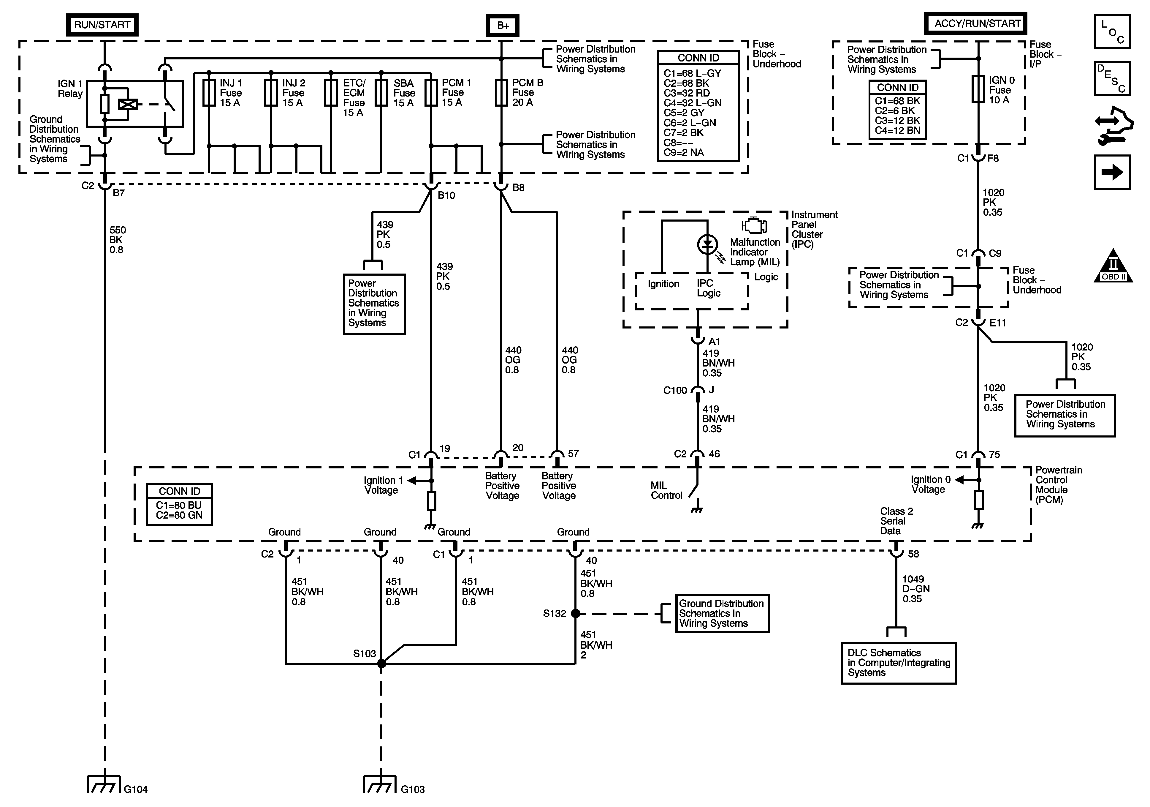
Module Power, Ground, Serial Data, and MIL


Object Number: 1576203  Size: FS
Master Electrical Component List
Powertrain Control Module Description
Control Module References
Engine Data Sensors - 5-Volt and Low Reference
Engine Controls Schematic Icons
G104, G107, and G110
B+ Bus Bar
AUX PWR, AUX PWR 2, DDM, ECC/TCM, ECM B, LBEC 2, LCKS, PCM B, PDM and TCM B Fuses
Ignition Switch - START, RUN, and ACC/RUN/START BUS BARS, IGN A and CRNK Fuses
IGN 0, RR WPR, SEO ACCY, TBC ACCY, TBC IGN 0, and WS WPR Fuses
IGN 0, RR WPR, SEO ACCY, TBC ACCY, TBC IGN 0, and WS WPR Fuses
G104, G107, and G110
G103 and G106 - Gas
G103 and G106 - Gas
Power, Ground, DLC, and Splice Pack SP205
Figure 2:

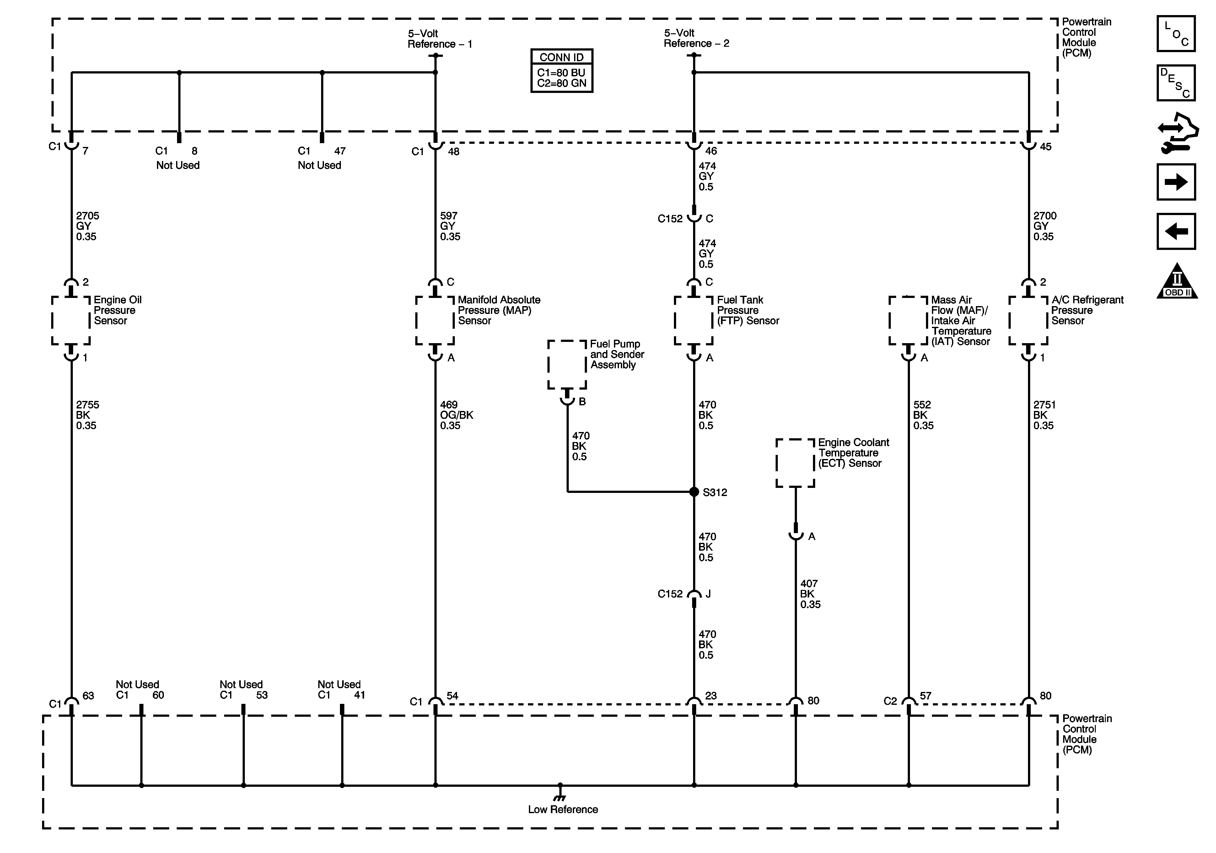
Engine Data Sensors - 5-Volt and Low Reference


Object Number: 1576204  Size: FS
Master Electrical Component List
Fuel System Description
Control Module References
Engine Data Sensors - Pressure, Temperature, MAF, and VSS
Module Power, Ground, Serial Data, and MIL
Engine Controls Schematic Icons
Figure 3:

Engine Data Sensors - Pressure, Temperature, MAF, and VSS


Object Number: 1576206  Size: FS
Master Electrical Component List
Electronic Ignition (EI) System Description
Control Module References
Engine Data Sensors - Oxygen Sensors
Engine Data Sensors - 5-Volt and Low Reference
Engine Controls Schematic Icons
Manual Transmission - ZF56-650
Interal Mode Switch (IMS) and Speed Sensors
ETC/ECM, INJ 1, INJ 2, PCM 1, and SBA Fuses - Gas
Gages, Vehicle Speed Signal, Engine Oil Pressure, and Fuel Level Sensors
ETC/ECM, INJ 1, INJ 2, PCM 1, and SBA Fuses - Gas
G103 and G106 - Gas
Figure 4:

Engine Data Sensors - Oxygen Sensors


Object Number: 1576208  Size: FS
Master Electrical Component List
Fuel System Description
Control Module References
Engine Data Sensors - Electronic Throttle Control
Engine Data Sensors - Pressure, Temperature, MAF, and VSS
Engine Controls Schematic Icons
B/U LP, BTSI, O2A, O2B, SEO IGN, TBC IGN 1, and TRL B/U Fuses
G102, G103 and G108 - Diesel
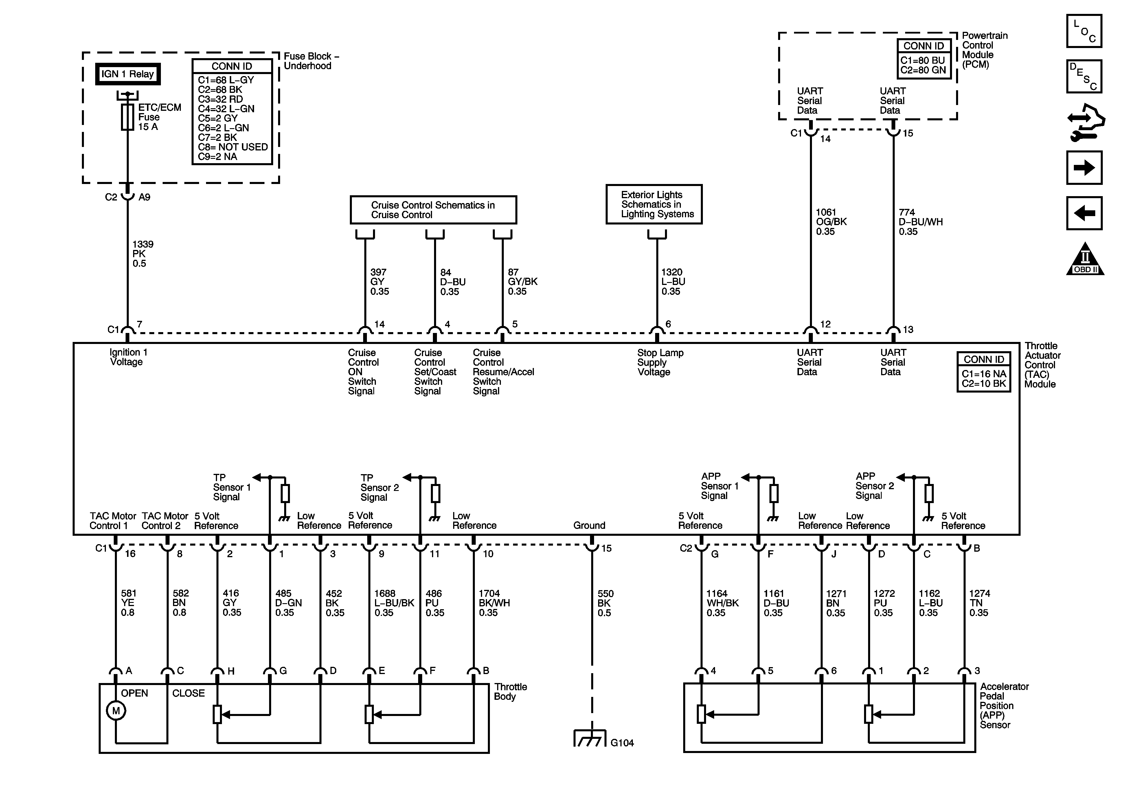
Figure 5:

Engine Data Sensors - Electronic Throttle Control


Object Number: 1576213  Size: FS
Master Electrical Component List
Throttle Actuator Control (TAC) System Description
Control Module References
Ignition Controls - Ignition System Coils 1, 3, 5, and 7
Engine Data Sensors - Oxygen Sensors
Engine Controls Schematic Icons
Module Power, Ground, Serial Data, and MIL
4.8L, 5.3L, 6.0L, and 8.1L
Stop Lamp Switch and Signals
G104, G107, and G110
Figure 6:

Ignition Controls - Ignition System Coils 1, 3, 5, and 7


Object Number: 1576209  Size: FS
Master Electrical Component List
Electronic Ignition (EI) System Description
Control Module References
Ignition Controls - Ignition System Coils 2, 4, 6, and 8
Engine Data Sensors - Electronic Throttle Control
Engine Controls Schematic Icons
Module Power, Ground, Serial Data, and MIL
ETC/ECM, INJ 1, INJ 2, PCM 1, and SBA Fuses - Gas
G100 and G102
Figure 7:

Ignition Controls - Ignition System Coils 2, 4, 6, and 8


Object Number: 1576214  Size: FS
Master Electrical Component List
Electronic Ignition (EI) System Description
Control Module References
Ignition Controls - Sensors
Ignition Controls - Ignition System Coils 1, 3, 5, and 7
Engine Controls Schematic Icons
Module Power, Ground, Serial Data, and MIL
ETC/ECM, INJ 1, INJ 2, PCM 1, and SBA Fuses - Gas
G100 and G102
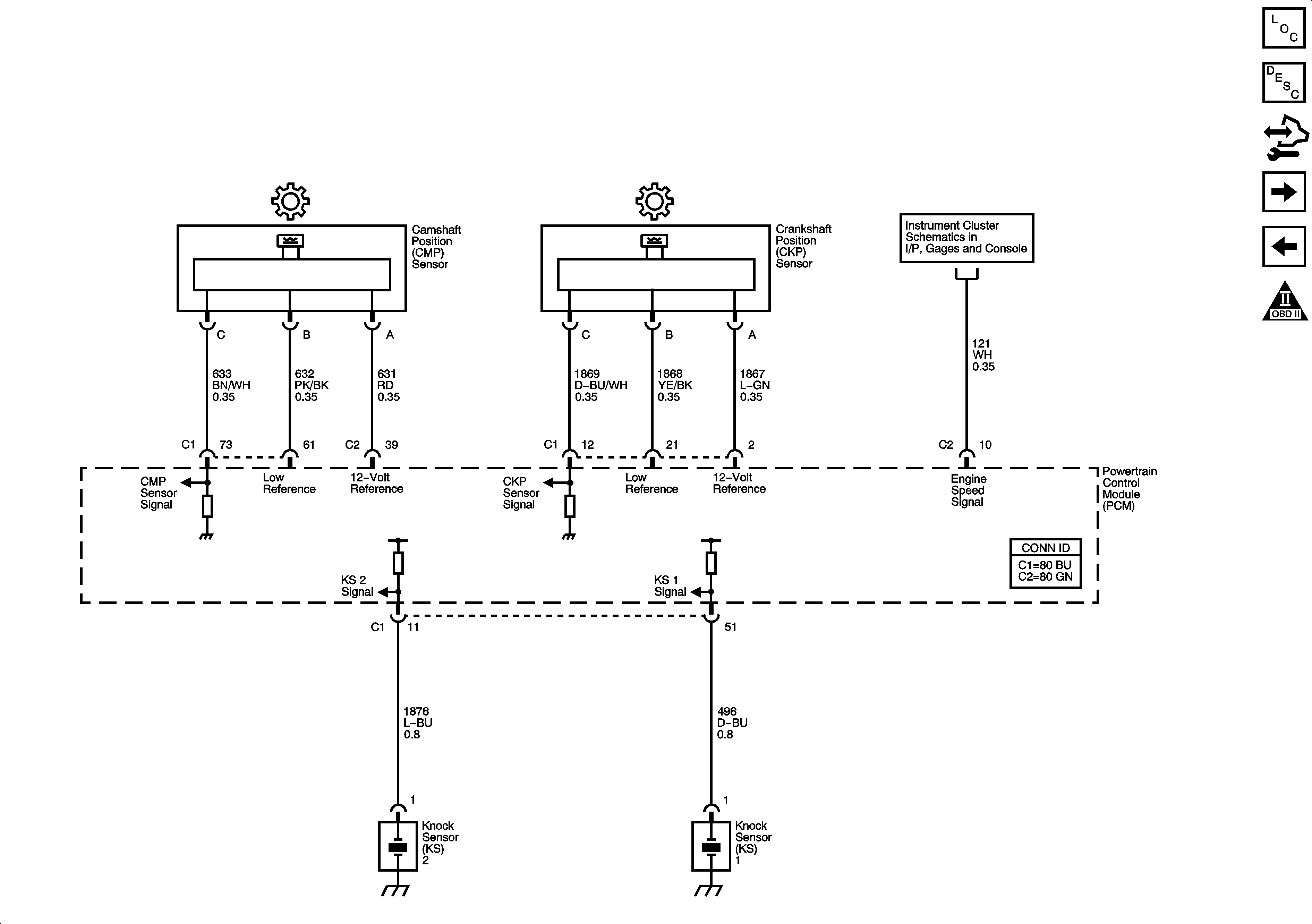
Figure 8:

Ignition Controls - Sensors


Object Number: 1576216  Size: FS
Master Electrical Component List
Electronic Ignition (EI) System Description
Control Module References
Fuel Controls - Fuel Pump Controls
Ignition Controls - Ignition System Coils 2, 4, 6, and 8
Engine Controls Schematic Icons
Gages, Vehicle Speed Signal, Engine Oil Pressure, and Fuel Level Sensors
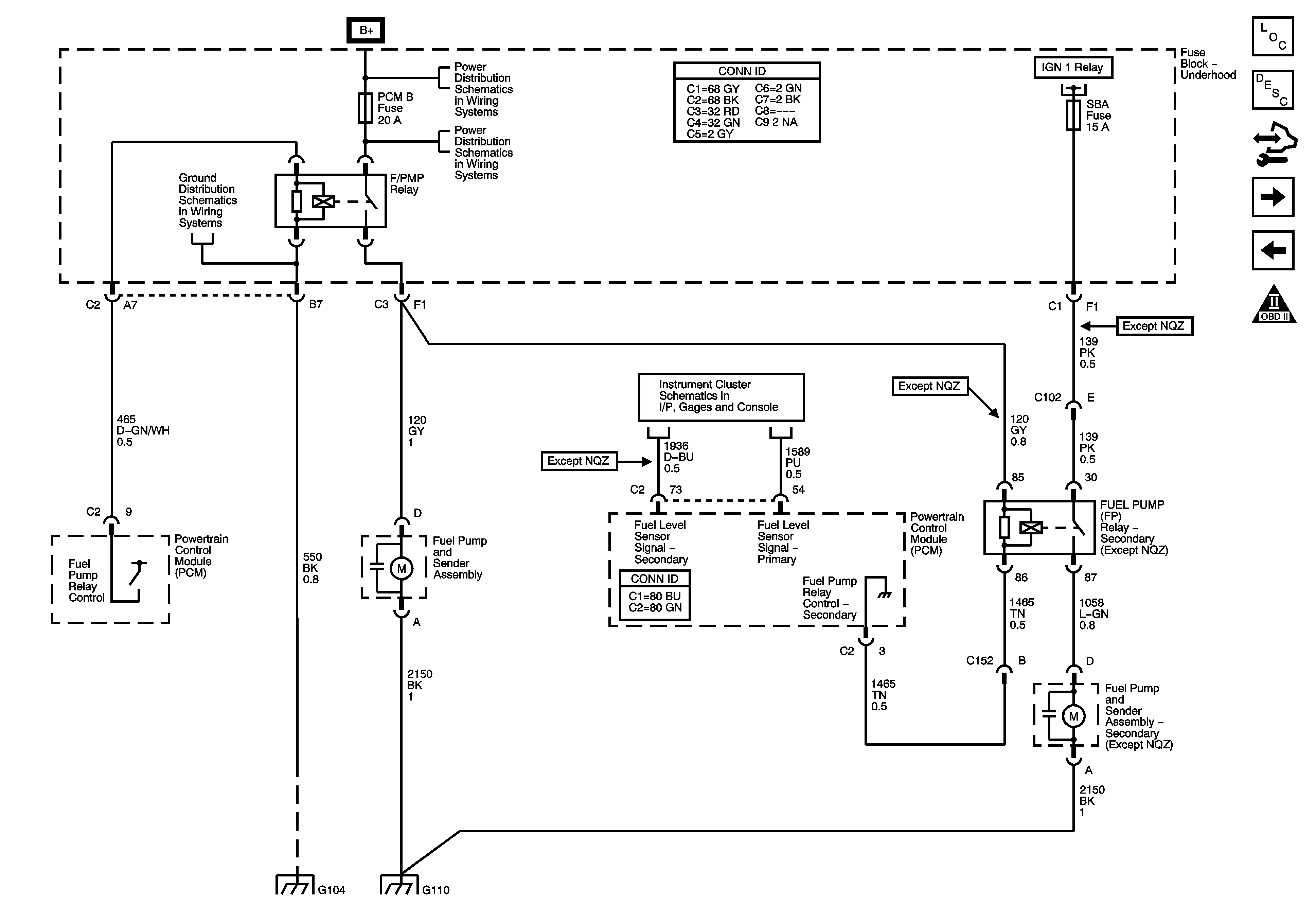
Figure 9:

Fuel Controls - Fuel Pump Controls


Object Number: 1576217  Size: FS
Master Electrical Component List
Fuel System Description
Control Module References
Fuel Controls - Fuel Injectors
Ignition Controls - Sensors
Engine Controls Schematic Icons
B+ Bus Bar
AUX PWR, AUX PWR 2, DDM, ECC/TCM, ECM B, LBEC 2, LCKS, PCM B, PDM and TCM B Fuses
Gages, Vehicle Speed Signal, Engine Oil Pressure, and Fuel Level Sensors
G104, G107, and G110
G104, G107, and G110
Figure 10:

Fuel Controls - Fuel Injectors


Object Number: 1576218  Size: FS
Master Electrical Component List
Fuel System Description
Control Module References
Fuel Controls - EVAP Controls
Fuel Controls - Fuel Pump Controls
Engine Controls Schematic Icons
Module Power, Ground, Serial Data, and MIL
ETC/ECM, INJ 1, INJ 2, PCM 1, and SBA Fuses - Gas
Figure 11:

Fuel Controls - EVAP Controls


Object Number: 1576219  Size: FS
Master Electrical Component List
Evaporative Emission Control System Description
Control Module References
Transmission and Controlled/Monitored Subsystem References
Fuel Controls - Fuel Injectors
Engine Controls Schematic Icons
ETC/ECM, INJ 1, INJ 2, PCM 1, and SBA Fuses - Gas
Module Power, Ground, Serial Data, and MIL
B+ Bus Bar
Gages, Vehicle Speed Signal, Engine Oil Pressure, and Fuel Level Sensors
Figure 12:

Transmission and Controlled/Monitored Subsystem References


Object Number: 1576220  Size: FS
Master Electrical Component List
Powertrain Control Module Description
Control Module References
Fuel Controls - EVAP Controls
Engine Controls Schematic Icons
Power Take Off
Gages, Vehicle Speed Signal, Engine Oil Pressure, and Fuel Level Sensors
Power, Ground, Serial Data, and Transfer Case Encoder Motor
Transfer Case Control Schematics
Transfer Case Control Schematics
Power, Ground, Serial Data, Indicator, and Stop Lamp Switch - Greater than 8600 GVW or w/Rear Drum Brakes
A/C Compressor Control
A/C Compressor Controls
Starting - Gas
Gages, Vehicle Speed Signal, Engine Oil Pressure, and Fuel Level Sensors
Charging - 20/30 Series - Gas
Power, Ground, Serial Data, Indicator, and Stop Lamp Switch - Greater than 8600 GVW or w/Rear Drum Brakes
MIL Control, Serial Data, Shift Solenoids, PCS2, Torque Signals, and Tow/Haul Switch
Interal Mode Switch (IMS) and Speed Sensors
Manual Transmission - ZF56-650
8.1L and Diesel