GM Service Manual Online
For 1990-2009 cars only
Figure 1:

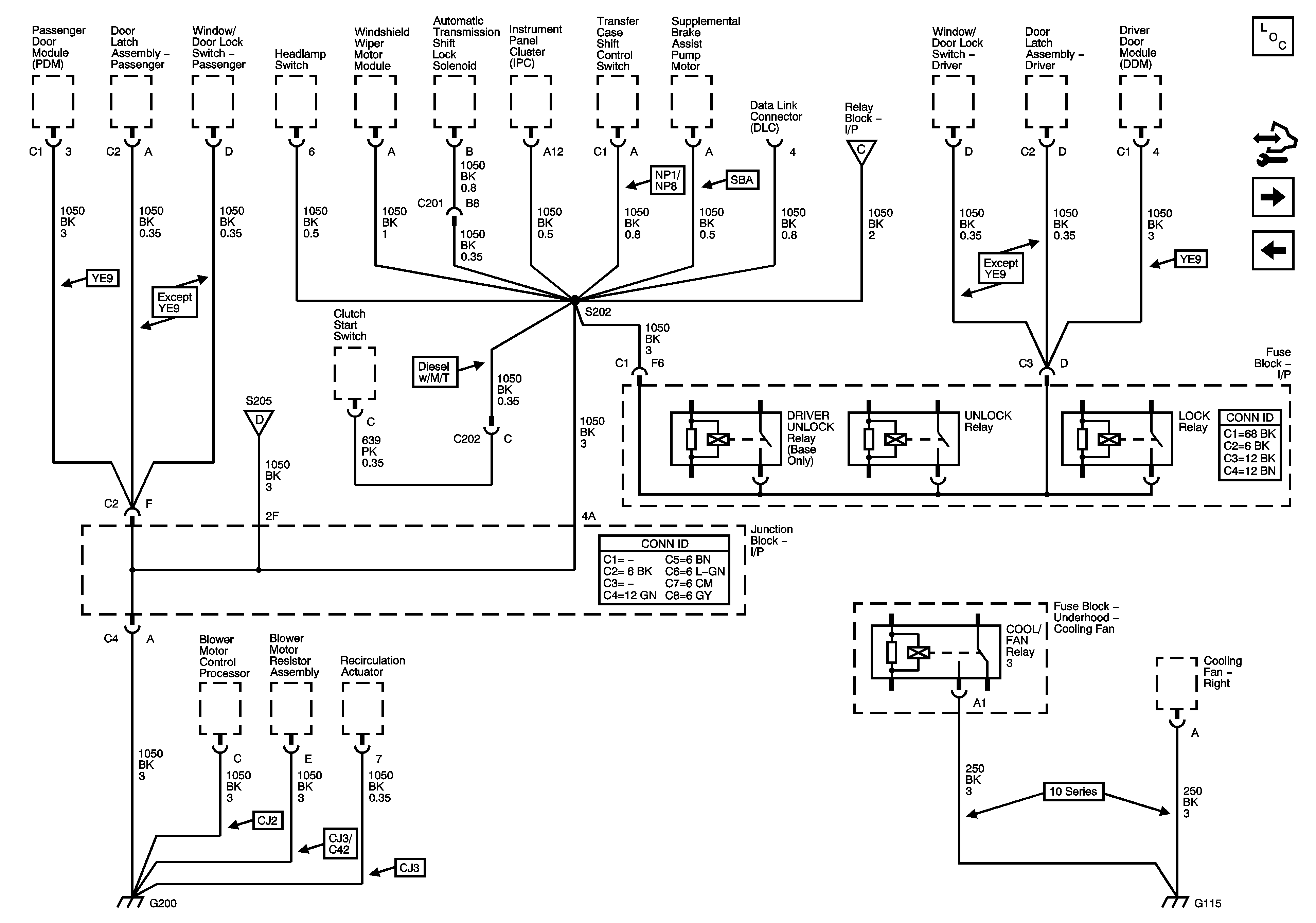
G100 and G102


Object Number: 1570266  Size: FS
Master Electrical Component List
Control Module References
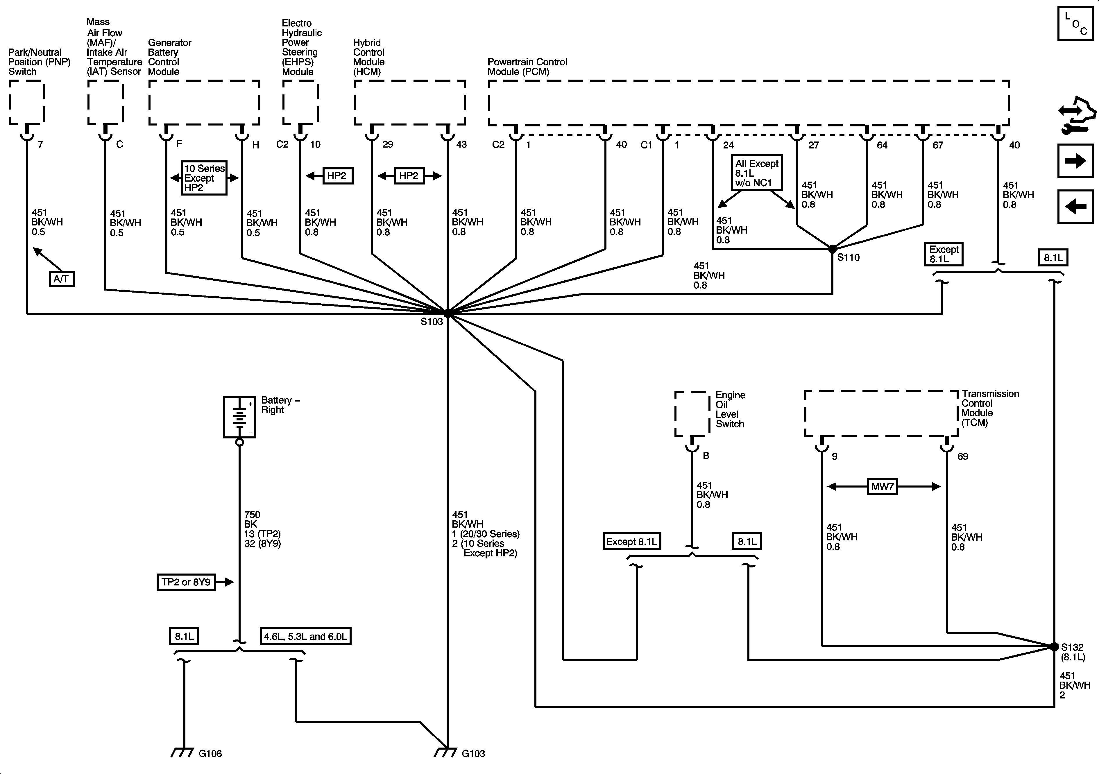
G103 and G106 - Gas
G120, G121, G122, G310, G311, and G405 (HP2)
G104, G107, and G110
Figure 2:

G103 and G106 - Gas


Object Number: 1570268  Size: FS
Master Electrical Component List
Control Module References
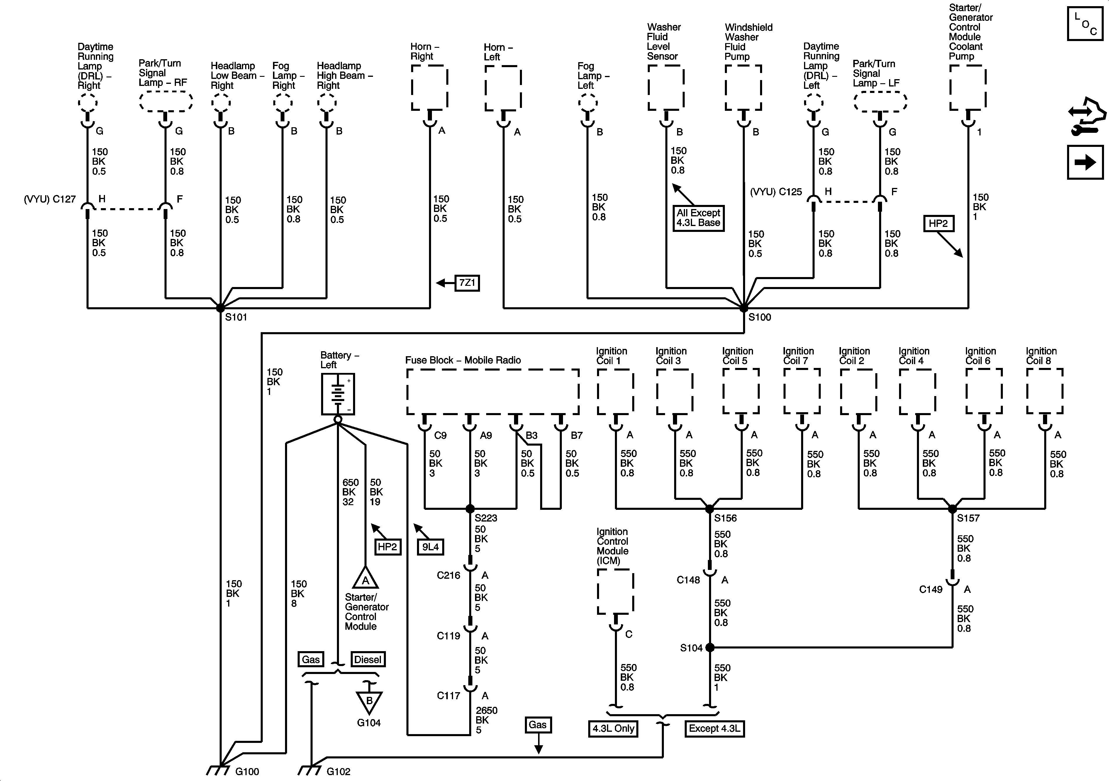
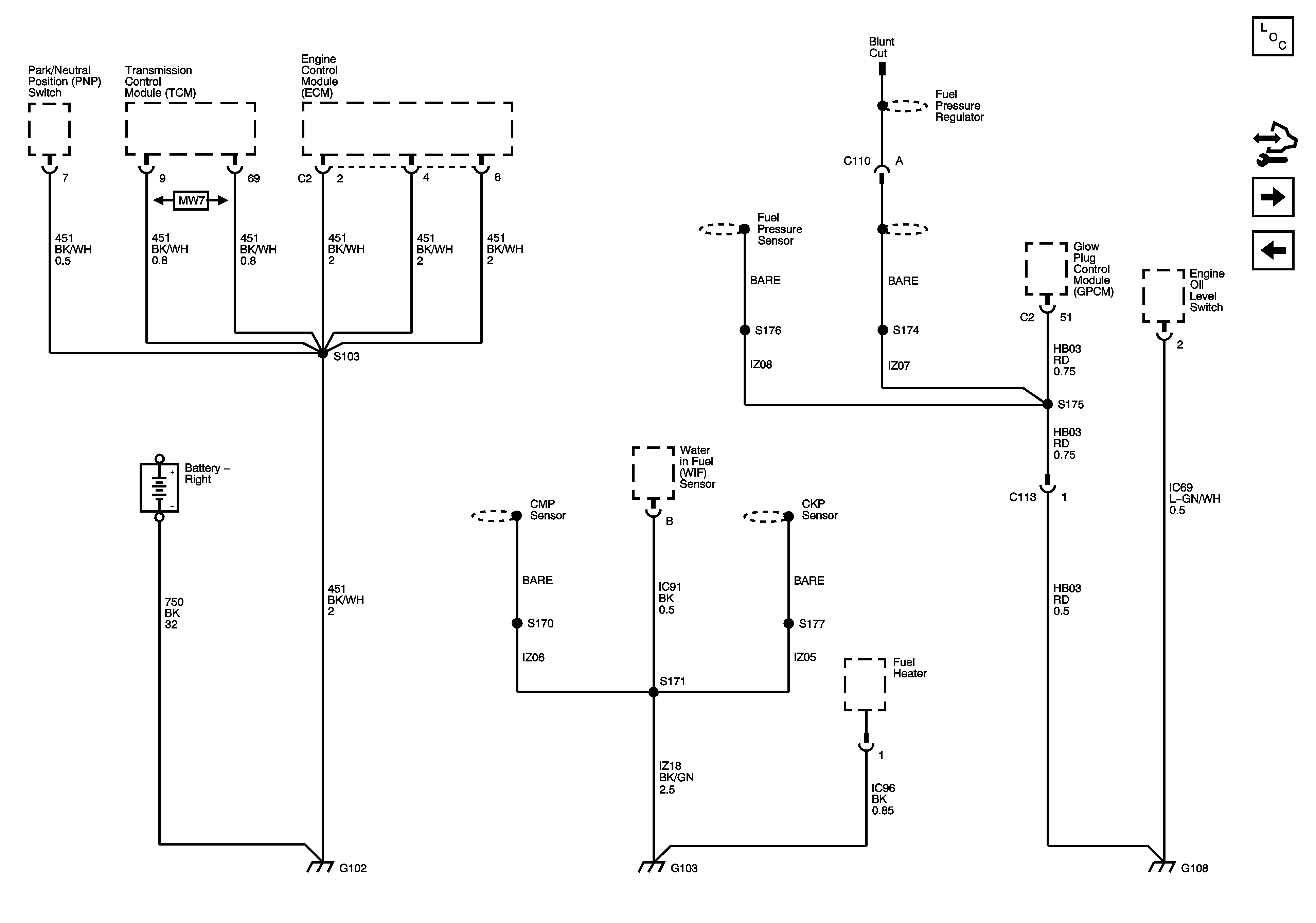
G102, G103 and G108 - Diesel
G100 and G102
Figure 3:

G102, G103 and G108 - Diesel


Object Number: 1570269  Size: FS
Master Electrical Component List
Control Module References
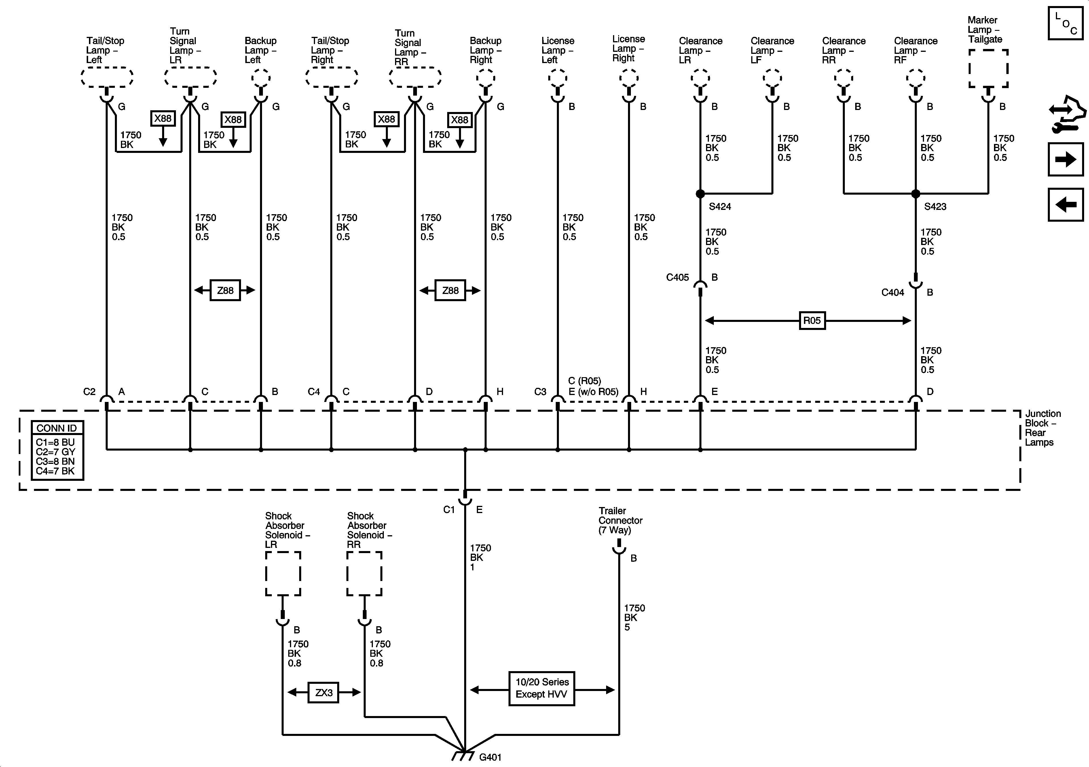
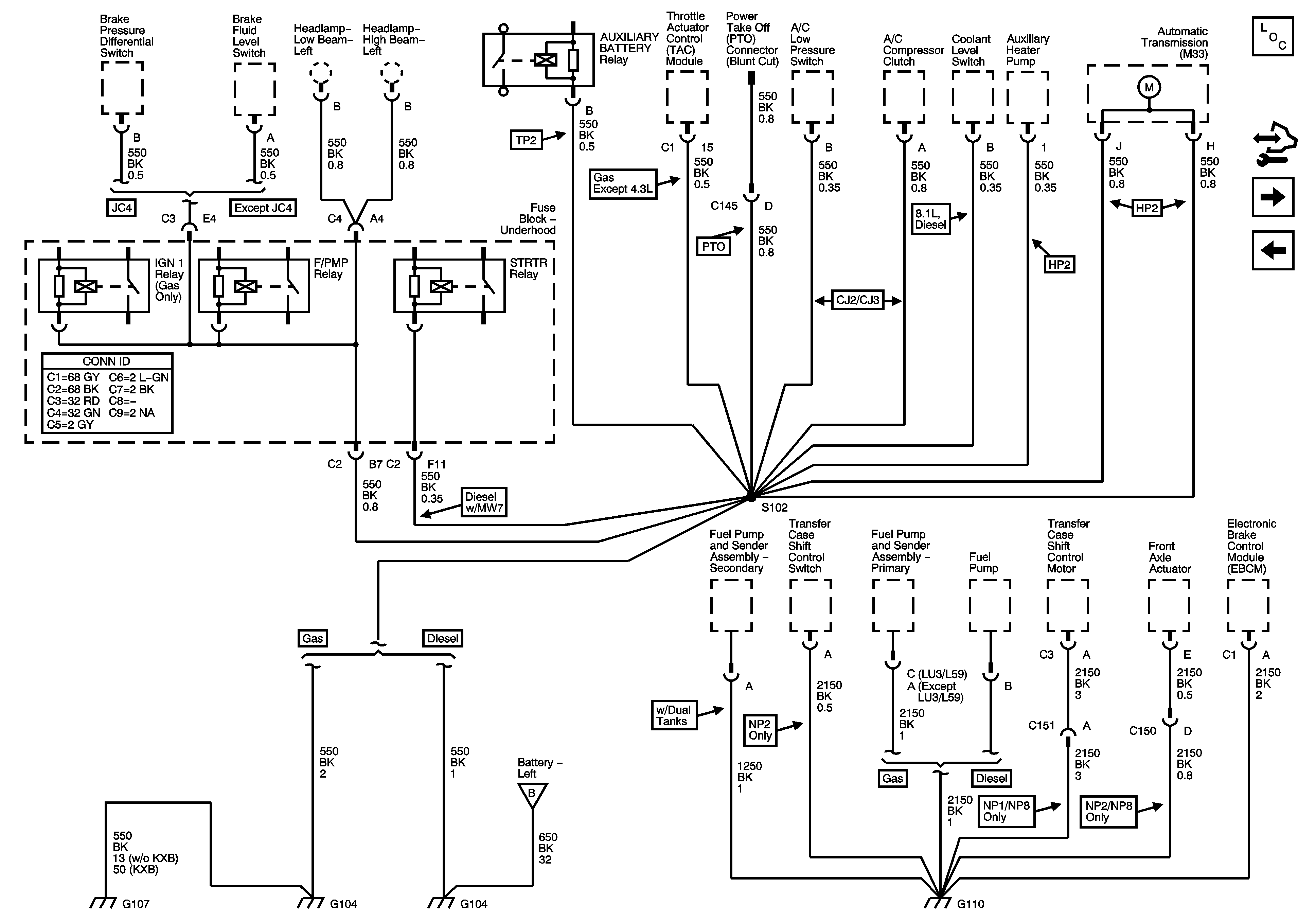
G104, G107, and G110
G103 and G106 - Gas
Figure 4:

G104, G107 and G110


Object Number: 1570270  Size: FS
Master Electrical Component List
Control Module References
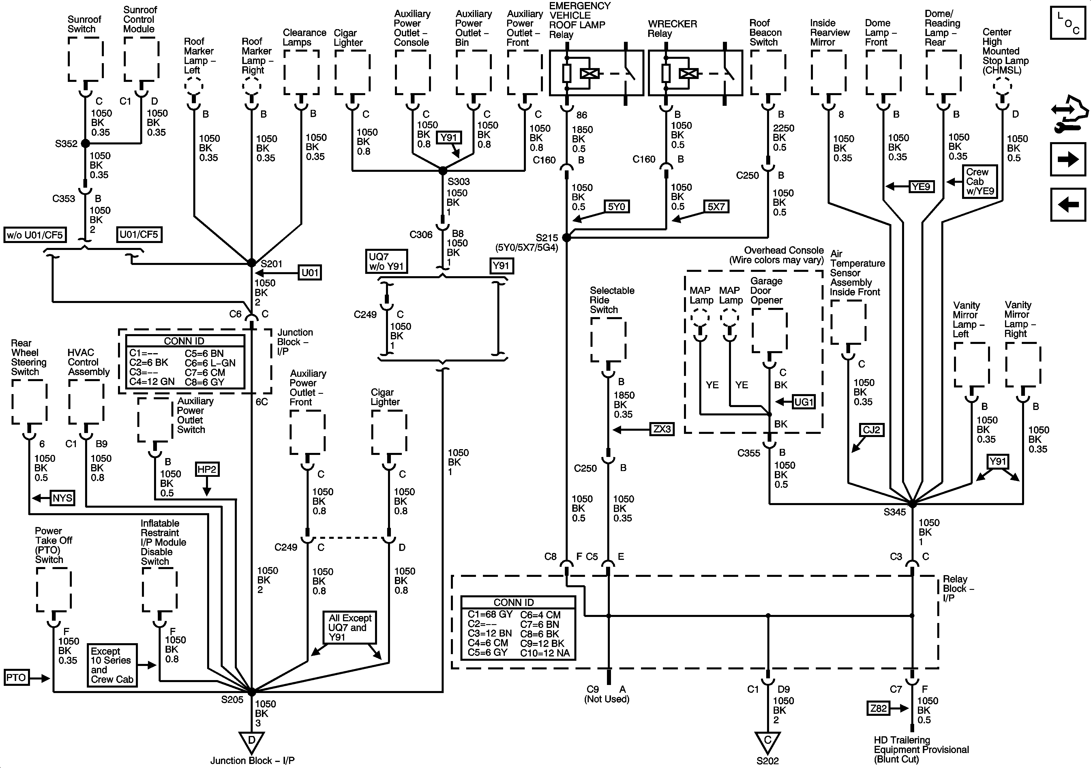
G115 and G200 - 1 of 2
G102, G103 and G108 - Diesel
G100 and G102
Figure 5:

G115 and G200 1 of 2


Object Number: 1570272  Size: FS
Master Electrical Component List
Control Module References
G200 - 2 of 2
G104, G107, and G110
G200 - 2 of 2
G200 - 2 of 2
Figure 6:

G200 2 of 2


Object Number: 1570273  Size: FS
Master Electrical Component List
Control Module References
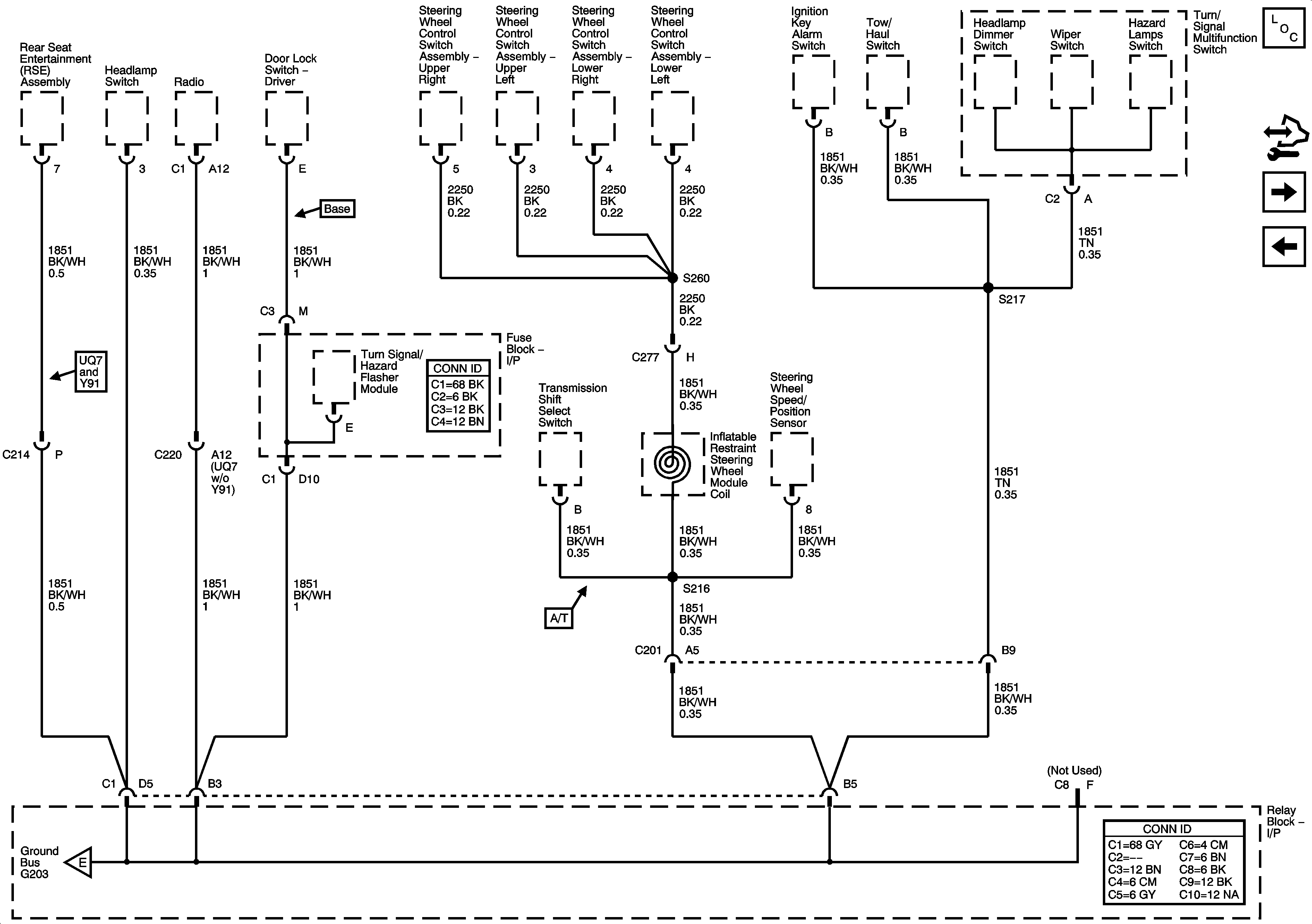
G203 - 1 of 2
G115 and G200 - 1 of 2
G115 and G200 - 1 of 2
G115 and G200 - 1 of 2
Figure 7:

G203 1 of 2


Object Number: 1570274  Size: FS
Master Electrical Component List
Control Module References
G203 - 2 of 2
G200 - 2 of 2
G203 - 2 of 2
Figure 8:

G203 2 of 2


Object Number: 1570276  Size: FS
Master Electrical Component List
Control Module References
G302
G203 - 1 of 2
G203 - 1 of 2
Figure 9:

G302


Object Number: 1570277  Size: FS
Master Electrical Component List
Control Module References
G304, G305, G306, and G390
G203 - 2 of 2
Figure 10:

G304, G305, G306, and G390


Object Number: 1570278  Size: FS
Master Electrical Component List
Control Module References
G401
G302
Figure 11:

G401


Object Number: 1570279  Size: FS
Master Electrical Component List
Control Module References
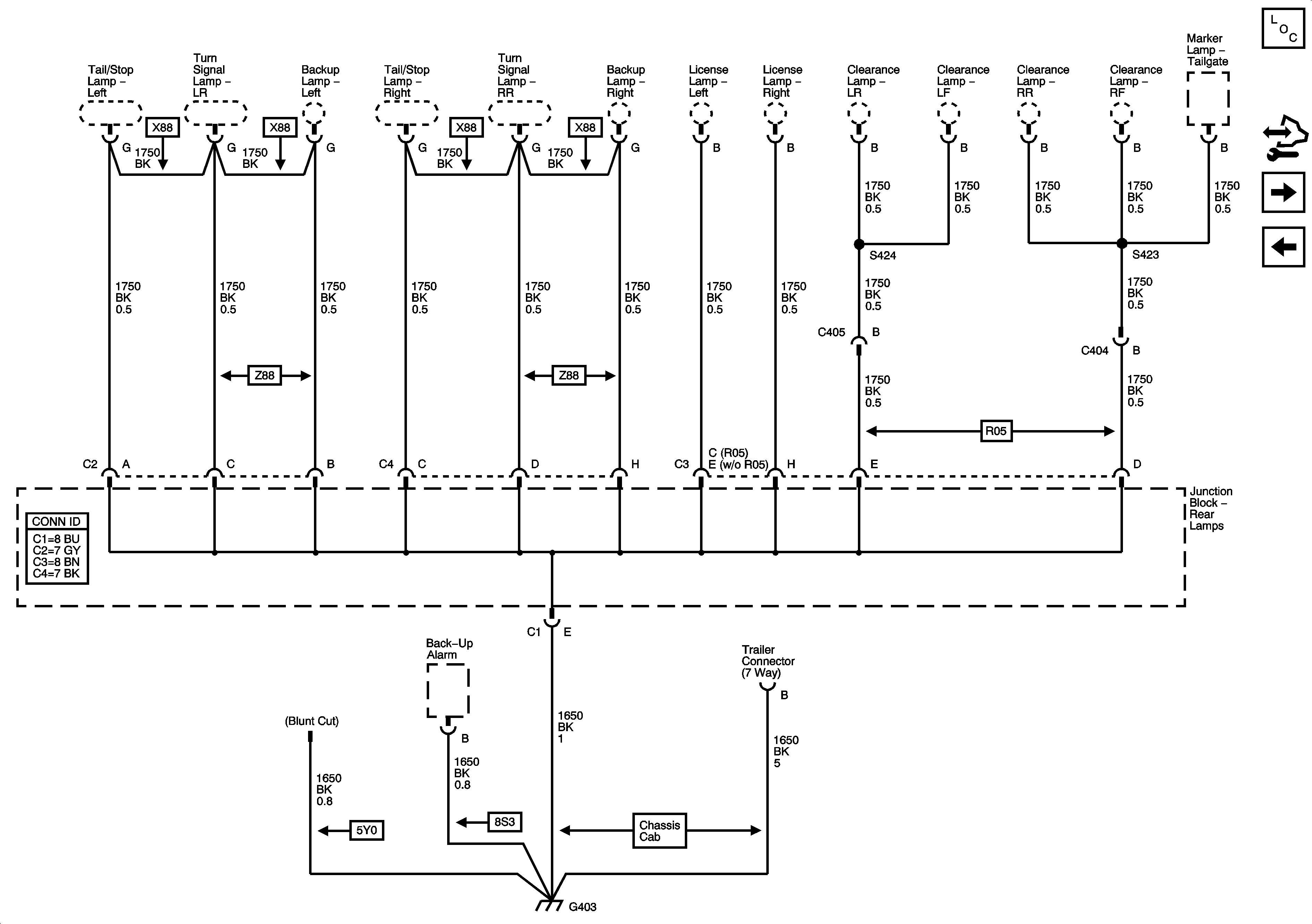
G403
G304, G305, G306, and G390
Figure 12:

G403


Object Number: 1570280  Size: FS
Master Electrical Component List
Control Module References
G120, G121, G122, G310, G311, and G405 (HP2)
G401
Figure 13:

G120, G121, G122, G310, G311, and G405 (HP2)


Object Number: 1570282  Size: FS
Master Electrical Component List
Control Module References
G403
G100 and G102