GM Service Manual Online
For 1990-2009 cars only
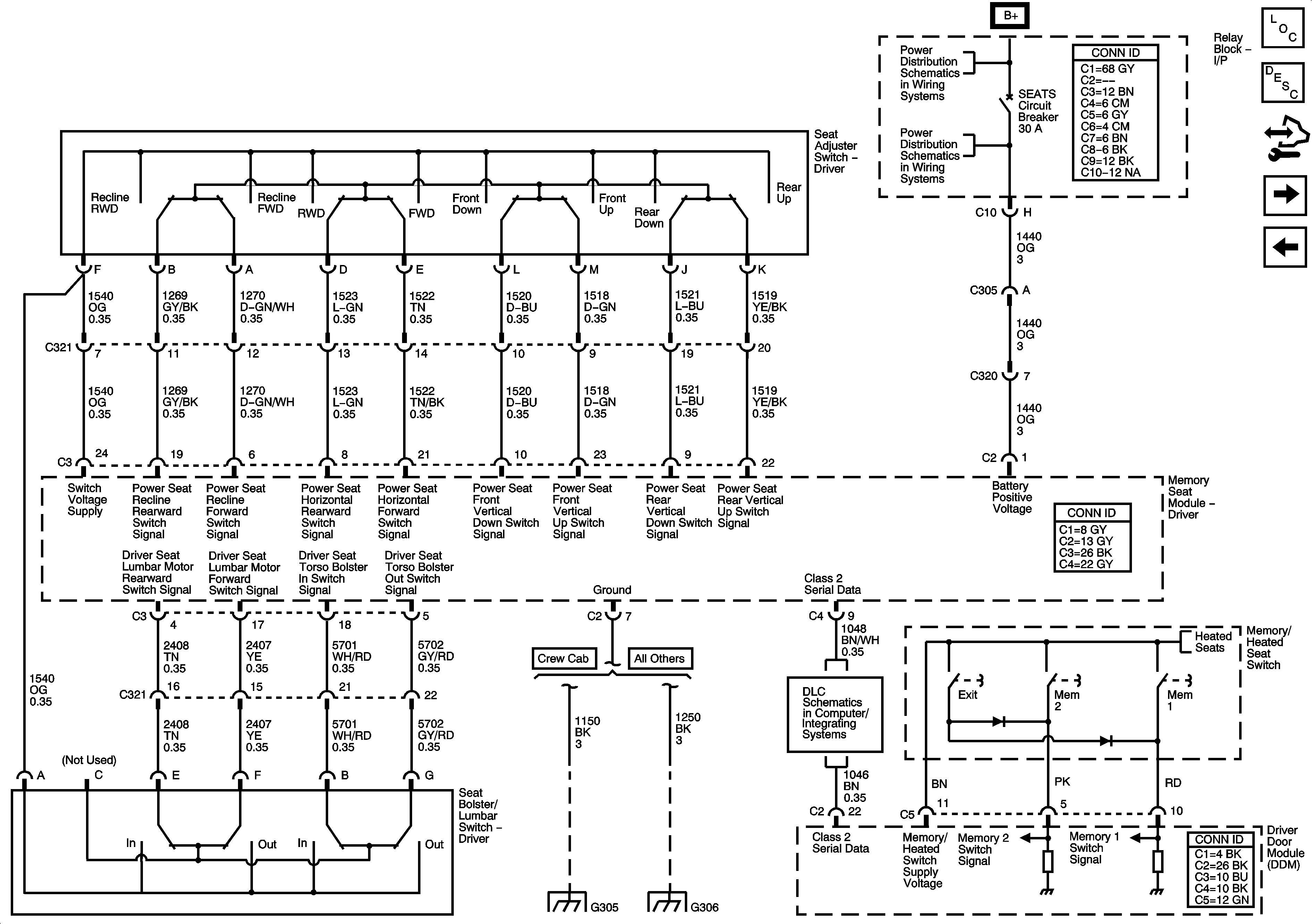
Figure 1:

Driver - 6-Way


Object Number: 1570546  Size: FS
Master Electrical Component List
Power Seats System Description and Operation
Control Module References
Power, Ground, Serial Data, and Seat Controls
ABS, AUX HTR PMP, ESCM, HCM-B, MBEC1, RTD, STUD 1, STUD 2, TRANS PUMP, and VSES/ECAS Fuses and RT DOOR and SEAT Circuit Breakers
ABS, AUX HTR PMP, ESCM, HCM-B, MBEC1, RTD, STUD 1, STUD 2, TRANS PUMP, and VSES/ECAS Fuses and RT DOOR and SEAT Circuit Breakers
G304, G305, G306, and G390
G304, G305, G306, and G390
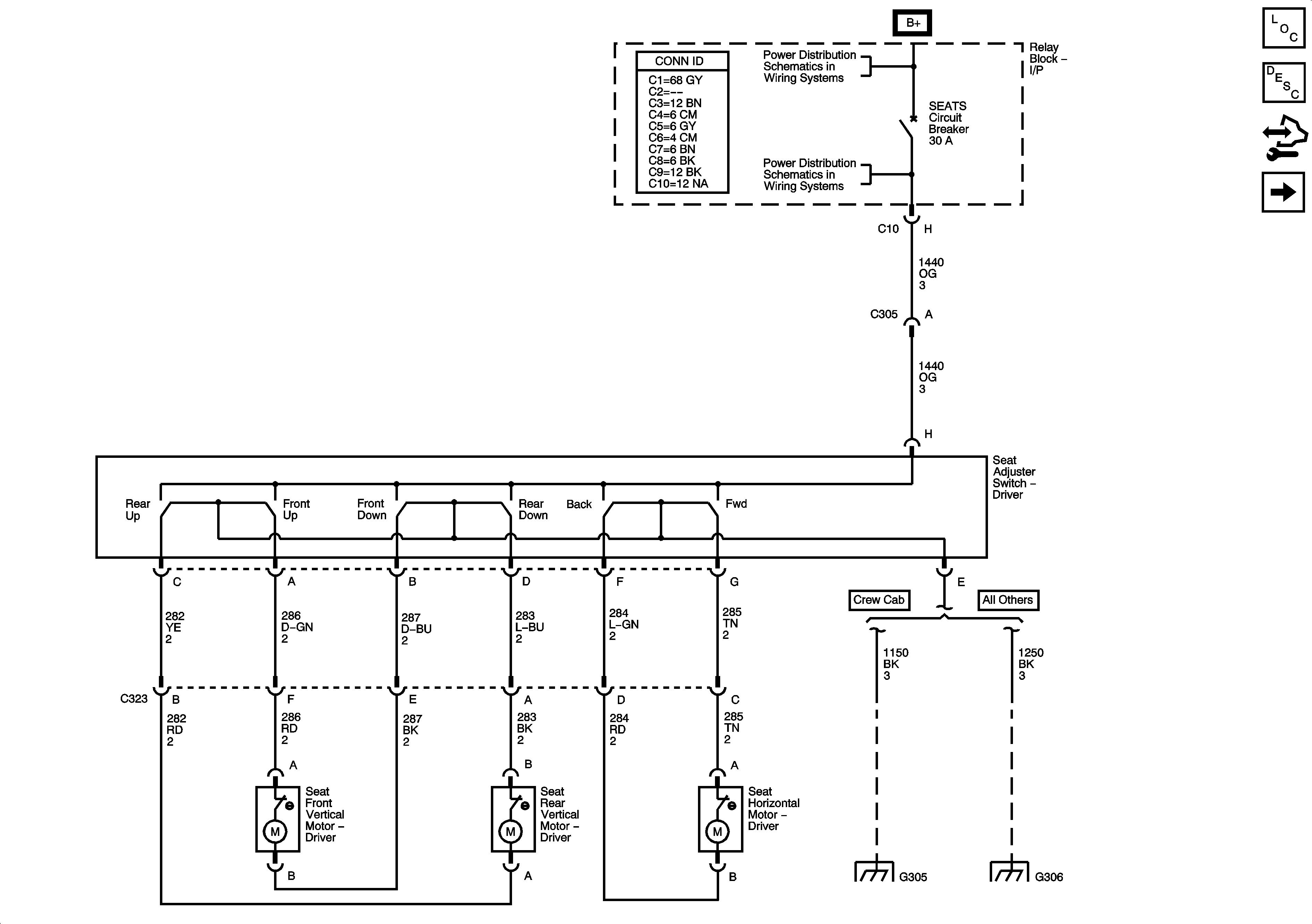
Figure 2:

Power, Ground, Serial Data, and Seat Controls


Object Number: 1570550  Size: FS
Master Electrical Component List
Memory Seats Description and Operation
Control Module References
Seat Motors and Position Sensors
Driver - 6-Way
ABS, AUX HTR PMP, ESCM, HCM-B, MBEC1, RTD, STUD 1, STUD 2, TRANS PUMP, and VSES/ECAS Fuses and RT DOOR and SEAT Circuit Breakers
ABS, AUX HTR PMP, ESCM, HCM-B, MBEC1, RTD, STUD 1, STUD 2, TRANS PUMP, and VSES/ECAS Fuses and RT DOOR and SEAT Circuit Breakers
G304, G305, G306, and G390
G304, G305, G306, and G390
Power, Ground, DLC, and Splice Pack SP205
Heated Seat Controls (AN3)
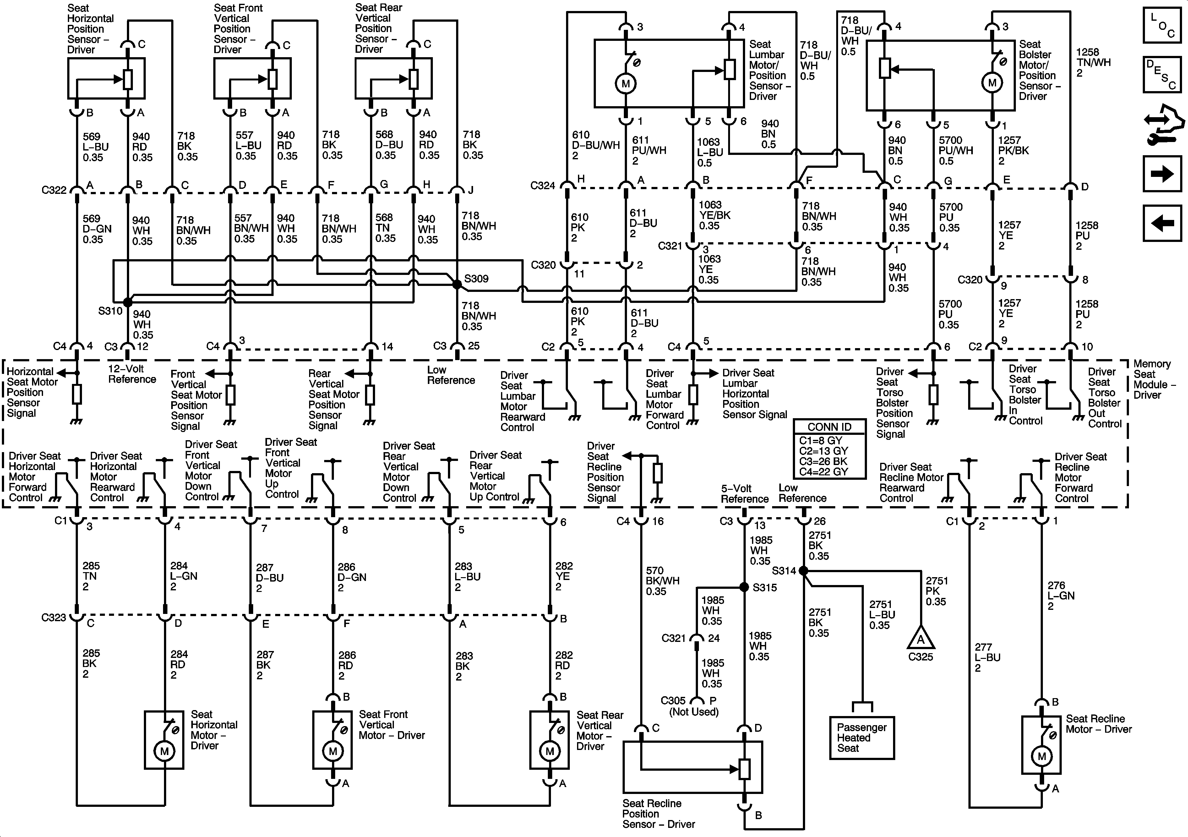
Figure 3:

Seat Motors and Position Sensors


Object Number: 1570552  Size: FS
Master Electrical Component List
Memory Seats Description and Operation
Control Module References
Heated Seat Controls (AN3)
Power, Ground, Serial Data, and Seat Controls
Heated Seat Controls (AN3)
Heated Seat Controls
Figure 4:

Heated Seat Controls (AN3)


Object Number: 1570553  Size: FS
Master Electrical Component List
Heated Seats Description and Operation
Control Module References
Seat Motors and Position Sensors
Power, Ground, Serial Data, and Seat Controls
G304, G305, G306, and G390
G304, G305, G306, and G390
Power, Ground, DLC, and Splice Pack SP205
Seat Motors and Position Sensors