GM Service Manual Online
For 1990-2009 cars only
Makes
🢒
Chevrolet
🢒
2006
🢒
Chevy C Silverado - 2WD
🢒
Vehicle Control Systems
🢒
Vehicle DTC Information
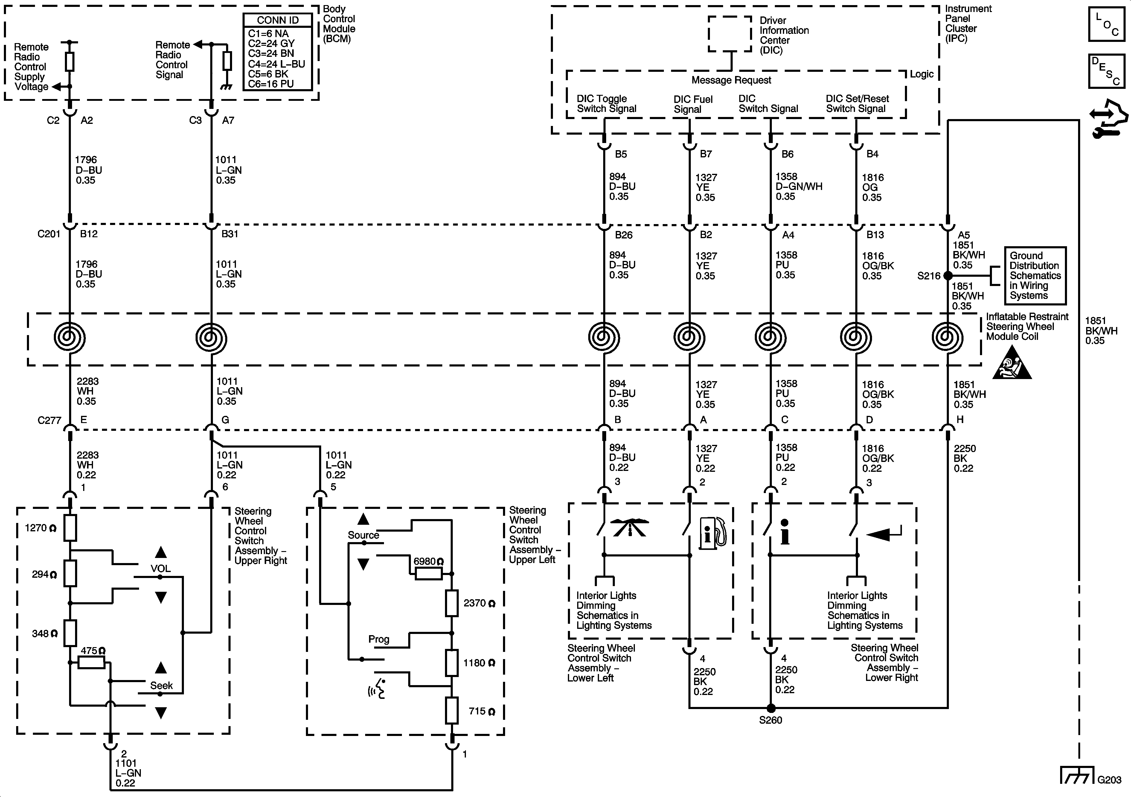
🢒 Steering Wheel Schematics
Master Electrical Component List
Steering Wheel Controls Description and Operation
Control Module References
G203 - 2 of 2
I/P Lamps Dimming Control Supply - 1 of 3
I/P Lamps Dimming Control Supply - 1 of 3
G203 - 1 of 2