GM Service Manual Online
For 1990-2009 cars only

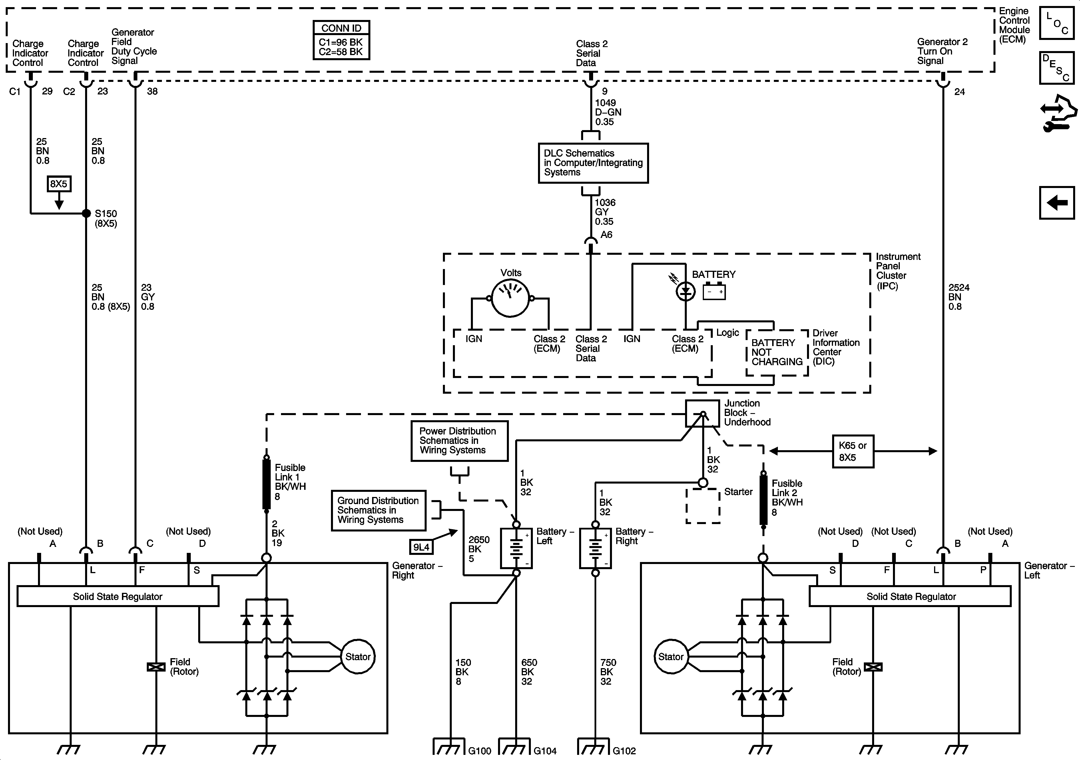
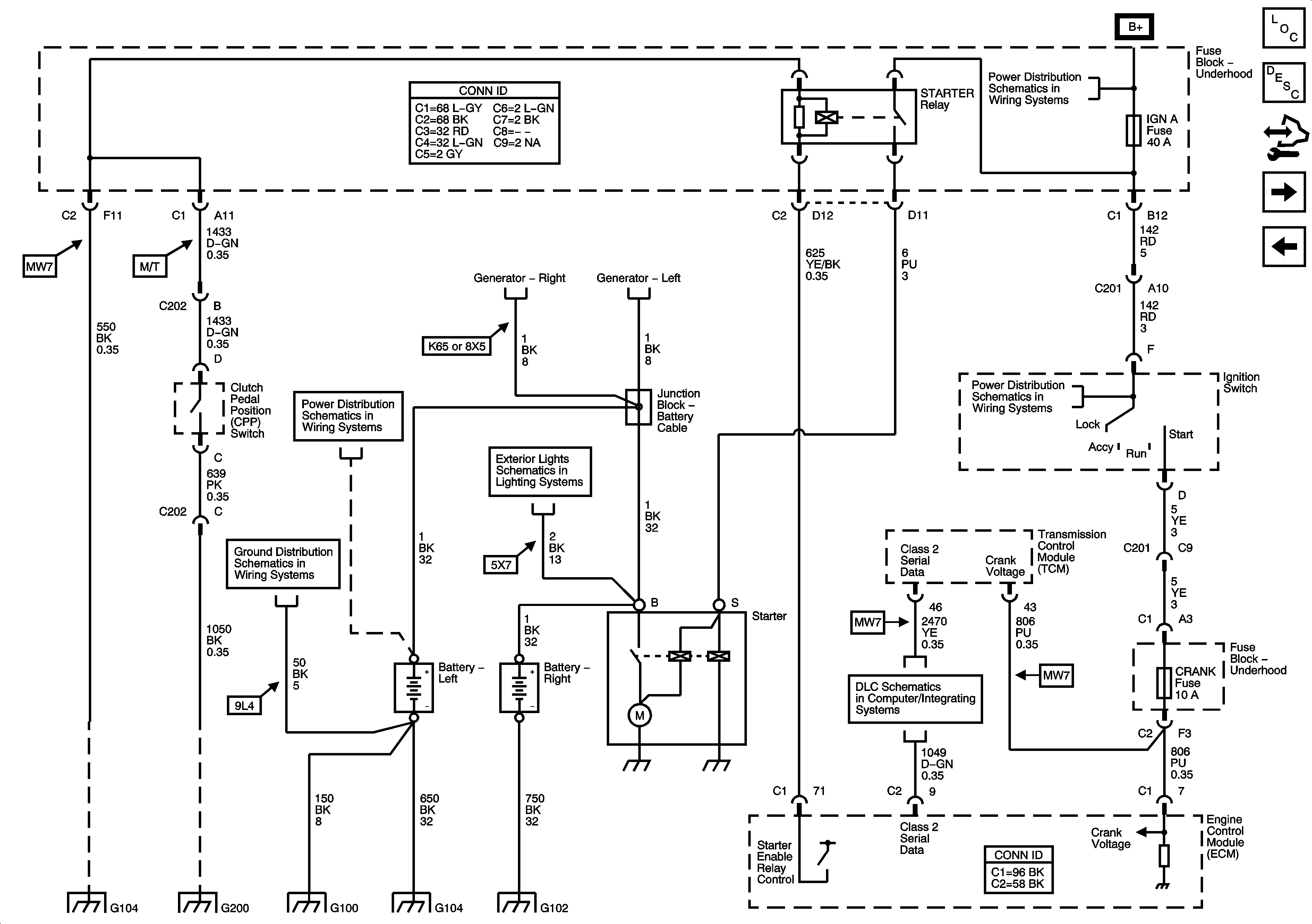
Starting and Charging Schematics Gas and Diesel

Figure 1:

Starting - Gas


Object Number: 1570383  Size: FS
Master Electrical Component List
Starting System Description and Operation
Control Module References
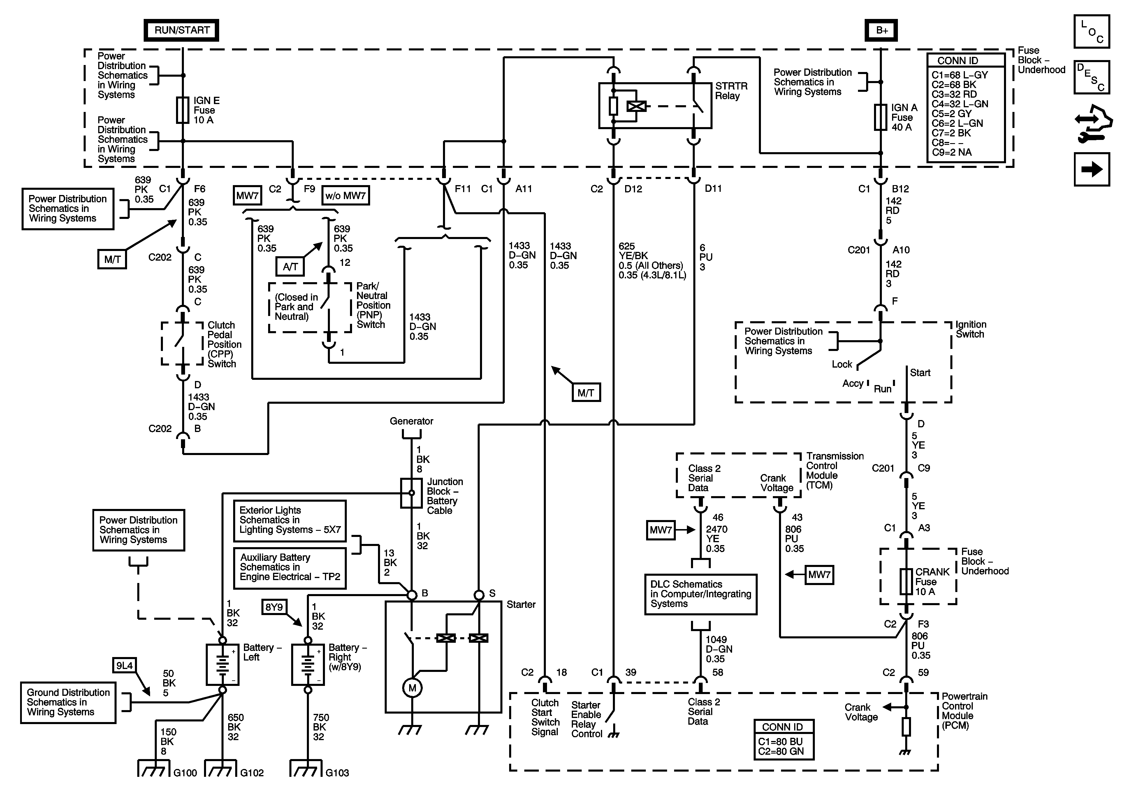
Starting - Diesel
B+ Bus Bar
Ignition Switch - START, RUN, and ACC/RUN/START BUS BARS, IGN A and CRNK Fuses
IGN E and AIRBAG Fuses
Battery Supply - 1 of 2
G100 and G102
Charging - 20/30 Series - Gas
Wrecker Lighting (5X7)
Auxiliary Battery Schematics
B+ Bus Bar
Ignition Switch - START, RUN, and ACC/RUN/START BUS BARS, IGN A and CRNK Fuses
Power, Ground, DLC, and Splice Pack SP205
Figure 2:

Starting - Diesel


Object Number: 1570384  Size: FS
Master Electrical Component List
Starting System Description and Operation
Control Module References
Charging - 20/30 Series - Gas
Starting - Gas
B+ Bus Bar
Charging - Diesel
Charging - Diesel
Battery Supply - 1 of 2
G100 and G102
Wrecker Lighting (5X7)
Ignition Switch - START, RUN, and ACC/RUN/START BUS BARS, IGN A and CRNK Fuses
Power, Ground, DLC, and Splice Pack SP205
G104, G107, and G110
G115 and G200 - 1 of 2
G100 and G102
G104, G107, and G110
G102, G103 and G108 - Diesel
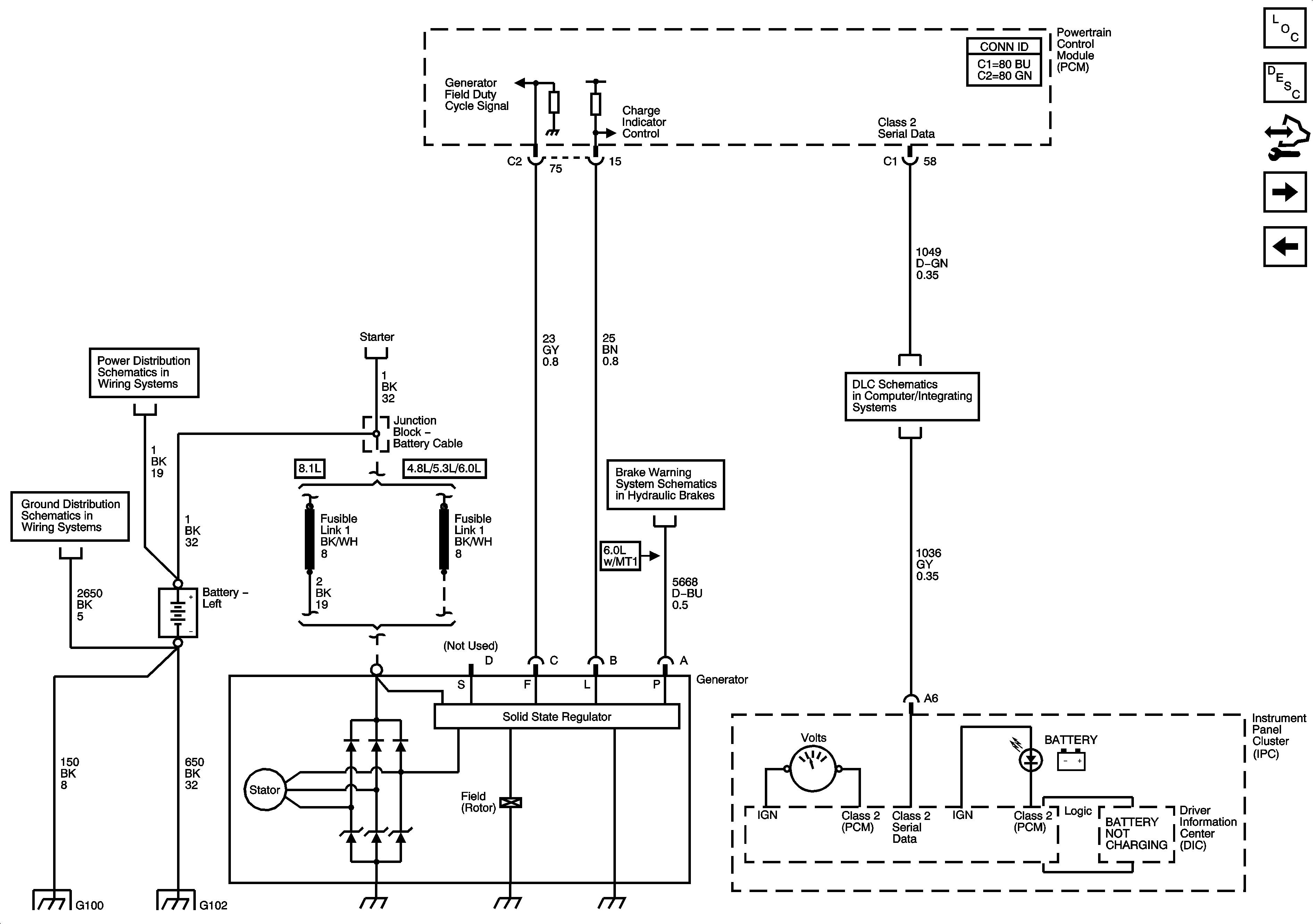
Figure 3:

Charging - 20/30 Series - Gas


Object Number: 1570386  Size: FS
Master Electrical Component List
Charging System Description and Operation (W/O Generator/Battery Control Module)
Control Module References
Charging - 10 Series except HP2 - Gas
Starting - Diesel
Power, Ground, DLC, and Splice Pack SP205
Battery Supply - 1 of 2
G100 and G102
Starting - Gas
Supplemental Brake Assist
G100 and G102
G100 and G102
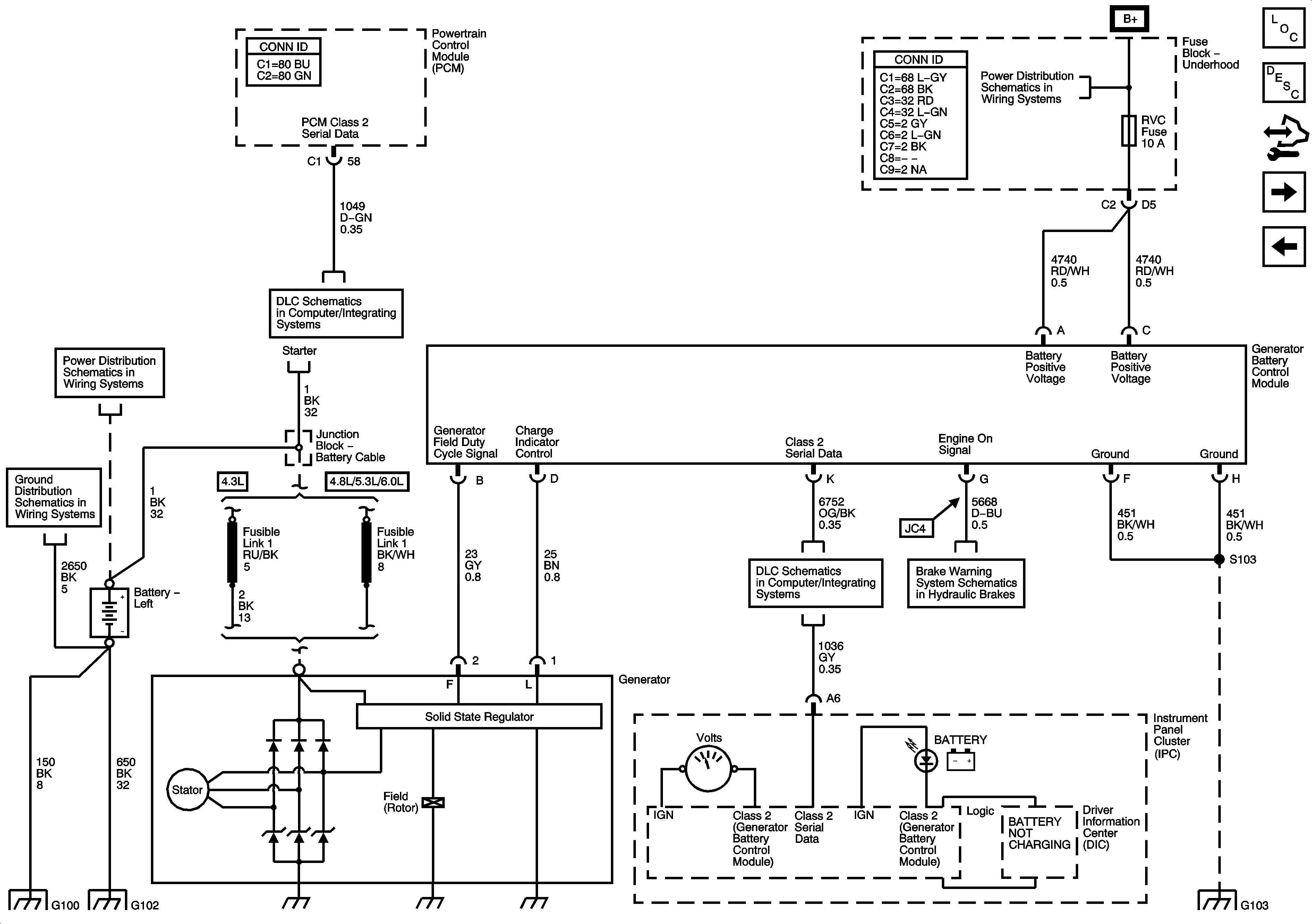
Figure 4:

Charging - 10 Series except HP2 - Gas


Object Number: 1570387  Size: FS
Master Electrical Component List
Charging System Description and Operation (Generator/Battery Control Module)
Control Module References
Charging - Diesel
Charging - 20/30 Series - Gas
Power, Ground, DLC, and Splice Pack SP205
Battery Supply - 1 of 2
Power, Ground, DLC, and Splice Pack SP205
Supplemental Brake Assist
G103 and G106 - Gas
G100 and G102
G100 and G102
B+ Bus Bar
G100 and G102
Figure 5:

Charging - Diesel


Object Number: 1570388  Size: FS
Master Electrical Component List
Charging System Description and Operation (W/O Generator/Battery Control Module)
Control Module References
Charging - 10 Series except HP2 - Gas
Power, Ground, DLC, and Splice Pack SP205
Battery Supply - 1 of 2
G100 and G102
G100 and G102
G104, G107, and G110
G102, G103 and G108 - Diesel

Starting and Charging Schematics HP2

Figure 1:

Power, Ground, and Serial Data, Hybrid Control Module and SGCM - 1 of 2


Object Number: 1570389  Size: FS
Master Electrical Component List
Starter/Generator Description and Operation
Control Module References
Power, Ground, Serial Data, and ESCM - 2 of 2
B+ Bus Bar
IGN 0, RR WPR, SEO ACCY, TBC ACCY, TBC IGN 0, and WS WPR Fuses
Ignition Switch - START, RUN, and ACC/RUN/START BUS BARS, IGN A and CRNK Fuses
Power, Ground, Serial Data, and ESCM - 2 of 2
ABS, AUX HTR PMP, ESCM, HCM-B, MBEC1, RTD, STUD 1, STUD 2, TRANS PUMP, and VSES/ECAS Fuses and RT DOOR and SEAT Circuit Breakers
ABS, AUX HTR PMP, ESCM, HCM-B, MBEC1, RTD, STUD 1, STUD 2, TRANS PUMP, and VSES/ECAS Fuses and RT DOOR and SEAT Circuit Breakers
Power, Ground, Serial Data, and ESCM - 2 of 2
Power, Ground, Serial Data, and ESCM - 2 of 2
IGN 0, RR WPR, SEO ACCY, TBC ACCY, TBC IGN 0, and WS WPR Fuses
G103 and G106 - Gas
High Speed GMLAN (HP2)
Power, Ground, DLC, and Splice Pack SP205
High Speed GMLAN (HP2)
Figure 2:

Power, Ground, Serial Data, and ESCM - 2 of 2


Object Number: 1570390  Size: FS
Master Electrical Component List
Starter/Generator Description and Operation
Control Module References
Starting - 1 of 2, and Engine Speed Signal
Power, Ground, and Serial Data, Hybrid Control Module and SGCM - 1 of 2
Power, Ground, and Serial Data, Hybrid Control Module and SGCM - 1 of 2
Power, Ground, and Serial Data, Hybrid Control Module and SGCM - 1 of 2
Power, Ground, and Serial Data, Hybrid Control Module and SGCM - 1 of 2
High Speed GMLAN (HP2)
Figure 3:

Starting - 1 of 2, and Engine Speed Signal


Object Number: 1570391  Size: FS
Master Electrical Component List
Starter/Generator Description and Operation
Control Module References
Starting - 2 of 2, and Energy Storage
Power, Ground, Serial Data, and ESCM - 2 of 2
B+ Bus Bar
Ignition Switch - START, RUN, and ACC/RUN/START BUS BARS, IGN A and CRNK Fuses
Battery Supply - 1 of 2
Ignition Switch - START, RUN, and ACC/RUN/START BUS BARS, IGN A and CRNK Fuses
G100 and G102
G100 and G102
Gages, Vehicle Speed Signal, Engine Oil Pressure, and Fuel Level Sensors
High Speed GMLAN (HP2)
COOL PMP, HYBRID O2A, HYBRID O2B, IGN B, and PWR MAINT Fuses
COOL PMP, HYBRID O2A, HYBRID O2B, IGN B, and PWR MAINT Fuses
COOL PMP, HYBRID O2A, HYBRID O2B, IGN B, and PWR MAINT Fuses
B+ Bus Bar
Ignition Switch - ACC/RUN and RUN/START BUS BARS and IGN B Fuse
Ignition Switch - ACC/RUN and RUN/START BUS BARS and IGN B Fuse
Figure 4:

Starting - 2 of 2, and Engine Storage


Object Number: 1570393  Size: FS
Master Electrical Component List
Starter/Generator Description and Operation
Control Module References
Controlled/Monitored Subsystem References
Starting - 1 of 2, and Engine Speed Signal
Battery Supply - 2 of 2
G120, G121, G122, G310, G311, and G405 (HP2)
G120, G121, G122, G310, G311, and G405 (HP2)
Figure 5:

Controlled/Monitored Subsystem References


Object Number: 1570395  Size: FS
Master Electrical Component List
Starter/Generator Description and Operation
Control Module References
Starting - 2 of 2, and Energy Storage
120-volt AC Outlets (HP2) - 2 of 2
HP2
HP2
120-volt AC Outlets (HP2) - 2 of 2