GM Service Manual Online
For 1990-2009 cars only
Makes
🢒
Chevrolet
🢒
2006
🢒
Chevy C Silverado - 2WD
🢒
Vehicle Control Systems
🢒
Vehicle DTC Information
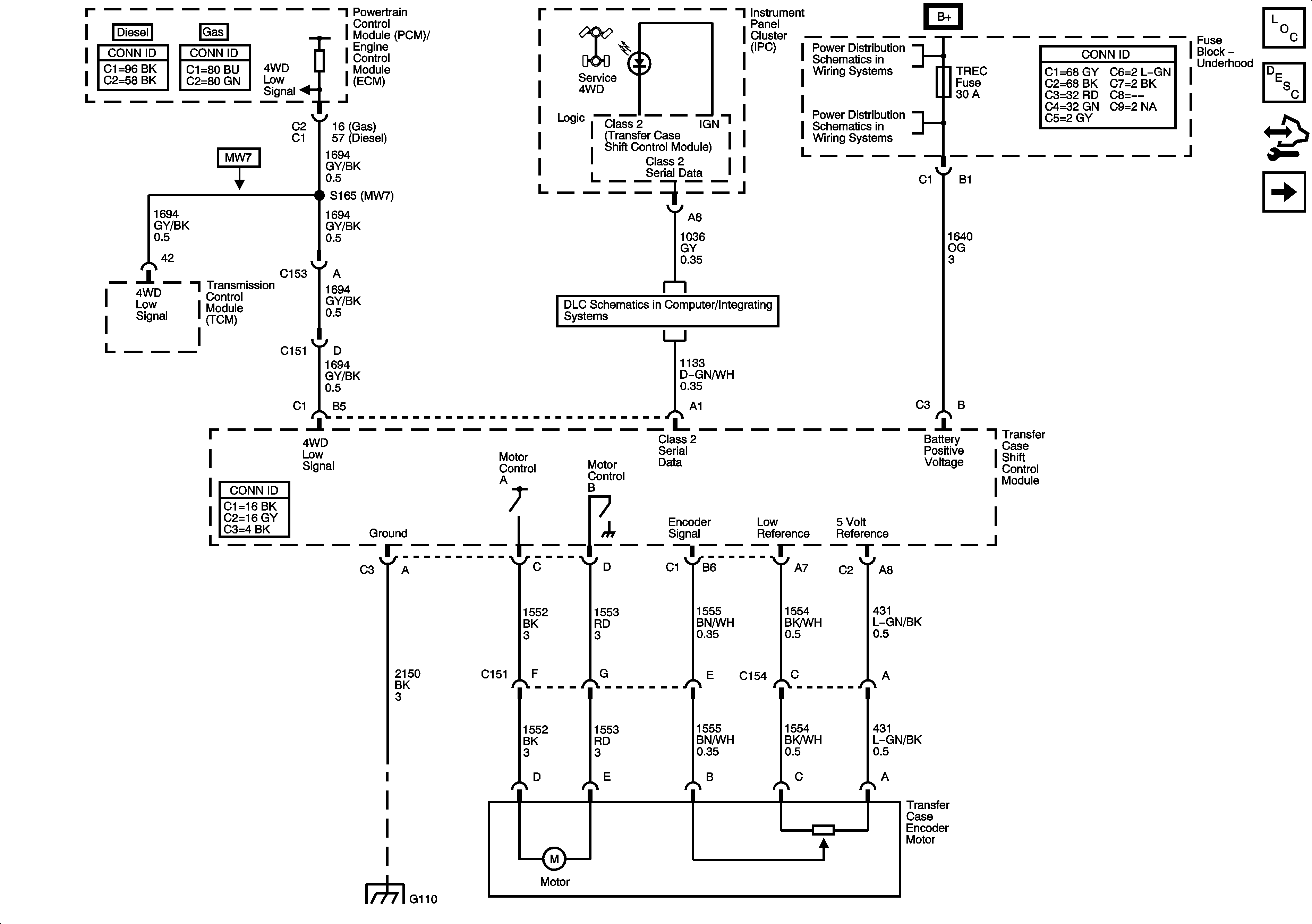
🢒 Transfer Case Control Schematics
Figure
1:
Power, Ground, Serial Data, and Transfer Case Encoder Motor
Master Electrical Component List
Transfer Case Description and Operation
Control Module References
Front Axle Actuator and Switch Controls
B+ Bus Bar
4WS, RR WPR, STOP LP, TREC, VEH STOP, and VEH CHMSL Fuses
Power, Ground, DLC, and Splice Pack SP205
G104, G107, and G110
Figure
2:
Front Axle Actuator and Switch Controls
Master Electrical Component List
Transfer Case Description and Operation
Control Module References
Power, Ground, Serial Data, and Transfer Case Encoder Motor
LED Dimming Supply - 2 of 2
Ignition Switch - START, RUN, and ACC/RUN/START BUS BARS, IGN A and CRNK Fuses
G203 - 1 of 2
G104, G107, and G110