| Figure 1: |
Battery Supply 1 of 2
|
| Figure 2: |
Battery Supply 2of 2
|
| Figure 3: |
B+ Bus Bar
|
| Figure 4: |
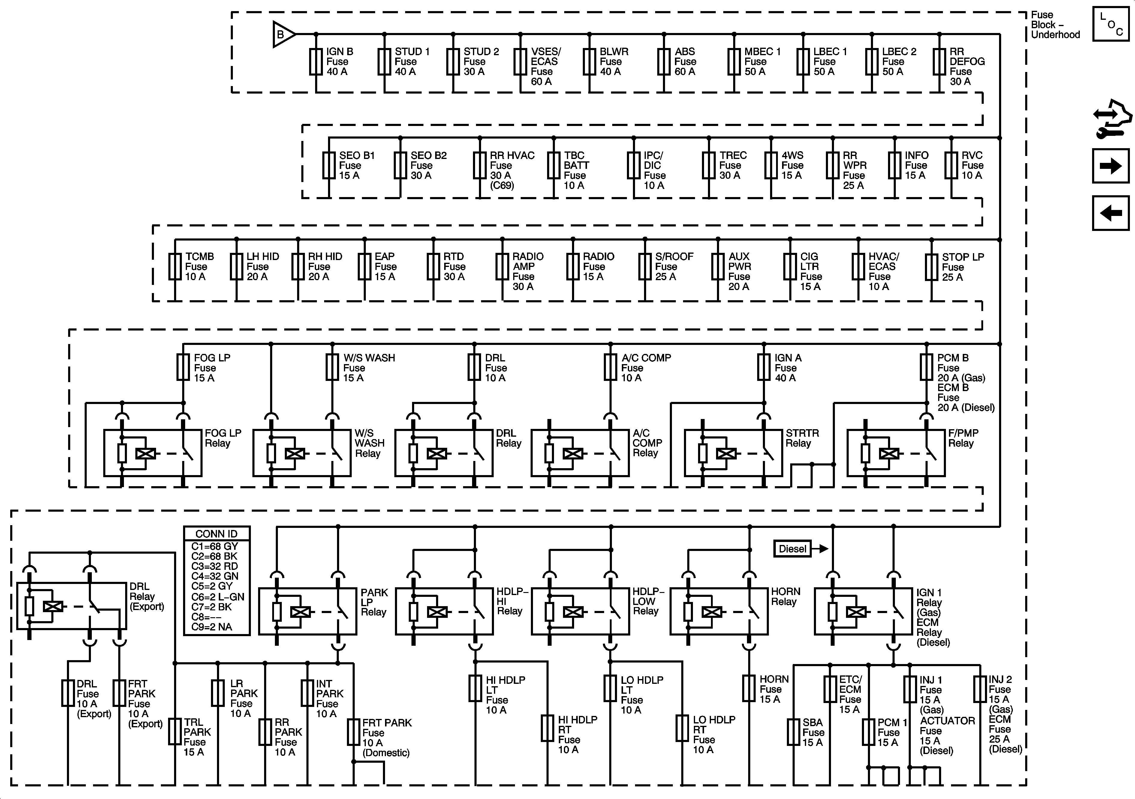
ABS, AUX HTR PMP, ESCM, HCM-B, MBEC1, RTD, STUD 1, STUD 2, TRANS PCMP, VSES/ECAS Fuses and RT DOOR, SEAT Circuit Breakers
|
| Figure 5: |
4WS, RR WPR, STOP LP, TREC, VEH STOP, and VEH CHMSL Fuses
|
| Figure 6: |
IPC/DIC, LH HID, RH HID, SEO B1, SEO B2, and TBC BATT Fuses
|
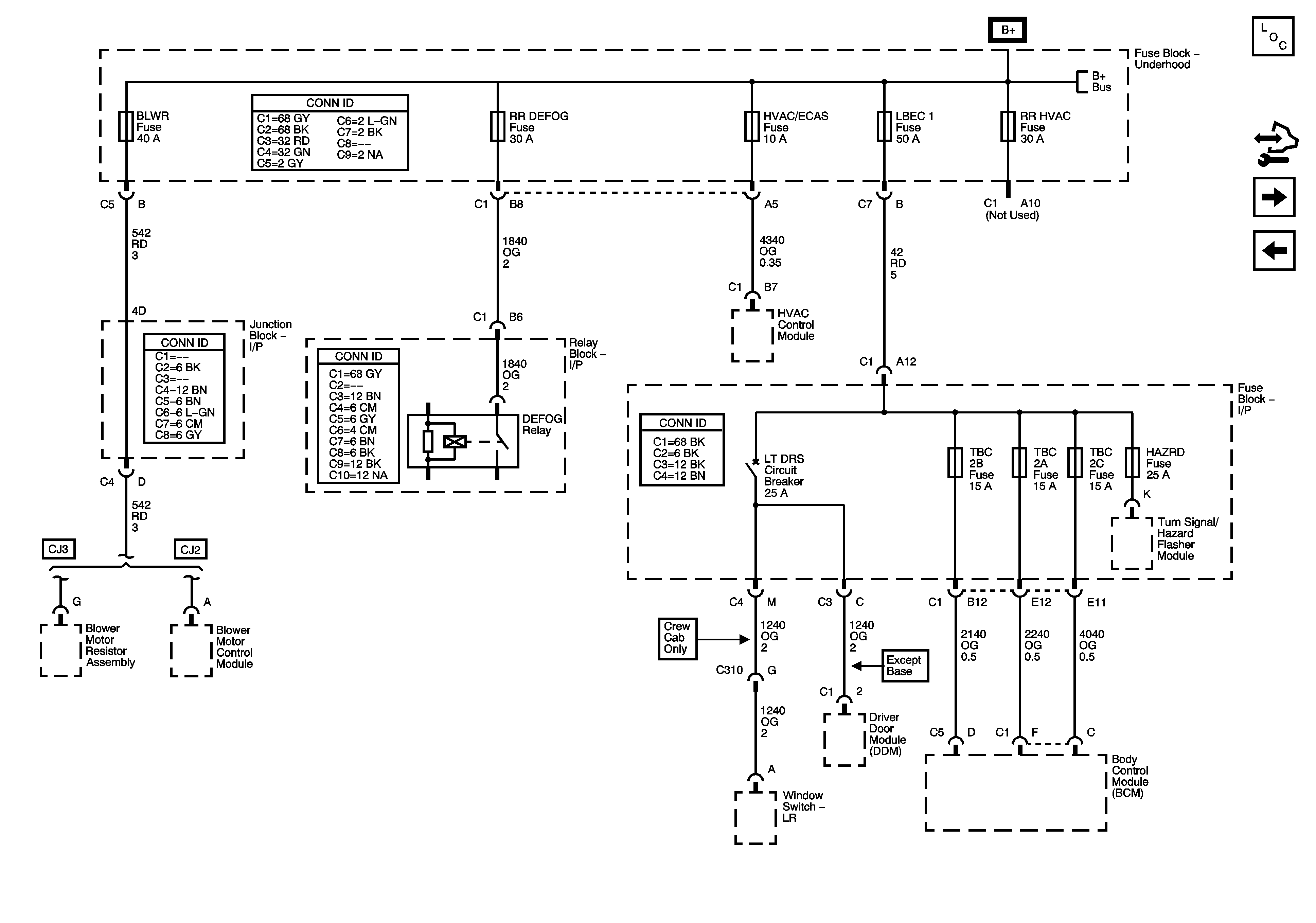
| Figure 7: |
BLWR, HAZRD, HVAC/ECAS, LBEC 1, RR DEFOG, RR HVAC, TBC 2A, TBC 2B, and TBC 2C Fuses and LT DRS Circuit Breaker
|
| Figure 8: |
CIG LTR, EAP, INFO, and RVC Fuses
|
| Figure 9: |
RADIO, RADIO/AMP, and S/ROOF Fuses
|
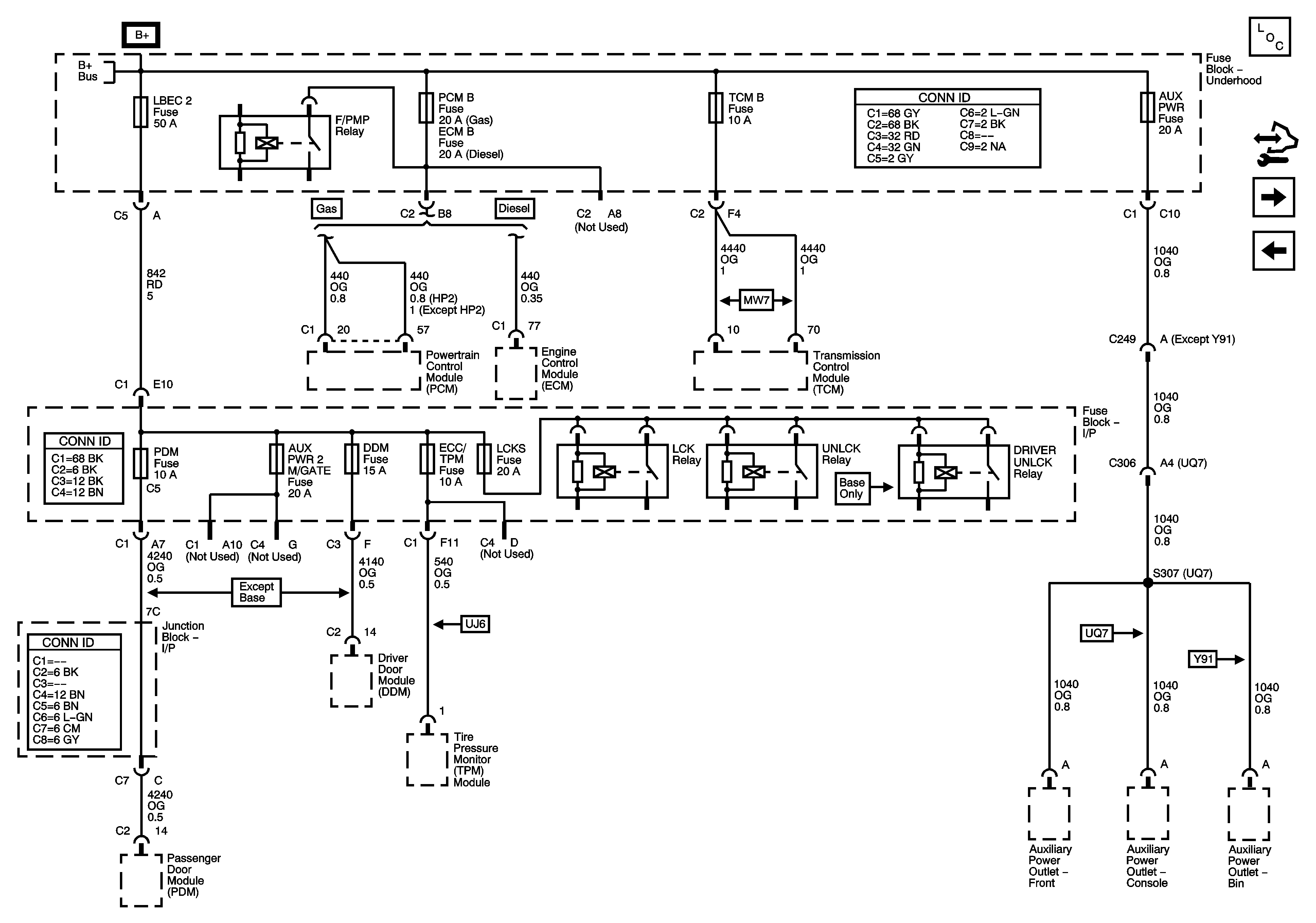
| Figure 10: |
AUX PWR, AUX PWR 2, DDM, ECC/TCM, ECM B, LBEC 2, LCKS, PCM B, PDM and TCM B Fuses
|
| Figure 11: |
Ignition Switch - START, RUN, and ACC/RUN/START BUS BARS, IGN A, and CRNK Fuses
|
| Figure 12: |
Ignition Switch - ACC/RUN and RUN/START BUS BARS and IGN B Fuse
|
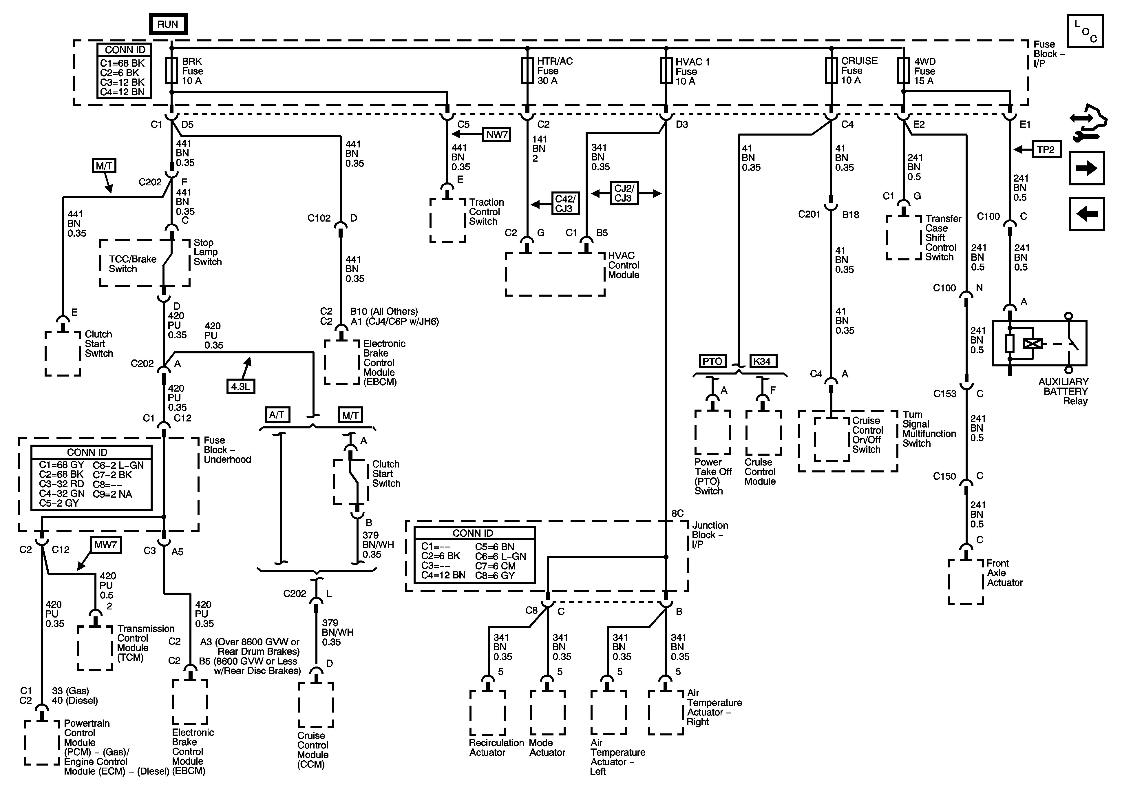
| Figure 13: |
4WD, BRK, CRUISE, HTR/AC and HVAC 1 Fuses
|
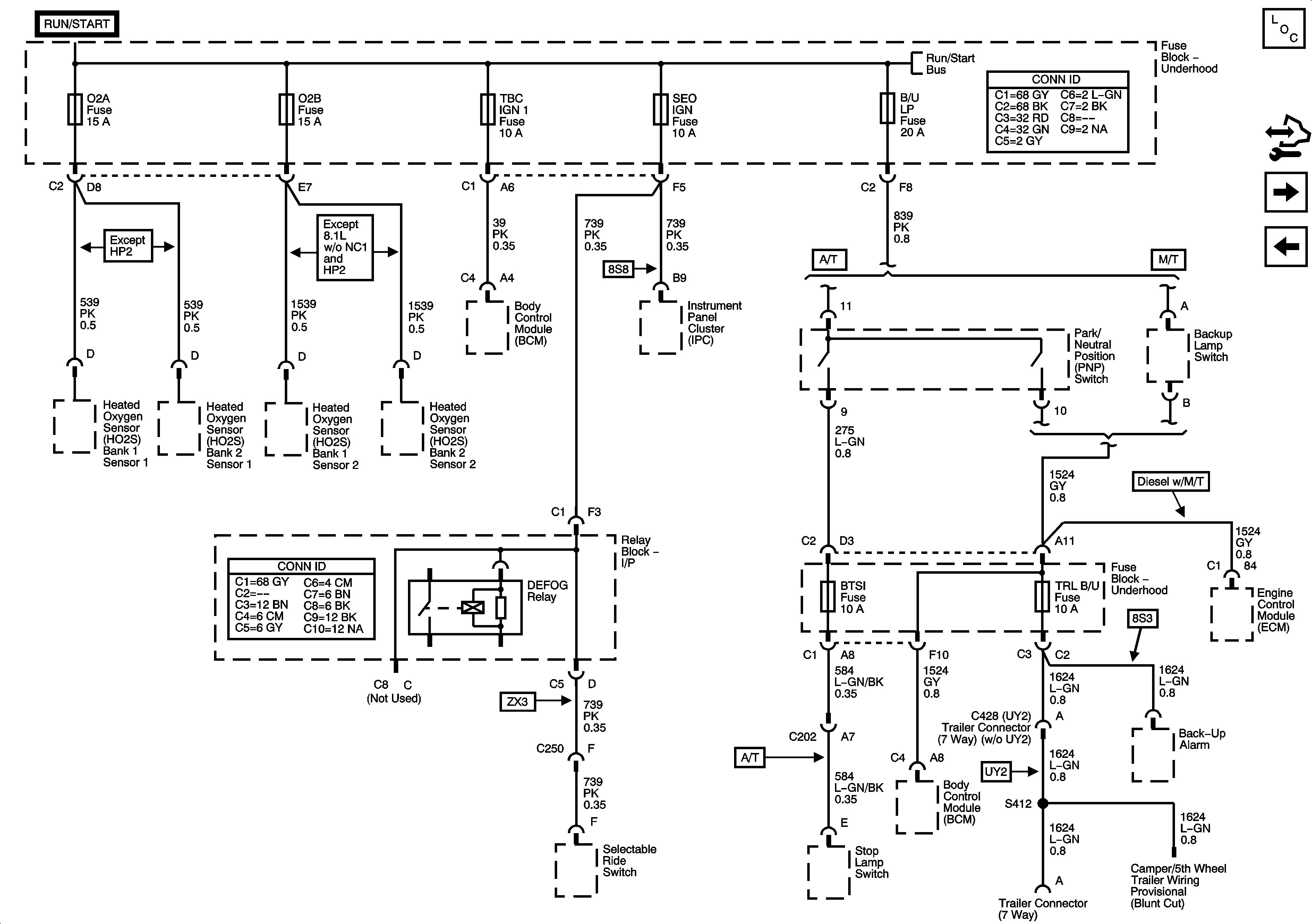
| Figure 14: |
B/U LP, BTSI, O2A, O2B, SEO IGN, TBC IGN 1, and TRL B/U Fuses
|
| Figure 15: |
IGN E and AIR BAG Fuses
|
| Figure 16: |
ECM 1, EHPS-I, FUEL HTR and HCM-I Fuses
|
| Figure 17: |
IGN 0, RR WPR, SEO ACCY, TBC ACCY, TBC IGN 0, and WS WPR Fuses
|
| Figure 18: |
COOL PMP, HYBRID O2A, HYBRID O2B, IGN B, and PWR MAINT Fuses
|
| Figure 19: |
LT TRLR/ST/TRN, LT TRN, RT TRLR ST/TRN, and RT TRN Fuses
|
| Figure 20: |
ETC/ECM, INJ 1, INJ 2, PCM 1, and SBA Fuses - Gas
|
| Figure 21: |
INJ 1 and INJ 2 Fuses - 8.1L
|
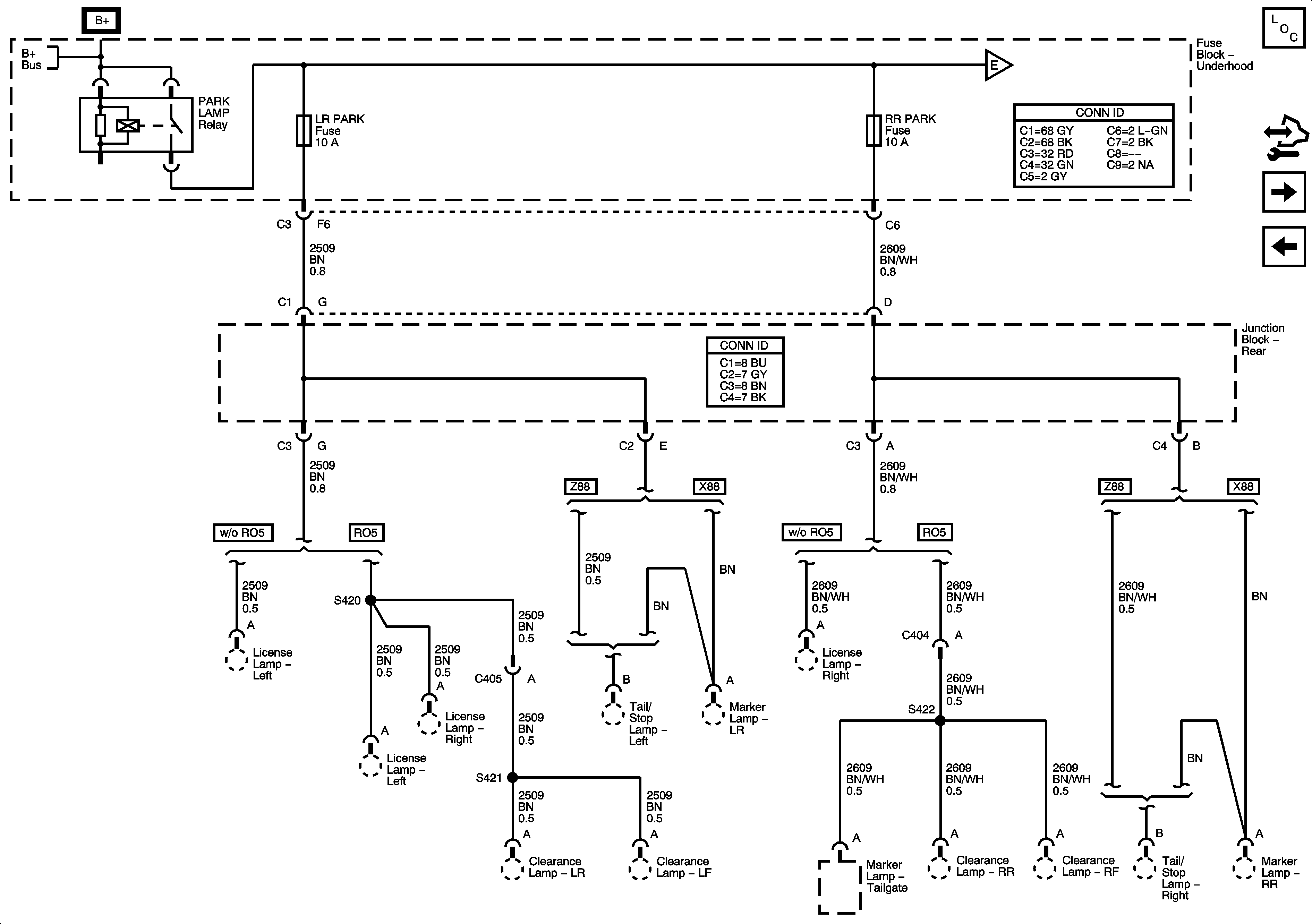
| Figure 22: |
LR PARK and RR PARK Fuses
|
| Figure 23: |
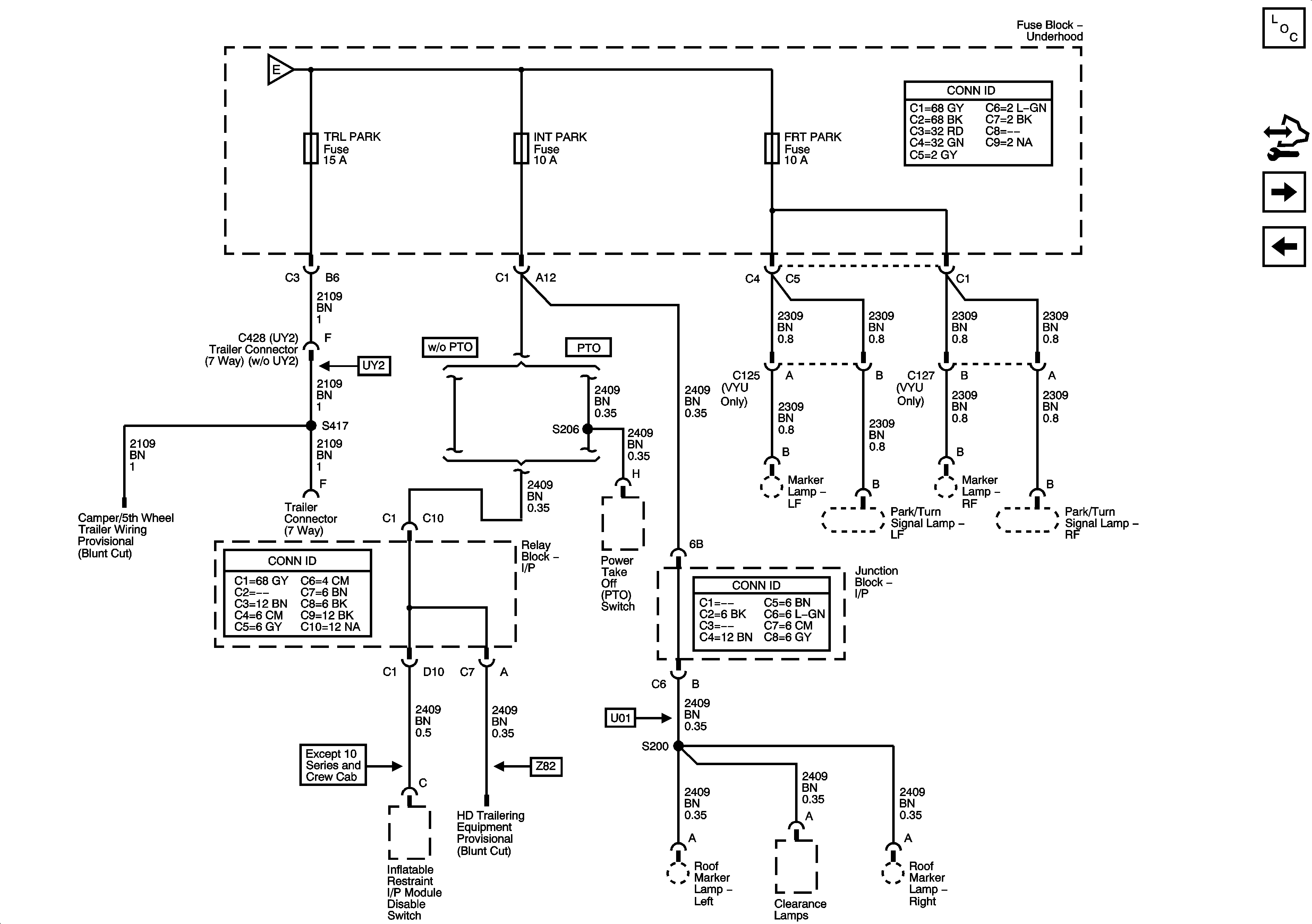
FRT PARK, INT PARK, and TRL PARK Fuses
|
| Figure 24: |
HI HDLP LT, HI HDLP RT, HORN, LO HDLP LT, and LO HDLP RT Fuses
|
| Figure 25: |
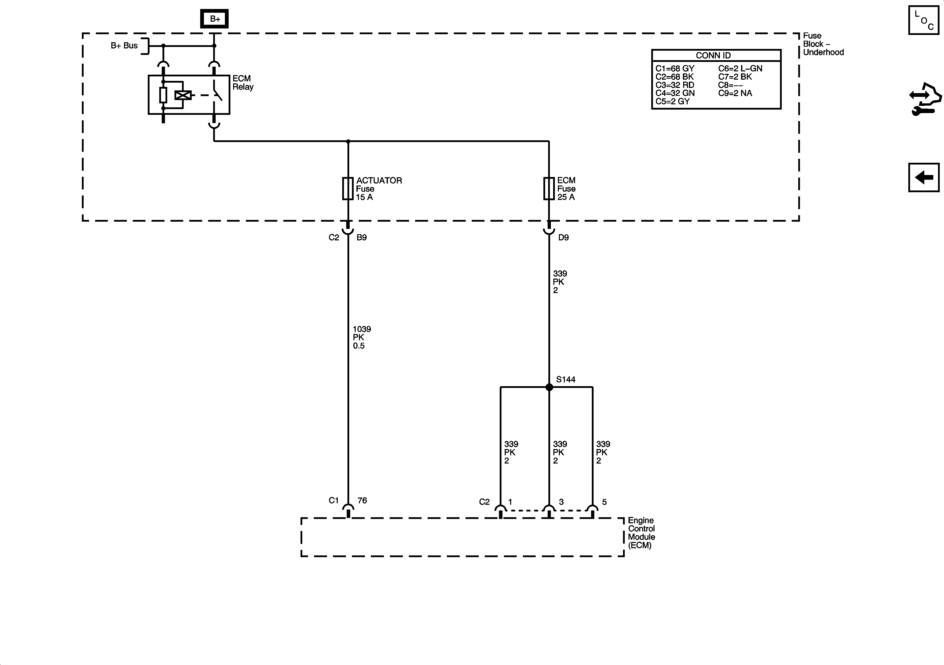
ACTUATOR and ECM Fuses - Diesel
|