GM Service Manual Online
For 1990-2009 cars only
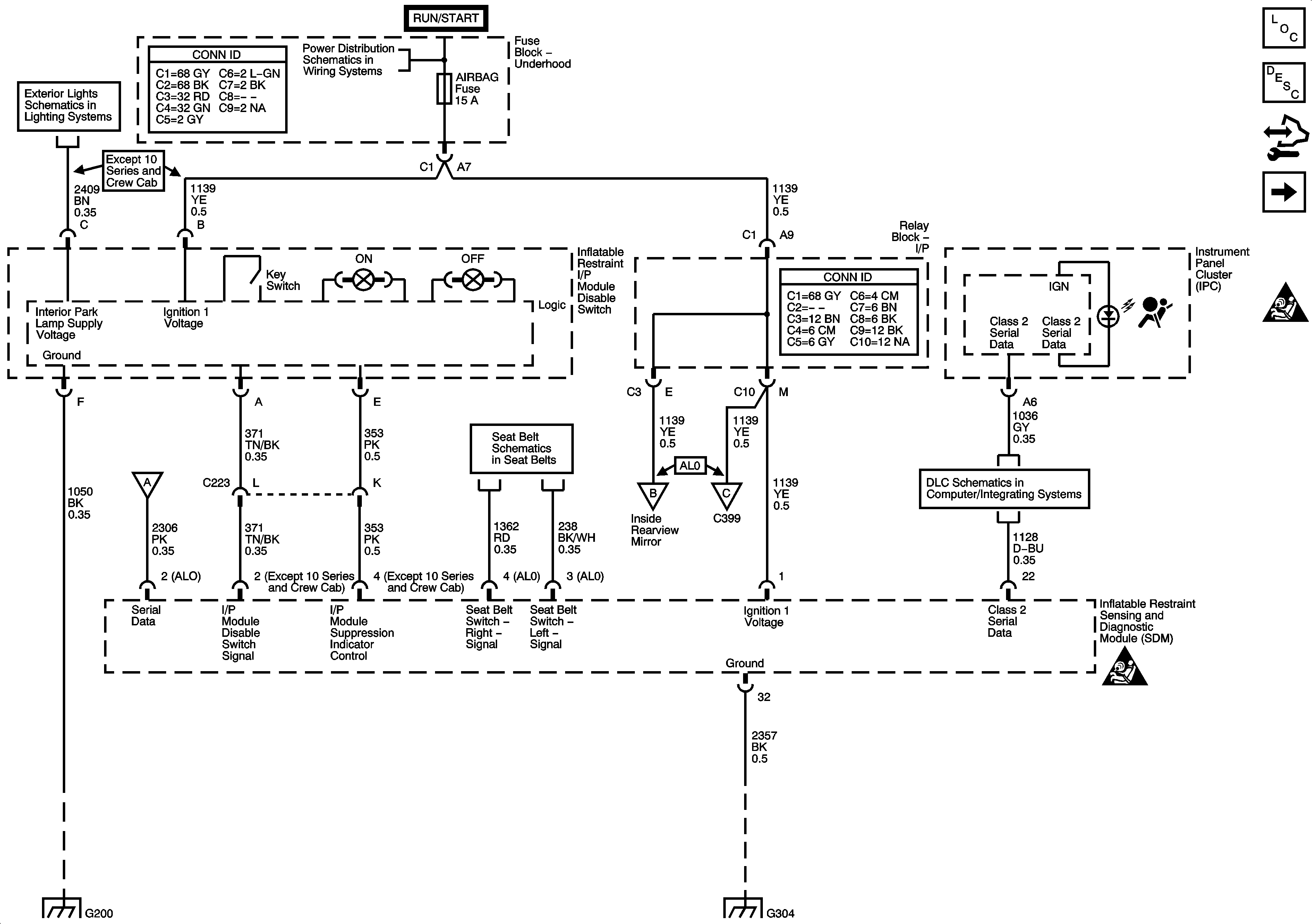
Figure 1:

Power, Ground, Serial Data, and Disabale Switch


Object Number: 1570573  Size: FS
Master Electrical Component List
SIR System Description and Operation
Control Module References
Passenger Presence System (PPS) (AL0)
SIR Caution for Zoning
Interior Park
Ignition Switch - ACC/RUN and RUN/START BUS BARS and IGN B Fuse
Passenger Presence System (PPS) (AL0)
G115 and G200 - 1 of 2
Seat Belts
Passenger Presence System (PPS) (AL0)
Passenger Presence System (PPS) (AL0)
G304, G305, G306, and G390
SIR Caution for Zoning
Power, Ground, DLC, and Splice Pack SP205
Figure 2:

Passenger Presence System (PPS) (ALO)


Object Number: 1570575  Size: FS
Master Electrical Component List
SIR System Description and Operation
Control Module References
Driver and Passenger Air Bag
Power, Ground, Serial Data, and Disable Switch
SIR Caution for Zoning
Power, Ground, Serial Data, and Disable Switch
Inside Rearview Mirror (ISRVM)
Power, Ground, Serial Data, and Disable Switch
Power, Ground, Serial Data, and Disable Switch
G304, G305, G306, and G390
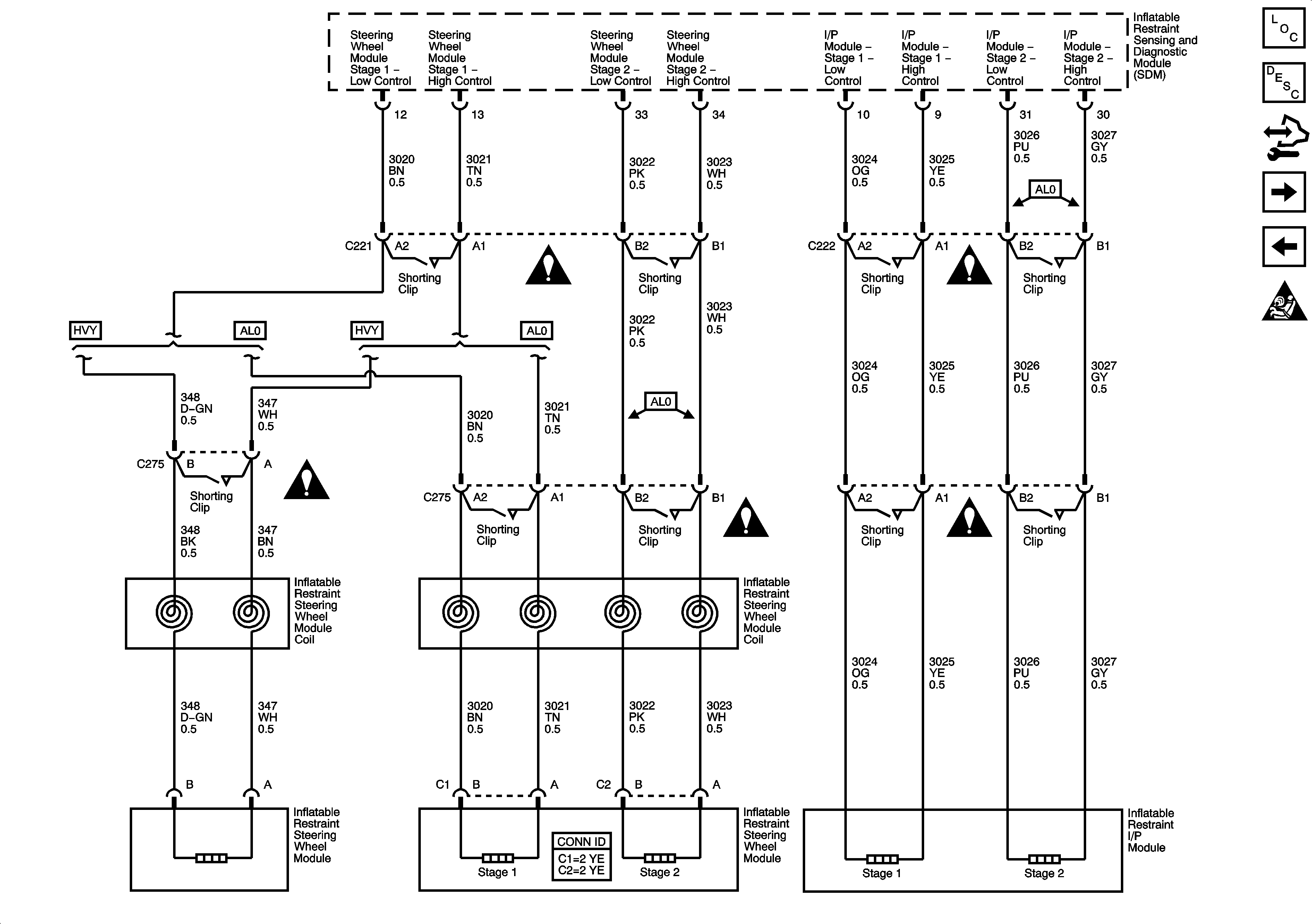
Figure 3:

Driver and Passenger Air Bags


Object Number: 1570577  Size: FS
Master Electrical Component List
SIR System Description and Operation
Control Module References
Front End and Side Impact Sensors and Seat Position Switches
Passenger Presence System (PPS) (AL0)
SIR Caution for Zoning
SIR Schematic Icons
SIR Schematic Icons
SIR Schematic Icons
SIR Schematic Icons
SIR Schematic Icons
Figure 4:

Front End and Side Impact Sensors and Seat Position Switches


Object Number: 1570580  Size: FS
Master Electrical Component List
SIR System Description and Operation
Control Module References
Driver and Passenger Air Bag
SIR Caution for Zoning
SIR Schematic Icons
SIR Schematic Icons
SIR Schematic Icons
Seat Belts
SIR Schematic Icons
SIR Schematic Icons
SIR Schematic Icons