GM Service Manual Online
For 1990-2009 cars only
Makes
🢒
Chevrolet
🢒
2006
🢒
Chevy C Silverado - 2WD
🢒
Body
🢒
Lighting Systems
🢒 Headlights/Daytime Running Lights (DRL) Schematics
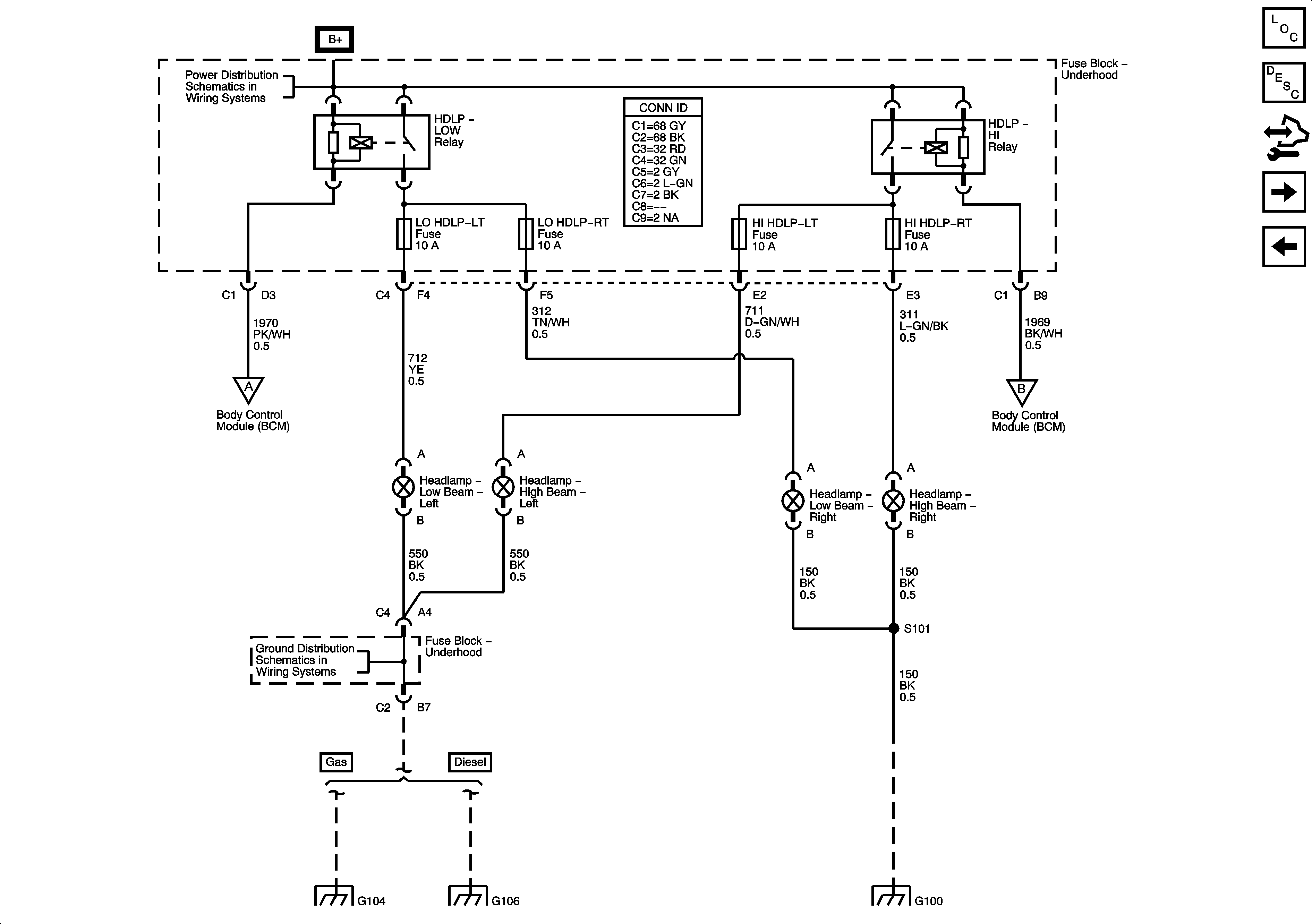
Figure
1:
Headlights/DRL Control
Master Electrical Component List
Exterior Lighting Systems Description and Operation
Control Module References
Headlights
G203 - 2 of 2
G203 - 2 of 2
G203 - 2 of 2
G203 - 1 of 2
G203 - 2 of 2
Headlights
Headlights
Air Temperature Actuator - Left and Right
Figure
2:
Headlights
Master Electrical Component List
Exterior Lighting Systems Description and Operation
Control Module References
Daytime Running Lamps (DRL)
Headlights/DRL Control
B+ Bus Bar
Headlights/DRL Control
G104, G107, and G110
G104, G107, and G110
Headlights/DRL Control
G100 and G102
Figure
3:
Daytime Running Lamps (DRL)
Master Electrical Component List
Exterior Lighting Systems Description and Operation
Control Module References
Headlights
B+ Bus Bar
G100 and G102
G100 and G102