GM Service Manual Online
For 1990-2009 cars only
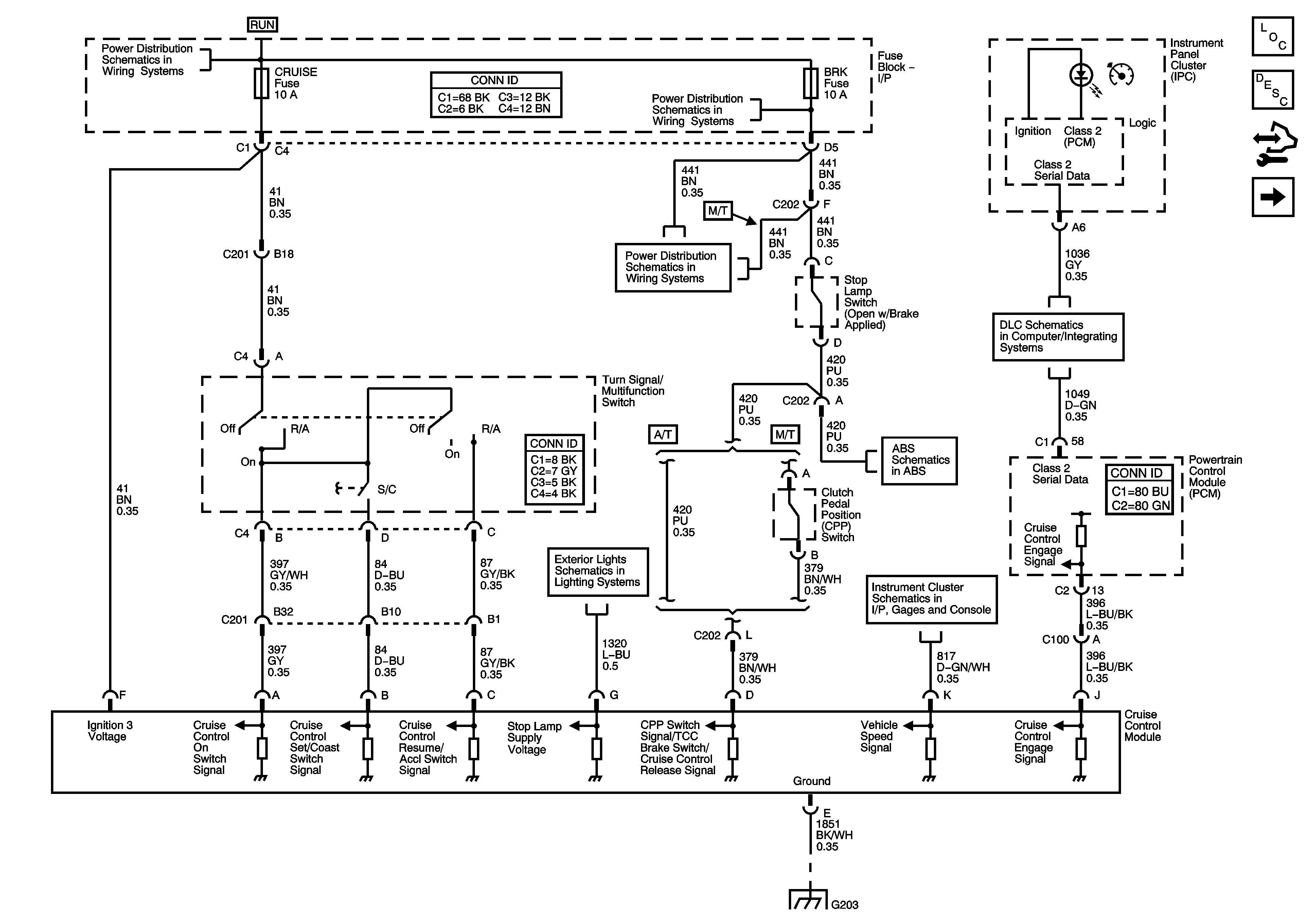
Figure 1:

4.3L


Object Number: 1570582  Size: FS
Master Electrical Component List
Cruise Control Description and Operation (4.3L)
Control Module References
4.8L, 5.3L, 6.0L, and 8.1L
Ignition Switch - START, RUN, and ACC/RUN/START BUS BARS, IGN A and CRNK Fuses
4WD, BRK, CRUISE, HTR/AC and HVAC 1 Fuses
Manual Transmission - NV3500
Stop Lamps
Power, Ground, DLC, and Splice Pack SP205
Power, Ground, Serial Data, Indicator, and Stop Lamp Switch - 8600 GVW or less w/Rear Disc Brakes
Gages, Vehicle Speed Signal, Engine Oil Pressure, and Fuel Level Sensors
G203 - 1 of 2
Figure 2:

4.8L, 5.3L, 6.0L, and 8.1L


Object Number: 1570585  Size: FS
Master Electrical Component List
Cruise Control Description and Operation (4.8L, 5.3L, 6.0L, and 8.1L)
Control Module References
Diesel
4.3L
Ignition Switch - START, RUN, and ACC/RUN/START BUS BARS, IGN A and CRNK Fuses
Power Take Off
4WD, BRK, CRUISE, HTR/AC and HVAC 1 Fuses
Manual Transmission - NV3500
Stop Lamps
Manual Transmission - NV3500
Power, Ground, Serial Data, Indicator, and Stop Lamp Switch - Greater than 8600 GVW or w/Rear Drum Brakes
Power, Ground, Serial Data, Indicator, and Stop Lamp Switch - 8600 GVW or less w/Rear Disc Brakes
Gages, Vehicle Speed Signal, Engine Oil Pressure, and Fuel Level Sensors
Power, Ground, DLC, and Splice Pack SP205
Figure 3:

Diesel


Object Number: 1570587  Size: FS
Master Electrical Component List
Cruise Control Description and Operation (4.8L, 5.3L, 6.0L, and 8.1L)
Control Module References
4.8L, 5.3L, 6.0L, and 8.1L
Ignition Switch - START, RUN, and ACC/RUN/START BUS BARS, IGN A and CRNK Fuses
Power Take Off
4WD, BRK, CRUISE, HTR/AC and HVAC 1 Fuses
Manual Transmission - NV3500
Stop Lamps
Manual Transmission - NV3500
Power, Ground, Serial Data, Indicator, and Stop Lamp Switch - Greater than 8600 GVW or w/Rear Drum Brakes
Power, Ground, DLC, and Splice Pack SP205
Gages, Vehicle Speed Signal, Engine Oil Pressure, and Fuel Level Sensors