GM Service Manual Online
For 1990-2009 cars only
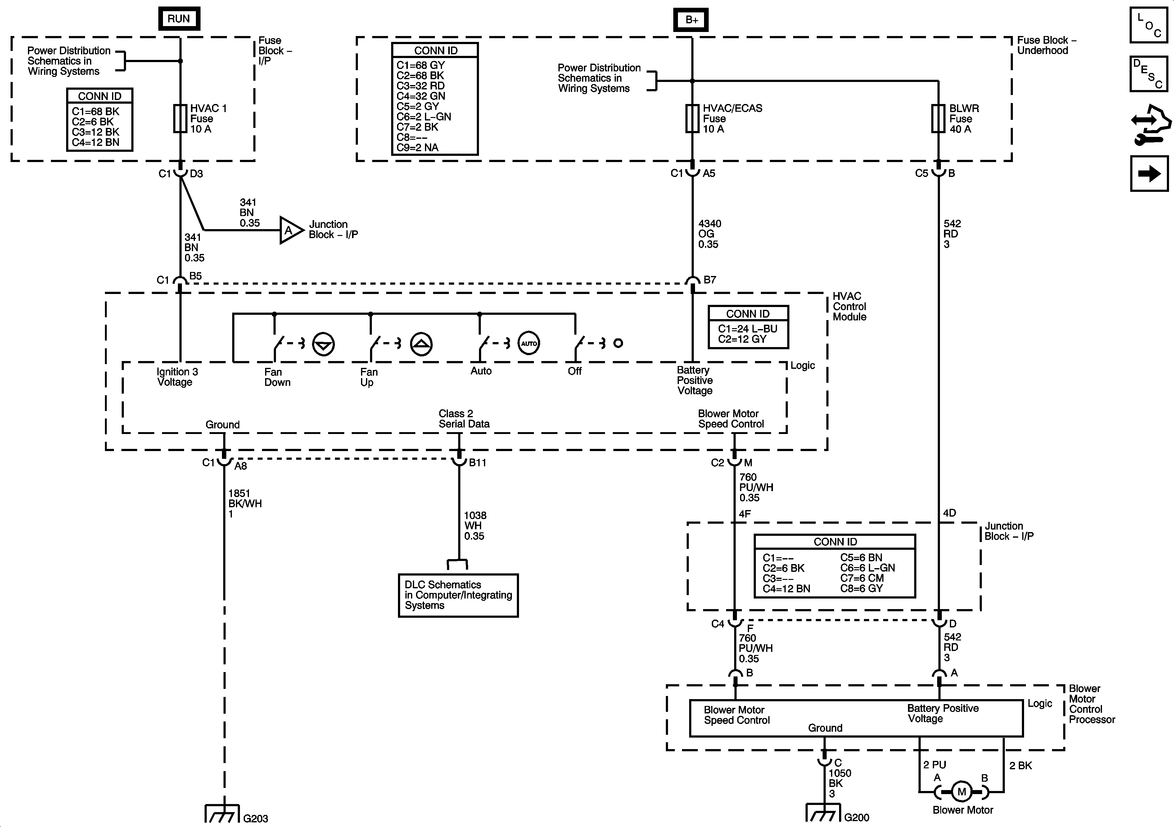
Figure 1:

Power, Ground, Serial Data, and Blower Motor Controls


Object Number: 1570408  Size: FS
Master Electrical Component List
Air Delivery Description and Operation
Control Module References
Mode and Recirculation Actuators
Ignition Switch - START, RUN, and ACC/RUN/START BUS BARS, IGN A and CRNK Fuses
Mode and Recirculation Actuators
B+ Bus Bar
Splice Pack SP207
G203 - 1 of 2
G115 and G200 - 1 of 2
Figure 2:

Mode and Recirculation Actuators


Object Number: 1570410  Size: FS
Master Electrical Component List
Air Delivery Description and Operation
Control Module References
Air Temperature Actuator - Left and Right
Power, Ground, Serial Data, and Blower Motor Controls
Splice Pack SP207
Power, Ground, Serial Data, and Blower Motor Controls
Air Temperature Actuator - Left and Right
Air Temperature Actuator - Left and Right
Air Temperature Actuator - Left and Right
Air Temperature Actuator - Left and Right
Air Temperature Actuator - Left and Right
Figure 3:

Air Temperature Actuators - Left and Right


Object Number: 1570412  Size: FS
Master Electrical Component List
Air Delivery Description and Operation
Control Module References
Air Temperature Sensors
Mode and Recirculation Actuators
Mode and Recirculation Actuators
Mode and Recirculation Actuators
Mode and Recirculation Actuators
Mode and Recirculation Actuators
Mode and Recirculation Actuators
Splice Pack SP207
Headlights/DRL Control
Figure 4:

Air Temperature Sensors


Object Number: 1570413  Size: FS
Master Electrical Component List
Air Delivery Description and Operation
Control Module References
A/C Compressor Controls
Air Temperature Actuator - Left and Right
G200 - 2 of 2
G200 - 2 of 2
G115 and G200 - 1 of 2
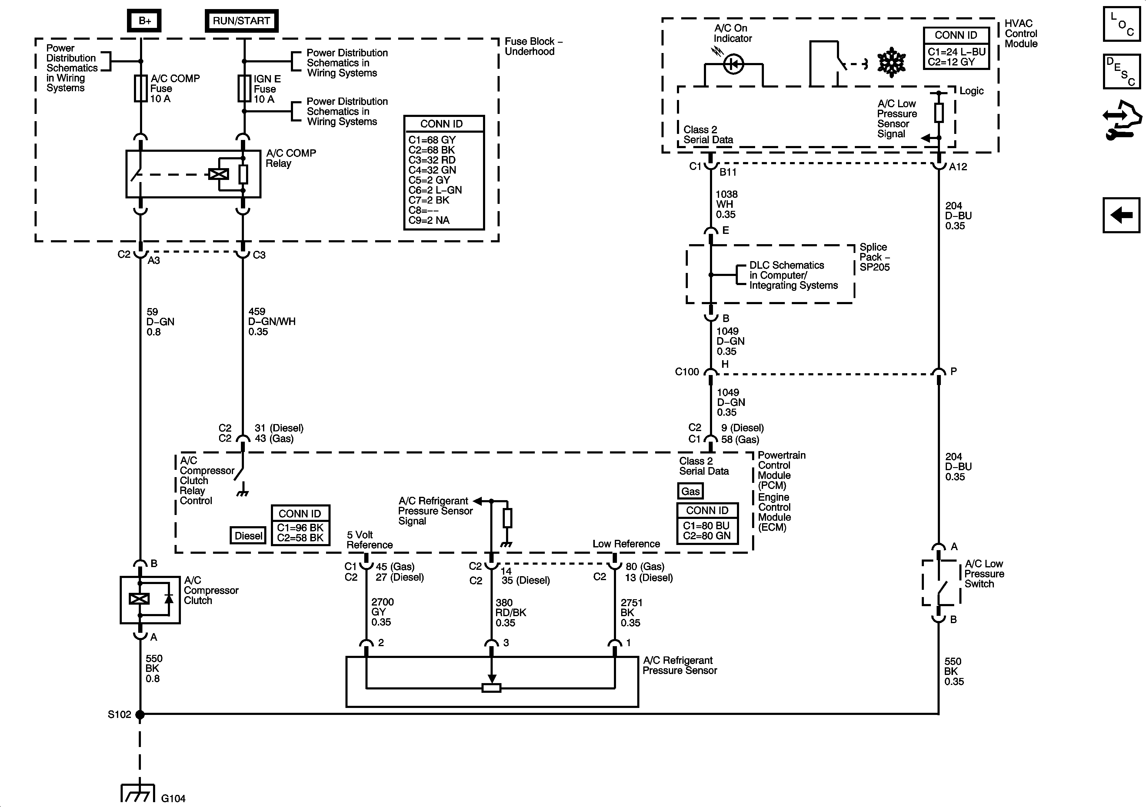
Figure 5:

A/C Compressor Controls


Object Number: 1570406  Size: FS
Master Electrical Component List
Air Delivery Description and Operation
Control Module References
Air Temperature Sensors
B+ Bus Bar
Ignition Switch - ACC/RUN and RUN/START BUS BARS and IGN B Fuse
IGN E and AIRBAG Fuses
Splice Pack SP207
G104, G107, and G110