GM Service Manual Online
For 1990-2009 cars only
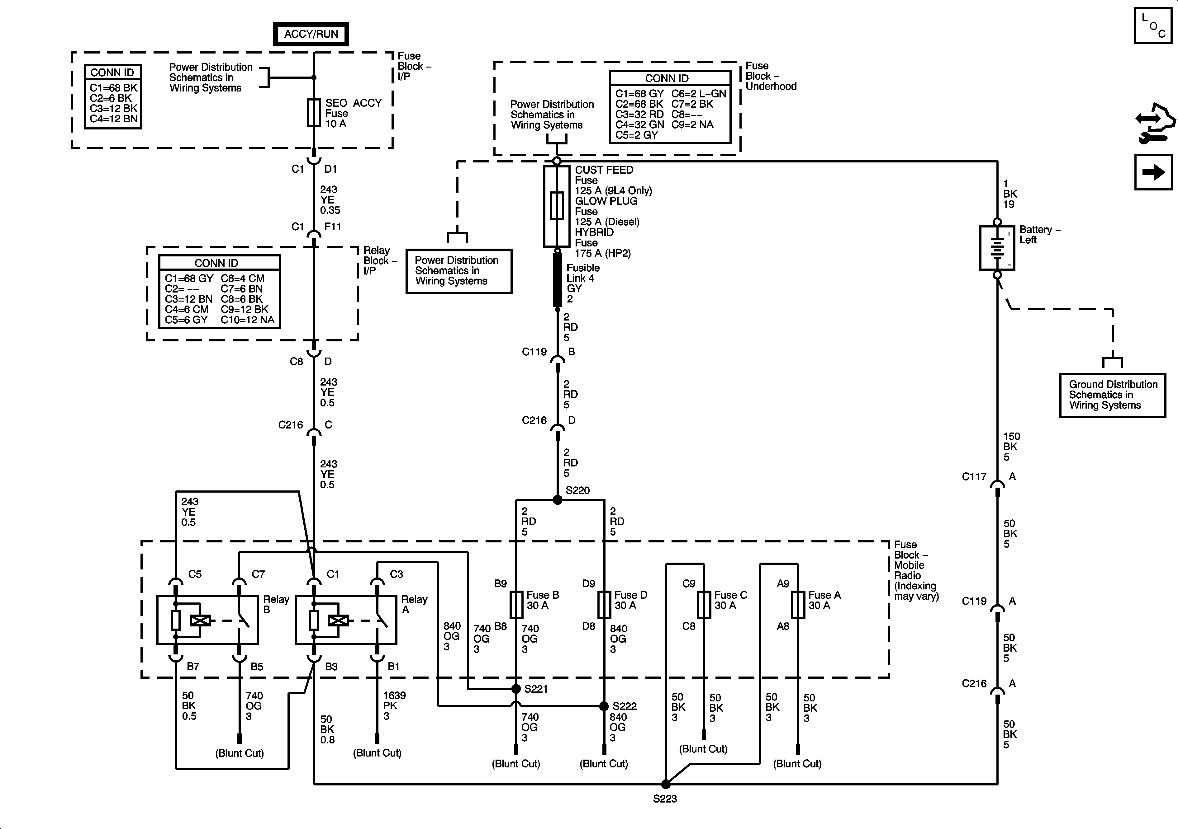
Figure 1:

Mobile Radio (9L4)


Object Number: 1570828  Size: FS
Master Electrical Component List
Control Module References
Roof Beacon Lighting (5G4/TRW)
Ignition Switch - ACC/RUN and RUN/START BUS BARS and IGN B Fuse
Battery Supply - 1 of 2
Battery Supply - 2 of 2
G100 and G102
Figure 2:

Roof Beacon Lighting (5G4/TRW)


Object Number: 1570833  Size: FS
Master Electrical Component List
Exterior Lighting Systems Description and Operation
Control Module References
Emergency Vehicle Lighting (5Y0)
Mobile Radio (9L4)
B+ Bus Bar
IPC/DIC, LH HID, RH HID, SEO B1, SEO B2, and TBC BATT Fuses
IPC/DIC, LH HID, RH HID, SEO B1, SEO B2, and TBC BATT Fuses
LED Dimming Supply - 2 of 2
G304, G305, G306, and G390
Figure 3:

Emergency Vehicle Lighting (5Y0)


Object Number: 1570835  Size: FS
Master Electrical Component List
Exterior Lighting Systems Description and Operation
Control Module References
Wrecker LIghting (5X7)
Roof Beacon Lighting (5G4/TRW)
B+ Bus Bar
ABS, AUX HTR PMP, ESCM, HCM-B, MBEC1, RTD, STUD 1, STUD 2, TRANS PUMP, and VSES/ECAS Fuses and RT DOOR and SEAT Circuit Breakers
IPC/DIC, LH HID, RH HID, SEO B1, SEO B2, and TBC BATT Fuses
IPC/DIC, LH HID, RH HID, SEO B1, SEO B2, and TBC BATT Fuses
LED Dimming Supply - 2 of 2
G115 and G200 - 1 of 2
G403
Figure 4:

Wrecker Lighting (5X7)


Object Number: 1570836  Size: FS
Master Electrical Component List
Exterior Lighting Systems Description and Operation
Control Module References
Emergency Vehicle Lighting (5Y0)
B+ Bus Bar
IPC/DIC, LH HID, RH HID, SEO B1, SEO B2, and TBC BATT Fuses
LED Dimming Supply - 2 of 2
G115 and G200 - 1 of 2
Battery Supply - 1 of 2
IPC/DIC, LH HID, RH HID, SEO B1, SEO B2, and TBC BATT Fuses