GM Service Manual Online
For 1990-2009 cars only
Makes
🢒
Chevrolet
🢒
2006
🢒
Chevy C Silverado - 2WD
🢒
Accessories
🢒
Theft Deterrent
🢒 Theft Deterrent System Schematics
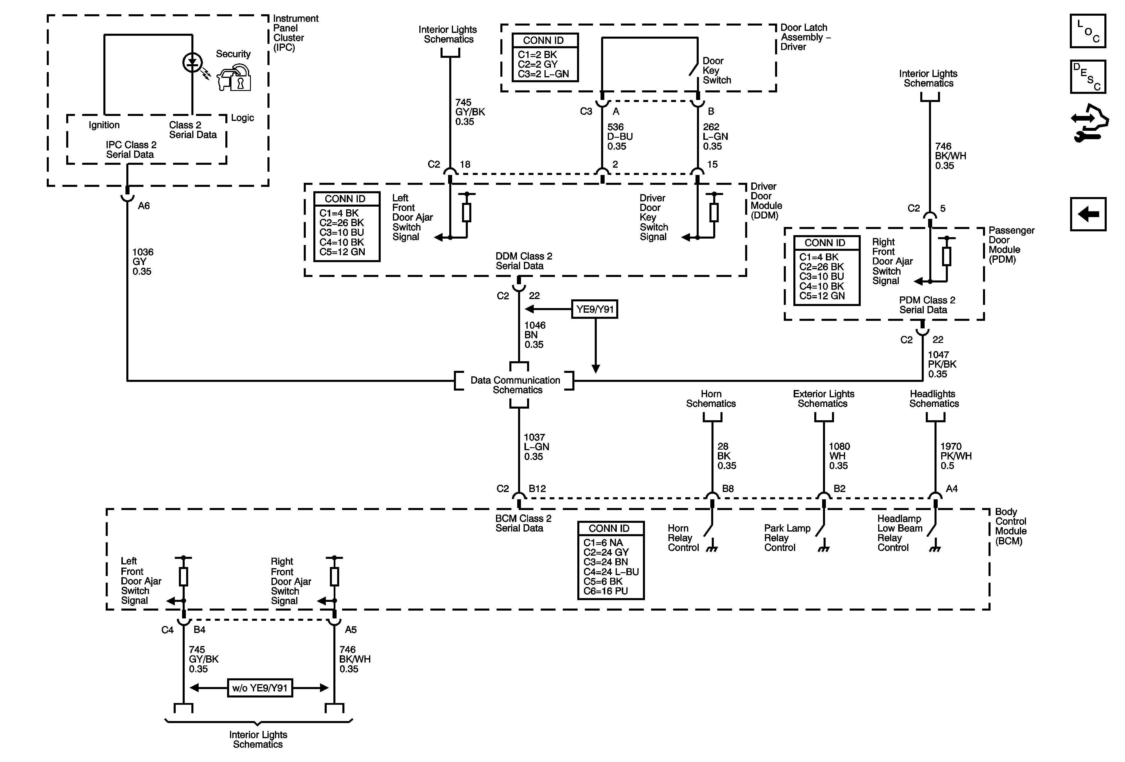
Figure
1:
Vehicle Theft Deterrent
Master Electrical Component List
Vehicle Theft Deterrent (VTD) Description and Operation
Control Module References
Content Theft Deterrent
G203 - 1 of 2
Power, Ground, DLC, and Splice Pack SP205
Figure
2:
Content Theft Deterrent
Master Electrical Component List
Content Theft Deterrent (CTD) Description and Operation
Control Module References
Vehicle Theft Deterrent
Door Jamb Switches (YE9/Y91)
Power, Ground, DLC, and Splice Pack SP205
Door Jamb Switches (w/o YE9/Y91)
Horns
Park Lamp Relay Control and Front Park Lamps
Headlights/DRL Control
Door Jamb Switches (YE9/Y91)