GM Service Manual Online
For 1990-2009 cars only
Makes
🢒
Chevrolet
🢒
2006
🢒
Chevy C Silverado - 2WD
🢒
Brakes
🢒
Hydraulic Brakes
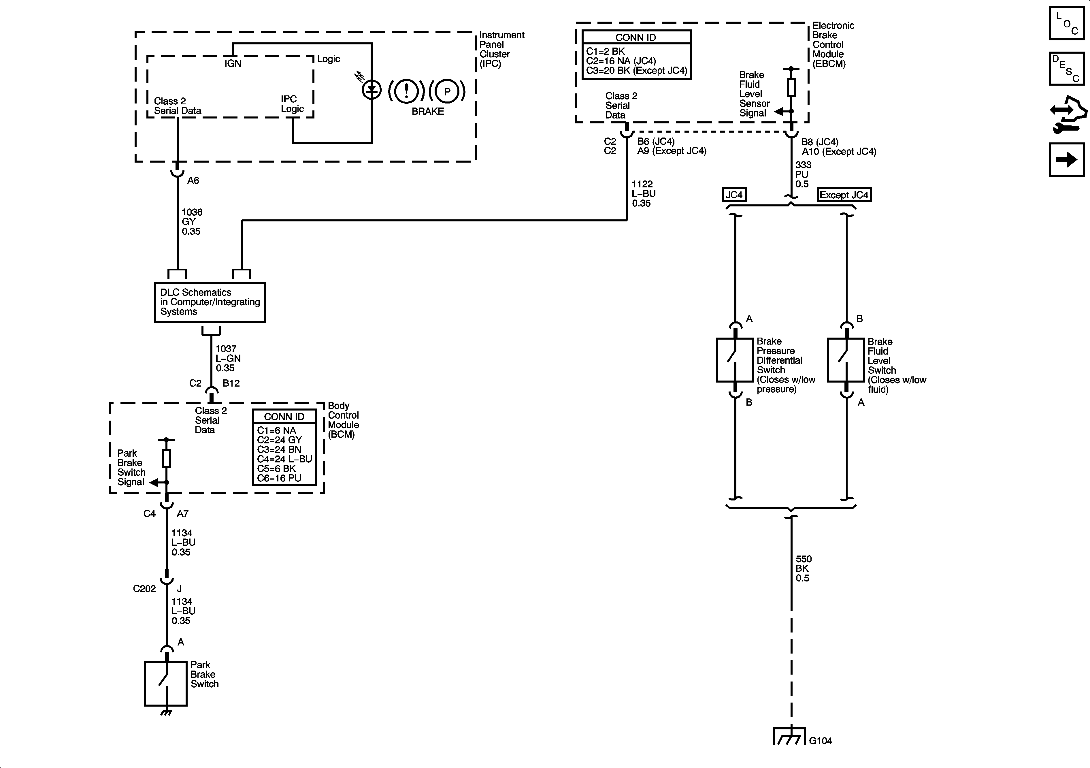
🢒 Brake Warning System Schematics
Figure
1:
Power, Ground, Serial Data, Indicator Control, and Switches
Master Electrical Component List
Brake Warning System Description and Operation
Control Module References
Supplemental Brake Assist
Power, Ground, DLC, and Splice Pack SP205
G104, G107, and G110
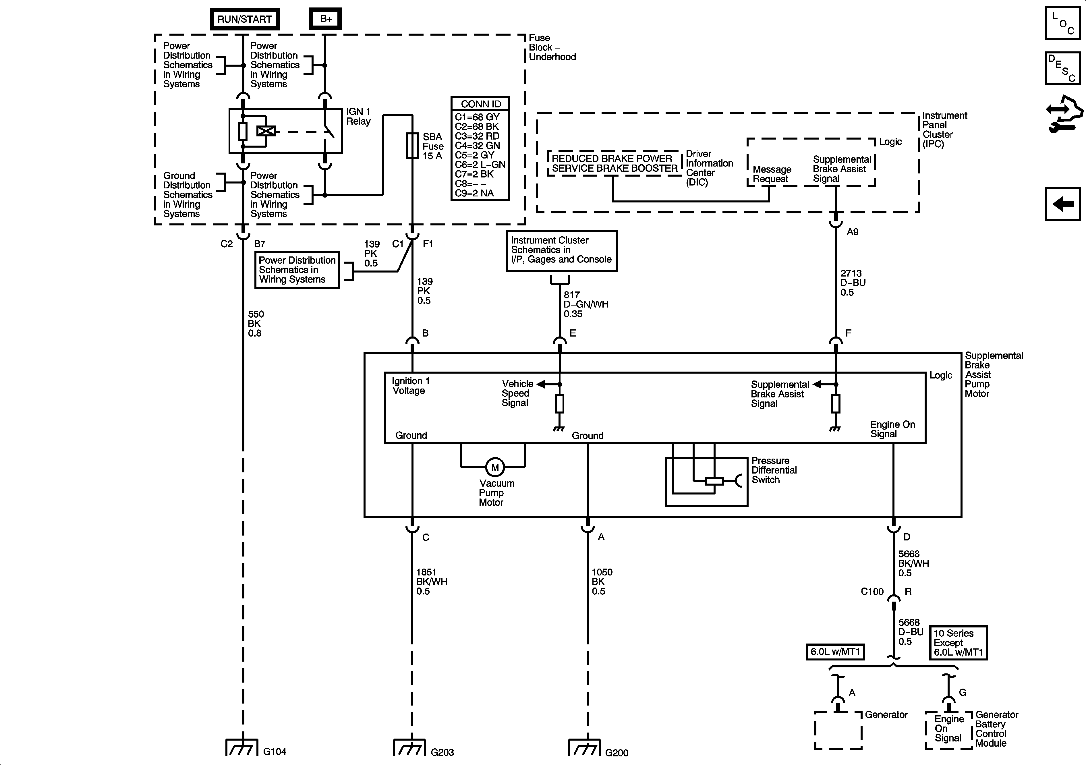
Figure
2:
Supplemental Brake Assist
Master Electrical Component List
Brake Assist System Description and Operation (Vacuum Assist)
Control Module References
Power, Ground, Serial Data, Indicator Control, and Switches
Ignition Switch - ACC/RUN and RUN/START BUS BARS and IGN B Fuse
G104, G107, and G110
B+ Bus Bar
ETC/ECM, INJ 1, INJ 2, PCM 1, and SBA Fuses - Gas
ETC/ECM, INJ 1, INJ 2, PCM 1, and SBA Fuses - Gas
Power, Ground, DLC, and Splice Pack SP205
G104, G107, and G110
G203 - 1 of 2
G115 and G200 - 1 of 2