GM Service Manual Online
For 1990-2009 cars only
Makes
🢒
Chevrolet
🢒
2006
🢒
Chevy C Silverado - 2WD
🢒
Transmission/Transaxle
🢒
Automatic Transmission - 4L60-E/4L65-E/4L70-E
🢒 Automatic Transmission Controls Schematics
Figure
1:
Shift Controls and Stop Lamp Switch
Master Electrical Component List
Electronic Component Description (M30/M32/M70)
Control Module References
Pressure Controls, Temperature, and VSS
Automatic Transmission Schematic Icons
Ignition Switch - START, RUN, and ACC/RUN/START BUS BARS, IGN A and CRNK Fuses
4WD, BRK, CRUISE, HTR/AC and HVAC 1 Fuses
Ignition Switch - START, RUN, and ACC/RUN/START BUS BARS, IGN A and CRNK Fuses
4WD, BRK, CRUISE, HTR/AC and HVAC 1 Fuses
4WD, BRK, CRUISE, HTR/AC and HVAC 1 Fuses
IGN 0, RR WPR, SEO ACCY, TBC ACCY, TBC IGN 0, and WS WPR Fuses
IGN 0, RR WPR, SEO ACCY, TBC ACCY, TBC IGN 0, and WS WPR Fuses
4WD, BRK, CRUISE, HTR/AC and HVAC 1 Fuses
Figure
2:
Pressure Controls, Temperature, and VSS
Master Electrical Component List
Electronic Component Description (M30/M32/M70)
Control Module References
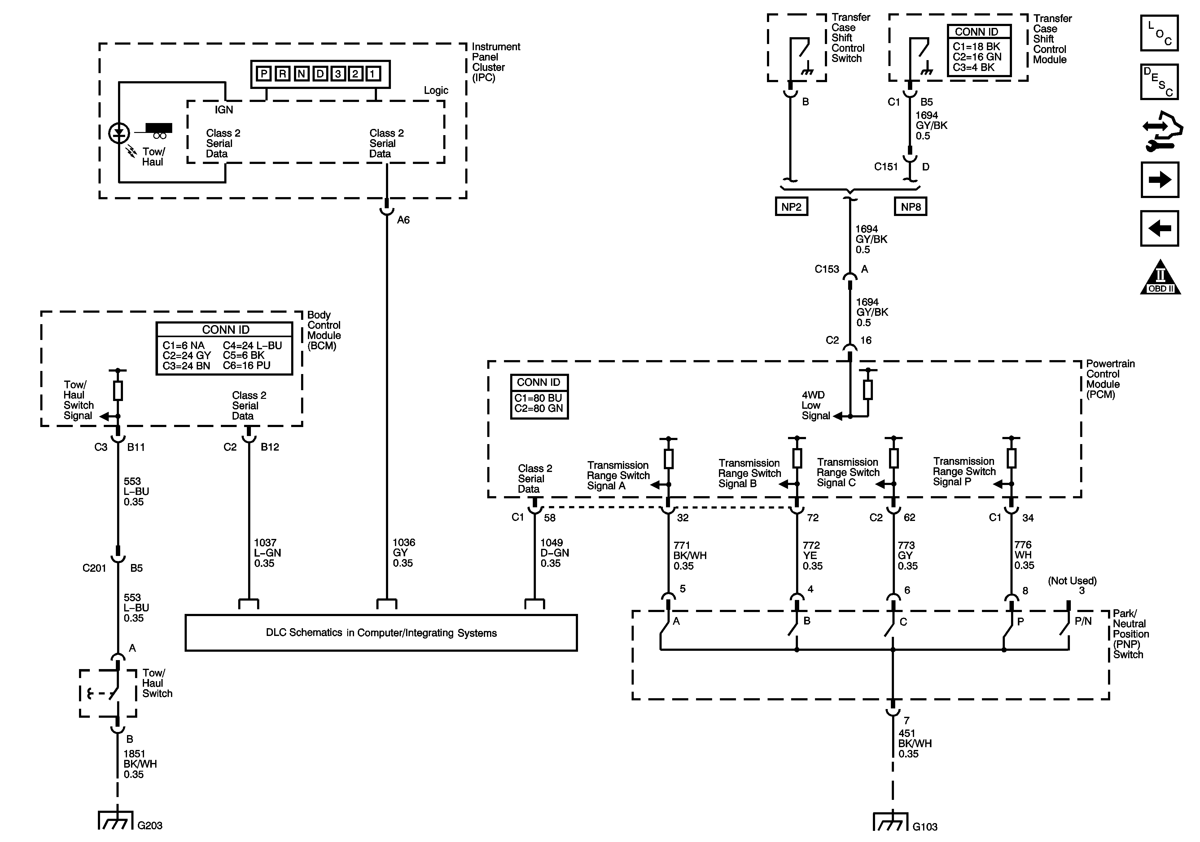
PNP Switch, 4WD Signal, Tow/Haul, Serial Data, and Indicator
Shift Controls and Stop Lamp Switch
Automatic Transmission Schematic Icons
Automatic Transmission Schematic Icons
Figure
3:
PNP Switch, 4WD Signal, Tow/Haul, Serial Data, and Indicator
Master Electrical Component List
Electronic Component Description (M30/M32/M70)
Control Module References
Pressure Controls, Temperature, and VSS
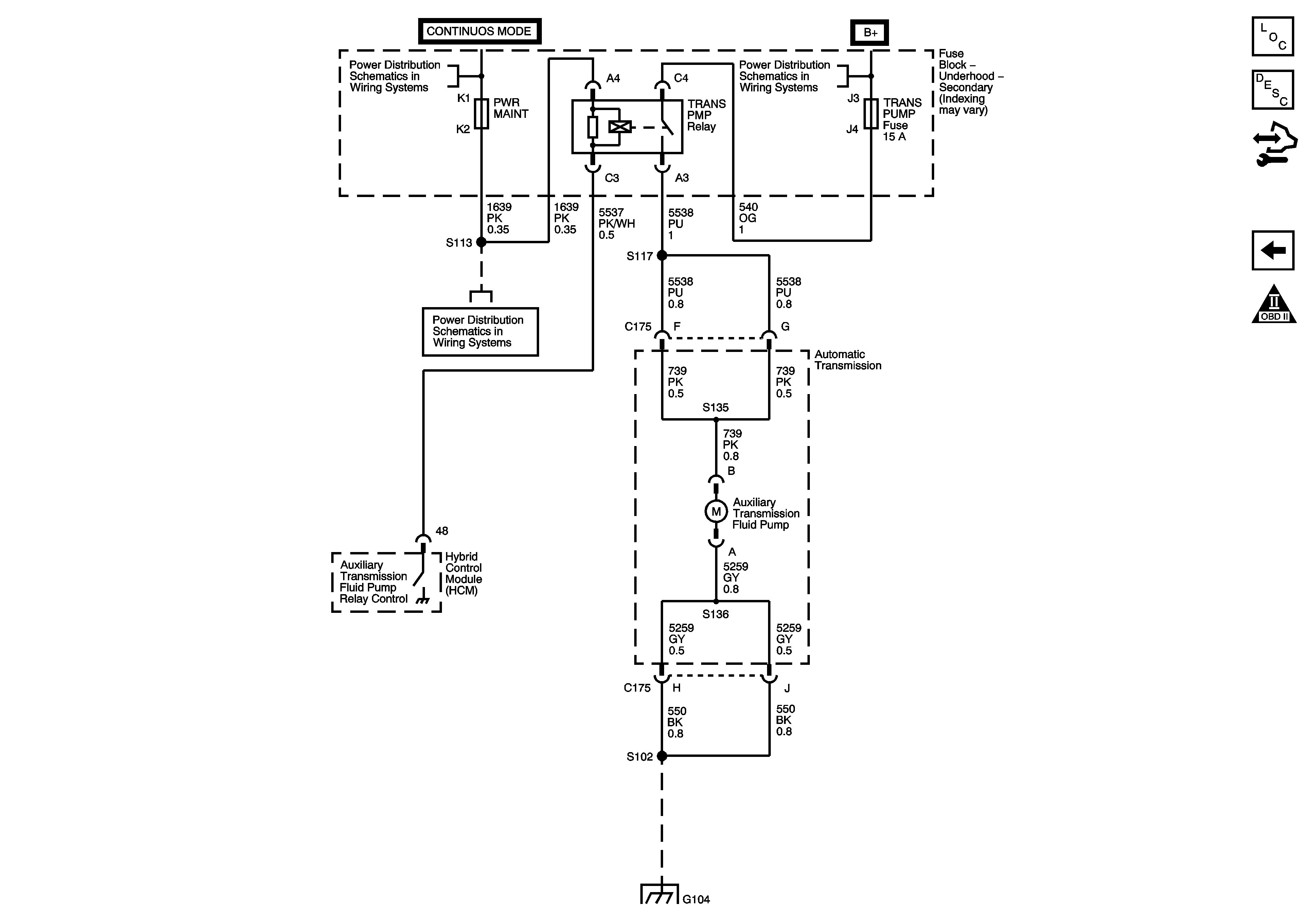
Auxiliary Pump Controls (HP2)
G203 - 2 of 2
Power, Ground, DLC, and Splice Pack SP205
G103 and G106 - Gas
Automatic Transmission Schematic Icons
Figure
4:
Auxiliary Pump Controls (HP2)
Master Electrical Component List
Electronic Component Description (M30/M32/M70)
Control Module References
PNP Switch, 4WD Signal, Tow/Haul, Serial Data, and Indicator
Automatic Transmission Schematic Icons
COOL PMP, HYBRID O2A, HYBRID O2B, IGN B, and PWR MAINT Fuses
ABS, AUX HTR PMP, ESCM, HCM-B, MBEC1, RTD, STUD 1, STUD 2, TRANS PUMP, and VSES/ECAS Fuses and RT DOOR and SEAT Circuit Breakers
COOL PMP, HYBRID O2A, HYBRID O2B, IGN B, and PWR MAINT Fuses
G104, G107, and G110