GM Service Manual Online
For 1990-2009 cars only
Figure 1:

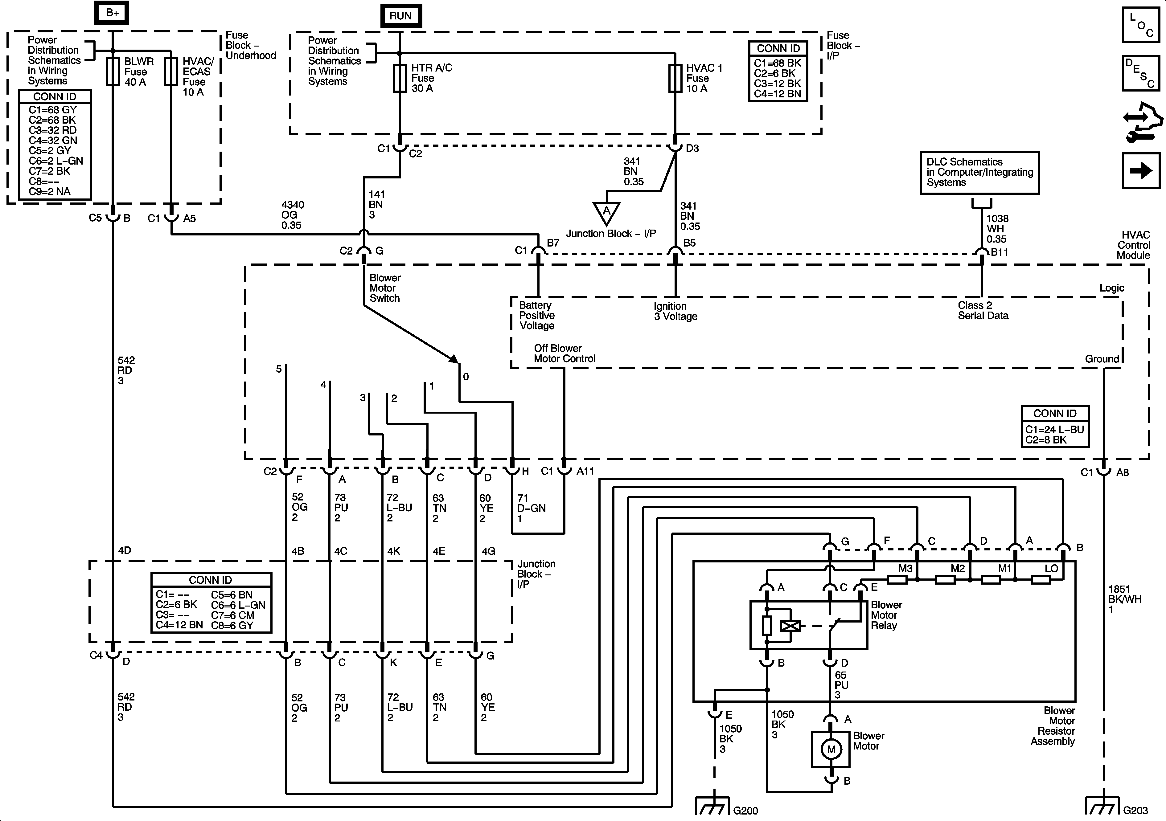
Power, Ground, Serial Data, and Blower Motor Controls


Object Number: 1570401  Size: FS
Master Electrical Component List
Air Delivery Description and Operation
Control Module References
Mode and Recirculating Actuators
B+ Bus Bar
Ignition Switch - START, RUN, and ACC/RUN/START BUS BARS, IGN A and CRNK Fuses
Ignition Switch - START, RUN, and ACC/RUN/START BUS BARS, IGN A and CRNK Fuses
Splice Pack SP207
G115 and G200 - 1 of 2
G203 - 1 of 2
Figure 2:

Mode and Recirculating Actuators


Object Number: 1570402  Size: FS
Master Electrical Component List
Air Delivery Description and Operation
Control Module References
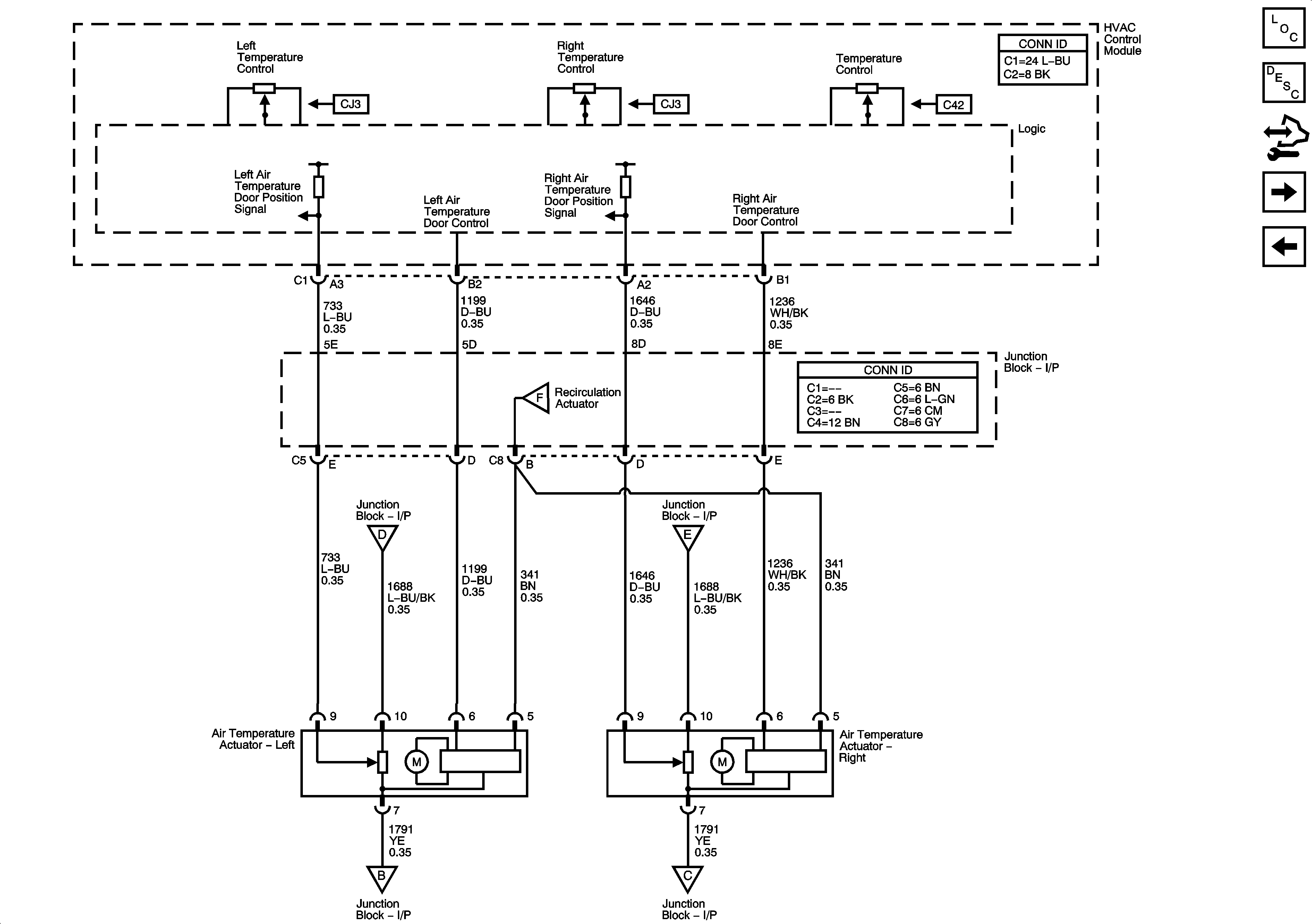
Air Temperature Actuators - Left and Right
Power, Ground, Serial Data, and Blower Motor Controls
Splice Pack SP207
Air Temperature Actuators - Left and Right
Air Temperature Actuators - Left and Right
Air Temperature Actuators - Left and Right
G115 and G200 - 1 of 2
Air Temperature Actuators - Left and Right
Air Temperature Actuators - Left and Right
Air Temperature Actuators - Left and Right
Air Temperature Actuators - Left and Right
Figure 3:

Air Temperature Actuators - Left and Right


Object Number: 1570404  Size: FS
Master Electrical Component List
Air Delivery Description and Operation
Control Module References
A/C Compressor Control
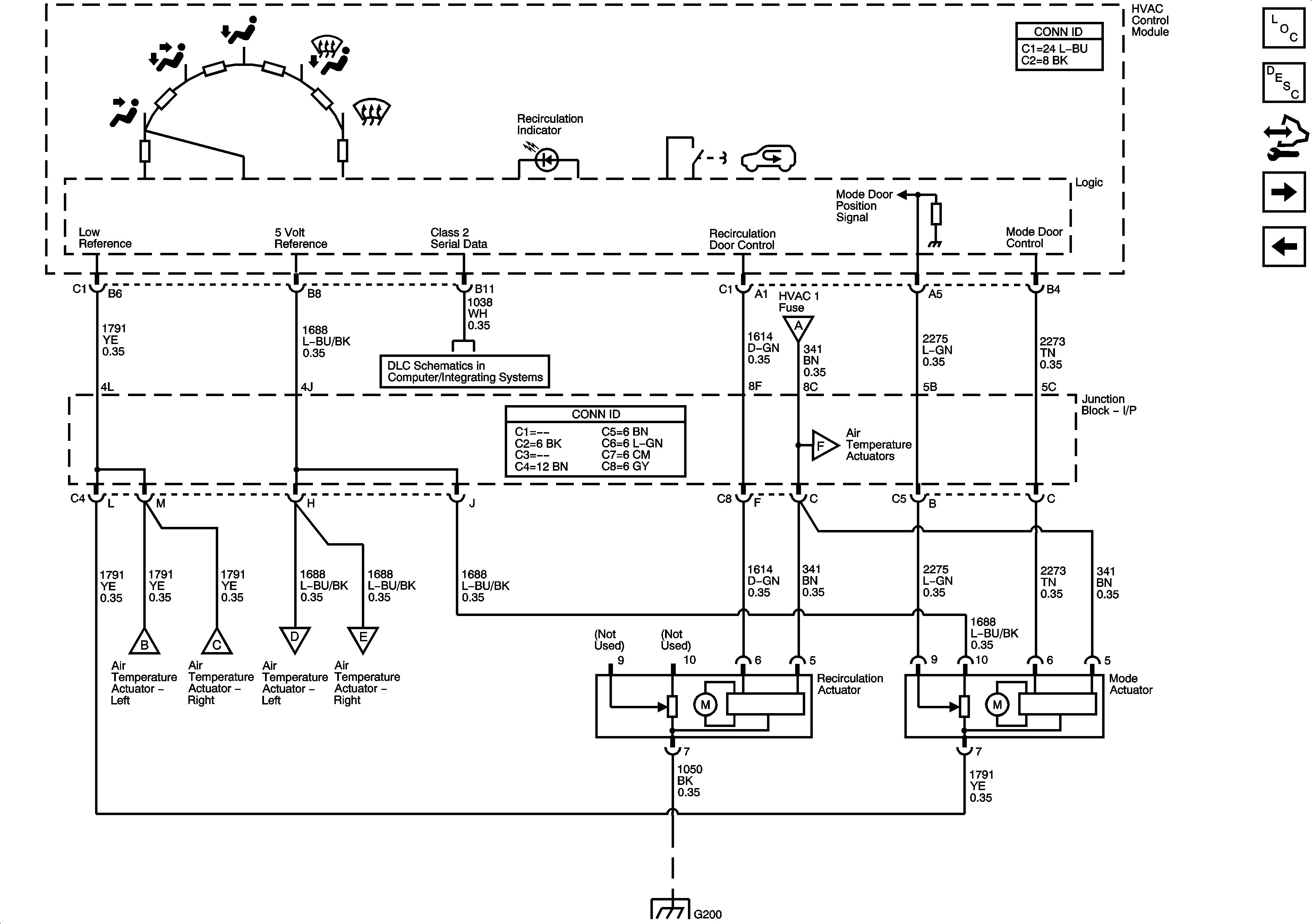
Mode and Recirculating Actuators
Mode and Recirculating Actuators
Mode and Recirculating Actuators
Mode and Recirculating Actuators
Mode and Recirculating Actuators
Mode and Recirculating Actuators
Figure 4:

A/C Compressor Control


Object Number: 1570406  Size: FS
Master Electrical Component List
Air Delivery Description and Operation
Control Module References
Air Temperature Actuators - Left and Right
B+ Bus Bar
IGN E and AIRBAG Fuses
Ignition Switch - ACC/RUN and RUN/START BUS BARS and IGN B Fuse
Splice Pack SP207
G104, G107, and G110