GM Service Manual Online
For 1990-2009 cars only
Makes
🢒
Chevrolet
🢒
2006
🢒
Chevy C Silverado - 2WD
🢒
HVAC
🢒
HVAC Systems - Automatic
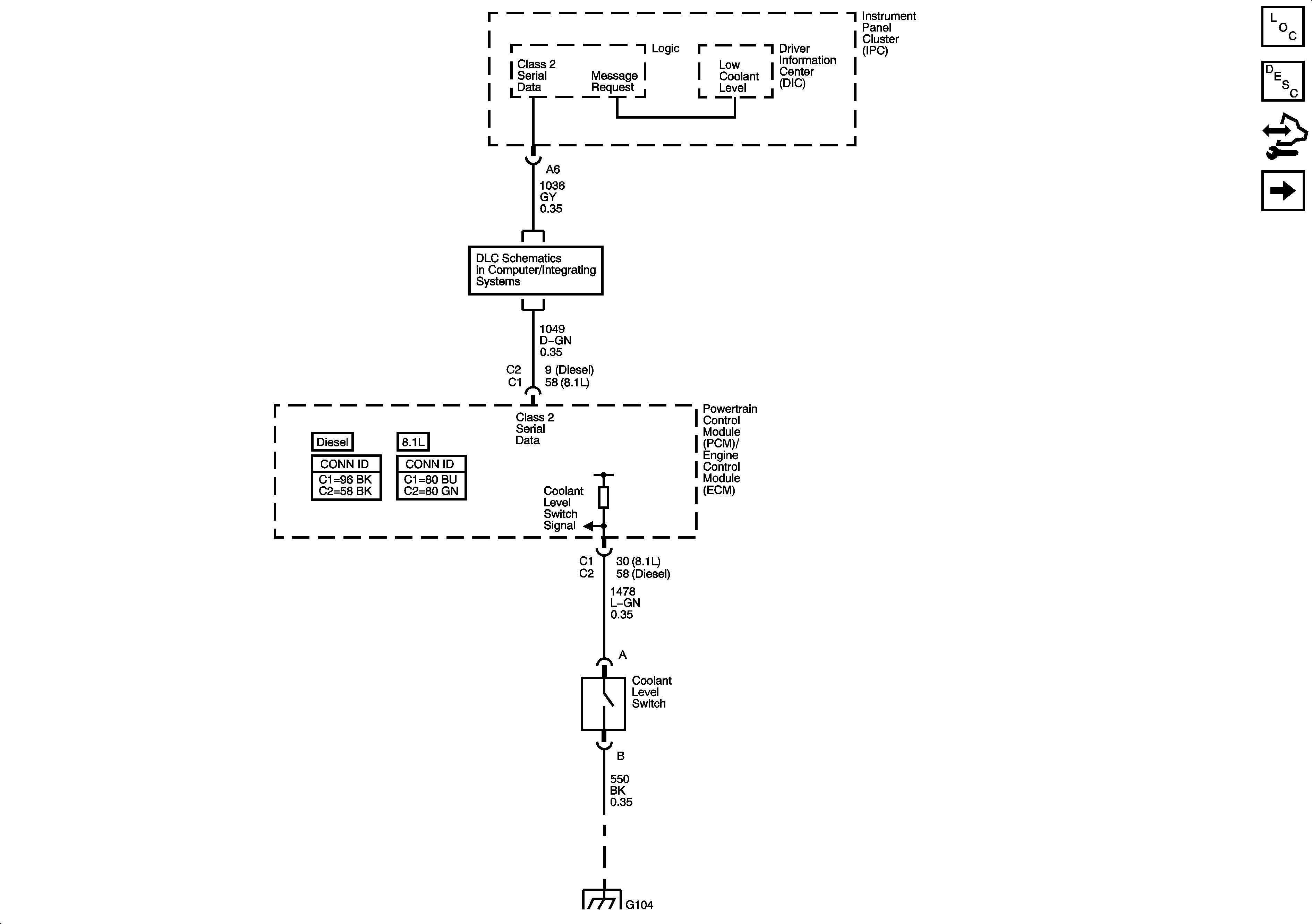
🢒 Engine Cooling Schematics
Figure
1:
8.1L and Diesel
Master Electrical Component List
Cooling System Description and Operation
Control Module References
10 Series
Power, Ground, DLC, and Splice Pack SP205
G104, G107, and G110
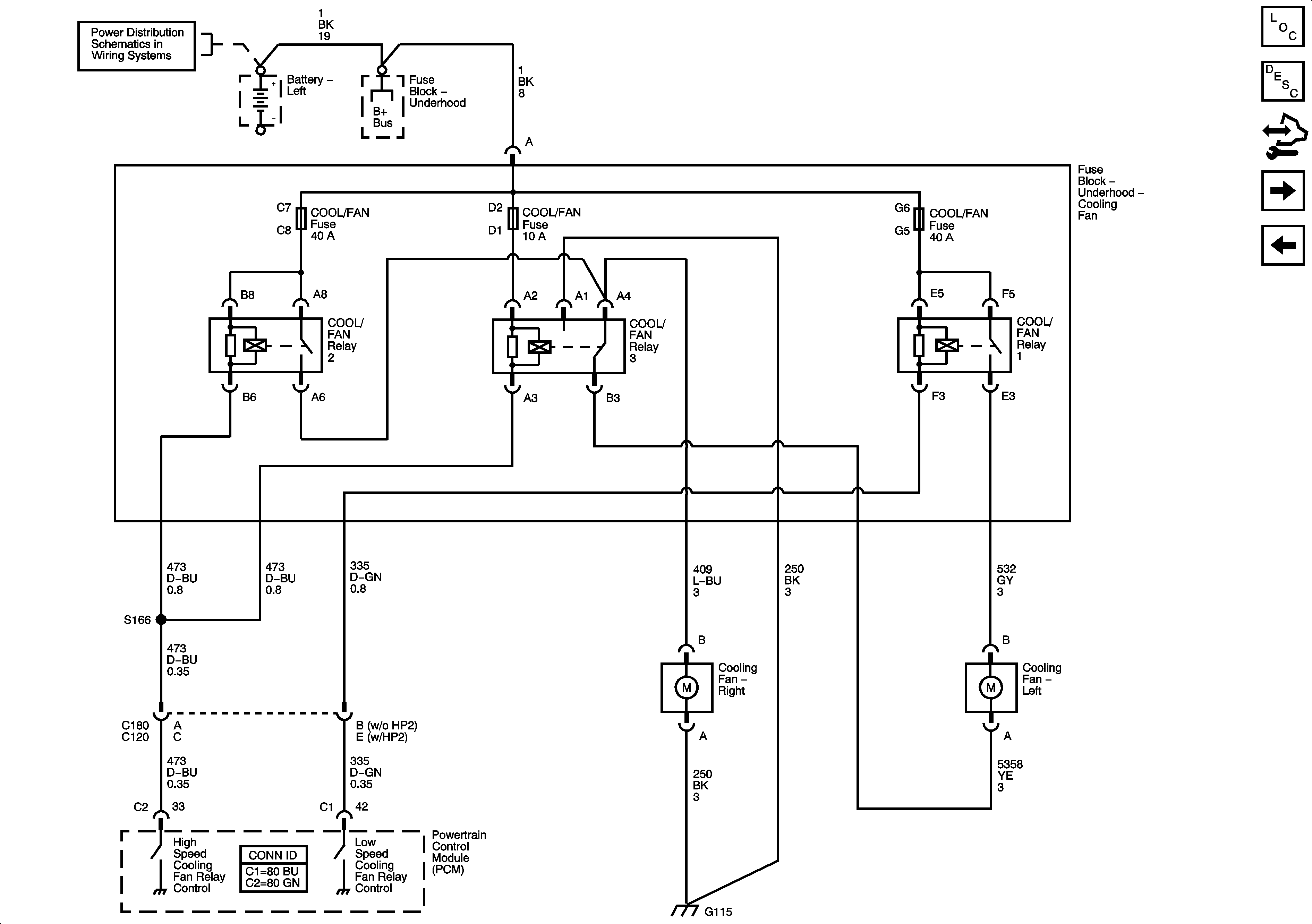
Figure
2:
10 Series
Master Electrical Component List
Cooling System Description and Operation
Control Module References
HP2
8.1L and Diesel
Battery Supply - 1 of 2
Figure
3:
HP2
Master Electrical Component List
Cooling System Description and Operation
Control Module References
10 Series
B+ Bus Bar
Ignition Switch - ACC/RUN and RUN/START BUS BARS and IGN B Fuse
ABS, AUX HTR PMP, ESCM, HCM-B, MBEC1, RTD, STUD 1, STUD 2, TRANS PUMP, and VSES/ECAS Fuses and RT DOOR and SEAT Circuit Breakers
ABS, AUX HTR PMP, ESCM, HCM-B, MBEC1, RTD, STUD 1, STUD 2, TRANS PUMP, and VSES/ECAS Fuses and RT DOOR and SEAT Circuit Breakers
ABS, AUX HTR PMP, ESCM, HCM-B, MBEC1, RTD, STUD 1, STUD 2, TRANS PUMP, and VSES/ECAS Fuses and RT DOOR and SEAT Circuit Breakers
ABS, AUX HTR PMP, ESCM, HCM-B, MBEC1, RTD, STUD 1, STUD 2, TRANS PUMP, and VSES/ECAS Fuses and RT DOOR and SEAT Circuit Breakers
ABS, AUX HTR PMP, ESCM, HCM-B, MBEC1, RTD, STUD 1, STUD 2, TRANS PUMP, and VSES/ECAS Fuses and RT DOOR and SEAT Circuit Breakers
G100 and G102
High Speed GMLAN (HP2)
High Speed GMLAN (HP2)
G104, G107, and G110