GM Service Manual Online
For 1990-2009 cars only
Makes
🢒
Chevrolet
🢒
2006
🢒
Chevy C Silverado - 2WD
🢒 Relays and Switches (Except YE9)
Relays and Switches (Except YE9)
Relays and Switches (Except YE9)
Master Electrical Component List
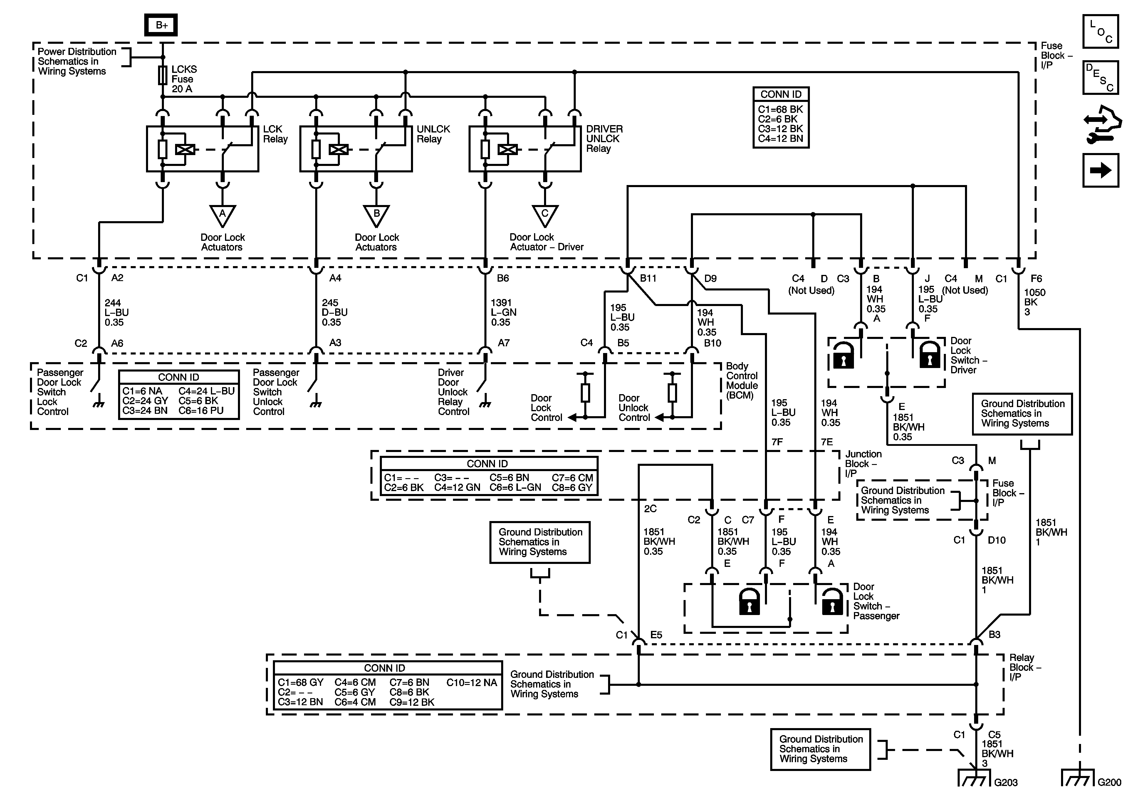
Power Door Locks Description and Operation
Control Module References
Actuators (Except YE9)
AUX PWR, AUX PWR 2, DDM, ECC/TCM, ECM B, LBEC 2, LCKS, PCM B, PDM and TCM B Fuses
Actuators (Except YE9)
Actuators (Except YE9)
Actuators (Except YE9)
G203 - 1 of 2
G203 - 1 of 2
G203 - 1 of 2
G203 - 2 of 2
G203 - 2 of 2
G203 - 1 of 2
G115 and G200 - 1 of 2