GM Service Manual Online
For 1990-2009 cars only
Makes
🢒
Chevrolet
🢒
2006
🢒
Chevy C Silverado - 2WD
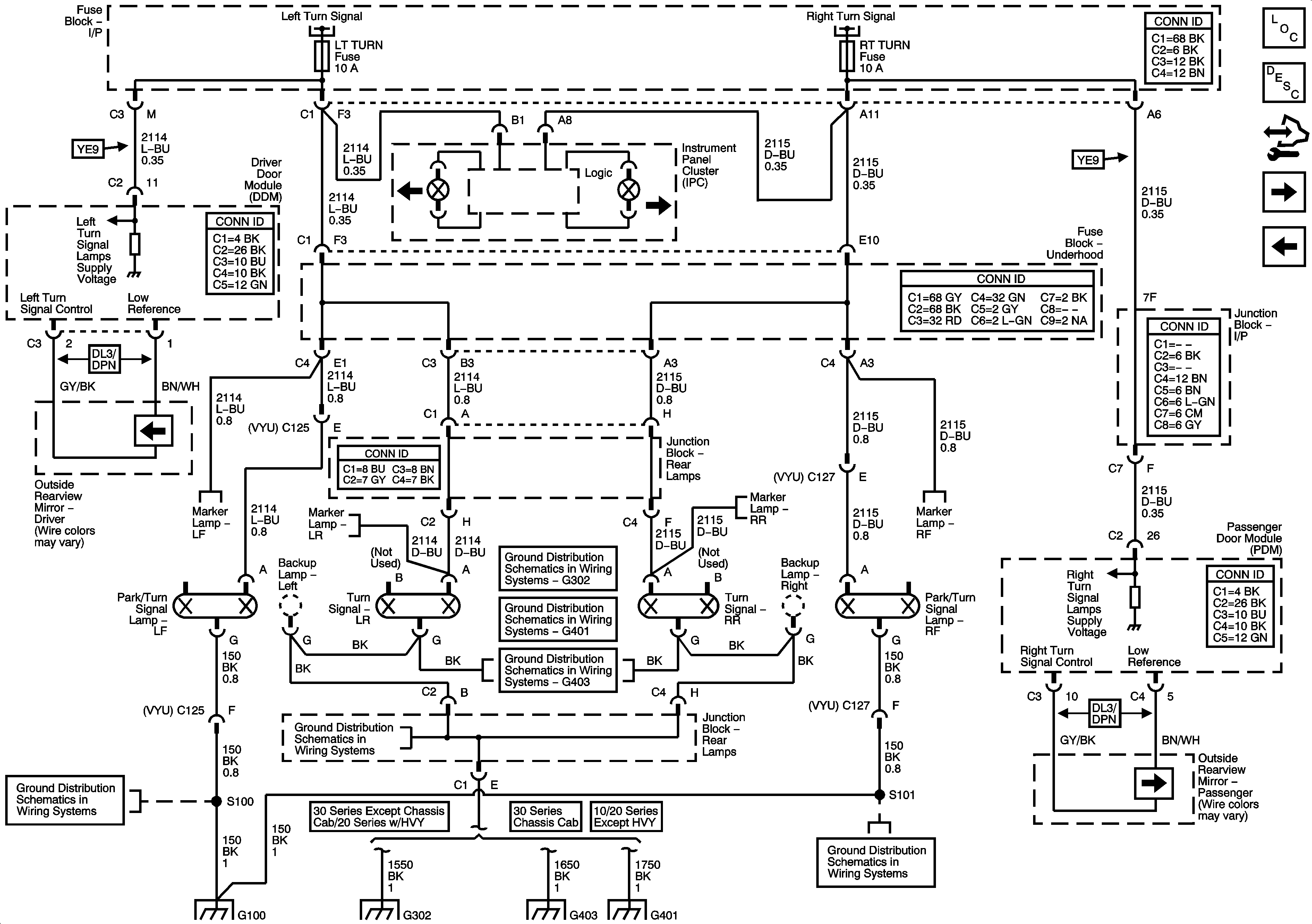
🢒 Turn Signals - Chevrolet
Turn Signals - Chevrolet
Turn Signals - Chevrolet
Master Electrical Component List
Exterior Lighting Systems Description and Operation
Control Module References
Exterior Illumination Lamp
Turn Signals - GMC
Park Lamp Relay Control and Front Park Lamps
Park Lamp Relay Control and Front Park Lamps
Left Rear Park Lamps - Chevrolet
G100 and G102
G302
G100 and G102
G302
G403
G401
G302
G401
G403
Manual Transmission - NV4500
Manual Transmission - NV4500
G100 and G102
Park Lamp Relay Control and Front Park Lamps