GM Service Manual Online
For 1990-2009 cars only
Figure 1:

Power, Ground and PWM Circuits


Object Number: 905637  Size: FS
Engine Controls Component Views
Fuel System Description
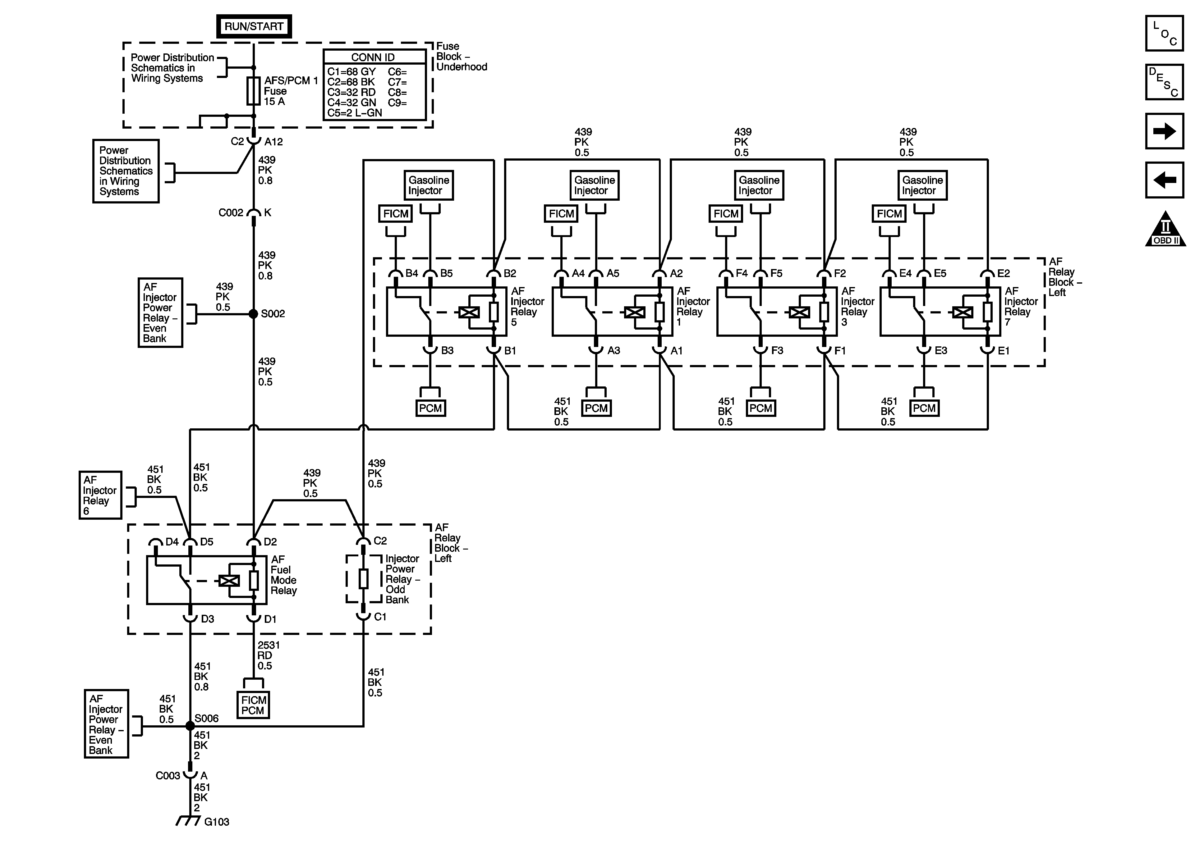
AF Fuel Mode and Injector Power Relays
OBD II Symbol Description Notice
Figure 2:

AF Fuel Mode and Injector Power Relays -- KL6


Object Number: 905638  Size: FS
Engine Controls Component Views
Fuel System Description
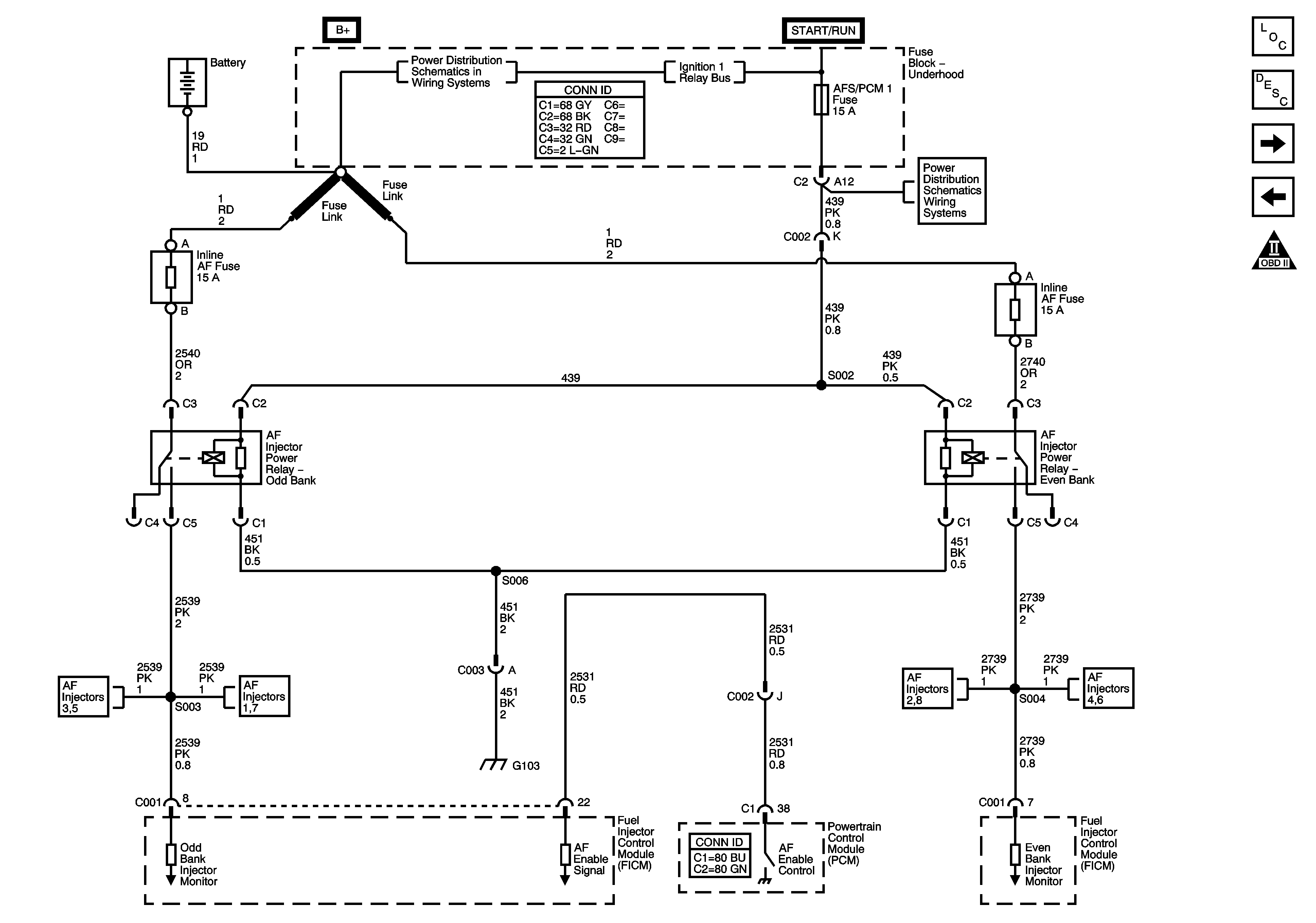
AF Injector Power Relays - KL8
Power, Ground and PWM Circuits
OBD II Symbol Description Notice
Figure 3:

AF Injector Power Relays -- KL8


Object Number: 1361136  Size: FS
Engine Controls Component Views
Fuel System Description
AF Fuel Injectors
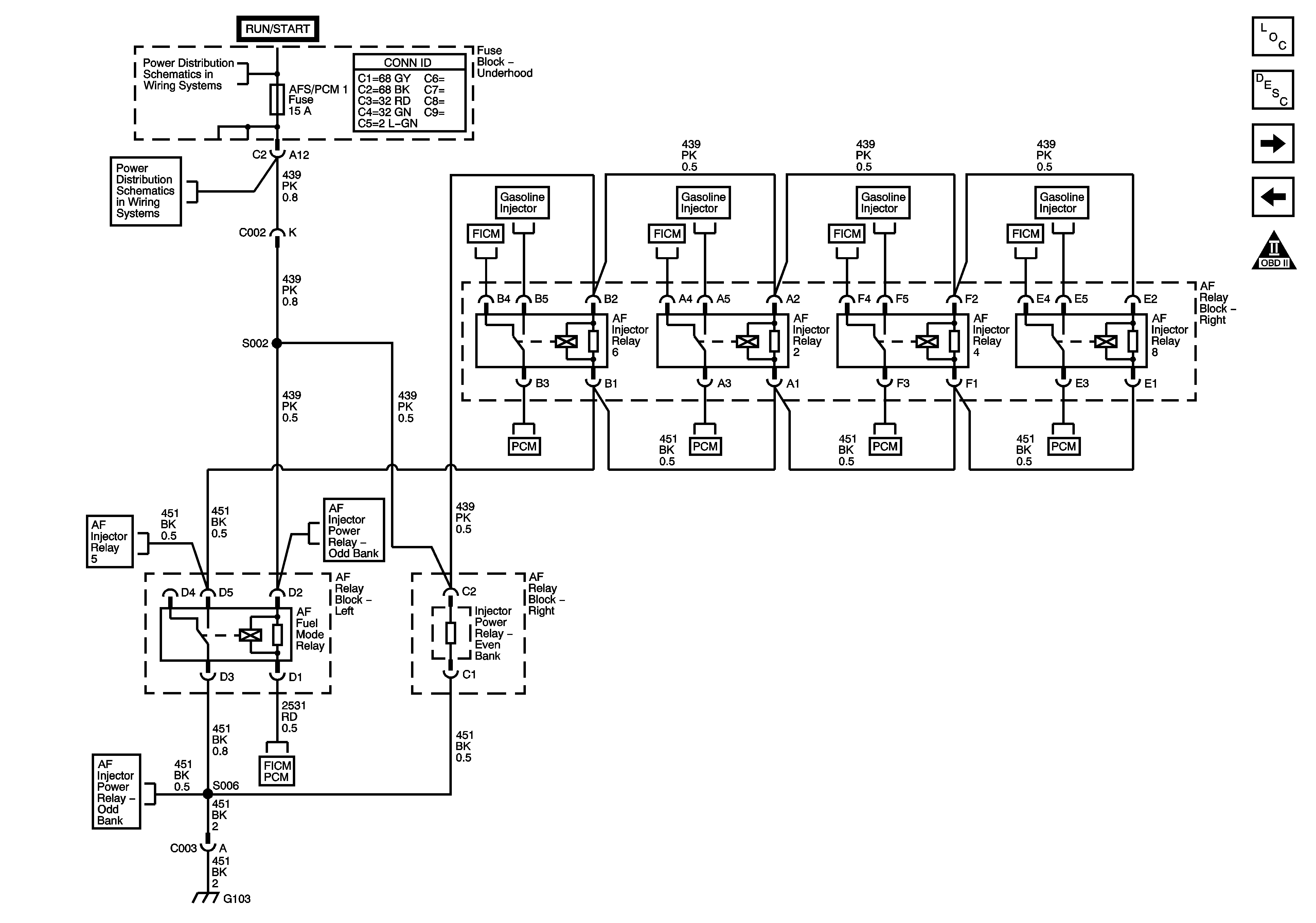
AF Fuel Mode and Injector Power Relays
OBD II Symbol Description Notice
Figure 4:

AF Fuel Injectors


Object Number: 905639  Size: FS
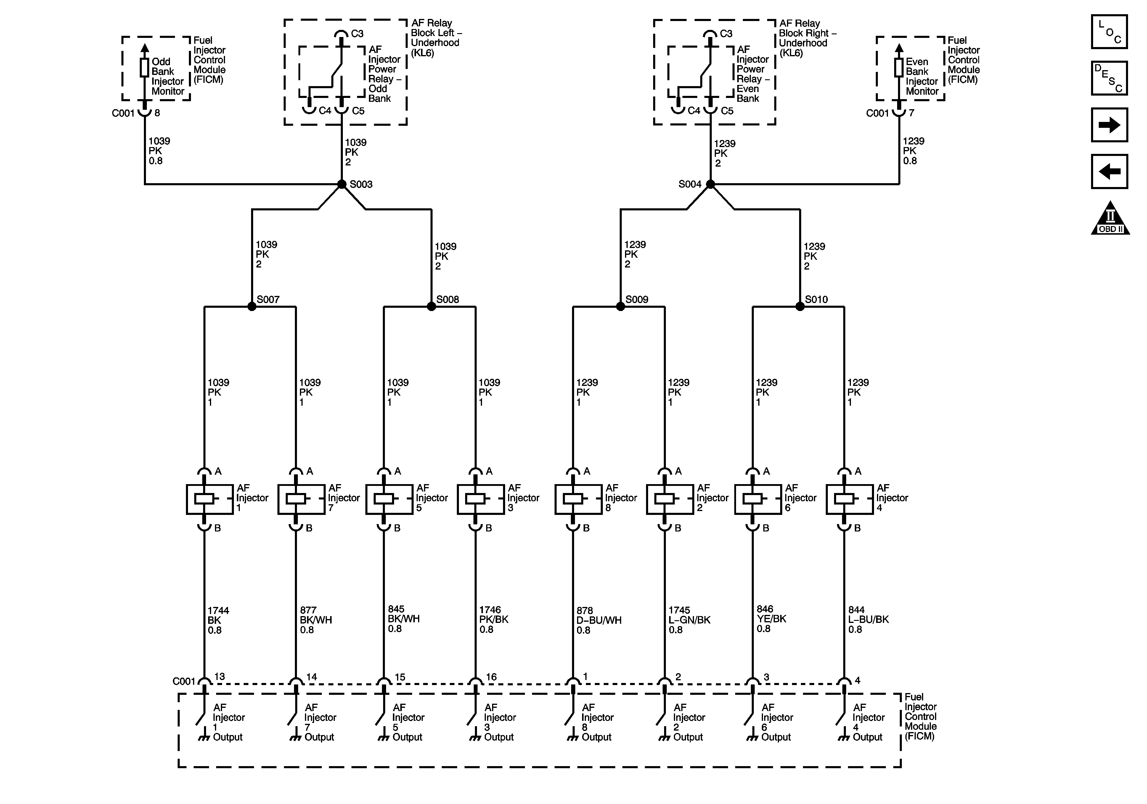
Engine Controls Component Views
Fuel System Description
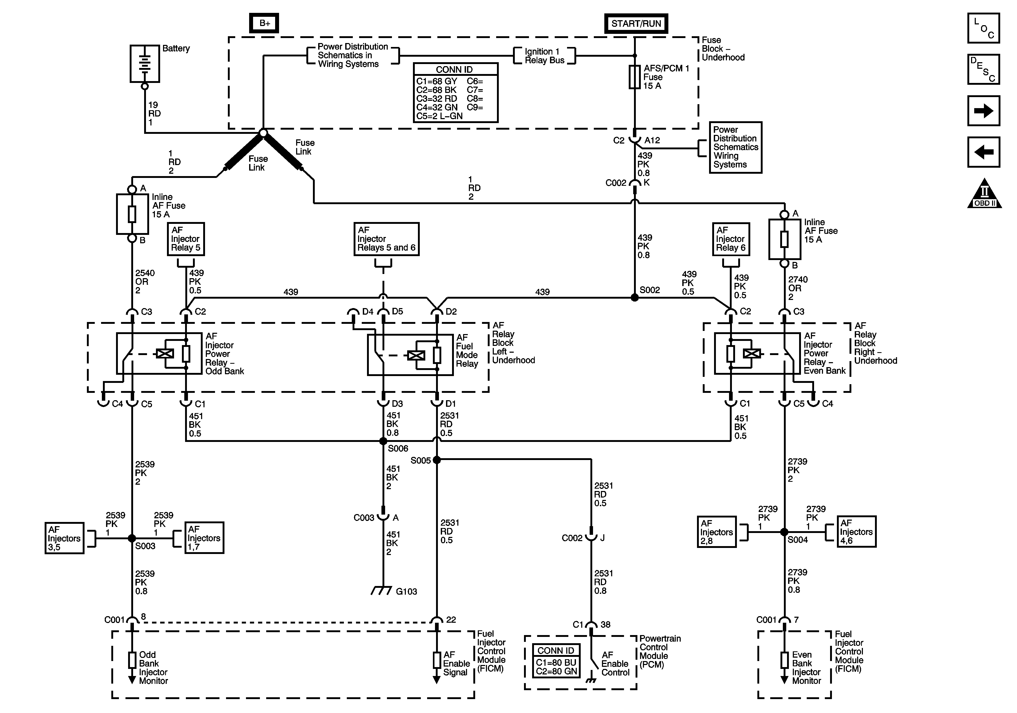
AF Injector Relays - Odd Bank
AF Injector Power Relays - KL8
OBD II Symbol Description Notice
Figure 5:

AF Odd Bank Injector Relays - KL6


Object Number: 905640  Size: FS
Engine Controls Component Views
Fuel System Description
AF Injector Relays - Even Bank
AF Fuel Injectors
OBD II Symbol Description Notice
Figure 6:

AF Even Bank Injector Relays - KL6


Object Number: 905641  Size: FS
Engine Controls Component Views
Fuel System Description
AF Injector Signal Circuits - Odd Bank
AF Injector Relays - Odd Bank
OBD II Symbol Description Notice
Figure 7:

AF Odd Bank Injector Signal - KL6


Object Number: 905642  Size: FS
Engine Controls Component Views
Fuel System Description
AF Odd Bank Injector Signal - KL8
AF Injector Relays - Even Bank
OBD II Symbol Description Notice
Figure 8:

AF Odd Bank Injector Signal - KL8


Object Number: 1368916  Size: FS
Engine Controls Component Views
Fuel System Description
Injector Control Circuits - Even Bank
AF Injector Signal Circuits - Odd Bank
OBD II Symbol Description Notice
Figure 9:

AF Even Bank Injector Signal - KL6


Object Number: 905643  Size: FS
Engine Controls Component Views
Fuel System Description
AF Even Bank Injector Signal - KL8
AF Odd Bank Injector Signal - KL8
OBD II Symbol Description Notice
Figure 10:

AF Even Bank Injector Signal - KL8


Object Number: 1368928  Size: FS
Engine Controls Component Views
Fuel System Description
Gasoline Fuel Injectors
Injector Control Circuits - Even Bank
OBD II Symbol Description Notice
Figure 11:

Gasoline Fuel Injectors - KL6


Object Number: 905645  Size: FS
Engine Controls Component Views
Fuel System Description
Fuel Rail Pressure Sensor and Fuel Gage Select Switch
AF Even Bank Injector Signal - KL8
OBD II Symbol Description Notice
Figure 12:

Fuel Rail Pressure Sensor and Fuel Gage Select Switch


Object Number: 905647  Size: FS
Engine Controls Component Views
Fuel System Description
FRT, FTP and FTT Sensors
Gasoline Fuel Injectors
OBD II Symbol Description Notice
Figure 13:

Fuel Rail Temperature Sensor and Sensors - Fuel Tank


Object Number: 905648  Size: FS
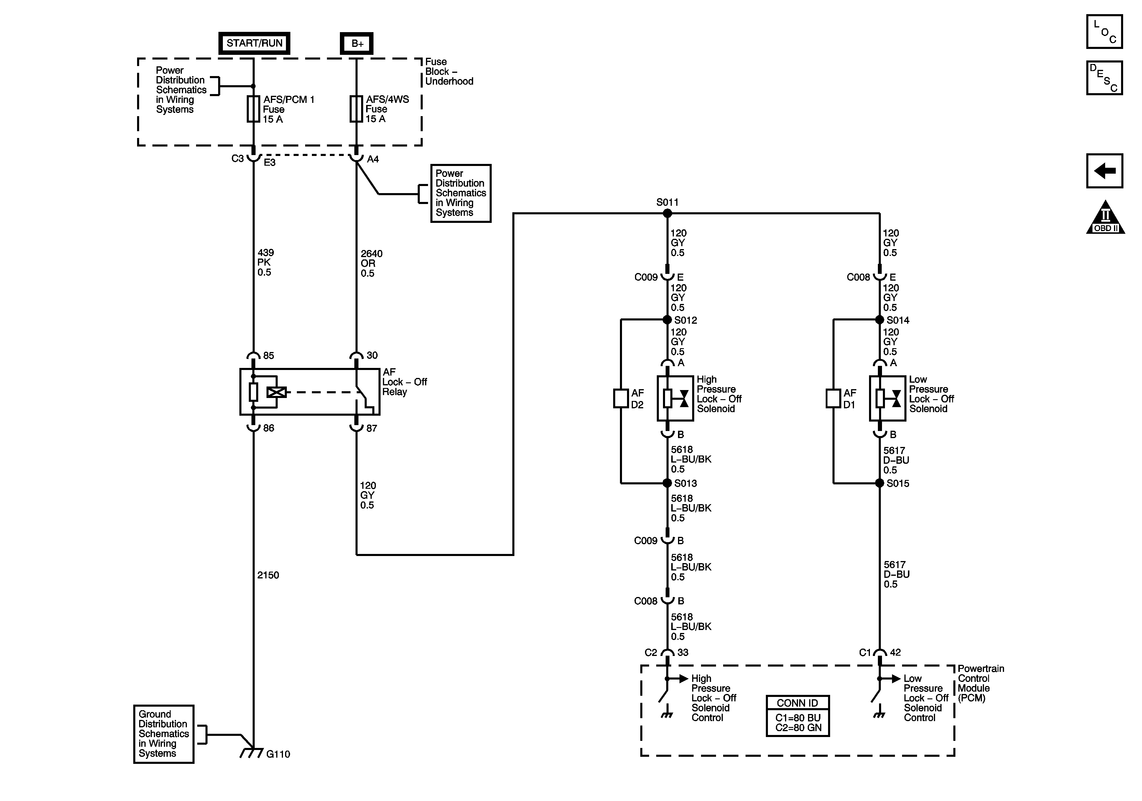
Engine Controls Component Views
Fuel System Description
Low Pressure and High Pressure Lock-off Solenoids
Fuel Rail Pressure Sensor and Fuel Gage Select Switch
OBD II Symbol Description Notice
Figure 14:

High and Low Pressure Lock-off Solenoids


Object Number: 905649  Size: FS
Engine Controls Component Views
Fuel System Description
FRT, FTP and FTT Sensors
OBD II Symbol Description Notice