GM Service Manual Online
For 1990-2009 cars only

Refer to

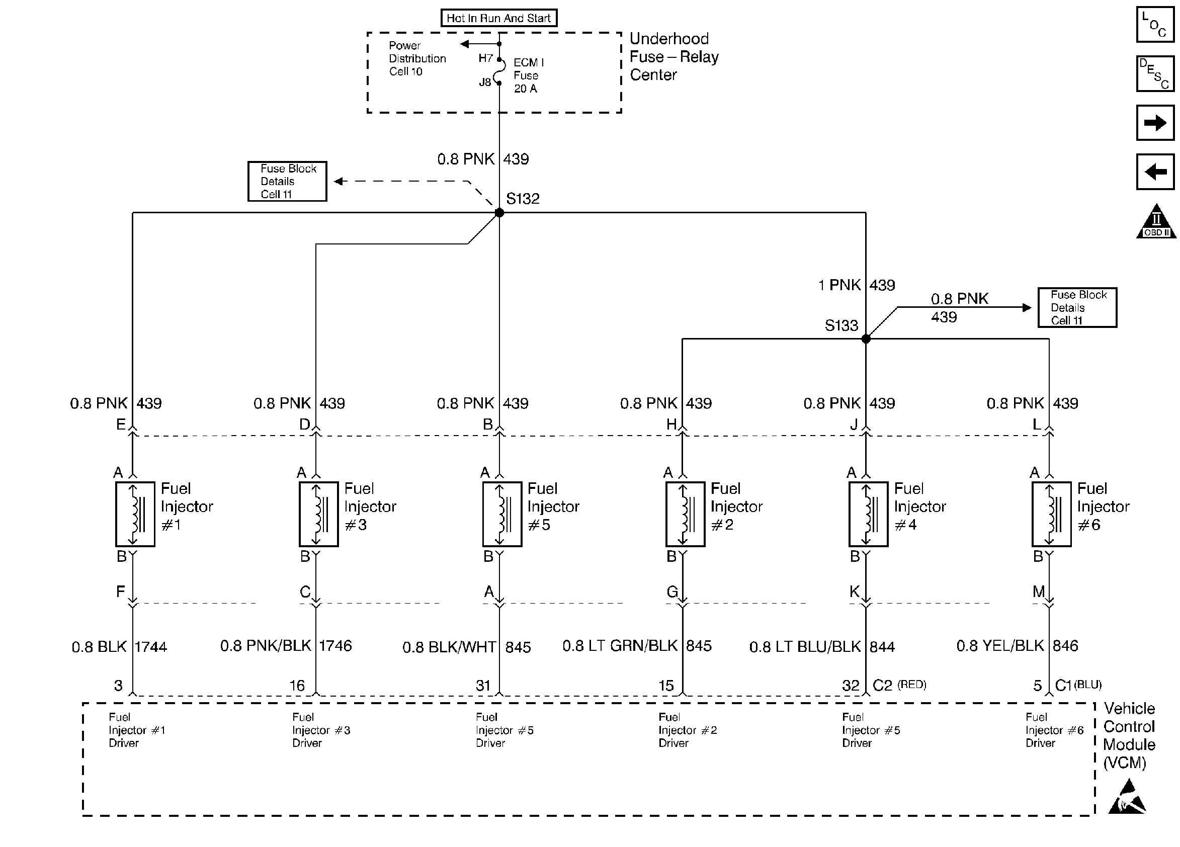
Injectors


Object Number: 44859  Size: FS
Engine Controls Components
Information Sensors
OBD II Symbol Description Notice
Handling ESD Sensitive Parts Notice
MAP, IAT, TP, ECT Sensors
Fuel Pump, Fuel Pump Relay, Oil Pressure Gauge

Diagnostic Aids

The vehicle control module (VCM) has integrated circuits that are fault protected, therefore, if a circuit has failed, the integrated circuits may not be damaged. If this is the case, the ignition control (IC) will keep the circuit open until you have corrected the fault in the circuit. When you have corrected the fault, reinstall the VCM. Check the circuit. Replace the VCM only if the circuit is still inoperative.

Test Description

The numbers below refer to the step numbers on the diagnostic table.

  1. This step determines if the ignition feed circuit to the injectors are OK.

  2. This step determines if the injector control circuits are OK.

  3. This step determines if there is an internal VCM short to ground for an injector control circuit.

Step

Action

Value(s)

Yes

No

1

Important:  Before clearing DTCs, use the scan tool in order to record freeze frame and the failure records for reference because the Clear Info function will lose the data.

Was the Powertrain On-Board Diagnostic (OBD) System Check performed?

--

Go to Step 2

Go to Powertrain On Board Diagnostic (OBD) System Check

2

  1. Disconnect the injector connector at the intake manifold.
  2. Connect a test lamp to a ground.
  3. Turn ON the ignition leaving the engine off.
  4. Using the test lamp, probe the injector ignition feed circuits.

Is the test lamp on for all the injector feed circuits?

--

Go to Step 3

Go to Step 7

3

  1. Install an injector test lamp J 34730-350 into each injector circuit one at a time.
  2. Crank the engine.

Does the injector test lamp flash for each injector?

--

Go to Fuel Injector Solenoid Coil Test

Go to Step 4

4

Is the injector test lamp on steady for any injector circuit?

--

Go to Step 5

Go to Step 6

5

  1. Install an injector test lamp in the affected circuit.
  2. Turn off the ignition.
  3. Disconnect the VCM Blue and Red connectors.
  4. Turn ON the ignition leaving the engine off.

--

Go to Step 11

Go to Step 8

6

Check for an open or short to B+ for the affected injector control circuit.

Was a problem found?

--

Go to Step 7

Go to Step 9

7

Repair circuit as necessary. Refer to Wiring Repairs in Engine Electrical.

Is the action complete?

--

Go to Step 12

--

8

Repair short to ground in the injector control circuit. Refer to Wiring Repairs in Engine Electrical.

Is the action complete?

--

Go to Step 12

--

9

Check the terminal contact at the VCM.

Was a problem found?

--

Go to Step 10

Go to Step 11

10

Repair terminal contact as necessary.

Is action complete?

--

Go to Step 12

--

11

Repair the VCM.

Important:  If the VCM is faulty, reprogram the VCM. Refer to VCM Replacement/Programming (With KS Calibration PROM) .

Is the action complete?

--

Go to Step 12

--

12

  1. Using the scan tool, select the DTC and the Clear Info.
  2. Attempt to start the engine.

Does the engine start and continue to run?

--

Go to Step 13

Go to Step 2

13

  1. Allow the engine to idle until normal operating temperature is reached.
  2. Select the DTC and the Failed This Ign.

Are any DTCs displayed that have not been diagnosed?

--

Go to The Applicable DTC Table

Go to Step 14

14

Using the scan tool, select the Capture Info and the Review Info.

Are any DTCs displayed that have not been diagnosed?

--

Go to The Applicable DTC Table

System OK