GM Service Manual Online
For 1990-2009 cars only
Figure 1:

Power, Ground, MIL, and DLC


Object Number: 50149  Size: FS
Engine Controls Components
Powertrain Control Module (PCM) Control Module Communication
Glow Plug Controls
OBD II Symbol Description Notice
Handling ESD Sensitive Parts Notice
Handling ESD Sensitive Parts Notice
Handling ESD Sensitive Parts Notice
Figure 2:

Glow Plug Controls


Object Number: 50158  Size: FS
Engine Controls Components
Glow Plugs
Fuel Pump Controls
Power, Ground, MIL, and DLC
OBD II Symbol Description Notice
Handling ESD Sensitive Parts Notice
Handling ESD Sensitive Parts Notice
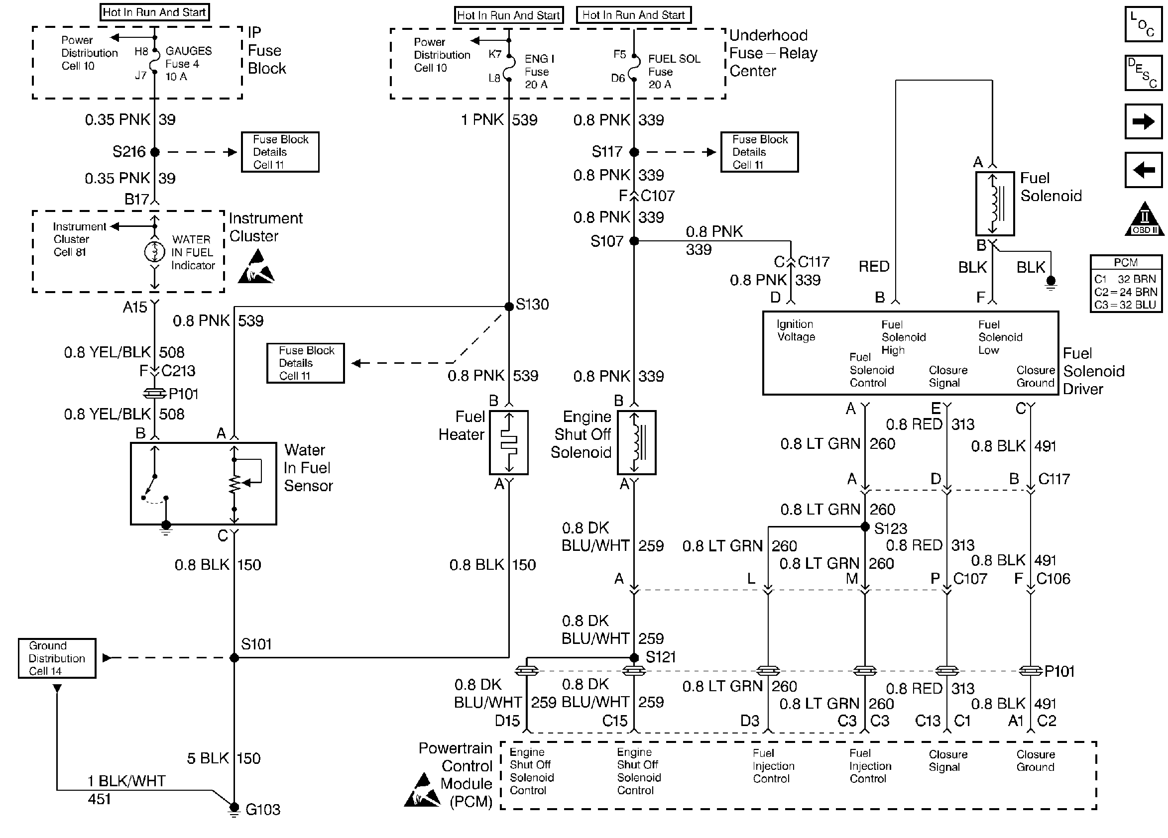
Figure 3:

Fuel Pump Controls


Object Number: 50164  Size: FS
Engine Controls Components
Fuel Lift Pump Electrical Circuit
Fuel Controls
Glow Plug Controls
OBD II Symbol Description Notice
Handling ESD Sensitive Parts Notice
Figure 4:

Fuel Controls


Object Number: 50166  Size: FS
Engine Controls Components
Information Sensors
Fuel Temperature Sensor and Ignition Timing Stepper (ITS)Motor
Fuel Pump Controls
OBD II Symbol Description Notice
Handling ESD Sensitive Parts Notice
Handling ESD Sensitive Parts Notice
Figure 5:

Fuel Temperature Sensor and Ignition Timing Stepper (ITS) Motor


Object Number: 50167  Size: FS
Engine Controls Components
Information Sensors
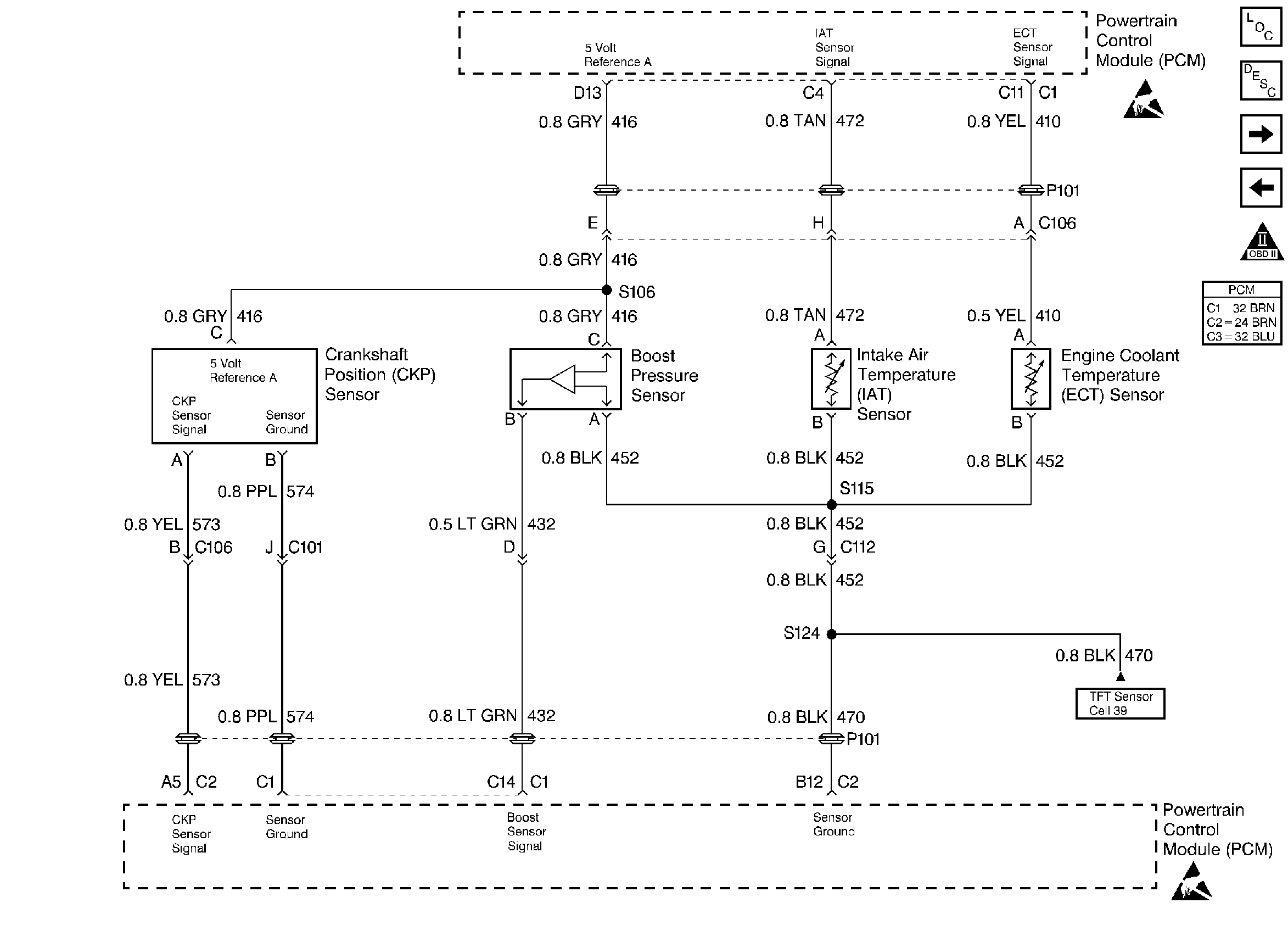
Engine Data Sensors
Fuel Controls
OBD II Symbol Description Notice
Handling ESD Sensitive Parts Notice
Handling ESD Sensitive Parts Notice
Figure 6:

Engine Data Sensors


Object Number: 50169  Size: FS
Engine Controls Components
Information Sensors
Cruise Control Switch, Wastegate Solenoid, and APP Module
Fuel Temperature Sensor and Ignition Timing Stepper (ITS)Motor
OBD II Symbol Description Notice
Handling ESD Sensitive Parts Notice
Handling ESD Sensitive Parts Notice
Figure 7:

Cruise Control Switch, Wastegate Solenoid, and APP Module


Object Number: 50170  Size: FS
Engine Controls Components
Accelerator Pedal Position Module Replacement
Vehicle Speed Sensor (VSS)
Engine Data Sensors
OBD II Symbol Description Notice
Handling ESD Sensitive Parts Notice
Handling ESD Sensitive Parts Notice
Figure 8:

Vehicle Speed Sensor (VSS)


Object Number: 50171  Size: FS
Engine Controls Components
Information Sensors
4L80-E Transmission Controls (Solenoids)
Cruise Control Switch, Wastegate Solenoid, and APP Module
OBD II Symbol Description Notice
Handling ESD Sensitive Parts Notice
Handling ESD Sensitive Parts Notice
Handling ESD Sensitive Parts Notice
Handling ESD Sensitive Parts Notice
Figure 9:

4L80-E Transmission Controls (Solenoids)


Object Number: 50172  Size: FS
Engine Controls Components
Information Sensors
4L80-E Transmission Controls (Switches and ISS Sensor)
Vehicle Speed Sensor (VSS)
OBD II Symbol Description Notice
Handling ESD Sensitive Parts Notice
Figure 10:

4L80-E Transmission Controls (Switches and ISS Sensor)


Object Number: 50173  Size: FS
Engine Controls Components
Information Sensors
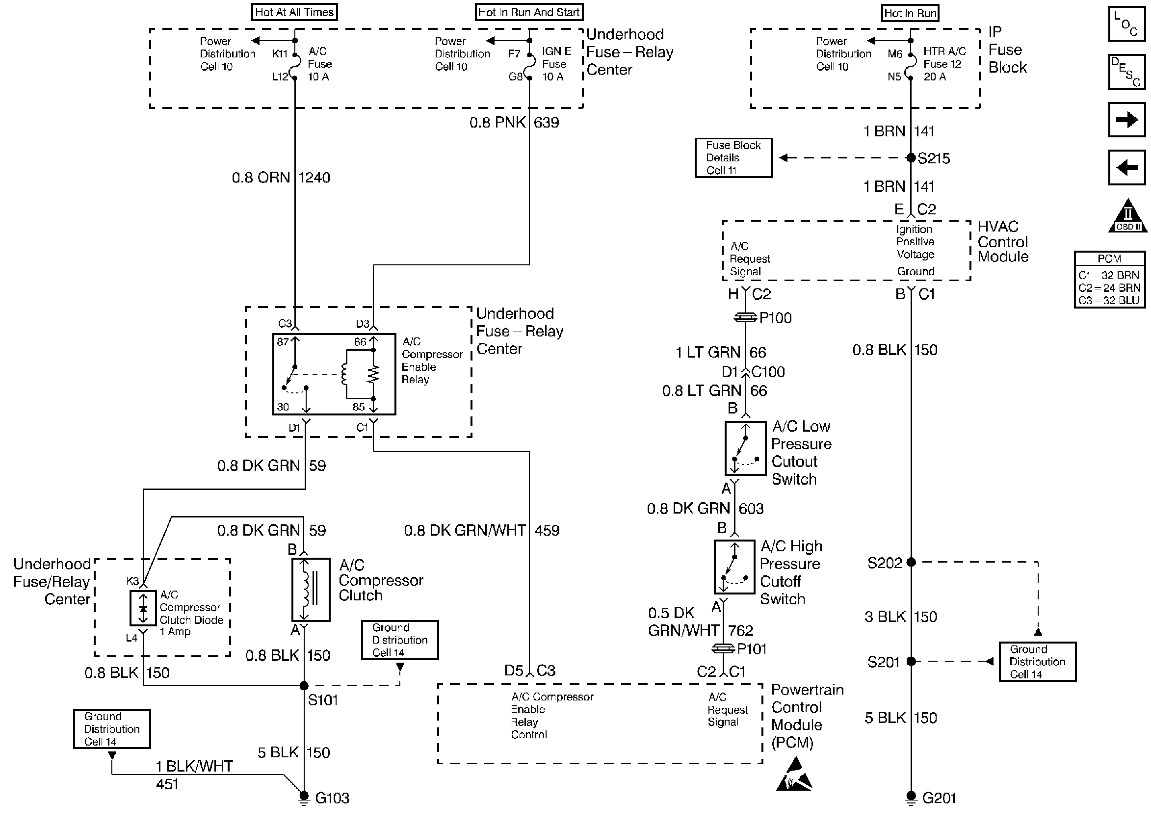
A/C Controls
4L80-E Transmission Controls (Solenoids)
OBD II Symbol Description Notice
Handling ESD Sensitive Parts Notice
Handling ESD Sensitive Parts Notice
Figure 11:

A/C Controls


Object Number: 50174  Size: FS
Engine Controls Components
Information Sensors
Power, Ground, MIL, and DLC
4L80-E Transmission Controls (Switches and ISS Sensor)
OBD II Symbol Description Notice
Handling ESD Sensitive Parts Notice