GM Service Manual Online
For 1990-2009 cars only
Makes
🢒
Chevrolet
🢒
1996
🢒
Chevy G Van
🢒
Transmission/Transaxle
🢒
Automatic Transmission - 4L60-E
🢒 Automatic Transmission Controls Schematics
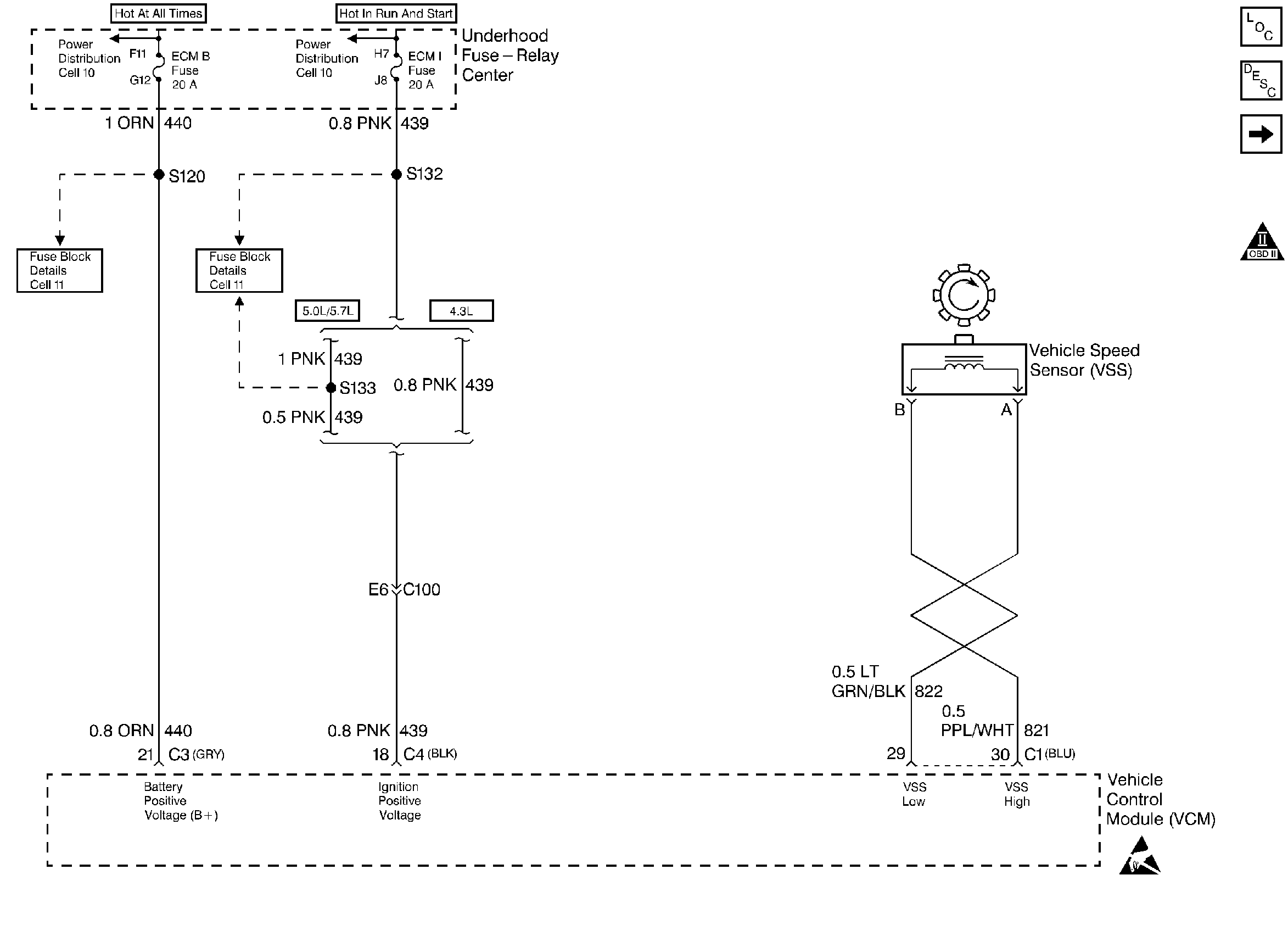
Figure
1:
VCM Power and VSS
Automatic Transmission Components
Electronic Component Description
Brake Switch and Solenoid Valves
OBD II Symbol Description Notice
Handling ESD Sensitive Parts Notice
Figure
2:
Brake Switch and Solenoid Valves
Automatic Transmission Components
Electronic Component Description
TFP Valve Position Switch and PC Sol. Valve
VCM Power and VSS
OBD II Symbol Description Notice
Handling ESD Sensitive Parts Notice
Figure
3:
TFP Valve Position Switch and PC Sol. Valve
Automatic Transmission Components
Electronic Component Description
Brake Switch and Solenoid Valves
OBD II Symbol Description Notice
Handling ESD Sensitive Parts Notice
Handling ESD Sensitive Parts Notice