GM Service Manual Online
For 1990-2009 cars only
Makes
🢒
Chevrolet
🢒
1996
🢒
Chevy G Van
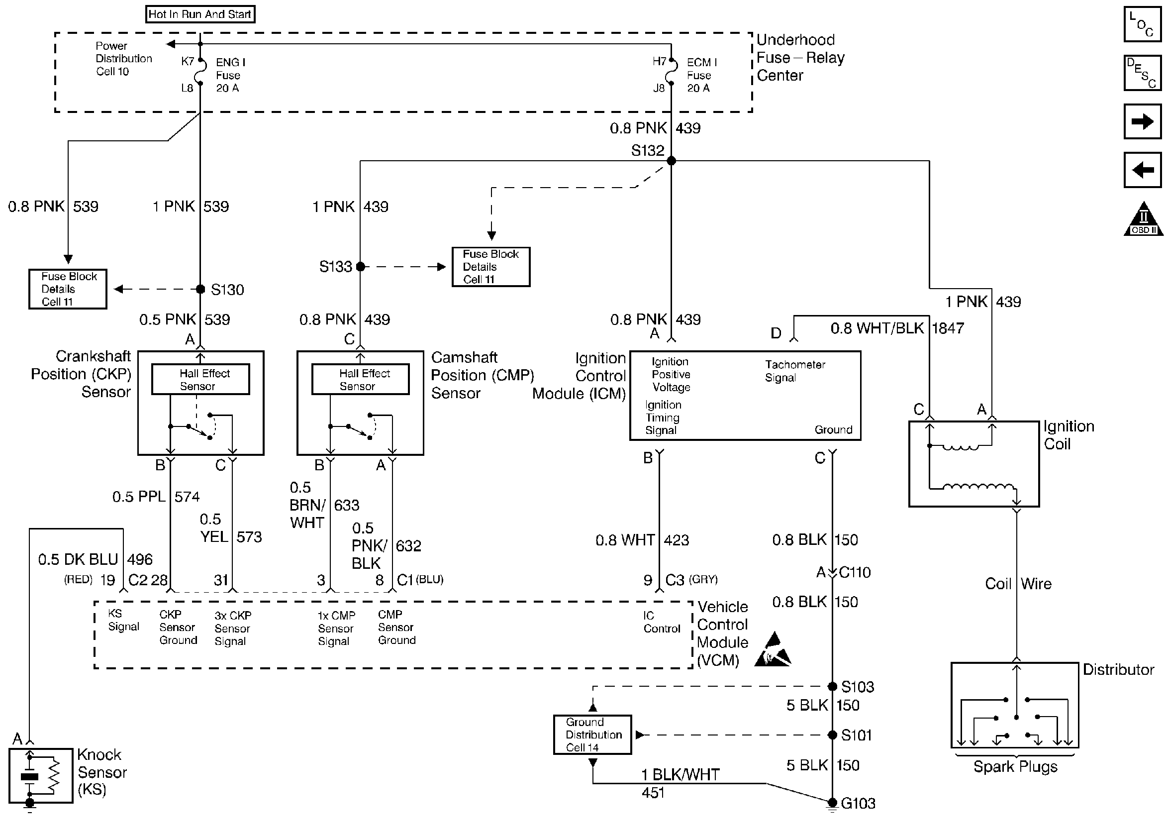
🢒 CKP, CMP Sensors, ICM with Ignition Coil
CKP, CMP Sensors, ICM with Ignition Coil
CKP,CMP Sensors,ICM with Ignition Coil
Engine Controls Components
OBD II Symbol Description Notice
Handling ESD Sensitive Parts Notice
Information Sensors
Fuel Pump, Fuel Pump Relay, Oil Pressure Gauge
DLC, MIL, I/P