GM Service Manual Online
For 1990-2009 cars only

Object Number: 46184  Size: LF
Handling ESD Sensitive Parts Notice
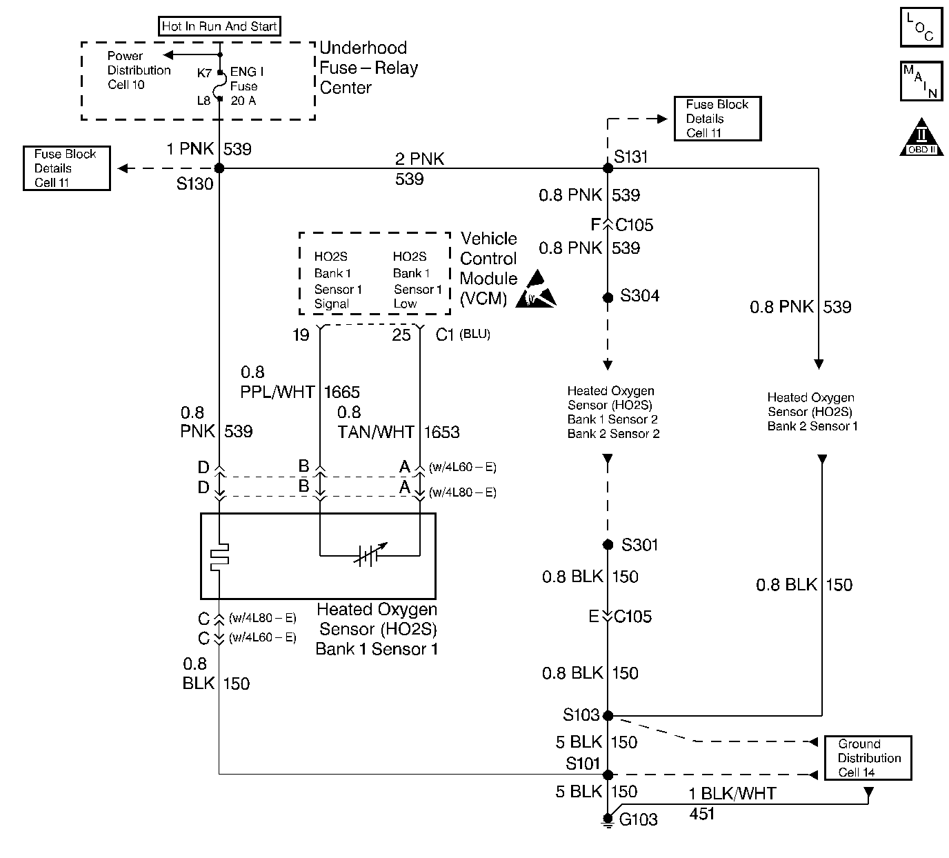
Engine Controls Components 5.0L/5.7L/7.4L
Engine Controls Schematics
OBD II Symbol Description Notice

Circuit Description

Important: If the voltage is measured with a 10 Megaohm Digital Voltmeter, the voltage may read as low as 0.32 volt (320 mV).

The VCM supplies a voltage of approximately 0.45 volt (450 mV) between the HO2S High and the HO2S Low circuits. The Heated Oxygen Sensor (HO2S) varies the voltage from approximately 1.0 volt (1000 mV) during rich conditions to 0.10 volt (100 mV) during lean conditions.

The VCM monitors the HO2S activity for 100 seconds after the Closed Loop. During the monitor period, the VCM counts the number of times the HO2S switches from rich to lead and from lean to rich and adds the amount of time the sensor took to complete all the switches. With this information, the VCM determines an average time. If the average time to switch is too slow, a DTC P0133 sets.

When the HO2S temperature measures below 360° (600°F), the sensor will not produce any voltage. The sensor will behave like an open circuit. This will result in an Open Loop operation.

The HO2S heater provides for a faster sensor warm-up which allows the sensor to become active in a shorter period of time. This allows the sensor to remain active during a long extended idle. The DTC P0133 determines if the HO2S is functioning properly by checking the response time of the sensor. This is a type B DTC.

Conditions for Setting the DTC

The following conditions will set the DTC:

    • No TP sensor DTCs
    • No EVAP DTCs
    • No IAT sensor DTCs
    • No MAP sensor DTCs
    • No ECT sensor DTCs
    • No MAF sensor DTCs
    • No intrusive test in progress
    • No device controls are active.
    • The system voltage measures at least 9.0 volts.
    • The HO2S (Bank 1, Sensor 1) average transition time from lean to rich is greater than 85 milliseconds.
    • The HO2S (Bank 1, Sensor 1) average transition time from rich to lean is greater than 85 milliseconds.

Response Test Enable

    • The DTCs P0131, P0132, P0134 and P0135 are not present.
    • A Closed Loop runs.
    • The ECT is greater than 57° C.
    • The engine run time is greater than 75 seconds.
    • The MAF is at least 15 grams per second but less than 55 grams per second.
    • Engine speed is at least 1100 RPM but less than 3000 RPM.
    • The EVAP canister purge duty cycle is greater than 0 %.
    • The above condition is present for more than 2 seconds.
    • The Bank 1 Sensor 1 HO2S voltage remains between 0.300 volt and 0.600 volt.

Action Taken When DTC Sets

The VCM turns the MIL ON after the second test failure.

Conditions for Clearing the MIL/DTC

The VCM turns OFF the MIL after 3 consecutive driving trips without a fault condition present. A history DTC will clear if no fault conditions have been detected for 40 warm-up cycles (the coolant temperature has risen 22°C (40°F) from the start-up coolant temperature and the engine coolant temperature exceeds 71°C (160°F) during that same ignition cycle) or the scan tool clearing feature has been used.

Diagnostic Aids

Important: Never solder the HO2S wires. For proper wire and connector repairs, refer to Wiring Repairs.

Check for the following conditions:

    • An improperly installed air intake duct
    • The air intake duct for collapsed ducting, restrictions, or a missing or plugged air filter
    • Throttle body and intake manifold vacuum leaks
    • A damaged or blocked throttle body inlet
    • Exhaust system for corrosion, leaks, or loose or missing hardware
    • The HO2S is installed securely and the pigtail harness is not contacting the exhaust manifold or wires
    • HO2S contamination
    • The vacuum hoses for splits, kinks, and proper connections
    • Excessive water, alcohol, or other contaminants in the fuel
    • VCM sensor grounds that are clean, tight, and properly positioned

Test Description

The number below refers to the step number on the diagnostic table.

  1. This step checks for physical damage to the engine components and the converter.

Step

Action

Value(s)

Yes

No

1

Important: Before clearing DTCs, use the scan tool in order to record freeze frame and the failure records for reference because the Clear Info function will lose the data.

Was the Powertrain On-Board Diagnostic (OBD) System Check performed?

--

Go to Step 2

Go to Powertrain On Board Diagnostic (OBD) System Check

2

Are any other H02S DTCs stored?

--

Go to The Applicable DTC Table

Go to Step 3

3

  1. Connect the scan tool.
  2. With the engine idling, monitor the MAP sensor voltage on the scan tool.

Is the MAP sensor voltage greater than the specified value.

4.0 V

Go to DTC P0108 Manifold Absolute Pressure (MAP) Sensor Circuit High Voltage

Go to Step 4

4

Visually and physically check the exhaust system near the HO2S 1 for leaks.

Was a problem found?

--

Go to Step 8

Go to Step 5

5

Visually and physically check that the HO2S (Bank 1, Sensor 1) is installed securely.

Was a problem found?

--

Go to Step 8

Go to Step 6

6

Check that the HO2S (Bank 1, Sensor 1) connection is not contacting the engine or the exhaust system.

Was a problem found?

--

Go to Step 8

Go to Step 7

7

  1. Remove the H02S (Bank 1, Sensor 1).
  2. Inspect the sensor for a silicon contamination indicated by a white powdery deposit on the portion of the sensor exposed to the exhaust stream. Also inspect the sensor for an engine oil, engine coolant, or lead contamination.

Is the sensor contamination evident?

--

Go to Step 8

Go to Diagnostic Aids

8

Repair as necessary.

Is the action complete?

--

Go to Step 11

--

9

Repair the source of the HO2S 1 contamination.

Is the action complete?

--

Go to Step 10

--

10

Replace the HO2S 1. Refer to Heated Oxygen Sensor Replacement .

Is the action complete?

--

Go to Step 11

--

11

  1. Using the scan tool, select the DTC and the Clear Info.
  2. Start the Engine.
  3. Idle at the normal operating temperature.
  4. Select the DTC and the Specific.
  5. Enter the DTC number which was set.
  6. Operate the vehicle within the conditions for setting this DTC as specified in the supporting text.

Does the scan tool indicate that this diagnostic ran and passed?

--

Go to Step 12

Go to Step 2

12

Using the scan tool, select the Capture Info and the Review Info.

Are any DTCs displayed that have not been diagnosed?

--

Go to The Applicable DTC Table

System OK