GM Service Manual Online
For 1990-2009 cars only

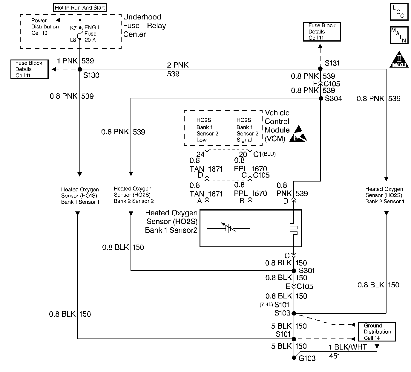
Object Number: 46214  Size: LF
Handling ESD Sensitive Parts Notice
Engine Controls Components 5.0L/5.7L/7.4L
Engine Controls Schematics
OBD II Symbol Description Notice

Circuit Description

The VCM supplies a voltage of approximately 0.45 volt (450 mV) between the HO2S High and HO2S Low circuits.

Important: If the voltage is measured with a 10 megaohm digital voltmeter, the voltage may read as low as 0.32 volt. The Heated Oxygen Sensor (HO2S) varies the voltage from approximately 1.0 volt (1000 mV) during rich conditions to 0.10 volt (100 mV) during lean conditions.

When the HO2S temperature measures below 360°C (600°F) the sensor will not produce any voltage. The sensor will behave like an open circuit. This will result in an open loop operation.

The HO2S heater provides for a faster sensor warm-up which allows the sensor to become active in a shorter period of time. The sensor will also remain active during a long extended idle. The DTC P0137 determines if the HO2S or circuit is shorted low by checking for a lean condition during a steady throttle and power enrichment (PE). This DTC is a type B DTC.

Conditions for Setting the DTC

The following conditions will set the DTC:

    • No TP sensor DTCs
    • No EVAP DTCs
    • No IAT sensor DTCs
    • No MAP sensor DTCs
    • No ECT sensor DTCs
    • No MAF sensor DTCs
    • No intrusive test in progress
    • No device controls active
    • The system voltage measures at least 9.0 volts

Test Enable Lean Test

    • Closed Loop low MAP not active
    • Closed Loop
    • No fuel injectors turned off
    • Air to fuel ratio is at least 14.5 but less than 14.8
    • The TP is greater than 5% but less than 99%
    • The above met for 5 seconds
    • Related HO2S DTCs not active since code clear

Test Enable PE Lean Test

    • A Closed Loop
    • The Power Enrichment mode active
    • The high speed fuel cutoff not active
    • Related HO2S DTCs not active since code clear
    • Time elapse since test enable is at least 1 second

Test Enable Lean Test

    • Closed Loop
    • No fuel injectors turned off
    • Air to fuel ratio is at least 14.5 but less than 14.8
    • The TP is greater than 5% but less than 99%
    • The above met for 5 seconds
    • No HO2S (Bank 1, Sensor 2) DTCs
    • The HO2S Bank 1 Sensor 2 voltage is less than 0.086 volts (86 mV).

Test Enable PE Lean Test

    • A Closed Loop
    • The Power Enrichment mode active
    • The high speed fuel cutoff not active
    • HO2S (Bank 1, Sensor 2) DTCs not active since code clear
    • Time elapse since test enable is at least 1 second
    • The Bank 1 Sensor 2 H02S voltage measures less than 0.598 volts (598 mV).

Action Taken When the DTC Sets

The VCM turns on the MIL (Malfunction Indicator Lamp) after 2 consecutive failures.

Conditions for Clearing the MIL/DTC

The VCM turns OFF the MIL after 3 consecutive driving trips without a fault condition present. A history DTC will clear if no fault conditions have been detected for 40 warm-up cycles (the coolant temperature has risen 22°C (40°F) from the start-up coolant temperature and the engine coolant temperature exceeds 71°C (160°F) during that same ignition cycle) or the scan tool clearing feature has been used.

Diagnostic Aids

Using the scan tool, observe the L.T. fuel trim values at the different RPM and the air flow conditions. The scan tool also displays the fuel trim cells, so the L.T. fuel trim values can be checked in each of the cells in order to determine when the DTC may have set. If the conditions for this DTC exist, the L.T. fuel trim values measure around 158 or greater.

Check for the following conditions:

    • A heated oxygen sensor wire: A sensor pigtail may be mispositioned and contacting the exhaust manifold.
    • An intermittent ground in wire between the connector and the sensor.
    • A poor VCM to the engine block ground
    • Lean injectors: Preform the Poppet Nozzle Test. Refer to Fuel Injector Balance Test for the 5.0L, 5.7L. Refer to Fuel Injector Balance Test for the 7.4L.
    • Fuel Contamination: Water, even in small amounts, near the in-tank fuel pump inlet can be delivered to the injectors. The water causes a lean exhaust and can also set this DTC.
    • Fuel pressure: If the pressure is too low, the system will be lean. In order to confirm, monitor a fuel pressure while driving the vehicle at various speeds and loads. Refer to Fuel System Diagnosis .
    • Exhaust leaks: If there is an exhaust leak, the engine may pull the outside air into the exhaust. and past the sensor.
    • Vacuum or the Crankcase leaks can cause a lean condition or a possibly a high idle.
    • If the above check out okay, the problem is a faulty heated sensor.

Never solder the HO2S wires. For proper wire and connector repair refer to Wiring Repairs .

Test Description

The numbers below refer to the step numbers on the diagnostic table.

  1. Running the engine at 1200 RPM keeps the HO2S hot in order to ensure the HO2S remains active. Running the engine at 1200 RPM can indicate the exhaust oxygen content accurately.

  2. Opening the HO2S sensor circuit should result in a displayed voltage between 350 and 550 mV. If the display is still fixed below the 350 mV, the fault is a short to a ground in the HO2S (Bank 1 Sensor 2) high signal circuit or a faulty VCM.

Step

Action

Value(s)

Yes

No

1

Important: Before clearing DTCs, use the scan tool in order to record freeze frame and the failure records for reference because the Clear Info function will lose the data.

Was the Powertrain On-Board Diagnostic (OBD) System Check performed?

--

Go to Step 2

Go to Powertrain On Board Diagnostic (OBD) System Check

2

  1. Connect the scan tool.
  2. Run the engine at the normal operating temperature.
  3. Place the vehicle in park or neutral.
  4. Apply the parking brake.
  5. Increase the engine speed to the specified value.

Does the scan tool data display indicate HO2S (Bank 1, Sensor 2) voltage fixed less than the specified value.

1200 RPM

0.086 V (86 mV)

Go to Step 3

Go to Step 5

3

  1. Disconnect the HO2S (Bank 1, Sensor 2).
  2. Jumper the HO2S (Bank 1, Sensor 2) sensor Low circuit (VCM side) to a ground.
  3. Turn ON the ignition leaving the engine off.

Does the scan tool data display indicate the HO2S (Bank 1, Sensor 2) sensor voltage is within the specified range.

0.35-0.55 volts (350-0.55 mV)

Go to Step 7

Go to Step 5

4

The DTC is intermittent. If no additional DTCs are stored, refer to the Diagnostic Aids.

Are any additional DTCs stored?

--

Go to The Applicable DTC Table

Go to Step 5

5

Check for a short to ground in the HO2S Bank 1, Sensor 2 sensor signal circuit.

Was a problem found?

--

Go to Step 9

Go to Step 8

6

Repair as necessary.

Is the action complete?

--

Go to Step 9

--

7

Refer to the Diagnostic Aids.

--

--

--

8

Replace the VCM.

Important:  If the VCM is faulty, reprogram the VCM. Refer to VCM Replacement/Programming (With KS Calibration PROM) .

Is the action complete?

--

Go to Step 9

--

9

  1. Using the scan tool, select the DTC and the Clear Info.
  2. Start the Engine.
  3. Idle at the normal operating temperature.
  4. Select the DTC and the Specific.
  5. Enter the DTC number which was set.
  6. Operate the vehicle within the conditions for setting this DTC as specified in the supporting text.

Does the scan tool indicate that this diagnostic ran and passed?

--

Go to Step 10

Go to Step 2

10

Using the scan tool, select the Capture Info and the Review Info.

Are any DTCs displayed that have not been diagnosed?

--

Go to The Applicable DTC Table

System OK