GM Service Manual Online
For 1990-2009 cars only

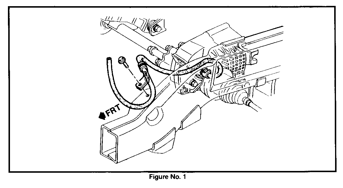
FRONT AXLE OIL LEAK FROM THE REMOTE AXLE VENT TUBE

VEHICLES AFFECTED: 1988 K - 1, 2, 3 MODELS -----------------

On some 1988 K models, front axle lubricant entering the vent tube may be caught in any dips or traps in the tube and subsequently exit the remote vent at the end of the tube due to pressure differentials. The possibility of lubricant exiting the remote vent can be eliminated by removing any dips or traps in the tube using the following procedure:

Do not detach the hose from the axle but remove it from both of the routing/retaining clips. Remove routing clip from top of frame and discard. Install new routing clip, P/N 15567664, and secure with existing M 8 x 16 mm bolt (Figure No. 1).

For gasoline engine vehicles without auxiliary batteries (RPO TP2), remove the fuel canister and drill a 6.4mm (1/4") hole in the bracket on the inboard side about 28.0mm (1 1/2") down from the top of bracket (Figure No. 2). Insert new clip, P/N 3816659, and reinstall canister. Route the axle vent tube through these two new clips and raise the vent so no dips in vent tube exist and secure (Figure No. 3).

For diesel engine vehicles or vehicles with auxiliary batteries, a 6.4mm (1/4") hole must be drilled in the radiator support at a location 19.0mm (3/4") above and 12.5mm (1/2") inboard of the existing upper threaded hole. Install new clip, P/N 3816659. Route hose through clips and pull vent up so no dips exist and secure (Figure No. 4).

After completing the re-routing of the axle vent hose and relocation of the axle vent, any remaining axle lube should be cleaned up. The front axle lube level should be checked and brought up to full level with SAE 8090 GL5 gear lubricant.

Use applicable Labour Operation and Time.


Object Number: 77397  Size: FS


Object Number: 76878  Size: FS


Object Number: 77396  Size: FS


Object Number: 78131  Size: FS

General Motors bulletins are intended for use by professional technicians, not a "do-it-yourselfer". They are written to inform those technicians of conditions that may occur on some vehicles, or to provide information that could assist in the proper service of a vehicle. Properly trained technicians have the equipment, tools, safety instructions and know-how to do a job properly and safely. If a condition is described, do not assume that the bulletin applies to your vehicle, or that your vehicle will have that condition. See a General Motors dealer servicing your brand of General Motors vehicle for information on whether your vehicle may benefit from the information.