GM Service Manual Online
For 1990-2009 cars only

Removal Procedure


    Object Number: 332410  Size: SH
  1. Remove the engine cover from the upper intake manifold.
  2. Remove the CDR valve from the right valve rocker arm cover.
  3. Disconnect both the battery negative cables from the batteries. Refer to Battery Cable in Engine Electrical.

  4. Object Number: 177115  Size: SH
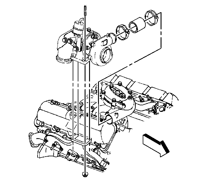
  5. Remove the braces from the turbocharger and the upper and lower intake manifold.
  6. Important: Some quantity of oil will exist inside the vent system. The crankcase vapor consist of vaporized oil that condenses within the vent and intake system. The inside of the air duct and compressor wheel housing will have some oil due to the venting of the crankcase vapors.

  7. Loosen the clamps on the hose between the air cleaner assembly and the turbocharger.
  8. Important: Silicone sealant is used on the hose between the upper intake manifold and the turbocharger.

  9. Remove the hose between the upper intake manifold and the turbocharger assembly.
  10. 6.1. Use a small flat bladed screwdriver to break the seal on the hose between the upper intake manifold and the turbocharger.
    6.2. Slide the hose and the clamps toward the upper intake manifold.

    Object Number: 177108  Size: SH
  11. Remove the oil feed line from the turbocharger and position to the side.
  12. Partially rise the vehicle.
  13. Remove the right front tire from the vehicle.
  14. Remove the exhaust pipe from the turbocharger

  15. Object Number: 177097  Size: SH
  16. Remove the oil return line from the turbocharger.

  17. Object Number: 177099  Size: SH
  18. Remove the turbocharger from the right exhaust manifold.
  19. Clean the all mounting bolts for the turbocharger.
  20. Clean and inspect the sealing surface of the exhaust manifold. Refer to Exhaust Manifold Clean and Inspect .

Installation Procedure

Important: Check and make sure that the intake and exhaust systems leading to and from the turbocharger do not have any foreign material that may cause damage to the turbocharger during all levels of operation. At the same time, check and make sure that all sealing and mating surfaces are clean and no damage exist. If any damage is found, replace the damaged part.


    Object Number: 177099  Size: SH
  1. Install the turbocharger on the left exhaust manifold.
  2. Apply a small amount of high temperature anti seize compound, GM P/N 1052771 on all the threaded fasteners for the turbocharger.
  3. Notice: Use the correct fastener in the correct location. Replacement fasteners must be the correct part number for that application. Fasteners requiring replacement or fasteners requiring the use of thread locking compound or sealant are identified in the service procedure. Do not use paints, lubricants, or corrosion inhibitors on fasteners or fastener joint surfaces unless specified. These coatings affect fastener torque and joint clamping force and may damage the fastener. Use the correct tightening sequence and specifications when installing fasteners in order to avoid damage to parts and systems.

  4. Install the turbocharger bolts in the right exhaust manifold.
  5. Tighten
    Tighten the bolts to 58 N·m (43 lb ft)


    Object Number: 177097  Size: SH
  6. Install the oil return line and gasket to the turbocharger and engine block.
  7. Tighten
    Tighten all the bolts to 26 N·m (19 lb ft)

  8. Install the exhaust pipe to the turbocharger.
  9. Install the inner wheel housing to the vehicle.
  10. Install the right front tire on the vehicle.
  11. Lower the vehicle.

  12. Object Number: 177108  Size: SH

    Important: Before installing the oil feed line on the turbocharger, pour a small amount of clean engine oil (1 to 2 cc) into the oil feed hole while turning the compressor wheel by hand to lubricate the bearings in the turbocharger.

  13. Install the oil feed line to the turbocharger.
  14. Tighten
    Tighten the fitting to 17 N·m (13 lb ft).


    Object Number: 59746  Size: SH

    Important: Apply a small amount of silicone sealant, GM P/N 9985943 or equivalent, to a clean turbocharger compressor inlet and the upper intake manifold. This is done to prevent to prevent oil leakage from the closed breather system.

  15. Install the hose (with clamps) between the turbocharger and the upper intake manifold:
  16. 10.1. Slide the hose over the upper intake manifold.
    10.2. Slide the hose back toward the turbocharger compressor inlet.
  17. Center the hose and tighten the clamps.
  18. Tighten
    Tighten the hose clamps to 6 N·m (50 lb in).


    Object Number: 177115  Size: SH
  19. Install the bolt for long brace from the turbocharger to the upper intake manifold.
  20. Tighten
    Tighten the bolt to 50 N·m (37 lb ft).

  21. Install the nut for the long brace on the lower intake manifold.
  22. Tighten
    Tighten the nut to 40 N·m (30 lb ft).

  23. Install the short brace from the turbocharger to the upper intake manifold.
  24. Install the bolts for the short brace in the turbocharger and the upper intake manifold.
  25. Tighten
    Tighten the bolts to 25 N·m (19 lb ft).

  26. Install the vacuum line to the wastegate actuator.

  27. Object Number: 332410  Size: SH
  28. Install the CDR vale to the right vale rocker arm cover.
  29. Install the air intake duct to the turbocharger assembly.
  30. Install the engine cover to the upper intake manifold.
  31. Connect both the battery negative cables to the batteries. Refer to Battery Cable in Engine Electrical.
  32. Start and run the engine at an idle for at least 2 minutes after completing the installation of the turbocharger. While running the engine, check for any oil leaks at the oil feed or return line and repair as necessary.