GM Service Manual Online
For 1990-2009 cars only
Makes
🢒
Chevrolet
🢒
1999
🢒
Chevy K Pickup - 4WD
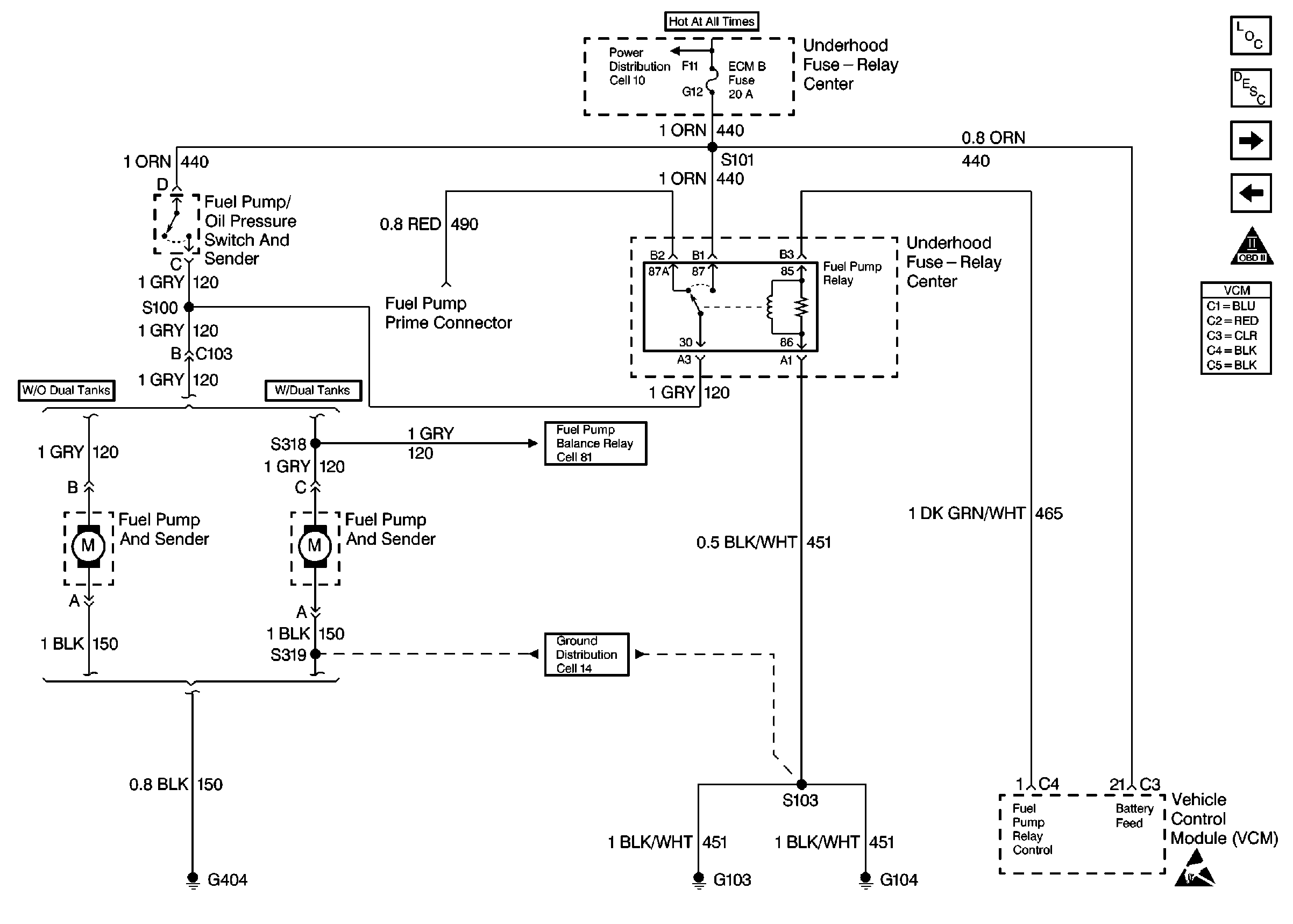
🢒 Feul Pump Controls
Feul Pump Controls
Fuel Controls
Engine Controls Components
Information Sensors/Switches Description
Fuel Injector Controls
Engine Sensors
OBDII Symbol Description Notice